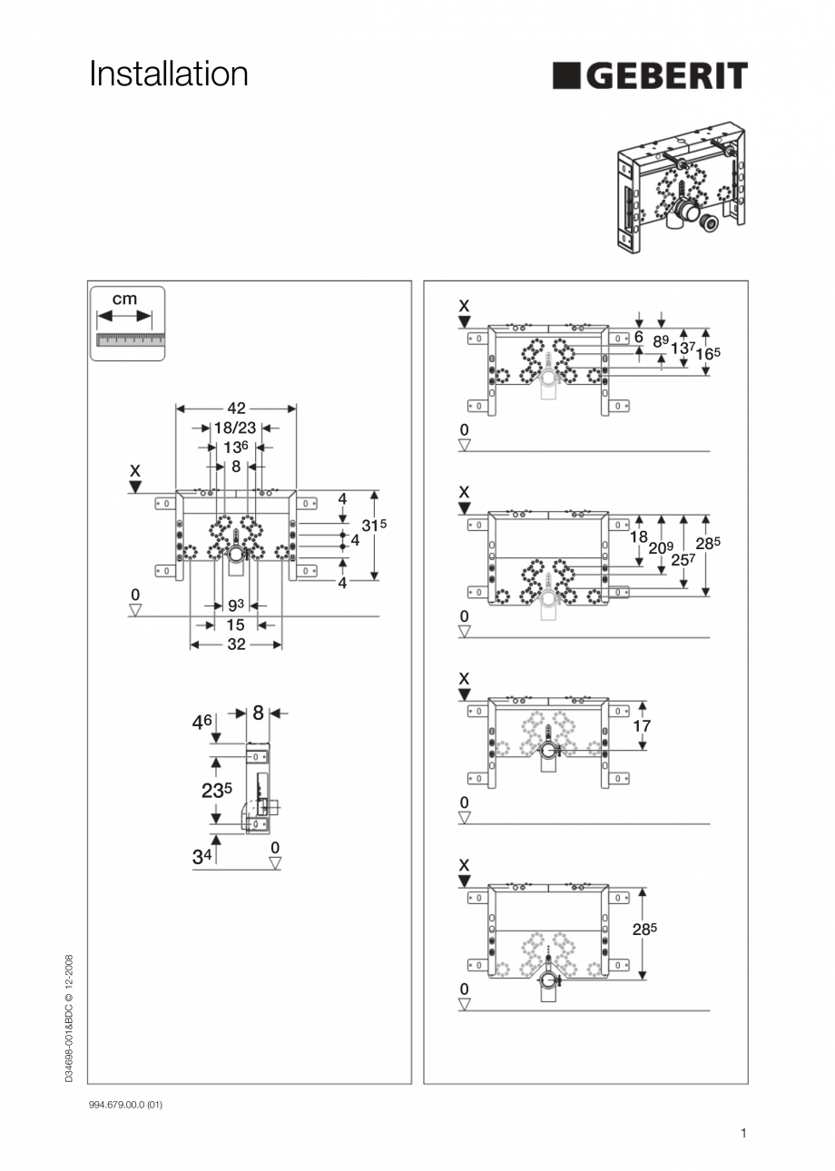
Instructiuni de montaj pentru elementul de instalare Geberit Kombifix pentru bideu GEBERIT

Limba: Engleza
40 afisari
Tip documentatie: Instructiuni montaj, utilizare
Salvează pdf
Pagina 1-Instructiuni de montaj pentru elementul de instalare Geberit Kombifix pentru bideu GEBERIT...

Alte documentatii ale aceleasi game
Vezi toate

Vas WC cu jet de apa reglabil individual 8000plus

Instructiuni montaj, utilizare
56 p | GE - EN + inca 2 limbi
AquaClean
Rezervor incastrat Kombifix Sigma pentru WC

Instructiuni montaj, utilizare
8 p | EN - GE + inca 2 limbi
Pentru noi, confidențialitatea dvs. este importantă
Portalul spatiulconstruit.ro folosește cookies pentru a asigura funcționalitatea și securitatea site-ului, pentru a personaliza conținutul și modul de interacțiune, pentru a oferi facilități de social media și pentru a analiza modul în care este utilizat site-ul. Aceste cookies sunt stocate și prelucrate, de către noi sau partenerii noștri în conformitate cu toate reglementările în vigoare și toate standardele de confidențialitate și securitate actuale.

Vă rugăm să rețineți că este posibil ca anumite prelucrări ale datelor dumneavoastră cu caracter personal să nu necesite consimțământul dumneavoastră, dar vă puteți exprima acordul cu privire la prelucrarea realizată de către noi și partenerii noștri conform descrierii de mai sus utilizând butonul SUNT DE ACORD de mai jos.

Navigând în continuare, vă exprimați acordul implicit asupra folosirii cookie-urilor.

Mai multe detalii despre politica noastră de confidențialitate aflați aici: https://www.spatiulconstruit.ro/politica-de-confidentialitate.