Vas WC cu jet de apa reglabil individual 8000plus GEBERIT AquaClean
Limba: Germana, Engleza, Italiana, Franceza
Tip documentatie: Instructiuni montaj, utilizare
Salvează pdf
Full screen
Geberit AquaClean 8000plus
Installation Manual
Montageanleitung Instructions de montage Istruzioni per il montaggio
DE EN FR IT NL ES PT DA NO SV FI PL HU SK CS SL HR SR BG RO TR RU ZH
Montageanleitung Installation instructions Instructions de montage Istruzioni per il montaggio Montageaanwijzing Instrucciones de montaje Instruções de montagem Monteringsvejledning Monteringsanvisning Monteringsanvisning Asennusohje Instrukcja montażu Szerelési útmutató Návod na montáž Montážní návod Navodila za montažo Uputa za montažu Uputstvo za montažu Ръководство за монтаж Indicaţii pentru montaj Montaj Kılavuzu Руководство по монтажу 装配说明书
4 + 10 4 + 12 4 + 14 4 + 16 4 + 18 4 + 20 4 + 22 4 + 24 4 + 26 4 + 28 4 + 30 4 + 32 4 + 34 4 + 36 4 + 38 4 + 40 4 + 42 4 + 44 4 + 46 4 + 48 4 + 50 4 + 52 4 + 54
B875-005 © 10-2012 964.333.00.0 (11)
3
Montage für Installateur
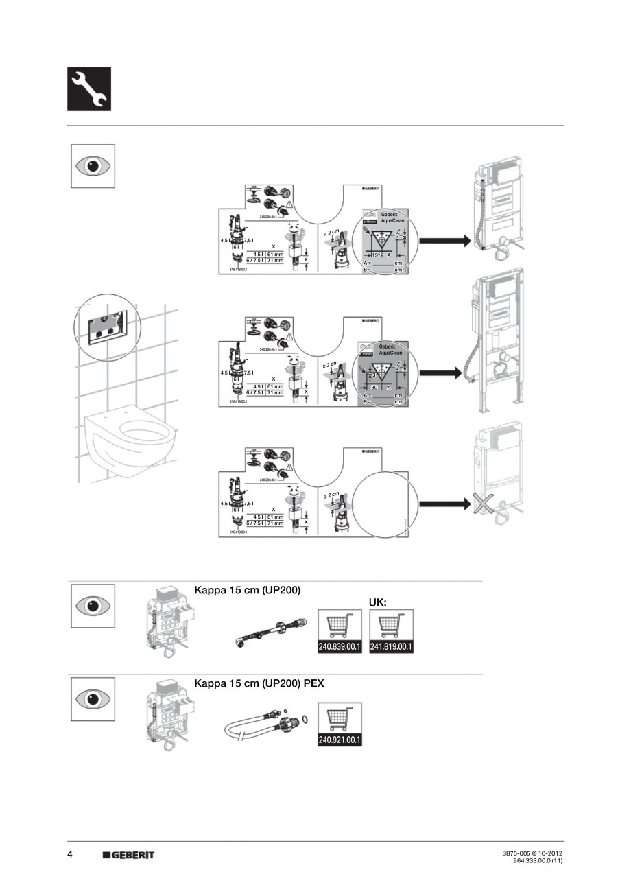
Wo befindet sich der Wasseranschluss?
240.298.00.1
+ 4,5
l 6l
7,5 l X 4,5 l 61 mm 6 / 7,5 l 71 mm
+ ≥2c
ø 16 mm
Geberit AquaClean B
m
X
816.418.00.1
A= B=
cm cm
240.298.00.1
+ 4,5 l 6l
7,5 l X 4,5 l 61 mm 6 / 7,5 l 71 mm
+ -
ø 16 mm
Geberit AquaClean B 3
m ≥2c
X
816.418.00.1
A= B=
cm cm
240.298.00.1
+ 4,5 l 6l
7,5 l X 4,5 l 61 mm 6 / 7,5 l 71 mm
+ -
m ≥2c
X
816.418.00.1
Kappa 15 cm (UP200)
UK:
240.839.00.1
241.819.00.1
Kappa 15 cm (UP200) PEX
240.921.00.1
Geberit AquaClean 8000 / 8000plus montieren
4
996.433.00.0 (02)
996.434.00.0 (04)
30
A
996.358.00.0 (04)
195
A
B875-005 © 10-2012 964.333.00.0 (11)
3
230 V ESD
1
4
2 5
1
2
1 3 4
2
3
5
6
4
5
7
6
8
9
7
8
10
9
11
10
11
1
2
B875-005 © 10-2012 964.333.00.0 (11)
5
6
9
2
2 1
X
ø 16 mm
1
7
A A 2 1 2 2
1 3
1
10
1
X
2
8
A A 1 2 3
+ 3 mm
X
4
6
B875-005 © 10-2012 964.333.00.0 (11)
13
1
Y
2
+ 3 mm Y
11
1 2
14
3
A
19 A 1
12
1 2
B875-005 © 10-2012 964.333.00.0 (11)
7
15
Kappa 15 cm (UP200)
(240.839.00.1) (UK: 241.819.00.1)
PEX
3 4 1
2
6
5
Sigma 12 cm (UP300 / UP320)
2 1
2
2
1
1
16
Kappa 15 cm (UP200) PEX
PEX
17
1 (240.921.00.1) (240.921.00.1) 2 3 1 2
18
4
8
B875-005 © 10-2012 964.333.00.0 (11)
19
22
1
2
20
23
1
21
3
2
24
45 ºC
B875-005 © 10-2012 964.333.00.0 (11)
9
DE
4 Erstinbetriebnahme
Inbetriebnahmeprogramm
Vor dem Einsetzen, respektive Einfüllen von Aktivkohlefilter und Düsenreiniger, wird zuerst ein automatisches Inbetriebnahmeprogramm durchlaufen. Dauer des Programms 2–9 Minuten. Aktivkohlefilter einsetzen.
5
WC in Betrieb nehmen
Verschlusskappe des Düsenreinigers abnehmen. Einfüllschublade herausziehen. Düsenreiniger an die Einfüllschublade ansetzen und einfüllen. Flasche nicht zusammendrücken.
1
Spritzschutz aufsetzen.
1
1 2
2
3
6 2
Wartungsklappe öffnen.
Einfüllfach hineinschieben und Wartungsklappe schliessen. Werden Aktivkohlefilter und Düsenreinigungsmittel nicht eingesetzt, respektive aufgefüllt,
leuchtet die rote LED.
1 2
3
Taste (1) gedrückt halten und gleichzeitig Netzschalter (2) einschalten. Warten bis Föhnarm ausgefahren ist und blaue LED blinkt. Inbetriebnahmeprogramm beginnt.
7
Mit der Hand das Fenster der Benutzererkennung abdecken und bedeckt halten.
1
8
2
Solange die blaue LED blinkt, ist das Inbetriebnahmeprogramm aktiv. Tritt ein Fehler auf, bricht das Programm nach 9 Minuten ab und die rote LED blinkt. Blinkt die rote LED, muss die Störung (z. B. fehlendes Wasser) behoben werden und das Inbetriebnahmeprogramm nochmals gestartet werden.
Prüfen ob Taste und Taste am Bedienfeld gedrückt sind. Falls nicht, beide Tasten drücken. Geruchsabsaugung startet.
10
B875-005 © 10-2012 964.333.00.0 (11)
DE
9
Taste drücken. Duscharm fährt aus und Duschstrahl setzt ein. Stärke des Duschstrahls durch Verstellen des Schiebers nach vorne <+> erhöhen oder nach hinten <-> senken.
13
Abdeckung der Fernbedienung aufsc
hieben bis zum Anschlag. Anschliessend durch Drücken der Arretierung Schieber entfernen und beiliegende Batterien (3 x Grösse AAA/ Typ 1.5 V) in Fernbedienung einlegen.
2
1 ≤1m
10
3 Minuten warten und Duschwassertemperatur prüfen.
14
Spritzschutz entfernen und für eine spätere Verwendung aufbewahren.
ºC
WC dem Kunden betriebsbereit übergeben
11
Taste erneut drücken. Duscharm fährt zurück. Föhnarm fährt aus und Föhn startet.
1
Hauptfunktionen am WC dem Kunden erläutern. Detaillierte Informationen finden Sie in der Bedienungsanleitung.
2 3 12
Hand vom Fenster der Benutzererkennung wegziehen. Föhn stoppt.
Endkundenunterlagen dem Kunden übergeben. Mit dem Kunden die Garantiekarte ausfüllen (Endkundenunterlagen), Seriennummerkleber aufkleben und an Geberit senden.
s 0 plu 8000 lea Clean quaC Aqua erit A Gebe
tung anleit Kurz
Damit die Fernbedienung das WC erkennt, muss die Entfernung der Fernbedienung zum WC kleiner als 1 m sein.
4
Einen zweite
n Seriennummernkleber für eine spätere Verwendung z. B. auf der letzten Seite der Bedienungsanleitung aufkleben.
B875-005 © 10-2012 964.333.00.0 (11)
11
EN
4 Start-up installation
Initiation programme
An automatic initiation programme is run before inserting or filling the active carbon filter and nozzle cleaning agent. Duration of the programme 2–9 minutes. Insert the active carbon filter.
5
Start operation of the toilet
1
Fit the spray shield.
Remove the screw cap of the nozzle cleaning agent and pull out the filling tray on the toilet. Lift the bottle and turn it around. The nozzle cleaning agent automatically flows into the tank. Do not squeeze the bottle, as the nozzle cleaning agent could spray outside the tank.
1
1 2
3 2
2
Open the maintenance opening.
6
Reinsert the filling tray and close the maintenance opening. If active carbon filter and nozzle cleaning agent are not used/topped up, the red LED will light up.
1 2
3
Press and hold the main button (1) whi
le switching on the main switch (2). Wait until the dryer arm is extended and the blue LED flashes. Initiation programme starts.
7
Cover the window of the user detection with your hand and keep it covered.
1
2
The initiation programme is active as long as the blue LED flashes. If a fault occurs, the programme is cancelled after 9 minutes and the red LED flashes. If the red LED flashes, the fault (e.g. lack of water) must be rectified and the initiation programme must be restarted.
8
Check if the and buttons are pressed on the control panel. If not, press both buttons. Air purifier starts.
12
B875-005 © 10-2012 964.333.00.0 (11)
EN
9
Press the button. The shower arm extends and the spray starts. Increase or lower the spray intensity by pressing the slider forwards <+> or backwards <->.
13
Slide the cover of the remote control up until the end position. Then remove the slider by pressing the catch and insert the supplied batteries (3 x size AA
A/type 1.5 V) into the remote control.
2
1 ≤1m
10
Wait for 3 minutes and check the shower water temperature.
ºC
14
Remove the spray shield and store for later use.
11
Press the button again. The dryer arm retracts. The shower arm extends and the dryer starts.
Handing over the toilet to the customer, ready for operation
1
Explain the main functions of the toilet to the customer. Refer to the operating instructions for detailed information.
2 12
Remove your hand from the window of the user detection. The dryer stops.
Hand over end-user documentation to the customer. Fill in the warranty card together with the customer (end-user documentation), attach the serial number sticker and send it to Geberit.
s 0 plu 8000 lea Clean quaC Aqua erit A Gebe
3
The remote control must be closer than 1 m to the toilet so that the remote control detects the toilet.
tung anleit Kurz
4
Attach a second serial number sticker, for example to the last page of the operating instruc
tions, so it is available for later use.
B875-005 © 10-2012 964.333.00.0 (11)
13
FR
Première mise en service
Programme de mise en service
Avant de procéder à la mise en route, respectivement au remplissage du filtre à charbon actif et du liquide de nettoyage pour buse, un programme automatique de mise en service est tout d'abord exécuté. Durée du programme 2–9 minutes. Si la LED rouge clignote, le dérangement (par ex. manque d'eau) doit être résolu et le programme de mise en service doit être relancé.
4
Insérer le filtre à charbon actif.
Mise en service du WC
1
Poser le cache de protection antiéclaboussures.
5
1 2
Retirer le cape de fermeture du liquide de nettoyage pour buse et retirer le bac de remplissage du WC. Soulever la bouteille et la retourner. Le liquide de nettoyage pour buse s'écoule automatiquement dans le réservoir. Ne pas appuyer sur la bouteille au risque de faire gicler du liquide de nettoyage pour buse.
1
2
Ouvrir le volet de mainten
ance.
3 2
1 2
6
3
Insérer le bac de remplissage et fermer le volet de maintenance. Si le filtre à charbon actif n'est pas en place ou si le réservoir de liquide de nettoyage pour buse est vide, la LED rouge s'allume.
Maintenir la touche principale (1) enfoncée et commuter en même temps l'interrupteur principal (2). Attendre jusqu'à ce que le bras de séchage soit sorti et que la LED bleue clignote. Le programme de mise en service démarre.
1
7
Recouvrir de la main la fenêtre de détection d'utilisateur et la maintenir couverte.
2
Tant que la LED bleue clignote, le programme de mise en service est actif. Si une erreur survient, le programme s'interrompt après 9 minutes et la LED rouge clignote.
8
Vérifier si la touche et la touche sont appuyées sur la commande fixe. Si elles ne le sont pas, appuyer sur les deux touches. L'absorption d'odeurs démarre.
14
B875-005 © 10-2012 964.333.00.0 (11)
FR
La distance de la télécommande p
ar rapport au WC doit être inférieure à 1 m pour que la télécommande puisse détecter le WC.
13
Reculer le couvercle de la télécommande jusqu'à la butée. Ensuite, en appuyant sur la butée, retirer le couvercle et insérer les batteries jointes (3 x format AAA/type 1.5 V) dans la télécommande.
2
9
Appuyer sur la touche . Le bras de douche sort et le jet se met en marche. Augmenter ou réduire la puissance du jet en appuyant sur les touches <+> vers l'avant et <-> vers l'arrière.
1 ≤1m
14
Ôter la protection de jet et la conserver pour une utilisation ultérieure.
Remettre le WC prêt à être utilisé au client
10
Attendre 3 minutes, puis contrôler la température de l'eau de la douchette.
1
Expliquer les fonctions principales du WC au client. Des informations détaillées sont disponibles dans le mode d'emploi.
ºC
2 11
Appuyer de nouveau sur la touche . Le bras de douche rentre. Le bras de séchage sort et le séchoir démarre.
Remettre
au client les documents destinés au client final. Remplir la carte de garantie avec le client (documents destinés au client final), coller l'étiquette portant le numéro de série et l'envoyer à Geberit.
s 0 plu 8000 lea Clean quaC Aqua erit A Gebe
3
tung anleit Kurz
12
Retirer la main de la fenêtre de détection de l'utilisateur. Le séchoir s'arrête.
4
Coller une deuxième étiquette avec le numéro de série sur la dernière page du mode d'emploi, en vue d'une utilisation ultérieure, par exemple.
B875-005 © 10-2012 964.333.00.0 (11)
15
IT
4 Prima messa in funzione
Programma di attivazione
Prima dell'inserimento o del riempimento con il filtro ai carboni attivi e il detergente per l'erogatore, viene eseguito un programma automatico di attivazione. Durata del programma: 2–9 minuti. Inserire il filtro ai carboni attivi.
5
Messa in funzione del WC
1
Togliere il tappo di chiusura del detergente per l'erogatore ed estrarre la vaschetta di lavaggio nel WC. Sollevare
la bottiglia e girarla. Il detergente per l'erogatore scorre automaticamente nel serbatoio. Non comprimere la bottiglia, altrimenti il detergente per l'erogatore potrebbe schizzare fuori dalla vaschetta.
Apporre la protezione paraspruzzi.
1
1 2
3 2
2
Aprire lo sportello di manutenzione.
6
Reintrodurre la vaschetta di lavaggio e chiudere lo sportello di manutenzione. Qualora non si utilizzi il filtro ai carboni attivi o non si esegua il rabbocco del detergente per l'erogatore, si illumina il LED rosso.
1 2
3
Tenere premuto il tasto principale (1) e contemporaneamente accendere l'interruttore principale (2). Attendere finché l'astina dell'asciugatore ad aria calda sia fuoriuscita e il LED blu lampeggi. Inizia il programma di attivazione.
7
Con la mano, coprire la finestrella del rilevatore di presenza e tenerla coperta.
1
8
2
Finché lampeggia il LED blu, il programma di attivazione è attivo. Se si verifica un errore, il programma si interrompe dopo 9 minuti e lampeggia
il LED rosso. Se lampeggia il LED rosso, il malfunzionamento (ad es. mancanza d'acqua) deve essere eliminato e il programma di attivazione riavviato.
Verificare se sono stati premuti il tasto e sul pannello di controllo. In caso contrario premerli entrambi. Inizia l'aspirazione degli odori.
16
B875-005 © 10-2012 964.333.00.0 (11)
IT
9
Premere il tasto . l'astina dell'erogatore fuoriesce e inizia il getto d'acqua. Per aumentare il getto doccia spingere l'interruttore a scorrimento in avanti <+>, per ridurlo all'indietro <->.
13
Infilare la copertura sul telecomando fino all'arresto. In seguito, togliere la parte scorrevole premendo sull'arresto e inserire le batterie accluse (3 x misura AAA/tipo da 1,5 V) nel telecomando.
2
1 ≤1m
10
Attendere 3 minuti e verificare la temperatura del getto.
14
ºC
Rimuovere la protezione paraspruzzi e conservarla per un utilizzo futuro.
11
Consegna del WC pronto per l'uso al cliente
Premere nuov
amente il tasto . L'astina dell'erogatore si retrae. Fuoriesce l'astina e parte l'asciugatore ad aria calda.
1
Spiegare al cliente le principali funzioni del WC. Per informazioni dettagliate, consultare le istruzioni per l'uso.
2 3 12
Ritirare la mano dalla finestrella del rilevatore di presenza. L'asciugatore ad aria calda si arresta.
Consegnare al cliente la documentazione per l'utente finale. Compilare il certificato di garanzia insieme al cliente (documentazione per il cliente finale), incollare il numero di serie e inviarlo a Geberit.
s 0 plu 8000 lea Clean quaC Aqua erit A Gebe
tung anleit Kurz
Mantenere il telecomando a una distanza inferiore di 1 m dal WC per far sì che lo riconosca.
4
Incollare un secondo adesivo con il numero di serie ad esempio sull'ultima pagina delle istruzioni per l'uso per un impiego successivo.
B875-005 © 10-2012 964.333.00.0 (11)
17
NL
4 Eerste inbedrijfstelling
Inbedrijfstellingsprogramma
Voor het aanbrengen resp. vullen van acti
efkoolfilter en douchereinigingsvloeistof wordt er eerst een automatisch inbedrijfstellingsprogramma doorlopen. Duur van het programma 2–9 minuten. Actiefkoolfilter aanbrengen.
5
Toilet in bedrijf stellen
Sluitdop van de douchereinigingsvloeistof afnemen en vullade bij de toilet eruit trekken. Fles optillen en omdraaien. Douchereinigingsvloeistof stroomt automatisch in de tank. Fles niet samendrukken, anders kan er douchereinigingsvloeistof naast spatten.
1
Spatbescherming aanbrengen.
1
1 2
3 2
2
6
Serviceluik openen.
Vullade naar binnen schuiven en serviceluik sluiten. Als actiefkoolfilter en douchereinigingsvloeistof niet aanwezig resp. bijgevuld zijn, brandt de rode LED.
1 2
3
Hoofdknop (1) ingedrukt houden en tegelijk hoofdschakelaar (2) inschakelen. Wachten tot föhnarm naar buiten gekomen is en blauwe LED knippert. Inbedrijfstellingsprogramma begint.
7
Met de hand het venster van de gebruikersherkenning afdekken en bedekt houden.
1
2
Zolang de blauwe LED brandt
, is het inbedrijfstellingsprogramma actief. Als er een fout optreedt, wordt het programma na 9 minuten afgebroken en gaat de rode LED knipperen. Als de rode LED knippert, moet de storing (b.v. het ontbreken van water) verholpen worden en moet het inbedrijfstellingsprogramma nogmaals gestart worden.
8
Controleren of toets en toets op het bedieningspaneel ingedrukt zijn. Zo niet, dan op beide toetsen drukken. Geurafzuiging start.
18
B875-005 © 10-2012 964.333.00.0 (11)
NL
9
Op toets drukken. Douchearm komt naar buiten en douchestraal start. Sterkte van de douchestraal vergroten door schuif naar voren <+> te schuiven, verlagen door schuif naar achteren <-> te schuiven.
13
Afdekking van de afstandsbediening helemaal open schuiven. Vervolgens schuif verwijderen door op de vastzetinrichting te drukken en bijgevoegde batterijen (3 x formaat AAA/type 1,5 V) in afstandsbediening plaatsen.
2
1
10
≤1m
Drie minuten wachten en temperatuur van douchew
ater controleren.
ºC
14
Spatbescherming verwijderen en voor later gebruik bewaren.
11
Nogmaals op toets drukken. Douchearm gaat terug. Föhnarm komt naar buiten en föhn start.
WC klaar voor gebruik aan de klant overdragen
1
Hoofdfuncties van de WC aan de klant uitleggen. Gedetailleerde informatie vindt u in de handleiding.
2 12 3
Hand van het venster van de gebruikersherkenning wegtrekken. Föhn stopt.
Eindklantdocumenten aan de klant geven. Met de klant de garantiekaart invullen (eindklantdocumenten), serienummersticker opplakken en naar Geberit sturen.
s 0 plu 8000 lea Clean quaC Aqua erit A Gebe
tung anleit Kurz
Om ervoor te zorgen dat de afstandsbediening de toilet herkent, moet de afstand van de afstandsbediening tot de toilet kleiner zijn dan 1 m.
4
Een tweede serienummersticker opplakken voor later gebruik, bijv. op de laatste pagina van de handleiding.
B875-005 © 10-2012 964.333.00.0 (11)
19
ES
4 Primera puesta en marcha
Programa de puesta en march
a
Antes de insertar el filtro de carbón activo y de cargar el agente limpiador para la boquilla, primero se ejecuta un programa de puesta en marcha automático. Duración del programa 2–9 minutos. Insertar el filtro de carbón activo.
5
Poner en marcha del WC
Retirar la tapa roscada del agente limpiador para la boquilla y extraer el compartimento de carga del WC. Levantar y voltear la botella. El agente limpiador para la boquilla entra por sí solo en el depósito. No apretar la botella, porque de lo contrario podría salpicar el agente limpiador para la boquilla.
1
Colocar el deflector ducha.
1
1 2
2
3
2
6
Abrir la tapa de mantenimiento.
Insertar el compartimento de carga y cerrar la tapa de mantenimiento. Si no se inserta el filtro de carbón activo y no se rellena el depósito del agente limpiador para la boquilla, se enciende el LED rojo.
1 2
3
Mantener pulsado el botón principal (1) y conectar al mismo tiempo el interruptor principal (2). Esperar hasta que haya sa
lido el brazo del secador de aire templado y parpadee el LED azul. El programa de puesta en marcha se inicia.
7
Tapar con la mano la ventana de la detección del usuario y mantenerla tapada.
1
8
2
Mientras parpadee el LED azul está activo el programa de puesta en marcha. Si se produce un error, el programa se interrumpe después de 9 minutos y el LED rojo parpadea. Si parpadea el LED rojo, la avería (p. ej. una falta de agua) deberá eliminarse y el programa de puesta en marcha deberá reiniciarse.
Comprobar si el botón y el botón están pulsados en el panel de control. De no ser así, pulsar ambos botones. La extracción de olores arranca.
20
B875-005 © 10-2012 964.333.00.0 (11)
ES
9
Pulsar el botón . El brazo-ducha sale y el chorro de agua se activa. Aumentar la intensidad del chorro de agua desplazando la tecla deslizante hacia delante <+>, o reducirla, desplazando la tecla deslizante hacia atrás <->.
13
Abrir la cubierta de
l mando a distancia hasta el tope. A continuación, retirar la tapa corredera apretando el bloqueo e insertar las pilas adjuntas (3 x tamaño AAA/Tipo 1,5 V) en el mando a distancia.
2
1 ≤1m
10
Esperar 3 minutos y comprobar la temperatura del agua de ducha.
14
ºC
Retirar la protección contra salpicaduras y guardarla para un uso posterior.
11
Entregar al cliente el WC listo para funcionar
Pulsar nuevamente el botón . El brazo-ducha retrocede. El brazo del secador sale y el secador arranca.
1
Explicar al cliente las funciones principales del WC. Si desea información detallada, consulte las instrucciones de uso.
2 3 12
Retirar la mano de la ventana de la detección del usuario. El secador se para.
Entregarle al cliente la documentación para el cliente final. Cumplimentar junto con el cliente la tarjeta de garantía (documentación para el cliente final), pegar el adhesivo con el número de serie y enviarla a Geberit.
s 0 plu 8000 lea Clean quaC Aqua erit A Gebe
Para que el mando a distancia reconozca el WC, la distancia entre el mando a distancia y el WC debe ser inferior a 1 m.
tung anleit Kurz
4
Pegar un segundo adhesivo con el número de serie para un uso posterior, p. ej. en la última página de las instrucciones de uso.
B875-005 © 10-2012 964.333.00.0 (11)
21
PT
Primeira colocação em funcionamento
Programa de colocação em funcionamento
Antes da colocação em funcionamento, do enchimento do filtro de carvão activo e do líquido desinfectante dos ejectores, é executado um programa de colocação em funcionamento automático. Duração do programa 2–9 minutos. Se o LED vermelho piscar, é necessário eliminar a avaria (por exemplo, falta de água) e reiniciar novamente o programa de colocação em funcionamento.
4
Introduzir o filtro de carvão activo.
Colocar a sanita e o autoclismo em funcionamento
5
1
Colocar a protecção contra salpicos.
1 2
Retirar a tampa do líquido de limpeza dos ejectores e abrir o compar
timento de enchimento do sistema integrado de lavagem. Levantar o frasco e virá-lo ao contrário. O líquido de limpeza dos ejectores escorre automaticamente para dentro do depósito. Não apertar o frasco, sob perigo do líquido de limpeza dos ejectores espirrar e derramar.
1
2
Abrir a tampa de manutenção.
3 2
1 2
3
Manter o botão principal (1) premido e ligar, simultaneamente, o botão principal (2). Aguardar até o braço do secador avançar e o LED azul piscar. O programa de colocação em funcionamento arranca.
6
Fechar o compartimento de enchimento e fechar a tampa de manutenção. Se o filtro de carbono activo não estiver colocado e o nível de líquido desinfectante para o bocal não estiver reposto, o LED vermelho acende.
1
2
Enquanto o LED azul piscar, o programa de colocação em funcionamento está activo. Caso ocorra um erro, o programa encerra após 9 minutos, piscando o díodo luminoso vermelho.
7
Com a mão, cobrir o janela da detecção de utilizador
e mantê-la coberta.
8
Verificar se a tecla e a tecla estão premidas no comando local. Caso não estejam, premilas. A purificação do ar inicia-se.
22
B875-005 © 10-2012 964.333.00.0 (11)
PT
Para que o comando remoto detecte o sistema de lavagem a distância entre o comando remoto e o sistema de lavagem deve ser inferior a 1 m.
13
Abrir a tampa do comando remoto até ao batente. Em seguida, comprimindo o dispositivo de fixação, retirar a tampa e colocar as pilhas fornecidas com o equipamento (3 x AAA/tipo 1.5 V) no comando remoto.
9
Pressionar a tecla . O braço do jacto de água avança totalmente e é projectado o jacto de lavagem. Regular a intensidade do jacto, accionando o selector para a frente <+> para aumentar, ou para trás <-> para baixar.
2
1 ≤1m
14 10
Aguardar 3 minutos e verificar a temperatura da água.
Retirar a protecção contra respingos e guardar para uma utilização posterior.
A sanita e o autocl
ismo devem ser entregues ao cliente nas devidas condições de funcionamento
ºC
1
Explicar ao cliente as principais funções da sanita e do autoclismo. É possível encontrar mais informações nas instruções de utilização.
11
Pressionar novamente a tecla . O braço do jacto recua. O braço do jacto avança e o secador começa a funcionar.
2 3
Entregar ao cliente a documentação para o cliente final. Preencher o certificado de garantia juntamente com o cliente (documentação para o cliente final), colar o autocolante com número de série e remeter para a Geberit.
s 0 plu 8000 lea Clean quaC Aqua erit A Gebe
12
Retirar a mão da janela da detecção de utilizador. O secador pára.
tung anleit Kurz
4
Colar um segundo autocolante com número de série para utilização posterior, por exemplo, na última página das instruções de utilização.
B875-005 © 10-2012 964.333.00.0 (11)
23
DA
4 Første ibrugtagning
Idrifttagningsprogram
Før isætning o
g påfyldning af det aktive kulfilter og dyserengøringsmiddel køres der et automatisk idrifttagningsprogram. Programmet varer 2–9 minutter. Isæt det aktive kulfilter.
5
Tag toilet i brug
Tag hætten af dyserengøringsmidlet, og træk toilet påfyldningsrum ud. Løft flasken, og drej den. Dyserengøringsmidlet løber automatisk i tanken. Pres ikke på flasken, da dyserengøringsmidlet ellers kan sprøjtes ved siden af.
1
Sæt stænkbeskyttelsen på.
1
1 2
2
3
6 2
Åbn servicelemmen.
Skub påfyldningsrummet på plads, og luk servicelemmen. Hvis det aktive kulfilter og dyserengøringsmidlet ikke henholdsvis sættes ind og påfyldes, lyser den røde LED.
1 2
3
Tryk på hovedknappen (1), og hold den nede, mens hovedafbryderen (2) tilkobles. Vent, indtil fønarmen kører ud og den blå LED blinker. Idrifttagningsprogrammet begynder.
7
Tildæk vinduet med brugeridentifikationen med hånden, og hold hånden over det.
1
8
2
Idrifttagningsprogrammet er i gang, så længe de
n blå LED lyser. Skulle der opstå en fejl, afbrydes programmet efter 9 minutter, og den røde LED blinker. Hvis den røde LED blinker, skal fejlen (f.eks, vandmangel) udbedres og idrifttagningsprogrammet startes igen.
Tjek, om der er trykket på knapperne og på kontrolpanelet. Skulle det ikke være tilfældet, tryk på begge knapper. Lugtudsugningen starter.
24
B875-005 © 10-2012 964.333.00.0 (11)
DA
9
Tryk på knappen . Douchearmen kører ud, og douchestrålen starter. Douchestrålens styrke øges ved at bevæge glidestykket frem <+>, den sænkes ved at bevæge glidestykket tilbage <->.
13
Skub fjernbetjeningens beskyttelseskappe på indtil anslag. Fjern derefter glidestykket ved at trykke på arreteringen, og sæt de medfølgende batterier (3 x størrelse AAA / type 1.5 V) i fjernbetjeningen.
2
1 ≤1m
10
Vent 3 minutter, og kontroller douchevandets temperatur.
14
Fjern stænkbeskyttelsen, og gem den til senere brug.
ºC
WC'et
skal udleveres til kunden klar til brug
11
Tryk på knappen igen. Douchearmen går tilbage. Fønarmen kører ud, og føntørringen starter.
1
Forklar kunden WC’ets hovedfunktioner. Der kan indhentes detaljerede oplysninger i betjeningsvejledningen.
2 3 12
Tag hånden væk fra vinduet med brugeridentifikationen. Føntørringen standser.
Slutkundematerialet skal udleveres til kunden. Udfyld garantibeviset sammen med kunden (slutkundemateriale), sæt klistermærket med serienummeret på, og send det til Geberit.
s 0 plu 8000 lea Clean quaC Aqua erit A Gebe
tung anleit Kurz
For at fjernbetjeningen genkender toilet, skal fjernbetjeningen befinde sig under 1 m fra toilet.
4
Sæt et andet klistermærke med serienummeret på til senere brug, f.eks. på den sidste side af betjeningsvejledningen.
B875-005 © 10-2012 964.333.00.0 (11)
25
NO
4 Første gangs bruk
Oppstartprogram
Før bruk hhv. påfylling av aktivt kullfilter og dyserengjøringsmiddel kjøres først et auto
matisk oppstartprogram. Programmet varer 2–9 minutter. Monter aktivkullfilteret.
5
Ta i bruk WC
1
Sett på sprutvern.
Skru av korken på dyserengjøringsmidlet og trekk ut påfyllingsskuffen i WC. Løft og snu flasken. Dyserengjøringsmidlet renner automatisk ned i tanken. Ikke trykk på flasken, ellers kan dyserengjøringsmidlet sprute ut.
1 2
3
1
2
2
6
Åpne vedlikeholdsluken.
Skyv påfyllingsskuffen inn og lukk vedlikeholdsluken. Dersom det ikke blir brukt aktivt kullfilter og dyserengjøringsmidler eller disse ikke fylles opp, lyser den røde LED-en.
1 2
3
Hold hovedknappen (1) inne og slå samtidig på hovedbryteren (2). Vent til varmlufttørkerens arm er skjøvet ut og den blå LED-en blinker. Oppstartprogrammet begynner.
7
Dekk til vinduet for brukeridentifikasjonen med hånden og hold det tildekket.
1
8
2
Oppstartprogrammet er aktivt så lenge den blå LED-en blinker. Hvis det oppstår en feil, avbrytes programmet etter 9 minutter og den røde LED-en blinker
. Hvis den røde LED-en blinker, må feilen (f.eks. for lite vann) utbedres og oppstartprogrammet startes på nytt.
Kontroller om knappen og knappen på det lokale kontrollpanelet er betjent. Hvis ikke, trykk på begge knappene. Luktavsuget starter.
26
B875-005 © 10-2012 964.333.00.0 (11)
NO
9
Trykk på -knappen. Dusjarmen skyves ut og dusjstrålen starter. Styrken på dusjstrålen kan økes ved å føre skyvemekanismen forover <+>, eller reduseres ved å skyve den bakover <->.
13
Skyv dekselet på fjernkontrollen helt på. Fjern skyvedekselet ved å trykke på sperren, og legg de medfølgende batteriene (3 x størrelse AAA/type 1,5 V) inn i fjernkontrollen.
2
1 ≤1m
10
Vent i 3 minutter, og kontroller temperaturen på dusjvannet.
14
ºC
Ta vekk sprutvernet og oppbevar det for senere bruk.
Overlever WC-et til kunden klart til bruk
11
Trykk på -knappen en gang til. Dusjarmen går tilbake. Armen på varmlufttørkeren skyves ut
og varmluften starter.
1
Forklar kunden hovedfunksjonene på WCet. Du finner detaljerte opplysninger i bruksanvisningen.
2 3 12
Gi sluttkundepapirene til kunden. Fyll ut garantikortet sammen med kunden (sluttkundepapirer), klistre på serienummermerket og send det til Geberit.
s 0 plu 8000 lea Clean quaC Aqua erit A Gebe
Ta hånden bort fra vinduet for brukeridentifikasjonen. Varmlufttørkeren stopper.
tung anleit Kurz
4
For at fjernkontrollen skal registrere WC, må avstanden mellom fjernkontroll og WC være mindre enn 1 meter.
Fest et andre serienummermerke på siste side i bruksanvisningen for senere bruk.
B875-005 © 10-2012 964.333.00.0 (11)
27
SV
4 Första idrifttagandet
Idrifttagningsprogram
Innan du sätter in aktivt kolfilter resp. fyller på kolfiltret och rengöringsmedel för munstycket skall ett automatiskt idrifttagningsprogram köras. Programtiden är 2–9 minuter. Sätt in aktivt kolfiltret.
5
Ta toaletten i drift
1
Sätt på stänkskyddet.
Ta bort loc
ket på rengöringsmedlet för munstycket och drag ut påfyllningsfacket på WC. Lyft på flaskan och vänd den. Rengöringsmedlet för munstycket rinner automatiskt ner i tanken. Tryck inte på flaskan, eftersom rengöringsmedlet då kan stänka bredvid.
1 2
3
1
2
2
6
Öppna underhållsluckan.
Skjut in påfyllningsfacket och stäng underhållsluckan. Om aktivtkolfiltret och rengöringsmedlet för munstycket inte används eller fylls på lyser den röda LED:n.
1 2
3
Håll huvudknappen (1) nertryckt och slå samtidigt på huvudbrytaren (2). Vänta tills fläktarmen är utkörd och blå LED blinkar. Idrifttagningsprogrammet startar.
7
Täck över användaridentifieringens fönster med handen och håll det täckt.
1
2
Så länge blå LED blinkar är idrifttagningsprogrammet aktivt. Om ett fel uppstår avbryts programmet efter 9 minuter och röd LED blinkar. Blinkar röd LED måste störningen åtgärdas (t. ex. brist på vatten) och idrifttagningsprogrammet startas igen.
8
Kontrollera att knappen samt knappen på manöverpanelen har tryckts ned. Annars trycker du på båda knapparna. Luktutsuget startar.
28
B875-005 © 10-2012 964.333.00.0 (11)
SV
9
Tryck på knappen . Duscharmen kör ut och duschstrålen startar. Öka duschstrålens styrka genom att skjuta reglaget framåt <+>, minska genom att skjuta bakåt <->.
13
Skjut ut locket på fjärrkontrollen till stoppet. Ta bort skjutlocket genom att trycka på låset och lägg i bifogade batterier (3 x AAA/typ 1.5 V) i fjärrkontrollen.
2
1 ≤1m
10
Vänta 3 minuter och kontrollera temperaturen på duschvattnet.
14
ºC
Ta bort stänkskyddet och förvara det för senare användning.
Lämna den driftklara toaletten till kunden
11
Tryck åter på knappen . Duscharmen kör bakåt. Fönarmen kör ut och fönen startar.
1
Förklara WC:ns huvudfunktioner för kunden. Detaljerad information hittar du i bruksanvisningen.
2 3 12
Lämna över slutkundsdokumenten ti
ll kunden. Fyll i garantikortet tillsammans med kunden (slutkundsdokument), klistra fast etiketten med serienumret och skicka det till Geberit.
s 0 plu 8000 lea Clean quaC Aqua erit A Gebe
Tag bort handen från fönstret för användaridentifieringen. Fönen stannar.
tung anleit Kurz
4
Avståndet mellan fjärrkontrollen och WC måste vara mindre än 1 m för att fjärrkontrollen ska kunna identifiera toaletten.
Klistra fast en andra etikett med serienummer för senare användning, t.ex. på den sista sidan i bruksanvisningen.
B875-005 © 10-2012 964.333.00.0 (11)
29
FI
4 Ensimmäinen käyttöönotto
Käyttöönotto-ohjelma
Ennen aktiivihiilisuodattimen ja suutinpuhdistusaineen paikalleen asettamista ja asianmukaista täyttöä suoritetaan automaattinen käyttöönotto-ohjelma. Ohjelman kesto 2–9 minuuttia. Aseta aktiivihiilisuodatin paikalleen.
5
WC käyttöönotto
Irrota suutinpuhdistusaineen kierrehattu ja vedä WC täyttökotelo ulos. Nosta pulloa ja käännä se ylösa
laisin. Suutinpuhdistusaine valuu automaattisesti säiliöön. Älä purista pulloa, koska tällöin suutinpuhdistusainetta voi roiskua viereen.
1
1
Aseta roiskesuoja paikalleen.
1 2
3 2
6 2
Avaa huoltoluukku.
Työnnä täyttökotelo sisään ja sulje huoltoluukku. Jos aktiivihiilisuodatinta ja suutinpuhdistusainetta ei käytetä tai täytetä, palaa punainen LED-valo.
1 2
3
Pidä pääpainiketta (1) painettuna ja kytke pääkytkin (2) päälle samaan aikaan. Odota, kunnes kuivainvarsi on tullut kokonaan ulos ja sininen LED vilkkuu. Käyttöönottoohjelma käynnistyy.
7
Peitä käyttäjäilmaisimen ikkuna kädellä ja pidä se peitettynä.
1
8
2
Niin kauan kuin sininen LED vilkkuu, käyttöönotto-ohjelma on aktiivinen. Jos ilmenee vika, ohjelma keskeytyy 9 minuutin kuluttua ja punainen LED vilkkuu. Jos punainen LED vilkkuu, häiriö (esim. puuttuva vesi) täytyy korjata ja käyttöönotto-ohjelma on käynnistettävä uudelleen.
Tarkasta, ovatko painikkeet
> ja painettuina paneeliohjauksessa. Jos ei, paina molempia painikkeita. Ilmanraikastin käynnistyy.
30
B875-005 © 10-2012 964.333.00.0 (11)
FI
9
Paina painiketta . Suihkuvarsi siirtyy ulos ja vesisuihku käynnistyy. Nosta vesisuihkun voimakkuutta painamalla keinupainiketta eteen <+> tai laske sitä painamalla keinupainiketta taakse <->.
13
Työnnä kauko-ohjaimen liukukansi auki vasteeseen asti. Irrota sen jälkeen liukukansi painamalla lukitusta ja aseta mukana toimitetut paristot (3 x AAA/1,5 V) kaukosäätimeen.
2
1 ≤1m
10
Odota 3 minuuttia ja tarkasta vesisuihkun lämpötila.
14
ºC
Poista roiskesuoja ja säilytä se myöhempää käyttöä varten.
11
WC-istuimen luovuttaminen asiakkaalle käyttövalmiina
Paina uudelleen painiketta . Suihkuvarsi siirtyy takaisin. Kuivainvarsi siirtyy ulos ja kuivain käynnistyy.
1
Selitä WC:n päätoiminnot asiakkaalle. Yksityiskohtaiset tiedot ovat käyttöohjeessa.
2 3 12
Ota kätesi pois käyttäj
ilmaisimen ikkunan edestä. Kuivain pysähtyy.
Luovuta asiakkaalle loppuasiakkaan asiakirjat. Täytä takuukortti (loppuasiakkaan asiakirjat) asiakkaan kanssa, liimaa siihen sarjanumerotarra ja lähetä se Geberitille.
s 0 plu 8000 lea Clean quaC Aqua erit A Gebe
tung anleit Kurz
Kauko-ohjaimen täytyy olla alle 1 m:n etäisyydellä WC, jotta kauko-ohjain tunnistaisi WC.
4
Liimaa toinen sarjanumerotarra myöhempää käyttöä varten esim. käyttöohjeen viimeiselle sivulle.
B875-005 © 10-2012 964.333.00.0 (11)
31
PL
4 Pierwsze uruchomienie
Program uruchomienia
Przed założeniem filtra węglowego względnie uzupełnieniem środka do czyszczenia dysz włączany jest automatyczny program uruchomienia funkcji toalety myjącej. Czas trwania programu: 2–9 minut. Założyć filtr węglowy.
5
Uruchamianie toalety
Zdjąć zakrętkę z butelki ze środkiem do czyszczenia dysz i wysunąć szufladkę dozownika, znajdującą się na WC. Podnieść i odwrócić butelkę. Środek do
czyszczenia dysz automatycznie spływa do zbiornika. Nie należy ściskać butelki, gdyż płyn może opryskać inne części toalety.
1
Założyć osłonę zabezpieczającą.
1
1 2
3 2
2
Otworzyć klapkę otworu konserwacyjnego.
6
Wsunąć szufladkę dozownika i zamknąć klapkę otworu konserwacyjnego. Jeśli filtr węglowy nie zostanie założony, a środek do dezynfekcji dyszy zastosowany, świeci się czerwona kontrolka.
1 2
3
Nacisnąć i przytrzymać przycisk główny (1), włączając równocześnie wyłącznik główny (2). Zaczekać, aż ramię suszarki się wysunie, a niebieska kontrolka zacznie migać. Program uruchomienia funkcji toalety zostaje włączony.
7
Zasłonić dłonią okienko czujnika wykrywania użytkownika.
1
8
2
Program ten jest aktywny, dopóki miga niebieska kontrolka. Jeżeli wystąpi błąd, program zostaje przerwany po 9 minut i miga czerwona kontrolka. Jeżeli miga czerwona kontrolka, należy usunąć usterkę (np. brak wody) i ponownie
włączyć program uruchomienia funkcji toalety.
Sprawdzić, czy na panelu sterowania wciśnięty jest przycisk oraz przycisk . Jeżeli nie, nacisnąć obydwa przyciski. Urządzenie do odsysania zanieczyszczonego powietrza włącza się.
32
B875-005 © 10-2012 964.333.00.0 (11)
PL
Aby pilot mógł rozpoznać WC, nie może się on znajdować dalej niż w odległości 1 m od toalety.
13
Przesunąć do oporu osłonę pilota. Następnie naciskając blokadę, zdjąć osłonę pilota i założyć załączone baterie (3 x typ AAA/1,5 V)
2
9
Nacisnąć przycisk . Ramię natryskowe wysuwa się i włącza się strumień wody. Intensywność strumienia wody można zwiększyć lub zmniejszyć, naciskając odpowiednio przyciski <+> lub <>.
1 ≤1m
14
Zdjąć osłonę zabezpieczającą i zachować do ponownego zastosowania.
Przekazanie klientowi toalety gotowej do eksploatacji
10
Po upływie 3 minut sprawdzić temperaturę wo
dy natrysku.
1
Objaśnić klientowi główne funkcje toalety. Szczegółowe informacje znajdują się w instrukcji obsługi.
ºC
2 3
Przekazać klientowi dokumentację. Wypełnić z klientem kartę gwarancyjną (dokumentacja dla klienta końcowego), przykleić naklejkę z numerem seryjnym i przesłać do firmy Geberit.
s 0 plu 8000 lea Clean quaC Aqua erit A Gebe
11
Ponownie nacisnąć przycisk . Ramię natryskowe chowa się. Ramię suszarki wysuwa się i włącza się suszarka.
tung anleit Kurz
12
4
Odsłonić okienko czujnika wykrywania użytkownika. Suszarka wyłącza się
Przykleić drugą naklejkę z numerem seryjnym do ponownego zastosowania, np. na ostatniej stronie instrukcji obsługi.
B875-005 © 10-2012 964.333.00.0 (11)
33
HU
4 Első üzembe helyezés
Üzembehelyezési program
Használat, ill. az aktív szénszűrő és a szórófejtisztító betöltése előtt először egy automatikus üzembe vételi program indul el. A program időtartama 2–9 per
c. Helyezze be az aktív szénszűrőt.
5
A WC üzembe helyezése
1
Helyezze fel a spriccelés elleni védőlapott.
Vegye le a szórófejtisztító-folyadék kupakját, és húzza ki a WC töltőrekeszét. Emelje fel és fordítsa el a flakont. A szórófejtisztító folyadék automatikusan a tartályba folyik. Ne nyomkodja a flakont, mert a szórófejtisztító-folyadék kifröccsenhet.
1 2
3
1
2
2
Nyissa ki a karbantartónyílást.
6
Tolja vissza a töltőrekeszt, és zárja le a karbantartónyílást. Ha nem helyezi be az aktív szénszűrőt és a fúvókához való tisztítószert, ill. nem tölti fel, világít a piros LED.
1 2
3
Tartsa lenyomva a főnyomógombot (1), és ezzel egyidőben kapcsolja be a főkapcsolót (2). Várjon, amíg a szárítókar kijön, és a kék LED villogni kezd. Elkezdődik az üzembe helyezési program.
7
Kezével fedje le a használatérzékelő ablakát, és tartsa lefedve.
1
2
Amíg az üzembe helyezési program fut, a kék LED v
illog. Hiba esetén a program 9 perc múlva leáll, és a piros LED-kijelző kezd el villogni. Ha a piros LED-kijelző villog, a zavart (pl. hiányzó vizet) el kell hárítani, és az üzembe helyezési programot még egyszer el kell indítani.
8
Ellenőrizze, hogy a kezelőpanelen a és a nyomógombok le vannak-e nyomva. Ha nincsenek, nyomja be mindkét nyomógombot. A szagelszívás elkezdődik.
34
B875-005 © 10-2012 964.333.00.0 (11)
HU
A távirányító csak akkor ismeri fel a WC-t, ha a távirányító és a WC közötti távolság kisebb, mint 1 m.
13
Tolja ütközésig a távirányító fedelét. A reteszelés megnyomásával távolítsa el a tolófedelet, és helyezze a távirányítóba a mellékelt elemeket (3 x AAA/1,5 V-os elem).
2
9
Nyomja meg a gombot. A zuhanykar kijön a panelből, és elindul a zuhanysugár. A vízsugár erősségét a tolókar előre mozgatásával<+> lehet növelni, illetve hátrafelé mozgatással
<-> lehet csökkenteni.
1 ≤1m
14
Távolítsa el a fröccsenésvédőt, és tegye el későbbi használatra.
A WC üzemkész átadása az ügyfélnek
10
Várjon 3 percig, majd ellenőrizze a zuhanyvíz hőmérsékletét.
1
Magyarázza el az ügyfélnek a WC főbb funkcióit. Részletes információk a kezelési utasításban találhatók.
ºC
2 11
Nyomja meg ismét a gombot. A zuhanykar visszahúzódik. A szárítókar kijön a panelből, és a szárítás megkezdődik.
Adja át a végfelhasználói dokumentumokat az ügyfélnek. Töltesse ki az ügyféllel a garancia papírt (végfelhasználói dokumentumok), ragassza fel a gyártási számot tartalmazó matricát, és küldje el a Geberit vállalatnak.
s 0 plu 8000 lea Clean quaC Aqua erit A Gebe
3
tung anleit Kurz
12
Vegye le a kezét a használatérzékelő ablakról. A szárítás leáll.
4
Későbbi felhasználás céljából ragassza fel a gyártási számot tartalmazó másik matricát pl. a kezelés
i utasítás utolsó oldalára.
B875-005 © 10-2012 964.333.00.0 (11)
35
SK
4 Prvé uvedenie do prevádzky
Program uvedenia do prevdzky
Pred nasadením, resp. naplnením filtra s aktívnym uhlím a čistiacej tekutiny na dýzu najprv prebehne automatické uvedenie zariadenia do činnosti. Trvanie programu 2-9 minút. Vložte filter s aktívnym uhlím.
5
Uvedenie WC do prevádzky
Snímte uzáver čistiacej tekutiny a vytiahnite napĺňaciu priehradku pri WC. Nadvihnite a otočte f ašu. Čistiaci prostriedok automaticky tečie do nádrže. F ašu nestláčajte, čistiaci prostriedok môže vystreknú .
1
Nasa te ochranu proti striekaniu.
1
1 2
3 2
6 2
Otvorte servisnú klapku.
Napĺňaciu priehradku zatlačte a zatvorte servisnú klapku. Ak nie je nasadený filter s aktívnym uhlím, respektíve nie je doplnený prostriedok na čistenie trysky, svieti červená LED dióda.
1 2
3
7
Stláčajte hlavné tlačidlo (1) a súčasne zapnite hlavný spínač (2). Počkajte kým
sa vysunie rameno fénu a bliká modrá LED. Začína sa uvedenie do činnosti.
Rukou prikryte okienko rozpoznania užívate a a alej prikrývajte.
1
8
2
Kým bliká modrá LED, uvedenie do činnosti je aktívne. Ak sa vyskytne chyba, program sa po 9 minútach preruší a bliká červená LED. Ak bliká červená LED, porucha (napr. netečie voda) odstráňte poruchu a znova spustite uvedenie do činnosti.
Skontrolujte, či sú na obslužnom poli stlačené tlačidlá a . Ak nie, stlačte obidve tlačidlá. Odsávanie zápachu sa spustí.
36
B875-005 © 10-2012 964.333.00.0 (11)
SK
9
Stlačte . Rameno sprchy sa vysunie a prúd vody sa spustí. Silu prúdu vody zvýšime posúvaním krytu dopredu <+> alebo znížime posúvaním dozadu <->.
13
Kryt dia kového ovládača odsuňte až na doraz. Potom stlačením aretácie odstráňte kryt a vložte priložené batérie (3 x ve kos AAA/typ 1.5 V) do dia kového ovládača.
2
1 ≤1m
10
Po
čkajte 3 minúty a skontrolujte teplotu sprchy.
14
ºC
Odstráňte ochranu proti striekaniu a uschovajte ju pre alšie použitie.
11
WC odovzdajte zákazníkovi pripravené na prevádzku
Znova stlačte tlačidlo . Rameno sprchy sa zasunie spä . Rameno fénu sa vysunie a fén sa spustí.
1
Zákazníkovi vysvetlite hlavné funkcie na WC. Podrobné informácie nájdete v návode na obsluhu.
2 3 12
Odtiahnite ruku od okienka registrácie užívate a. Fén vypne.
Zákazníkovi odovzdajte podklady pre konečného užívate a. So zákazníkom vyplňte záručný list (podklady pre konečného užívate a), nalepte štítok s výrobným číslom a pošlite ich spoločnosti Geberit.
s 0 plu 8000 lea Clean quaC Aqua erit A Gebe
tung anleit Kurz
Aby dia kový ovládač rozpoznal WC, vzdialenos medzi dia kovým ovládačom a WC musí by menšia ako 1 m.
4
Druhý štítok s výrobným číslom pre neskoršie použitie nalepte napr. na poslednú stranu návodu na obsluhu.
B875
-005 © 10-2012 964.333.00.0 (11)
37
CS
4 První uvedení do provozu
Program pro uvedení do provozu
Před nasazením resp. naplněním filtru s aktivním uhlím a prostředku pro čištění trysky nejprve proběhne automatický program pro uvedení do provozu. Doba trvání programu 2 - 9 min. Nasa te filtr s aktivním uhlím.
5
Uvedení WC do provozu
1
Sejměte víčko prostředku pro čištění trysky a povytáhněte plnicí přihrádku WC. Nadzvedněte a otočte láhev. Prostředek pro čištění trysky automaticky vtéká do nádržky. Láhev nestlačujte, protože by jinak prostředek pro čištění trysky mohl vystříknout vedle.
Nasa te plastový kryt pro servis.
1 2
3
1
2
2
6
Otevřete krytku údržby.
Zasuňte plnicí přihrádku a uzavřete krytku údržby. Pokud není používán, resp. doplněn filtr s aktivním uhlím a prostředek pro čištění trysky, svítí červená LED.
1 2
3
Držte stisknuté hlavní tlačítko (1) a současně zapněte hlav
ní spínač (2). Vyčkejte, až se vysune fénovací rameno a začne blikat modrá LED. Program pro uvedení do provozu se spustí.
7
Rukou zakryjte okénko rozeznání uživatele a držte je zakryté.
1
8
2
Dokud modrá LED bliká, je program pro uvedení do provozu aktivní. Vyskytne-li se chyba, pak se program po 9 minutách přeruší a začne blikat červená LED. Pokud bliká červená LED, je nutno poruchu (např. chybějící voda) odstranit a znovu spustit program pro uvedení do provozu.
Zkontrolujte, zda je stisknuté tlačítko a tlačítko na místním ovládání. Pokud tomu tak není, pak obě tlačítka stiskněte. Spustí se odsávání zápachu.
38
B875-005 © 10-2012 964.333.00.0 (11)
CS
Aby dálkové ovládání rozpoznalo WC, musí být vzdálenost dálkového ovládání od WC menší než 1 m.
13
Nasuňte kryt dálkového ovládání až na doraz. Následně stisknutím zarážky odstraňte posuvný kryt a vložte přilo
ené baterie (3 x velikost AAA/typ 1.5 V) do dálkového ovládání.
2
9
Stiskněte tlačítko . Vysune se rameno s tryskou a spustí se sprchovací proud. Intenzitu sprchovacího proudu můžete zvýšit posunutím posuvného tlačítka dopředu <+> nebo snížit posunutím tlačítka dozadu <->.
1 ≤1m
14
Odstraňte plastový kryt pro servis a uschovejte jej pro pozdější použití.
Předání WC připraveného k provozu zákazníkovi
10
Vyčkejte 3 minuty a zkontrolujte teplotu vody.
1
Vysvětlete zákazníkovi hlavní funkce WC. Podrobné informace najdete v návodu k obsluze.
ºC
2 11
Znovu stiskněte tlačítko . Rameno s tryskou se zasune. Vysune se fénovací rameno a spustí se fén.
Předejte zákazníkovi dokumentaci pro koncového zákazníka. Vyplňte se zákazníkem záruční list (dokumentace pro konečného zákazníka), nalepte na něj nálepku s číslem série a zašlete firmě Geberit.
s 0 plu 8000 lea Clean quaC Aqua
erit A Gebe
3
tung anleit Kurz
12
Sejměte ruku z okénka rozeznání uživatele. Fén se zastaví.
4
Druhou nálepku s číslem série pro pozdější použití nalepte např. na poslední stránku návodu k obsluze.
B875-005 © 10-2012 964.333.00.0 (11)
39
SL
4 Začetek uporabe
Zagonski program
Pred uporabo napolnite ogljeni filter in čistilno sredstvo za šobo in nato se samodejno zažene zagonski program. Program traja od 2 do 9 min. Vstavite ogljeni filter.
5
Upravljanje stranišča
1
Namestite zaščito pred pršenjem.
Odstranite zaključno kapo čistilnega sredstva za šobo in izvlecite predal za polnjenje pri WC-ju. Dvignite in obrnite steklenico. Čistilno sredstvo za šobo samodejno teče v rezervoar. Steklenice ne stiskajte, ker lahko čistilno sredstvo za šobo teče mimo steklenice.
1 2
3
1
2
2
Odprite odprtino za vzdrževanje.
6
Predal za polnjenje vstavite nazaj in zaprite odprtino za vzdrževanje. Če aktivni ogljeni filter in čistilno sredstvo z
a šobo nista pravilno vstavljena ali napolnjena, zasveti rdeča svetilna dioda LED.
1 2
3
Pritisnite in držite glavno aktivirno tipko (1) in hkrati vklopite glavno stikalo (2). Počakajte, da se izvleče držalo fena in modra LED dioda začne utripati. Zažene se zagonski program.
7
Z roko pokrijte okno odzračevalnega ventila.
1
8
2
Dokler modra LED dioda utripa, je zagonski program aktiven. Če se pojavi napaka, se delovanje programa po 9 minutah prekine in utripati začne rdeča LED dioda. Če utripa rdeča LED dioda, se mora napaka (npr. pomanjkanje vode) odpraviti in ponovno zagnati zagonski program.
Preverite, ali sta na tipkovnici pritisnjeni aktivirni tipki in . Če ne, pritisnite obe aktivirni tipki. Odzračevanje smradu se aktivira.
40
B875-005 © 10-2012 964.333.00.0 (11)
SL
9
Pritisnite aktivirno tipko . Tuš ročica se iztegne in začne samodejno delovati. Moč curka prhe se lahko s premikom drsnika naprej <+> pove
a ali s pomikom nazaj <-> zmanjša.
13
Pokrov daljinskega upravljalnika odprite do omejila. Nato pritisnite omejilec in odstranite drsnik in priložene baterije (3 x velikost AAA/ tip 1.5 V) vstavite v daljinsko upravljanje.
2
1 ≤1m
10
Počakajte 3 minute in preverite temperaturo pršne vode.
14
ºC
Odstranite zaščito pred pršenjem in jo hranite za poznejšo uporabo.
Stranišče naj bo pripravljeno na obratovanje, ko ga izročite stranki
11
Ponovno pritisnite aktivirno tipko . Tuš ročica se pomakne nazaj. Držalo fena se iztegne in začne samodejno delovati.
1
Stranki pojasnite glavne funkcije WC-ja. Podrobnejše informacije glejte v navodilih za uporabo.
2 3 12
Odmaknite roko z okna odzračevalnega ventila. Fen preneha delovati.
Stranki je treba predati dokumentacijo za končnega uporabnika. S stranko izpolnite garancijski list (dokumentacijo za končnega uporabnika), nanj nalepite nalepko s serijsko številko in ga pošljite podjetju Geberit.
s 0 plu 8000
lea Clean quaC Aqua erit A Gebe
tung anleit Kurz
Da daljinsko upravljanje zazna WC, je pomembno, da je razdalja med daljinskim upravljanjem in WC-jem manjša od 1 m.
4
Drugo nalepko s serijsko številko nalepite na npr. zadnjo stran navodil za uporabo, da jo boste kasneje lahko koristili.
B875-005 © 10-2012 964.333.00.0 (11)
41
HR
4 Prvo puštanje u pogon
Program stavljanja u pogon
Prije upotrebe odnosno punjenja filtera od aktivnog ugljena i sredstva za čišćenje mlaznice provodi se automatski program stavljanja u pogon. Program traje 2-9 min Umetnite filter od aktivnog ugljena.
5
Puštanje WC-a u pogon
Skinite poklopac sa sredstva za čišćenje mlaznice i izvucite pretinac za punjenje na WC-u. Podignite bočicu i okrenite je. Sredstvo za čišćenje mlaznice automatski teče u pretinac. Ne stišćite bočicu da ne poprskate okolo sredstvo za čišćenje.
1
Staviti zaštitu od prskanja.
1
1 2
3 2
2
6
Otvorite vratašca za održavanje.
Gurnite natrag pretinac i za
tvorite poklopac za održavanje. Ukoliko filter od aktivnog ugljena i sredstvo za dezinfekciju mlaznica nisu postavljeni odnosno napunjeni, zasvijetliti će crvena LED dioda.
1 2
3
Držite pritisnutom glavnu tipku (1) i istovremeno uključite glavni prekidač (2). Pričekajte dok ne izađe ručica fena i ne zatreperi plava LED dioda. Pokreće se proces stavljanja u pogon.
7
Prekrijte rukom prozorčić ćelije za registriranje korisnika na WC-a i držite.
1
2
Dok god treperi plava LED dioda, aktivan je program stavljanja u pogon. Ako dođe do neke greške, program se zaustavlja nakon 9 minuta i upali se crvena LED dioda. Ako gori crvena LED dioda, potrebno je ukloniti smetnju (npr. ako nema vode) i ponovno pokrenuti program stavljanja u pogon.
8
Provjerite jesu li na WC-u pritisnute tipke i . Ako nisu, pritisnite ih. Odsisavanje neugodnih mirisa se pokreće.
42
B875-005 © 10-2012 964.333.00.0 (11)
HR
9
Pritisnite tipku . Iskače cj
evčica tuša i i ispušta mlaz vode. Povećajte ili smanjite jačinu mlaza tuša tako da kliznik pomaknete prema naprijed <+> ili prema natrag <->.
13
Otvorite poklopac na daljinskom upravljaču do graničnika. Zatim pritiskom na zaglavnik maknite klizni zatvarač i umetnite u upravljač priložene baterije (3 x veličina AAA/tip 1,5 V).
2
1 ≤1m
10
Pričekajte 3 minute pa provjerite temperaturu vode iz tuša.
14
ºC
Maknite zaštitnu od prskanja i spremite za buduću upotrebu.
Isporučiti kupcu WC spreman za korištenje
11
Pritisnite ponovno tipku . Cjevčica tuša se uvlači natrag. Iskače cjevčica fena i aktivira se fen.
1
Objasnite kupcu glavne funkcije WC-a. Detaljne informacije mogu se naći u uputama za korištenje.
2 3 12
Maknite ruku s ćelije za registriranje korisnika. Fen se zaustavlja.
Predajte kupcu isprave namijenjene krajnjem korisniku. Ispunite garancijski list (isprave namijenjene krajnjem korisniku) zajedno s kupcem, nalijepite naljepnicu s b
rojem serije i pošaljite ga tvrtki Geberit.
s 0 plu 8000 lea Clean quaC Aqua erit A Gebe
tung anleit Kurz
Da bi daljinski upravljač prepoznao WC, potrebno je da kod stavljanja baterija udaljenost između daljinskog upravljača i WC-a bude manja 1 m.
4
Nalijepite dodatnu naljepnicu s brojem serije za kasniju upotrebu, primjerice, na zadnju stranicu uputa za korištenje.
B875-005 © 10-2012 964.333.00.0 (11)
43
SR
4 Puštanje u pogon
Program inicijacije
Pre puštanja u pogon i punjenja aktivnog karbonskog filtera i rezervoara čistača prskalica automatski startuje program inicijacije uređaja. Program traje 2 - 9 minuta. Postavljanje aktivnog karbonskog filtera.
5
Pokretanje WC-a
Skinuti poklopac sa sredstva za čišćenje prskalica i izvući rezervoar na WC. Podići flašu i okrenuti. Sredstvo za čišćenje teče direktno u rezervoar. Ne pritiskati flašu, jer bis sredstvo moglo da iscuri.
1
Postaviti zaštitu od prskanja.
1
1 2
3 2
6 2
Otvoriti poklopac za održava
rojem serije i pošaljite ga tvrtki Geberit.
s 0 plu 8000 lea Clean quaC Aqua erit A Gebe
tung anleit Kurz
Da bi daljinski upravljač prepoznao WC, potrebno je da kod stavljanja baterija udaljenost između daljinskog upravljača i WC-a bude manja 1 m.
4
Nalijepite dodatnu naljepnicu s brojem serije za kasniju upotrebu, primjerice, na zadnju stranicu uputa za korištenje.
B875-005 © 10-2012 964.333.00.0 (11)
43
SR
4 Puštanje u pogon
Program inicijacije
Pre puštanja u pogon i punjenja aktivnog karbonskog filtera i rezervoara čistača prskalica automatski startuje program inicijacije uređaja. Program traje 2 - 9 minuta. Postavljanje aktivnog karbonskog filtera.
5
Pokretanje WC-a
Skinuti poklopac sa sredstva za čišćenje prskalica i izvući rezervoar na WC. Podići flašu i okrenuti. Sredstvo za čišćenje teče direktno u rezervoar. Ne pritiskati flašu, jer bis sredstvo moglo da iscuri.
1
Postaviti zaštitu od prskanja.
1
1 2
3 2
6 2
Otvoriti poklopac za održava
... ascunde
Alte documentatii ale aceleasi game Vezi toate
Instructiuni montaj, utilizare 8 p | EN - GE + inca 2 limbi
Instructiuni montaj, utilizare 2 p | EN