Profile de armare pentru pardoseli din beton HCJ HC-Omega
HENGELHOEF CONCRETE JOINTS
A new era in industrial flooring technology
HC-Omega (Sinus Slide®) armour joints
Technical sheet
Technical sheet HC-Omega Sinus Slide® joint
Hengelhoefstraat 158
B 3600 GENK (Belgium)
Tel +32 89 323980
info@hcjoints.be
page. 1 of 18
www.hcjoints.eu
Technical sheet HC-Omega
(SinusSlide®) armour joint
Table of Contents:
Description .......................................................... 3
Characteristics .................................................... 4
Product overview ................................................. 5
Technical specifications Product sheets ..............
HC-Omega 1 row of anchors .................................. 6
HC-Omega 2 rows of anchors ................................ 7
HC-Omega Sinus Slide ® ....................................... 8-9
Accessories ......................................................... 10
Load transfer ....................................................... 11
Testing ........................
........................................ 12
Test setup............................................................... 12
Test results ............................................................. 12
Sample calculation .............................................. 13
Installation instructions ........................................ 17
Maintenance and finishing ................................... 18
Technical sheet HC-Omega Sinus Slide® joint
Hengelhoefstraat 158
B 3600 GENK (Belgium)
Tel +32 89 323980
info@hcjoints.be
page. 2 of 18
www.hcjoints.eu
Technical sheet HC-Omega
(SinusSlide®) armour joint
Description
The HC-Omega construction and expansion joint is made of two
continuous cold-rolled profiles in 5 mm thick SJ235JRG2 steel.
These profiles fit together tightly due to their clever, standardised form.
For anchoring into concrete, these profiles are provided with ø10 mm,
125 mm long anchor bolts that are automatically welded on every 200
mm using resistance butt weldin
g.
The top sides of the profiles are milled after being assembled to
guarantee practically perfect flatness and straightness. The profiles are
connected together using wing bolts with plastic nuts that do not need
to be removed after being put in place. The profiles are assembled with
an overlap of 15mm so that the next profile can easily be connected to
the previous profile during installation.
The profile is made in standard lengths of 3 m and is available in
heights from 120 to 300 mm. We provide custom solutions above 300
mm.
With their continuous form, these profiles prevent strain being
concentrated during load transfer. This means that a higher and
more smoothly load transfer is possible in comparison to
discontinuous profiles. The patent pending Sinus Slide® joint with
corrugated upper side in 5 mm thick steel ensures continuous support
of passing wheels regardless of the direction, size and form of the
wheel, from the placement of the joint to its maximum opening of 20
mm. B
y neutralising the striking impact of the wheels, forklift drivers
experience unprecedented comfort. At the same time, maximum
edge protection and load transfer are achieved, significantly
reducing the chance of damage to the floor, the vehicle, or the goods
being transported. This Sinus Slide® joint is especially recommended in
thoroughfares and/or other areas of the floor that experience high forklift
traffic. The Sinus Slide® Joints enables not only joint free floor slabs but
the whole floor is experienced as Joint free. You can still see a joint but
you don’t feel it anymore. This is a new age in industrial flooring
technology. This shock-and vibration free crossing will prevent any
damage on your floor and save the investor huge amounts on wear and
tear of forklifts. Only with the replacement costs of wheels the payback
period of the investment is less than one year.
Technical sheet HC-Omega Sinus Slide® joint
Hengelhoefstraat 158
B 3600 GENK (Belgium)
Tel +32 89 323980
in
fo@hcjoints.be
page. 3 of 18
www.hcjoints.eu
Technical sheet HC-Omega
(SinusSlide®) armour joint
Characteristics
Free horizontal expansion and contraction of the industrial floor.
As the poured concrete dries, the inevitable contraction is taken up by the
horizontal spreading of the HC-Omega expansion joint. This prevents the
formation of cracks as a result of the drying process. This crack formation
also occurs if a hole is cut into the floor too late, which is unnecessary with
the installation of a dilatation joint.
Preventing vertical movement The minute tolerances between the
profiles and the typical Omega form connection prevent the slightest
vertical movement between the separate floor sections that are created.
The steel profiles also ensure the elastic behaviour of the joint.
Load transfer With forklift traffic, the HC-Omega expansion joint
provides a transfer of loads from one floor section to another. This means
that the floor is less subject to wear, the ch
ance of damage is reduced, and
the lifetime of the industrial floor is lengthened considerably. The Sinus
Slide® version realize this load transfer is a noiseless and smoothly way.
The wheels of the forklifts are sliding shock- and vibration free from one
floor section to another. This creates an unprecedented level of comfort.
Maximum load. The rigid steel structure ensures that maximum loads
are handled with minimum deformation.
Edge protection. The 5 mm thick steel profiles and especially the Sinus
Slide® joint give maximum edge protection. The Sinus Slide® joint will not
only create an unprecedented level of comfort but will also avoid any
crumbling of the edges of the floor sections.
Construction joint profile The HC-Omega profiles are placed
according to a layout plan with limited dimensions to separate the different
floor sections. We advice floor slabs 30x30 meters in order to limit the
opening gap of the joints to maximum 15 mm. The sections can then be
poured a
nd finished according to the daily schedule.
Easy installation and compatible. The HC-Omega expansion joint
is quite easy and quick to install according to the installation instructions
given below in this technical documentation. The HC-Omega is 100%
compatible with the HC-Omega Sinus Slide® Joint for every available
height.
Compliant with the European directive 2002/44/EC. The Sinus
Slide® joint guarantees shock- and even vibration free transfer between
two floor sections even with forklifts with very small and hard wheels. With
this feature the HC-Sinus Slide® Joint is compliant with the European
directive 2002/44/EC concerning exposures of workers to whole body
vibrations.
Technical sheet HC-Omega Sinus Slide® joint
Hengelhoefstraat 158
B 3600 GENK (Belgium)
Tel +32 89 323980
info@hcjoints.be
page. 4 of 18
www.hcjoints.eu
Technical sheet HC-Omega
(SinusSlide®) armour joint
Product overview
Type 1
Type 2
HC-omega armour joint
with 2 x 1 row anchor
bolts
Type
3
HC-Omega armour joint
with 2 x 2 rows anchor
bolts
HC-Omega Sinus Slide®
Joint with 2 x 2
row anchor bolts
Technical specifications of the HC-Omega armour joint
1
2
3
Thickness
Steel grade
Length
Type of anchor
bolts
Production
Steel
construction
Profile height
Finishing
Fastening
Concrete
reinforcement
Fittings
Auxiliary
equipment
Straightness of
horizontal
surface
Straightness of
vertical surface
Shock-free
transfer
2 x 5 mm
SJ235JRG2
3m
3m
2.997 m
Ø10 lg 125 mm
Ø10 lg 125 mm
Ø10 lg 125 mm
2 x 5 pieces/m
2 x 10 pieces/m
2 x 10 pieces/m
Automatically welded
Automatically welded
Automatically welded
Cold rolled for optimal tolerances in construction
Untreated natural steel
electro-galvanized
Stainless steel by request
120-200 mm
180-300 mm
120-300 mm
Other dimensions by
Other dimensions by
Other dimensions by
request
request
request
Top side milled
15 mm overlap at the end for smooth connections
Attached with M6 x 20 wing bolts and polyamide plastic nuts.
These attachments
must not be removed after installation. The tensile force of the
concrete breaks the connection with the polyamide nut.
Both concrete with steel mesh and fibre reinforced concrete
T- and X-shaped intersections
Tool for height adjustment and placement
1 mm / 3 m
2 mm/3m
N
N
Technical sheet HC-Omega Sinus Slide® joint
Hengelhoefstraat 158
B 3600 GENK (Belgium)
Tel +32 89 323980
info@hcjoints.be
YES
page. 5 of 18
www.hcjoints.eu
Technical sheet HC-Omega
(SinusSlide®) armour joint
TYPE 1
HC-Omega type 1 = ax5 with 2x1 rows of anchors
Type and height
a (mm)
of joint
External
Internal (male)
(female)
Omega profile
Omega profile
b (mm)
a (mm)
Floor
thickness
(mm)
c
(mm)
Weight
(Kg/m)
Max
Metres
pro
pallet
Compatible with
HC-Omega 120
120
120
130-140
54
15,13
126
HC-Omega
Sinus Slide® 120
HC-Omega 140
140
140
150-160
68
16,71
108
HC-Omega 150
150
140
160-170
68
17,09
108
HC-Omega 160
160
140
170-180
68
17,47
108
HC-Omega 180
180
180
190-200
75
19,85
90
HC-Omega 200
200
200
210-220
83
21,41
90
HC-Omega
Sinus Slide® 140
HC-Omega
Sinus Slide® 150
HC-Omega
Sinus Slide® 160
HC-Omega
Sinus Slide® 180
HC-Omega
Sinus Slide® 200
Technical sheet HC-Omega Sinus Slide® joint
Hengelhoefstraat 158
B 3600 GENK (Belgium)
Tel +32 89 323980
info@hcjoints.be
page. 6 of 18
www.hcjoints.eu
Technical sheet HC-Omega
(SinusSlide®) armour joint
TYPE 2
HC-Omega type 2 = ax5 with 2x2 rows of anchors
Internal (male)
Omega profile
b (mm)
external
(female)
Omega profile
c (mm)
Floor
thickness
(mm)
d
(mm)
e
(mm)
Weight
(Kg/m)
Max
Metres
pro
pallet
HC-Omega (+)
150*
140
150
160-170
68
-
17,95
108
HC-Omega
Sinus Slide® 150
HC-Omega (+)
160*
HC-Omega (+)
180*
HC-Omega (+)
200*
HC-Omega (+)
220
HC-Omega (+)
240
HC-Omega (+)
260
HC-Omega (+)
280
HC-Omega (+)
300
140
160
170-180
68
-
18,34
108
180
180
190-200
75
-
20,70
90
200
200
210-220
83
-
22,26
90
200
200
230-240
83
30
22,73
81
200
200
250-260
83
50
23,04
81
200
200
270-280
83
70
23,35
63
200
200
290-300
83
90
23,66
63
200
200
310-320
83
110
23,97
63
HC-Omega
Sinus Slide® 160
HC-Omega
Sinus Slide® 170
HC-Omega
Sinus Slide® 200
HC-Omega
Sinus Slide® 220
HC-Omega
Sinus Slide® 240
HC-Omega
Sinus Slide® 260
HC-Omega
Sinus Slide® 280
HC-Omega
Sinus Slide® 300
Type and height
a (mm)
of joint
Technical sheet HC-Omega Sinus Slide® joint
Hengelhoefstraat 158
B 3600 GENK (Belgium)
Tel +32 89 323980
info@hcjoints.be
Compatible with
page. 7 of 18
www.hcjoints.eu
Technical sheet HC-Omega
(SinusSlide®) armour joint
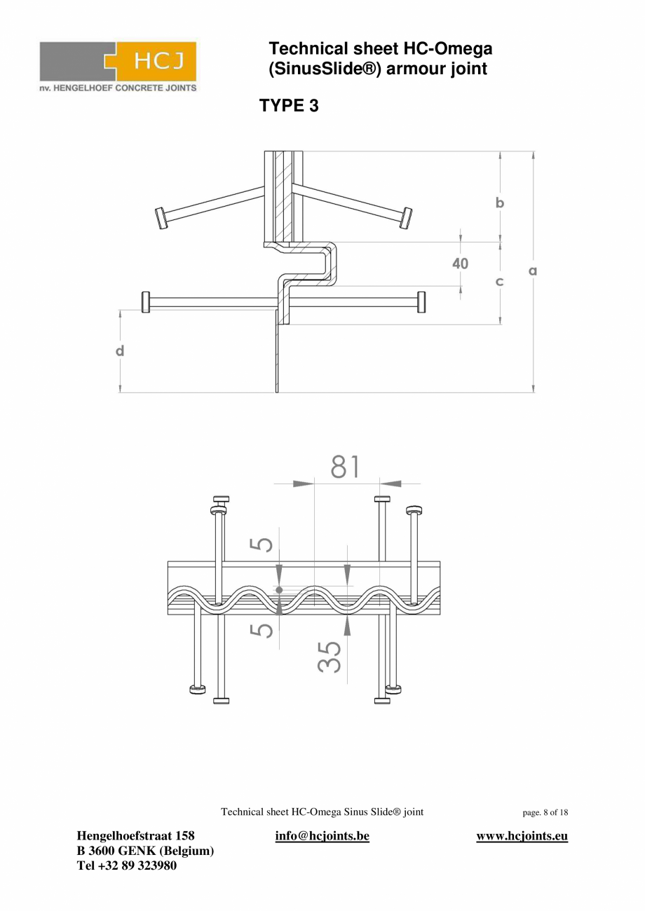
TYPE 3
Technical sheet HC-Omega Sinus Slide® joint
Hengelhoefstraat 158
B 3600 GENK (Belgium)
Tel +32 89 323980
info@hcjoints.be
page. 8 of 18
www.hcjoints.eu
Technical sheet HC-Omega
(SinusSlide®) armour joint
HC-Omega Sinus Slide® type 3 = ax5 standard with 2x2 row of anchors
Type and
height a (mm)
of joint
HC-Omega
Sinus Slide®
120
HC-Omega
Sinus Slide®
140
HC-Omega
Sinus Slide®
150
HC-Omega
Sinus Slide®
160
HC-Omega
Sinus Slide®
180
HC-Omega
Sinus Slide®
200
HC-Omega
Sinus Slide®
220
HC-Omega
Sinus Slide®
240
HC-Omega
Sinus Slide®
260
HC-Omega
Sinus Slide®
280
HC-Omega
Sinus Slide®
300
Real
height of
the joint
a (mm)
130*
Floor
thicknes
(mm)
b
(mm)
c
(mm)
d
(mm)
Weight
(Kg/m)
130-140
54
75
-
18,03
Max
Metres
pro
pallet
120
Compatible with
143*
150-160
68
75
-
19,38
108
HC-Omega 140
150
160-170
68
75
20
19.69
108
HC-Omega 150
HC-Omega (+) 150
160
170-180
68
75
30
19,84
108
HC-Omega 160
HC-Omega (+) 160
180
190-200
75
75
40
20,69
90
HC-Omega 180
HC-Omega (+) 180
200
210-220
83
75
55
21,01
90
HC-Omega 200
HC-Omega (+) 200
220
230-240
83
75
75
21,32
81
HC-Omega 220
HC-Omega (+) 220
240
250-260
83
115
40
25,16
81
HC-Omega 240
HC-Omega (+) 240
260
270-290
83
115
65
25,47
81
HC-Omega 260
HC-Omega (+) 260
280
290-300
83
115
85
25,78
63
HC-Omega 280
HC-Omega (+) 280
300
310-320
83
115
105
26,09
63
HC-Omega 300
HC-Omega (+)
300
HC-Omega 120
*to make the Sinus Slide® joint compatible with the traditional straight HC-Omega joint the real
height differs slightly.
Technical sheet HC-Omega Sinus Slide® joint
Hengelhoefstraat 158
B 3600 GENK (Belgium)
Tel +32 89 323980
info@hcjoints.be
page. 9 of 18
www.hcjoints.eu
Technical sheet HC-Omega
(SinusSlide®) armour joint
Accessories
Crossings
These are available in all dimensions in proportion to the profile used.
X and T- crossings for traditional joints
X, T and L-crossings for Sinus Slide® joints
Assembly assistance
Technical sheet HC-Omega Sinus Slide® joint
Hengelhoefstraat 158
B 3600 GENK (Belgium)
Tel +32 89 323980
info@hcjoints.be
page. 10 of 18
www.hcjoints.eu
Technical sheet HC-Omega
(SinusSlide®) armour joint
Load transfer
The load transfer by the profile depends on a number of factors
o A primary factor is a position variable. This indicates the
position of the load relative to
the joint and support.
Fv= P x (L-A)
L
o A second factor is the size of the load in proportion to the thickness of the floor. Load
transfer is only provided from the moment that the load is large enough to move or
deform the floor section until any play between the sections has been taken up.
Small load
Large load
o A third factor that affects load transfer is the foundation. With a massive foundation, the
loads will be supported by the foundation. In the case of a floor on piles, the load will
have to be fully supported by the profile.
Unstable foundation
Massive foundation
If a load is placed on the edge of a slab, the strain in the concrete is about 50% higher
than a load in the middle of the slab. The expansion joint compensates this increase and will
transfer up to 100% of this load to the adjoining slab, depending on the foundation, the
position and size of the load.
Technical sheet HC-Omega Sinus Slide® joint
Hengelhoefstraat
158
B 3600 GENK (Belgium)
Tel +32 89 323980
info@hcjoints.be
page. 11 of 18
www.hcjoints.eu
Technical sheet HC-Omega
(SinusSlide®) armour joint
Testing
The joints have been tested to their maximum capacity by the Magnel lab associated
with the University of Ghent.
Test setup
It was decided to test the joint without support such that the load transfer through the
joint was maximized.
The joint was placed in a test specimen with dimensions 1 m x 1.05 m.
The joint openings of 10 mm and 20 mm were tested.
For the concrete, a test was done with non-reinforced concrete (c30/37) and with fibre
3
reinforced concrete (45 kg fibres/m ).
Test results
Type
Anchors
upper/lower
HC-Omega 140
HC-Omega 140
HC-Omega 180
HC-Omega 180
HC-Omega 180
HC-Omega 180
Upper
Upper
Upper
Upper
Upper + lower
Upper + lower
Openi
ng
(mm)
10
20
10
20
10
20
Concrete
height
(mm)
150
150
200
200
200
200
Fibre
reinforced
concrete (y/n)
N
N
Y
Y
Y
Y
Technical sheet HC-Omega Sinus Slide® joint
Hengelhoefstra
at 158
B 3600 GENK (Belgium)
Tel +32 89 323980
info@hcjoints.be
Failure load
kN
90
120
160
197
272
244
page. 12 of 18
www.hcjoints.eu
Technical sheet HC-Omega
(SinusSlide®) armour joint
Sample Calculation
Analysis of the different ways the joint failed
Technical data
Concrete thickness H: 160 mm
Height of the profile: h= 140 mm.
Anchor failure strength: σank 450 N/mm2
Failure strength of steel σst = 350 N/mm2
Characteristic compression strength of the concrete fck = 25 N/mm2
Anchor diameter ø10 mm
Load transfer 50%
P = force per length unit
nank = Number of anchors per length unit
ζ= shear stress
Different ways of failure
Hc-Omega with one row of anchors
1. Failure of the concrete due to shear:
P = 1/Load transfer * H * 2 * ζ
where ζ = 0.05 x* fck / 1.5
P = 1/0.5 * 160 * 2 * 0.05 x 25 / 1.5
= 377 kN
2. Failure of the anchors on the side of the nose
P = 1/load transfer * (a * 2 * ζ + Aank* nank * ζ ank)
where ζ ank=
0.8 x* σank
Technical sheet HC-Omega Sinus Slide® joint
Hengelhoefstraat 158
B 3600 GENK (Belgium)
Tel +32 89 323980
info@hcjoints.be
page. 13 of 18
www.hcjoints.eu
Technical sheet HC-Omega
(SinusSlide®) armour joint
P = 1/0.5 * (70 * 2 * 0.05 * 25 /1.5 + 102 * Л/4 * 6 * 0.8* 0.45)
P = 504 kN
3. Failure of the profile
P = 1/load transfer * A * ζ st
where ζ st= 0.8 x* σst
P = 1/0.5 * (5 * 4 * 0.8* 350)
P = 11,200 kN
4. Failure of the anchors on the flat side
P = 1/load transfer * (a * ζ + Aank* nank * ζ ank)
where ζ ank= 0.8 x* σank
P = 1/0.5 * (20 * 0.05 * 25 /1.5 + 102 * Л/4 * 6 * 0.8* 0.45)
P = 372 kN
For the given example, the load applied along the joint could reach 372 kN taking into
account that 50% of this charge is transferred.
Hc-Omega with two rows of anchors
1. Failure of the concrete due to shear:
P = 1/Load transfer * H * 2 * ζ
where ζ = 0.05 x* fck / 1.5
P = 1/0.5 * 160 * 2 * 0.05 x 25 / 1.5
= 377 kN
2. Failure of the anchors on the side
of the nose
P = 1/load transfer * (a * 2 * ζ + Aank* nank * ζ ank)
where ζ ank= 0.8 x* σank
P = 1/0.5 * (70 * 2 * 0.05 * 25 /1.5 + 102 * Л/4 * 10 * 0.8* 0.45)
P = 730 kN
Technical sheet HC-Omega Sinus Slide® joint
Hengelhoefstraat 158
B 3600 GENK (Belgium)
Tel +32 89 323980
info@hcjoints.be
page. 14 of 18
www.hcjoints.eu
Technical sheet HC-Omega
(SinusSlide®) armour joint
3. Failure of the profile
P = 1/load transfer * A * ζ st
where ζ st= 0.8 x* σst
P = 1/0.5 * (5 * 4 * 0.8* 350)
P = 11,200 kN
4. Failure of the anchors on the flat side
P = 1/load transfer * (a * ζ + Aank* nank * ζ ank)
where ζ ank= 0.8 x* σank
P = 1/0.5 * (20 * 0.05 * 25 /1.5 + 102 * Л/4 * 10 * 0.8* 0.45)
P = 598 kN
For the given example, the load applied along the joint could reach 598 kN taking into
account that 50% of this charge is transferred. However the failure of the concrete will
be at 377 kN
The values given in this example are only indicative values and must always be
verified
of the nose
P = 1/load transfer * (a * 2 * ζ + Aank* nank * ζ ank)
where ζ ank= 0.8 x* σank
P = 1/0.5 * (70 * 2 * 0.05 * 25 /1.5 + 102 * Л/4 * 10 * 0.8* 0.45)
P = 730 kN
Technical sheet HC-Omega Sinus Slide® joint
Hengelhoefstraat 158
B 3600 GENK (Belgium)
Tel +32 89 323980
info@hcjoints.be
page. 14 of 18
www.hcjoints.eu
Technical sheet HC-Omega
(SinusSlide®) armour joint
3. Failure of the profile
P = 1/load transfer * A * ζ st
where ζ st= 0.8 x* σst
P = 1/0.5 * (5 * 4 * 0.8* 350)
P = 11,200 kN
4. Failure of the anchors on the flat side
P = 1/load transfer * (a * ζ + Aank* nank * ζ ank)
where ζ ank= 0.8 x* σank
P = 1/0.5 * (20 * 0.05 * 25 /1.5 + 102 * Л/4 * 10 * 0.8* 0.45)
P = 598 kN
For the given example, the load applied along the joint could reach 598 kN taking into
account that 50% of this charge is transferred. However the failure of the concrete will
be at 377 kN
The values given in this example are only indicative values and must always be
verified
... ascunde
Alte documentatii ale aceleasi game Vezi toate
Fisa tehnica
2 p | EN
Cosinus Slide
Fisa tehnica
1 p | EN
Cosinus Slide