Sistem de prindere cu brate incrucisate pentru copertine LLAZA Complet Pro 350
Tip documentatie: Instructiuni montaj, utilizare
Salvează pdf
Full screen
BRAZOS CRUZADOS / CROSSED ARMS
Manual de instalación
Installation manual
REF.
Fecha / Date:
06 Febrero 2017 / 06th February 2017
45098064000
REV. 1
1
BRAZOS CRUZADOS / CROSSED ARMS
1 – Descripción del producto / Product description
Es un sistema pensado para todas aquellas instalaciones que por la singularidad de su emplazamiento ven limitada su salida
por la longitud de la línea disponible.
El principio técnico de su funcionamiento de este sistema consiste en incorporar al soporte Compet Pro–350 una pieza complementaria que desciende 8 cm la posición del brazo, para que al cerrarse puede cruzarse por debajo del otro brazo sin llegar a
interceptar la trayectoria del mismo.
Podemos actuar con esta pieza en cualquiera de los dos soportes, tanto derecho como izquierdo.
La máxima inclinación de este conjunto es de 45º, pero se recomienda hasta 30º para un resultado completamente funcional.
The crossed arms kit was designed to complement systems which have limited project
ions due to width restrictions caused by
the space available where the awning is installed.
The operational technical principle of this system is based on a piece that lower the position of one of the arms by 80 mm .
This way this arm can cross underneath the other and does not intercept it.
It is possible to install this piece either right or left hand side.
The maximum slope is 45º, but it is recommended not to exceed 30º as it is enough to get a full functionality.
2 – Leyenda / Icon legend
Usar con sol
Use with sun
ART-250
Splendor 300
Información
Information
No usar con nieve
Don’t use with snow
ART-350
Splendor 400
Onyx
Fabricado en Europa
Made in Europe
No usar con lluvia
Don’t use with rain
WIN
Marcado CE
CE standards
No usar con granizo
Don’t use with hail
ART-500
Inox
Uso con sol y lluvia
Use with sun and rain
Barra de carga EVO
EVO front profile
Línea
Width
Clasificación por ciclos /
Class by N. of cicles
B. carga Univers
Univers front profile
Salida
Projection
Manivela
Crank
0-27 Km/h
2 años de garantía
2 years of warranty
Motorizado
Motorized
28-37 Km/h
3 años de garantía
3 years of warranty
¡Atención! tensión brazos
Danger! Strong arm tension
+38 Km/h
Eco-friendly
2
BRAZOS CRUZADOS / CROSSED ARMS
3 - Despiece del producto / Product parts
4 – Nomenclatura / Nomenclature
Kit brazos cruzados para terminal inferior Complet - PRO 350 3
Crossed arms kit for bottom front bar connector Complet - PRO 350
Kit brazos cruzados para terminal posterior Complet - PRO 350
Crossed arms kit for back side front bar connector Complet - PRO 350
3
BRAZOS CRUZADOS / CROSSED ARMS
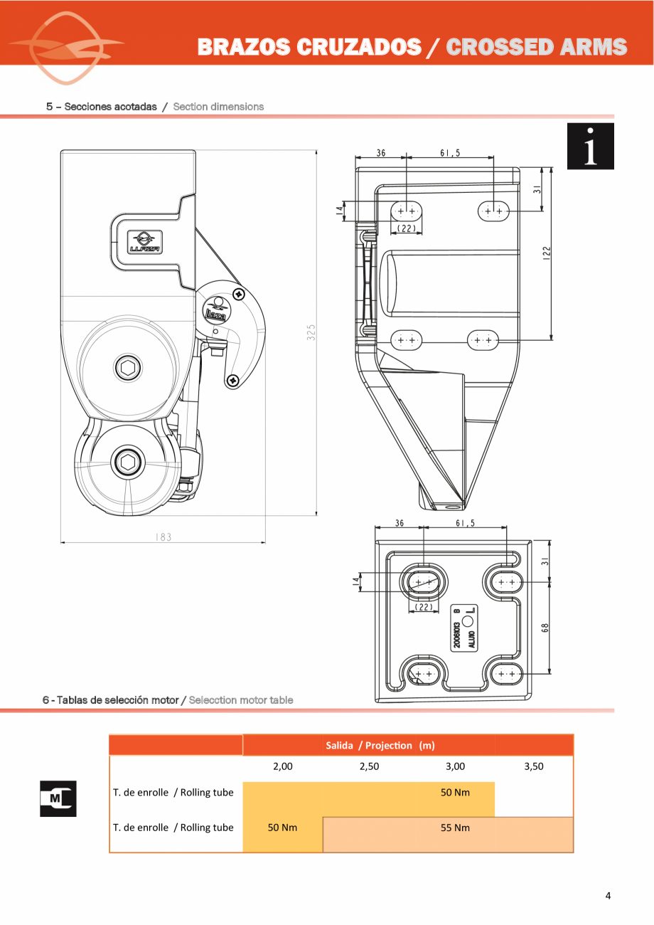
5 – Secciones acotadas / Section dimensions
6 - Tablas de selección motor / Selecction motor table
Salida / Projection (m)
2,00
T. de enrolle / Rolling tube
T. de enrolle / Rolling tube
2,50
3,00
3,50
50 Nm
50 Nm
55 Nm
4
BRAZOS CRUZADOS / CROSSED ARMS
7 – Clasificación según norma Europea / Classification according to European
standard : EN 13.561:215
Salida brazo / Arm Línea / Width Clase / Class
projection (m)
(m)
Salida brazo / Arm
projection (m)
3,00
5,00
C.1
3,00
3,50
6,00
Línea / Width
C.0
5,00
Clase / Class
C.1
8 – Información de maniobras y clase / Information about cicles and class
Los brazos llevan una banda protectora de colores para su identificación:
VERDE: Visto desde fuera, lado derecho
ROJA: Visto desde fuera, lado izquierdo
The arms have a protective band for correct identification:
GREEN: Right hand side viwed from outside
RED: Left hand side viwed from outside
NUNCA EXTRAER LAS BANDAS DE SEGURIDAD PARA LA TENSIÓN HASTA HABER SUJETADO EL
BRAZO AL PERFIL DE CARGA.
NEVER EXTRACT THE SAFETY TENSION BANDS UNTIL THE ARM HAS BEEN FIXED TO THE FRONT
PROFILE.
5
BRAZOS CRUZADOS / CROSSED ARMS
9.- Herramientas y accesorios recomendados para la instalación /
Recommended tools and accessories for installation procedure
10.- Línea / Width
Línea total máquina interior o mot
or (L) / Total width for interior gearbox or motor (L)
11.– Conjunto soportes / Supports set
6
BRAZOS CRUZADOS / CROSSED ARMS
12.– Instrucciones de instalación — Installation instructions
Apertura de la tapeta brazo del soporte / Disassembling of the arm bracket attachement
Atención: manipular con cuidado el protector plástico que hay en el interior de la Tapeta del Brazo /
It is important to handle with care the protective plastic located inside the arm bracket attachment.
Retirar de sus alojamientos los tornillos y
bulones de regulación / Remove the screws and regulation bolts.
Colocar la cazoleta superior del Brazo Cruzado en el alojamiento de la cazoleta en el soporte /
Mount the crossed arm accessory to the arm bracket.
7
BRAZOS CRUZADOS / CROSSED ARMS
12.– Instrucciones de instalación — Installation Instructions
Fijar la cazoleta del Brazo Cruzado con su tornillo y
tuerca / Fix the crossed arm accessory by its screw
and nut.
Colocar los tornillos y bul
ones de la Tapeta del Brazo, sin
olvidar pegar el plástico / Place the screws and bolts inside the lower part of the crossed arm accessory. Do not
forget to replace the plastic protector.
Fijar la tapeta soporte brazos en el kit de brazo cruzado /
Fix the arm bracket attachment to the crossed arm accessory.
8
BRAZOS CRUZADOS / CROSSED ARMS
INSTRUCCIONES DE ENSAMBLAJE
Fijación de los soportes entre paredes /
Between walls support fixing
Taladrar previamente los
alojamientos / Pre-drill
the holes on the side of
the supports
Regulación del paralelismo del brazo a través del
espárrago roscado interno / Adjustment of arm
parallelism through the internal threaded shaft.
9
BRAZOS CRUZADOS / CROSSED ARMS
Instrucciones de regulación / Adjustment instructions
0º
45º
90º
1
3 Apretar el tornillo lateral del soporte para dejar bien fijada la tapeta del brazo.
2
4
Tighten the side screw of the
bracket to secure the arm bracket
attachment.
El conjunto tiene 45 º como ángul
o máximo de inclinación aunque recomendable no exceder los 30º puesto que es suficiente para que el conjunto tenga plena funcionalidad sin ninguna interferencia ni deformación.
The maximum slope is 45º, but it is recommended not to exceed 30º as it is enough to get a full functionality.
10
BRAZOS CRUZADOS / CROSSED ARMS
INSTRUCCIONES DE ENSAMBLAJE
El kit de brazos cruzados se puede instalar tanto a derecha como a izquierda en la
instalación/ It is possible to install this piece either right or left hand side.
Observar la colocación de los terminales según el brazo /
Front rail connectors position depending on the arm.
Colocación de las regletas y tapas / Insert the Joining insert and
plastic caps
Apriete de los terminales al perfil frontal /
Tighten the front rail connectors to the front
profile.
11
BRAZOS CRUZADOS / CROSSED ARMS
Instrucciones de ensamblaje: Assembly instructions
Verificar el perfecto funcionamiento del conjunto / Check the correct operation of th
e awning.
12
BRAZOS CRUZADOS / CROSSED ARMS
13
BRAZOS CRUZADOS / CROSSED ARMS
BASIC NOTES ON ASSEMBLY AND INSTALLATION:
Assembly and installation should be done by trained personnel.
IMPORTANT SAFETY CONSIDERATIONS: For proper installation of the awning, the instructions for
assembly and installation must be carefully followed step by step. Keep plastic bags or any other
mounting pieces out of children’s reach.
Do not alter the design or the configuration of the system, nor modify the installation method
without consulting the manufacturer or an authorised representative.
If the awning is motorised and there is a switch, this should be placed so that the user does not
interfere with the movement of the awning, and at a height of less than 1.3 metres when possible.
If the awning is manually operated, it should be accessible at a height of 1.8 metres.
If the awning is to be installed in windy areas where there are frequent blackouts, manual operatio
n or the use of a back-up generator is recommended.
When motorised units are inspected or repaired, always disconnect them from the power supply.
BASIC PRECAUTIONS FOR SAFE HANDLING OF THE AWNING:
The awning must be rolled away:
In the event of ice, if operation is particularly difficult and in the absence of safety measures,
stop the operation until more favorable conditions prevail
During opening and closing, make sure there is no obstacle which could get in the way. NEVER
FORCE THE AWNING!. If the awning does not move at all when you try to operate it, call a professional installer.
In the case of motorized awnings, it should be borne in mind that the motor features a thermal
safety device to avoid overheating and breakdowns. This device is activated when the operating
switches are pressed insistently.
Do not submit the installation to additional loads or stresses not covered by the manufacturer’s
configuration. Do not interfere with the system’s fixing component
s.
Examine the installation if it has been subjected to adverse weather conditions, and if any
repairs are needed do not use it. In such cases, a professional installer should be called.
Keep the installation clean and in good condition. A yearly maintenance check by an authorized professional installer is recommended.
IMPORTANT SAFETY INSTRUCTIONS. The system has powerful springs inside it. In the event
of poor installation, these may cause the awning to open sharply. If any irregularities are observed during opening and/or closing, call a professional installer. To avoid possible damage, do not allow children to play with the awning.
14
BRAZOS CRUZADOS / CROSSED ARMS
CONSIDERACIONES BÁSICAS PARA EL MONTAJE Y LA INSTALACIÓN:
El montaje y la instalación de este producto debe realizarlo personal cualificado.
INSTRUCCIONES IMPORTANTES PARA LA SEGURIDAD. Atender a las advertencias de seguridad indicadas junto al producto o e
n las instrucciones de montaje. Las bolsas de plástico y
otros elementos de montaje no son ningún juguete y deben quedar fuera del alcance de
niños o personal ajeno al montaje.
No modificar el diseño ni la configuración del sistema ni las indicaciones dadas para la fijación
del toldo sin consultar al fabricante o su representante autorizado.
En caso de toldo motorizado + interruptor, éste debe situarse a una altura del suelo inferior
a 1,30m. . Emplazar evitando la interferencia accidental del usuario.
En caso de accionamiento manual del toldo, éste debe ser accesible desde una altura inferior
a 1,80 m.
En caso de instalaciones en zonas de viento y con frecuentes fallos del suministro eléctrico,
se recomienda que el accionamiento del toldo sea manual o con una generador eléctrico alternativo.
Durante las inspecciones de mantenimiento o reparaciones en una instalación motorizada,
el sistema debe estar desconectado del sistema eléctrico.
PRECAUCIONES BÁSICAS PARA UN MANEJO
SEGURO DEL TOLDO:
Se debe recoger el toldo ante situaciones meteorológicas adversas como:
En caso de hielo, si la maniobra es particularmente difícil, y en ausencia de dispositivos de seguridad, detener la maniobra hasta que se restablezcan unas condiciones más favorables.
Durante las maniobras de apertura o cierre, verificar que no exista ningún obstáculo que cause
algún impedimento. ¡NO FORZAR NUNCA EL TOLDO!. Si al intentar maniobrar el toldo, éste no
efectúa movimiento alguno, será necesario avisar a un profesional instalador
En caso de que el toldo esté motorizado, debe tenerse en cuenta que el motor incorpora
un dispositivo de seguridad térmica para evitar sobrecalentamientos y averías. Este dispositivo
se pone en marcha cuando se pulsan insistentemente los inversores de accionamiento.
No someter la instalación a esfuerzos o cargas adicionales e independientes a la configuración
dada por el fabricante. No actuar sobre los elementos de fijación del siste
ma.
Examinar la instalación si ha sido sometida a condiciones climáticas adversas, y no utilizarla si
es necesaria alguna reparación. En tal caso, será necesario avisar a un profesional instalador.
Mantener la instalación limpia y en buenas condiciones, y se recomienda una revisión
de mantenimiento anual realizada por un instalador profesional autorizado.
INSTRUCCIONES IMPORTANTES PARA LA SEGURIDAD. El sistema dispone de potentes resortes
en el interior que en caso de una instalación en malas condiciones, pueden causar una apertura
brusca del toldo. Si se observa alguna anomalía durante las maniobras de apertura y/o cierre,
avisar a un profesional instalador. No permitir a los niños jugar con el toldo para evitarles posibles daños.
15
LLAZA WORLD, S.A.
Tramuntana, 1. Pol.Ind. Roques Roges
43460 ALCOVER
Tel. +34 990 600 / Fax +34 977 990610
e-mail: info@llaza.com
/ Export@llaza.com
Versión PDF— impreso en papel reciclado / PDF version - printed
on recycled paper.
16
Alte documentatii ale aceleasi game Vezi toate
Instructiuni montaj, utilizare
12 p | EN - SP
StorBox 300
Instructiuni montaj, utilizare
12 p | EN - SP
StorBox 250