Profile tip coltar treapta aluminiu cu rizuri antiderapante - Cod 42016 Ersin Aluminyum 2394

Limba: Romana
11 afisari
Davo Pro Company nu mai oferă acces la această documentație pe spatiulconstruit.ro.
Previzualizați mai jos pagina 1 din 1.
Tip documentatie: Specificații tehnice
Salvează pdf
Pagina 1-Profile tip coltar treapta aluminiu cu rizuri antiderapante - Cod 42016 Ersin Aluminyum 2394...
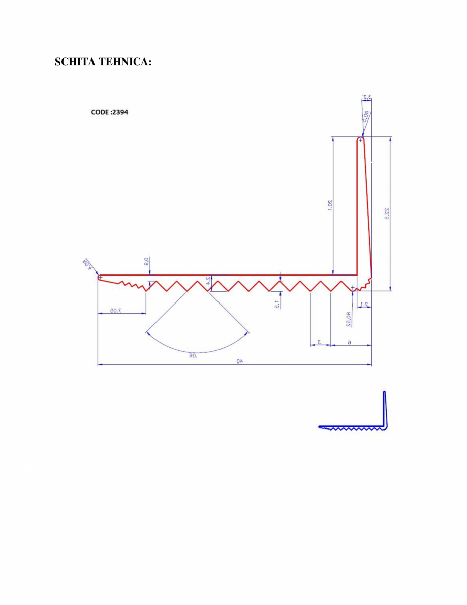
SPECIFICATIE TEHNICA PROFILE DE ALUMINIU Cod produs: 2394 Descrierea produsului: Profil cu rizuri pentru trepte Culori: Auriu, argintiu, black Latime: 40 mm Lungimi: 100 cm, 300 cm Greutate/ 1ml: 280 grame Ambalaj: Folie antistatica, grosime 24 microni Material: Aluminiu, anodizat – strat anodizare: 20 microni Folie decorativa: PVC, grosime 240 microni Producator: Ersin Aluminium, Turcia INSTRUCTIUNI DE MONTARE: 1. 2. 3. 4. Profilul se taie la lungimea dorita; Se marcheaza locul gaurilor; Se gaureste treapta si se aspira bine gaurile; Se introduc diblurile si profilul se fixeaza cu suruburi. SCHITA TEHNICA: ... ascunde
Pentru noi, confidențialitatea dvs. este importantă
Portalul spatiulconstruit.ro folosește cookies pentru a asigura funcționalitatea și securitatea site-ului, pentru a personaliza conținutul și modul de interacțiune, pentru a oferi facilități de social media și pentru a analiza modul în care este utilizat site-ul. Aceste cookies sunt stocate și prelucrate, de către noi sau partenerii noștri în conformitate cu toate reglementările în vigoare și toate standardele de confidențialitate și securitate actuale.

Vă rugăm să rețineți că este posibil ca anumite prelucrări ale datelor dumneavoastră cu caracter personal să nu necesite consimțământul dumneavoastră, dar vă puteți exprima acordul cu privire la prelucrarea realizată de către noi și partenerii noștri conform descrierii de mai sus utilizând butonul SUNT DE ACORD de mai jos.

Navigând în continuare, vă exprimați acordul implicit asupra folosirii cookie-urilor.

Mai multe detalii despre politica noastră de confidențialitate aflați aici: https://www.spatiulconstruit.ro/politica-de-confidentialitate.