Manual de Instalare - Centrala in condensare pe gaz ELCO THISION® L ECO
Tip documentatie: Instructiuni montaj, utilizare
Salvează pdf
Full screen
Manual de operare
doar pentru tehnicieni autorizaţi
THISION L ECO
www.elco.net
9B.51.19.01 / 09.16
1
RO
Cuprins
Cuprins
.................................................................................... 2
Reglementări de siguranţă
Alcătuire
Date tehnice
Reglementări generale............................................... 3
Utilizare prevăzută ..................................................... 3
Standarde şi reglementări.......................................... 3
Descrierea produsului / Descriere
funcţională - THISION L ECO................................... 4-6
Date tehnice / Date ERP............................................ 7
Dimensiuni.................................................................. 8
Domeniul de aplicare la livrare
Versiune standard / Accesorii .................................... 9
Cascadă / Accesorii cascadă...................................... 10-11
Instalare
Cascadă
Transport cazan.......................................................... 13
Demontarea căptuşelii................................................ 13
Instalare...................................................................... 14
Montaj în cascadă pe perete în linie........................... 15
Montaj în cascadă independent în linie...................... 16
Montaj în cascadă independent spate în spate.......... 17
Conectarea cazanului................................................. 18
Accesorii cascadă....................................................... 19
Conectarea a 1 sau 2 cazane..................................... 20
Dimensiuni colectori, colectori cu pierdere
mică şi coturi............................................................... 21
Calitatea apei de încălzire.......................................... 22-23
Vase de expansiune........................................
........... 23
Conductă de gaz........................................................ 24
Conexiune pentru condens......................................... 25
Conducte de aer / gaze de ardere.............................. 26-31
Conexiune electrică.................................................... 32-34
Pornire/oprire controale externe - OpenTherm........... 35
Conexiuni externe 0-10 volt........................................ 36
Schemă de conexiuni ................................................ 37-38
Operare
Descrierea afişajului şi a tastaturii.............................. 39-40
Principalele funcţii ale panoului de comandă............. 40
Punere în funcţiune
Pornire ....................................................................... 41
Afişaj indicator / adrese cazan.................................... 42
Operaţiuni de bază / Selectare programe................... 43
Setarea controlului de pornire
/oprire
a temperaturii maxime de curgere.............................. 44
Umplerea sistemului de încălzire................................ 45
Structura meniului utilizatorului final / tehnicianului.... 46-47
Ceas program / conductă de încălzire........................ 48
Parametri
Utilizator final / tehnician............................................. 49-53
Activare setări de fabrică............................................ 54
Punere în funcţiune
Inspecţie şi întreţinere................................................ 55
Verificare emisie......................................................... 56
Verificare O2 / CO2...................................................... 57-59
Întreţinere
Lucrări de reparare.....................................................
Scoaterea din funcţiune .............................................
Interval de inspecţie .............................................
......
Interval de întreţinere .................................................
Detalii întreţinere........................................................
Contor ore de funcţionare...........................................
Prezentare generală inspecţie ...................................
Prezentare generală întreţinere .................................
60
60
60
60
60-63
64
65
66
Erori
....................................................................................
67
Parametrii senzorilor
Aditivi pentru apa din sistem
....................................................................................
....................................................................................
68
69
Declaraţie de conformitate
2
.................................................................................... 70
Versiune:
de la sv 4.2
02-2016
Reglementări de siguranţă
Reglementări generale
Utilizare prevăzută
Standarde şi
reglementări
Reglementări generale
Acest document conţine informaţii
importante cu privire la siguranţa şi
fiabilitatea instalaţiei, a punerii în funcţiune a acesteia şi a funcţionării cazanului THISION L ECO. Toate activităţile
descrise trebuie executate exclusiv de
tehnicieni autorizaţi.
Pot fi utilizate doar piese OEM ale
fabricantului cazanului, în caz contrar
garanţia acordată de noi şi dispoziţiile
garanţiei vor fi excluse.
Utilizare prevăzută
THISION L ECO este un cazan de
condensare şi modulare cu gaz
suspendat pe pereţi şi prevăzut cu un
arzător premix (cu preamestec de gaz).
Temperatură ţintă maximă a cazanului
este 85 °C.
Standarde şi reglementări
Trebuie respectate toate standardele
aplicabile (atât europene cât şi
naţionale) în timpul instalării şi
funcţionării cazanului THISION L ECO,
inclusiv:
- Reglementările locale ale clădirilor
cu privire la instalarea dispozitivelor
de încălzire şi a sistemelor de
evacuare a gazelo
r reziduale;
- Reglementări despre conectarea
la reţeaua de alimentare cu
electricitate;
- Reglementări privind serviciile
publice locale de furnizare a
gazelor;
- Standarde şi reglementări în
ceea ce priveşte dispozitivele de
siguranţă pentru sistemele de
încălzire;
- Legi/reglementări locale
suplimentare care sunt valabile
în privinţa instalării şi funcţionării
sistemelor de încălzire.
- Pentru reglementările valabile
pentru calitatea apei de încălzire şi
apei calde vezi capitolul „Punere în
funcţiune”.
Cazanul THISION L ECO are
certificat CE şi corespunde
următoarelor directive şi standarde
europene:
- 92 / 42 / CEE (Eficienţa sistemelor
de încălzire cu apă caldă)
- 2009 / 142 / CEE (Instalaţii
consumatoare de gaz)
- 2006 / 95 / CEE (Siguranţa
resurselor operaţionale electrice)
- 2004 / 108 / CEE (Compatibilitate
EMC)
- EN 15420 (Cerinţe pentru sisteme
cu funcţionare pe gaz – cazan de
tip C 70 kW – 1000 kW)
- EN 15417 (Cerin
ţe speciale
pentru cazane de condensare cu
funcţionare pe gaz 70 kW – 1000
kW)
- EN 50165
Echipamentul electric al aparatelor
neelectrice, destinate pentru uz
casnic şi în scopuri similare cerinţe de siguranţă
- EN 15502-1 (Cerinţe pentru sisteme
cu funcţionare pe gaz – Partea 1:
Cerinţe generale şi teste)
- EN 55014-1 (2000) CEM – Cerinţe
pentru aparate de uz casnic, scule
electrice şi echipamente similare–
Partea 1: Emisii
- EN 55014-2 (1997) CEM – Cerinţe
pentru aparate de uz casnic, scule
electrice şi echipamente similare–
Partea 2: Siguranţă - standard al
familiei de produse
- EN 61000-3-2 (2000)
Compatibilitate electromagnetică
(CEM) - Partea 3-2: Condiţii cadru
- condiţii cadru pentru fluctuaţiile de
curent (curent de aprindere 16 A pe
fază)
- EN 61000-3-3 (2001)
Compatibilitate electromagnetică
(CEM) - Partea 3-3: Condiţii cadru
pentru fluctuaţiile de tensiune,
pierderile de tensiune şi a flickerului
în reţele publice de joas
tensiune,
pentru echipamente cu un curent
nominal de 16 A pe fază, la care nu
fac obiectul niciunei reglementări
speciale privind conexiunea.
- EN 60335-1 (2002) Echipamente
electrocasnice şi echipamente
electrice similare - Siguranţă Partea 1: Cerinţe generale
- EN 60335-2-102 (2006)
Echipamente electrocasnice şi
echipamente electrice similare
- Siguranţă - Partea 1: Cerinţe
speciale pentru echipamente cu
conexiuni electrice cu funcţionare
pe gaz, ulei şi combustibil solid
Respectarea normativelor locale
actuale valide este obligatorie.
Regatul Unit:
- Gas Safety Installation & Use
Regulations (reglementări privind
siguranţa instalării şi utilizării
echipamentelor pe gaz
- BS 5440-1:2008
- BS 5440-2:2009
- BS 6798:2014
Instalaţia poate fi operată doar de
persoane autorizate care au fost
instruite cu privire la funcţiile şi
utilizarea sistemului. Utilizarea
incompetentă poate deteriora
echipamentul sau sistemul conectat.
Este interzisă utilizarea
echip
amentului de către persoane
ale căror capacităţi fizice, mentale
sau senzoriale sunt obstrucţionate,
sau care nu au experienţe şi
competenţe profesionale, dacă
aceştia nu sunt supravegheaţi
sau nu primesc instrucţiuni
corespunzătoare.
Copiii nu trebuie lăsaţi să se joace
cu echipamentul.
Dacă construcţia cazanului este
modificată, cazanul nu va mai
corespunde cerinţelor CE.
3 RO
Descrierea produsului
THISION L ECO
20 19
7
4
T1
6
T1a
3
5
P1
T2
1
21
4
7
6
3
5
2
9
10
14
11
22
18
17
15
G
4
16
C
A
R
8
12
13
Descrierea produsului
THISION L ECO
Legendă:
1 schimbător de căldură 1
(toate tipurile OSS4)
2 schimbător de căldură 2
(L ECO100: OSS2, L ECO120:
OSS4)
3 unitate de aprindere
4 unitate de ventilare
5 atenuator de zgomot
6 supapă de gaz
7 supapă de presiune automată
8 întrerupător principal 230V
9 unitatea de comandă a cazanului
10 unitate de comandă MMI
11 borne de conexiune
12 borne de conexiune în cascadă
c
u protocol de comunicare pe
magistrală
13 sifon
14 pompă de circulaţie
15 robinet de secţionare pentru gaz
(în setul racordurilor opţionale ale
cazanului)
16 supape de serviciu curgere/retur
(în setul racordurilor opţionale ale
cazanului)
17 Supapă de umplere şi evacuare
(în setul racordurilor opţionale ale
cazanului)
18 supapă de siguranță (în setul
racordurilor opţionale ale
cazanului)
19 racord pentru coş de fum (coaxial)
20 alimentare cu aer (pentru racord
paralel pentru coş de fum)
21 ţeavă de fum circulară
22 plăcuţă informativă
T1 senzor de scurgere
T1a senzor secundar de scurgere
(doar OSS4)
T2 senzor de retur
P1 senzor de presiune apă
G ţeavă de gaz
A ţeavă de scurgere CH
R ţeavă de retur CH
C ţeavă de evacuare condens
Descrierea produsului
THISION L ECO este un cazan de
condensare şi modulare cu gaz fixată
pe perete cu unul sau doi arzători
premix. Are următoarele proprietăţi:
- Un interval de modulare mare
care g
arantează o durată de viaţă
lungă pentru arzător, în timp ce
reduce la minimum pierderile de
aşteptare, emisiile la pornire şi
uzura materialului.
- Temperatura gazului de ardere sub
80°C
- Siguranţa termică pentru gazul de
ardere
- Este adecvată şi în condiţiile de
circuit etanş
- Panou de comandă pentru toate
elementele operaţionale
- Microprocesor cu afişaj
multifuncţional
- Ardere automată cu repetiţie şi
monitorizarea ionizării
- Monitorizarea presiunii apei
- Pompă de economisire a energiei
- Schimbător de căldură din oţel
inoxidabil cu tub de condensare
neted
- Foarte uşor de întreţinut
- Pregătit pentru controlul
compensării climatice (accesoriu)
- Controler în cascadă pentru cel
mult 8 cazane
- Controale externe (accesoriu) prin
pornire/oprire, OpenTherm sau
0-10V
- Căptuşeală modernă de metal,
sobă emailată
Prin intermediul integrării
componentelor individuale într-un
sistem, şi în domeniul de reglare a
echipamentu
lui, este garantat ca
performanţa cazanului să corespundă
întotdeauna cerinţelor efective de
încălzire.
Domeniul de aplicare la livrare
Cazanul care a fost asamblat
în fabrică şi este gata de utilizare,
este livrat în ambalaj de carton.
Domeniul de aplicare la livrare a
cazanului THISION L ECO conţine
următoarele:
- Cazan de modulare cu funcţionare
pe gaz de mare randament, 8,8 120kW
- Pompă (pompe) de mare
randament
- Controler cazan/în cascadă
Accesorii:
- Racorduri de conectare cazan
- Colectori pentru 2 sau 3 cazane
- Colectori cu pierdere mică până la
960 kW
- Ambalaje de izolare
- Cadre de cazane pentru unităţi
independente
Pentru informaţii detaliate vezi paginile
11-12.
Descriere funcţională
Unitatea de comandă modifică
performanţa de încălzire conform
cerinţelor actuale de încălzire,
schimbând valorile implicite a vitezei
de rotire a ventilatorului. În această
privinţă temperatura de scurgere a
cazanului este măsurată în contin
uu
printr-un senzor. În cazul în care
temperatura actuală deviază de
temperatura ţintă, unitatea de comandă
reacţionează imediat, şi ajustează
ppm-ul ventilatorului, şi prin asta
performanţa cazanului prin armătura de
gaz. Deviaţia poate avea următoarele
cauze:
- Modificarea valorii implicite a
temperaturii cazanului, prin unitatea
de comandă a încălzirii SITT
- Modificarea temperaturii externe
- Cererea de apă caldă
- Curba de încălzire modificată
5 RO
Descrierea produsului
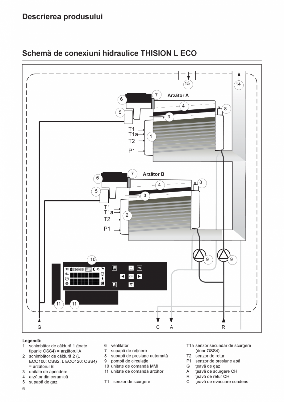
Schemă de conexiuni hidraulice THISION L ECO
15
7
6
14
Arzător A
4
5
8
3
T1
T1a
T2
1
P1
7
6
Arzător B
8
4
5
3
T1
T1a
T2
2
P1
9
10
+
9
OK
R
11
G
11
Legendă:
1 schimbător de căldură 1 (toate
tipurile OSS4) = arzătorul A
2 schimbător de căldură 2 (L
ECO100: OSS2, L ECO120: OSS4)
= arzătorul B
3 unitate de aprindere
4 arzător din ceramică
5 supapă de gaz
6
-
C
6 ventilator
7 supapă de reţinere
8 supapă de presiune automată
9 pompă de circulaţie
10 unitate de comandă MMI
11 unitate de comandă arzător
T1 senzor de scurgere
A
R
T1a senzor secundar de scurgere
(doar OSS4)
T2 senzor de retur
P1 senzor de presiune apă
G ţeavă de gaz
A ţeavă de scurgere CH
R ţeavă de retur CH
C ţeavă de evacuare condens
Descrierea produsului
Date tehnice
Date ErP
Tip THISION L ECO
70
Categorie de
licenţă
Tip schimbător de căldură
Putere de ieşire
G20
Sarcină
maximă
Sarcină
mică
G31
Sarcină
maximă
Sarcină
mică
Putere la intrare
G20
G31
Eficienţa cazanului
100
120
CE0063CM3648
II2ELL3B/P
OSS4
OSS4
OSS2
OSS4
OSS4
80/60 °C
kW
60,1
95,0
120,0
40/30 °C
kW
65,0
102,3
129,3
80/60 °C
kW
8,8
14,8
17,6
40/30 °C
kW
9,9
16,6
19,6
80/60 °C
kW
60,1
95,0
120,0
40/30 °C
kW
65,0
102,3
129,3
80/60 °C
kW
30,2
46,8
62,5
40/30 °C
kW
34,0
52,4
69,7
Sarcină
maximă
kW
61,8
97,3
123,0
Sarcină
mică
kW
9,0
15,2
18,0
Sarcin
ă
maximă
kW
61,8
97,3
123,0
Sarcină
mică
kW
31,0
48,0
64,0
Sarcină
maximă
80/60 °C
%
97,3
97,6
97,6
Sarcină
mică
40/30 °C
%
109,8
109,2
108,9
Tipul gazului
Gaz natural sau propan
Gaz natural CO2
min./max.
Vol. %
Propan CO2
min./max.
Vol. %
10,5
Gaz natural O2
min./max.
Vol. %
4,6 / 5,4
Clasa NOx
Temperatura max. gaze de ardere
80/60 °C
8,8 / 9,2
5
5
5
76
73
77
Debitul masei gazelor de ardere
max.
g/s
28,2
43,4
56,2
Suprapresiune la ieşirea cazanului
max.
Pa
175
195
195
Volumul apei în circuitul de încălzire
l
7
12
15
Masa
kg
54
72
76
Presiunea debitului gazului - standard
mbar
20
mbar
17 / 25
Presiunea debitului gazului min./max.
Presiunea de lucru a unităţii de încălzire
min./max.
bar
Tensiune/frecvenţă
min./max.
Volt/Hz
0,7 / 4
230 / 50
Putere max. consumată
W
161
250
322
Putere consumată la sarcină parţială
W
44
86
88
Putere consumată în stare de aşteptare
W
2,5
3,7
3,7
Lăţime / adâncime / înălţime
mm
Filetul exterior al racordului gazului
R
1 1/4"
1 1/4"
1 1/4"
Debit/retur filet exterior
R
1 1/2"
1 1/2"
1 1/2"
660 / 460 / 1065
Racord PPS pentru gaze de ardere
Diametru
DN
100
100
100
Racord pentru aerul exterior
Interior
Ø mm
100
100
100
Conexiune din PVC pentru condens
Exterior
Ø mm
26
26
26
70
100
120
Tip THISION L ECO
Date ErP conform 2010/30/EU
A
Clasa de eficienţă energetică de încălzire sezonală a camerei
Putere termică nominală
Consum anual de energie
Clasa de eficienţă energetică de încălzire sezonală a camerei
Nivelul puterii zgomotului interior
Pn (kW)
60
92
120
QHE (GJ)
20
30
39
ηs (%)
94
94
94
LWA (dB)
51
52
53
7 RO
Descrierea produsului
Dimensiunile cazanului THISION L ECO
E
D
G
F
Tavan
A
H
J
g
K
c
v
Coş de fum
individual: min.
400mm
Coş de fum
colectiv: în
funcţie de
sistemul de
coş selectat
Vă rugăm
să contactaţi
furnizorul
A1
P
r
N
L
M
C
Q
R
B
Tip THISION L ECO
70
100
120
Racorduri cazan
Înălţime cazan
Înălţimea cazanului cu racordul coşului
de fum
Lăţime cazan
Adâncime cazan
mm
mm
1066
1066
1066
Tip THISION L ECO
70
100
120
1151
1151
1151
Duză coaxială gaze de ardere
mm
100
100
100
mm
mm
660
660
660
Racord coaxial alimentare cu aer
mm
150
150
150
460
460
460
Racord paralel
mm
2x 100
2x 100
2x 100
mm
mm
mm
mm
mm
465
315
345
165
465
315
345
165
465
315
345
165
1 1/4"
1 1/4"
1 1/4"
26
26
26
1 1/2"
1 1/2"
1 1/2"
105
105
105
1 1/2"
1 1/2"
1 1/2"
J
Duză gaz de ardere
Ţeavă paralelă de admisie aer
Duză gaz de ardere
Ţeavă paralelă de admisie aer
Cablu de alimentare electrică de trecere
230V
Racord de gaz
mm
180
180
180
K
L
M
N
Conexiune pentru condens
Conexiune de curgere pentru cazan
Conexiune de retur pentru cazan
Lungime sifon
mm
mm
mm
mm
275
370
510
275
370
510
275
370
510
237
237
237
P
Lungime ţeavă g, v,
c şi r
mm
30
30
30
Q
R
Racorduri cazan g, v, c şi r
Cablu de alimentare electrică de trecere
230V
mm
mm
50
50
50
100
100
100
A
A!
B
C
D
E
F
G
H
8
g
Racord de gaz
c
v
Conexiune pentru condens
Conexiune de curgere pentru cazan
r
Conexiune de retur pentru cazan
mm
Domeniul de aplicare la livrare
Versiunea standard
Accesorii şi cascadă
Versiunea standard
Domeniul de aplicare la livrare a
cazanului se compune din următoarele
componente:
Componente
Tip ambalaj
Cazan asamblat complet şi testat
1
În cutie de carton
Şină de montaj
1
În ambalajul cazanului
Manual de operare pentru tehnicieni THISION L ECO
1
Manual de operare pentru operatori THISION L ECO
1
Listă piese de schimb
1
Etichetă ERP (doar THISION L ECO 70)
1
Accesorii
Pot fi comandate următoarele
accesorii:
- Ţevi pentru gaze de ardere
- Instalaţii hidraulice în cascadă (vezi
următoarele pagini)
- Cadre de cazan (vezi următoarele
pagini)
- Set de supape cu 3 căi
- Senz
or exterior
- Senzor de debit T10
Piesele de accesorii enumerate au
fost construite sau selectate în mod
special pentru cazanul THISION L
ECO, ceea ce înseamnă că sunt foarte
uşor de instalat (plug and play). Vă
puteţi compune propria dumneavoastră
soluţie, selectând combinaţia de
accesorii care se potriveşte nevoilor
dumneavoastră. Pentru detalii şi preţuri
vă rugăm să contactaţi ELCO.
În geanta de documente din ambalajul cazanului
Cascadă
În principiu orice combinaţie este
posibilă. Pe baza capacităţii solicitate,
puteţi alege cea mai eficienţă sau cea
mai compactă soluţie.
Capacitatea ţevilor hidraulice, a
conductei de gaz şi a colectorului cu
pierdere mică sunt ajustate la cererea
generală selectată.
Când instalaţi un singur cazan L
ECO sau mai multe cazane L ECO
în cascadă, trebuie să folosiţi
întotdeauna un colector cu pierdere
mică ajustată la cererea setului.
ELCO furnizează 3 versiuni de
colectori cu pierdere mică, care sunt
po
trivite pentru cererea maximă de
200kW, 452 kW, respectiv 960kW
(80/60°C).
9 RO
Descrierea produsului
THISION L ECO în cascadă
1
2
13
3
11
12
6
7
10
9
Posibilităţi de montaj în cascadă
Cazanul ELCO THISION L ECO poate
fi montată în cascadă în 3 feluri:
1430
460
660
1715
460
1430
- Montaj independent spate-înspate
Toate cazanele suspendate spateîn-spate pe un cadru independent
(Exemplu 4 spate-în-spate)
1000
660
460
1070
10
- Independente în linie
Toate cazanele unul lângă celălalt
pe un cadru independent
(Exemplu pentru 2 cazane
independente în linie)
540
1430
660
- Montaj pe perete în linie
Toate cazanele unul lângă altul pe
perete
(Exemplu pentru 2 cazane montate
în linie)
1715
Legendă:
1 Alimentare cu aer (pentru racord
paralel pentru coş de fum)
2 Coş/alimentare cu aer (coaxial)
3 Administrator în cascadă
Accesorii:
3 Robinet de secţionare pentru gaz
4 Supape de serviciu curgere şi retur
5 Supa
pă de reţinere
6 Colector curgere/retur
7 Conductă de gaz
8 Colector cu pierdere mică
9 Supapă de siguranţă 4 bar
10 Supapă de umplere şi evacuare
11 Colector cu pierdere mică cu
ventilaţie automată a aerului
12 Compartiment pentru senzorul de
temperatură T10
13 Cadru
5
1715
4
1070
3
1070
8
Descrierea produsului
THISION L ECO accesorii în cascadă
1
8
15
2
9
16
3
10
17
4
11
18
5
12
19
6
13
20
7
14
21
11 RO
Descrierea produsului
THISION L ECO accesorii în cascadă
22
23
Tip THISION L ECO
Nr. piesă
70
100
120
1
Şină de montaj pe perete pentru 2 cazane
Şină de montaj pe perete pentru 3 cazane
3905023
3905024
x
x
x
x
x
x
2
3
4
5
L- post
I-post
Cadru cazan
Colector curgere/retur DN65 + gaz DN50 2/4
Colector curgere/retur DN100 + gaz DN65 2/4
3905022
3905021
3905025
3905017
3905018
x
x
x
x
x
x
x
x
x
x
x
x
x
x
x
6
Colector curgere/retur DN65 + gaz DN50 3/6
Colector curgere/retur DN100 + gaz DN65 3/6
3905019
39
05020
x
x
x
x
x
x
7
Colector de viteză mică ≤ 452 kW DN65
Colector de viteză mică ≤ 960 kW DN100
3905033
3905034
x
x
x
x
x
x
8
Colector de viteză mică ≤ 200 kW 1 sau 2
cazane
Set coturi 90° curgere/retur DN65
Set coturi 90° curgere/retur DN100
3905048
x
x
x
3905035
3905036
x
x
x
x
x
x
10
Flanşă oarbă DN65 F/R 2x
Flanşă oarbă DN100 F/R 2x
3905026
3905027
x
x
x
x
x
x
11
Flanşă oarbă gaz DN50 1x
Flanşă oarbă gaz DN65 1x
3905028
3905029
x
x
x
x
x
x
12
Set flanşă sudură DN65 F/R 2x + gaz DN50 1x
Set flanşă sudură DN100 F/R 2x + gaz DN65 1x
3905037
3905038
x
x
x
x
x
x
13
14
15
16
17
Set racorduri cazan pentru montaj în linie
Set racorduri cazan pentru montaj spate în spate
Set racorduri DHW inclusiv supapă cu 3 căi
Set racorduri solo
Set de izolare colector DN100 (modulair) set de
2
Set de izolare colector cu viteză mică ≤ 960 kW
Set izolare set coturi de 90° curgere/retur DN65
Set izolare set racorduri cazan pen
tru montaj în
linie
Filtru aer
Cartuş filtru de aer
3905030
3905031
3905032
3905049
3905039
x
x
x
x
x
x
x
x
x
x
x
x
x
x
x
3905040
3905041
3905042
x
x
x
x
x
x
x
x
x
3905046
3905047
x
x
x
x
x
x
22
Cablu de comunicare pe magistrală
Cablu prelungitor de comunicare pe magistrală
3905043
3905044
x
x
x
x
x
x
23
24
Senzor exterior (T4)
171237
Senzor de temperatură pentru colector de viteză 3905045
mică (T10)
x
x
x
x
x
x
9
24
18
19
20
21
12
Instalare
Transportul cazanului
Transportul cazanului
Cazanul THISION L ECO este un
sistem de încălzire echipat compact
care a fost presetat şi testat în fabrică.
Dimensiunile ambalajului sunt
următoarele:
- 70, 100, 120:
1200 x 800 x 670 mm (LxÎxA)
Acestea fac posibilă transportarea
tuturor modelelor într-o singură piesă
printr-o uşă cu dimensiuni normale.
Cazanul poate fi ridicat lateral sau din
faţă cu stivuitor pentru transport.
Cazanul THISION L ECO poate fi
transportat cu macara. Însă cazanul
1
2
aflat în ambalaj trebuie fixat pe un
palet. Pe palet trebuie legate curele de
încărcare.
Instrucţiunile de despachetare sunt
imprimate pe cutie de carton. Vă rugăm
să urmaţi paşii propuşi.
Demontarea căptuşelii
Căptuşeala a fost împachetată separat
de cazan în ambalaj. Căptuşeala
cazanului trebuie scoasă înainte de
montare şi înainte de punerea în
funcţiune a cazanului pentru a evita
deteriorarea.
4
3
4x
Precauţii de ridicare şi transportare:
- Ridicaţi doar greutăţi suportabile,
sau cereţi ajutor.
- Când ridicaţi cazanul, îndoiţi-vă
genunchii şi ţineţi spatele drept şi
picioarele îndepărtate.
- Nu ridicaţi şi răsuciţi cazanul în
acelaşi timp.
5a
6
4
5b
- Cazanul trebuie ridicat şi transportat
aproape de corp.
- Purtaţi haine şi mănuşi de protecţie
pentru a vă proteja de marginile
ascuţite.
Căptuşeala trebuie ataşată şi fixată
cu şurubul furnizat după montarea
cazanului sau după lucrările de
întreţin
ere.
13 RO
Instalare
50mm
1000mm
50mm
Instalare
Racorduri
Podeaua trebuie să fie plată şi să aibă
suficientă capacitate de încărcare
pentru instalarea completă (umplută).
Cazanul ELCO L ECO poate fi montat
în cascadă în 3 feluri:
- Montaj pe perete în linie
Toate cazanele unul lângă altul pe
perete. Consultaţi pagina 15.
- Montaj independent în linie
Toate cazanele sunt suspendate
unul lângă celălalt pe un cadru
independent. Consultaţi pagina 16.
- Montaj independent spate-înspate
Toate cazanele sunt suspendate
spate-în-spate pe un cadru
independent. Consultaţi pagina 17.
5
4
3
1
2
1 Conexiune de curgere pentru cazan
2 Conexiune de retur pentru cazan
3 Ţeavă de evacuare condens
4 Gaz
5 Alimentare aer / gaz de ardere
14
Locul instalării cazanului CH trebuie să
fie şi să rămână fără gheaţă.
NU este necesar să aveţi o gaură
de aer în acest scop dacă în camera
sau spaţiul interior în care cazanul
este instalat s
e va folosi o ţeavă
dublă sau un sistem cu circuit etanş
coaxial. Nu este necesară nici aerisirea
compartimentului în care este instalat
cazanul datorită temperaturii extrem de
scăzute a suprafeţei carcasei cazanului
în timpul funcţionării.
Îndrumări generale:
Aveţi grijă să respectaţi distanţa
minimă obligatorie între cazane,
pereţi şi tavan pentru instalarea şi
îndepărtarea carcasei (consultaţi
fig. 5.a.) pentru punerea în funcţiune
şi întreţinerea şi instalarea
sistemului de tiraj (consultaţi
capitolul 7).
Dacă aţi ales să construiţi
dumneavoastră partea hidraulică
atunci ELCO recomandă utilizarea
unui set de racorduri 3905049 (set
de racorduri L ECO pentru un singur
cazan) pentru fiecare cazan. În acest
caz dimensiunile racordului sunt
următoarele:
- Conductă de curgere şi retur:
garnitură de presiune cu ø35 mm
- Conductă de gaz:
garnitură de presiune cu ø28 mm
Instalare
Montaj în cascadă pe perete în linie
A . Sp
rijiniţi conducta colectoare de
perete. Când utilizaţi mai multe
conducte colectoare: cuplaţi
conductele colectoare şi garniturile,
şuruburile M12 (DN65) sau M16
(DN100), şaibele elastice şi
piuliţele furnizate. Aliniaţi orizontal
conductele colectoare cu ajutorul
picioarelor ajustabile.
A
B
B. Determinaţi poziţia suporturilor
de suspendare pe baza figurii B1.
Cazanele pot fi montate pe perete
utilizând suporturile de suspendare
şi materialul de montare (minim
3 şuruburi pentru fiecare cazan).
Peretele trebuie să fie plat şi
suficient de puternic ca să suporte
greutatea tuturor cazanelor, inclusiv
a apei conţinute de acestea.
C
2
2
D. Puneţi conducta de gaz în
adâncitura destinată acesteia.
Când utilizaţi mai multe conducte
colectoare, cuplaţi conductele de
gaz folosind garniturile DN50/DN65,
şuruburile M12, şaibele elastice şi
piuliţele furnizate.
E. Strângeţi conducta de gaz cu
2 şuruburi de precizie speciale
M6x8x16 pe fiecare flanşă a
con
ductelor colectoare.
Continuare pe pagina 18
C. Suspendaţi cazanele pe suporturile
de suspendare.
Ridicaţi cazanul doar de
mânerele speciale de pe panoul
de jos (1) şi sprijiniţi cazanul pe
panoul de spate al acestuia (2).
B1
1
1
D
E
15 RO
Instalare
Montaj în cascadă independent în linie
A Poziţionaţi conducta colectoare
în locul dorit. Când utilizaţi mai
multe conducte colectoare: cuplaţi
conductele colectoare, folosind
garniturile, şuruburile M12 (DN65)
sau M16 (DN100), şaibele elastice
şi piuliţele furnizate. Aliniaţi orizontal
conductele colectoare cu ajutorul
picioarelor ajustabile.
A
B
C
OK
B. Puneţi conducta de gaz în
adâncitura destinată acesteia.
Când utilizaţi mai multe conducte
colectoare, cuplaţi conductele de
gaz folosind garniturile DN50/DN65,
şuruburile M12, şaibele elastice şi
piuliţele furnizate.
D
Strângeţi conducta de gaz cu
2 şuruburi de precizie speciale
M6x8x16 pe fiecare flanşă a
conductelor colectoare.
C. Montaţi coloanele l pe placa
cu flanşă folosind 2 şuruburi
M8x40x70mm.
Atenţie: Folosiţi găurile corecte
din coloană!
Când folosiţi placa cu flanşă din
stânga: folosiţi găurile din partea
dreaptă a coloanei.
Când folosiţi placa cu flanşă
din dreapta: folosiţi găurile din
partea stângă a coloanei.
F
2
2
E
1
1
16
D. Montaţi un cadru de montare
pe coloana l folosind 3 şuruburi
M8x50mm.
Atenţie: şină de montaj în sus.
E. Montaţi un cadru de montare
pe cealaltă coloană l folosind 3
şuruburi M8x50mm. Dacă cazanele
trebuie montate şi pe cealaltă parte
a coloanei l, atunci celălalt cadru
de montare trebuie montat de
asemenea direct pe aceasta.
Montaţi coloanele l rămase între
cadrele de montare folosind 3
şuruburi de M8x50mm.
C. Suspendaţi cazanele pe şina de
montaj.
Ridicaţi cazanul doar de
mânerele speciale de pe panoul
de jos (1) şi sprijiniţi cazanul pe
panoul de spate al acestuia (2).
Continuare pe pagina 1
8
Instalare
Montaj în cascadă independent spate în spate
A. Poziţionaţi conducta colectoare
în locul dorit. Când utilizaţi mai
multe conducte colectoare: cuplaţi
conductele colectoare cu garniturile,
şuruburile M12 (DN65) sau M16
(DN100), şaibele elastice şi
piuliţele furnizate. Aliniaţi orizontal
conductele colectoare cu ajutorul
picioarelor ajustabile.
A
B
C
OK
B. Puneţi conducta de gaz în
adâncitura destinată acesteia.
Dacă utilizaţi mai multe conducte
colectoare: Cuplaţi conductele de
gaz folosind garniturile DN50/DN65,
şuruburile M12, şaibele elastice şi
piuliţele furnizate.
D
Strângeţi conducta de gaz cu
2 şuruburi de precizie speciale
M6x8x16 pe fiecare flanşă a
conductelor colectoare.
C. Montaţi coloanele L pe placa
cu flanşă folosind 2 şuruburi
M8x40x70mm.
Atenţie: Folosiţi găurile corecte
din coloană!
Când folosiţi placa cu flanşă din
stânga: folosiţi găurile din partea
dreaptă a coloanei.
Când folosiţi pla
ca cu flanşă
din dreapta: folosiţi găurile din
partea stângă a coloanei.
D. Montaţi un cadru de montare
pe coloana L folosind 3 şuruburi
M8x50mm.
Atenţie: şină de montaj în sus.
E. Montaţi un cadru de montare
pe cealaltă coloană L folosind 3
şuruburi M8x50mm.
Dacă cazanele trebuie montate
şi pe cealaltă parte a coloanei L,
atunci celălalt cadru de montare
trebuie montat de asemenea direct
pe aceasta.
Montaţi coloanele L rămase între
cadrele de montare folosind 3
şuruburi de M8x50mm.
F. Suspendaţi cazanele pe partea din
faţă şi din spate a cadrului de pe
şina de montaj.
Ridicaţi cazanul doar de
mânerele speciale de pe panoul
de jos (1) şi sprijiniţi cazanul pe
panoul de spate al acestuia (2).
Continuare pe pagina 18
F
2
2
E
1
1
17 RO
Instalare
Conectarea cazanului
A
B
A. Îndepărtaţi partea de ambalaj
rămasă de pe partea de jos a
cazanului.
Notă: această parte a ambalajului
este furnizat cu acele piese ale
cazan
ului care sunt necesare
pentru montarea cazanului.
B. Puneţi capac pe racordurile de pe
conductele colectoare care nu sunt
folosite:
C
Pentru racorduri folosiţi garniturile
furnizate. Verificaţi toate racordurile
pentru scurgere şi etanşeitate la
gaz.
C. Conectarea robinetelor de
secţionare la cazan.
Curgere: cuplaj plat 1½” x 35 mm
robinet de secţionare presiune cu
mâner roşu
Retur: cuplaj plat 1½” x uniune
transversală de garnitură de
presiune de 35 mm cu
supapă de umplere/evacuare şi
robinet de secţionare cu mâner
albastru
Cazanul este prevăzut cu o supapă
de siguranţă de 3 şi 4 bar.
ELCO UK recomandă montarea
supapei de siguranţă de 4 bar
deoarece setările de control închid
cazanul la 3,8 bar.
Gaz: robinet de secţionare pentru
gaz 1¼” x 28mm
D
18
Curgere şi retur: ø35mm garnituri
de presiune oarbe (2 articole/
cazan).
Gaz: 1 ¼” capac orb cu garnitură
(1 articol/cazan)
Dacă îndepărtaţi capacele
de plastic de p
e supapele de
curgere şi retur a cazanului ar
putea fi eliberată apă de testare
poluată.
Pentru racorduri folosiţi
garniturile furnizate. Verificaţi
toate racordurile pentru scurgere
şi etanşeitate la gaz.
D. Conectaţi supapele la conductele
colectoare:
Curgere: piese de ţeavă de 35mm
cu robinete de secţionare de 35mm
(cot şi soclu)
Retur: piese de ţeavă de 35mm cu
robinete de secţionare de 35mm
(cot şi soclu)
Gaz: piesă de ţeavă de 28mm cu
1¼” plat şi robinet de secţionare de
28mm
Instalare spate-în-spate:
Curgere: piese de ţeavă de 35mm
cu robinete de secţionare de 35mm
(cot şi soclu)
Retur: piese de ţeavă de 35mm cu
robinete de secţionare de 35mm
(cot şi soclu)
Gaz: piesă de ţeavă de 28mm cu
1¼” plat şi robinet de secţionare de
28mm
Pentru racorduri folosiţi
garniturile furnizate. Verificaţi
toate racordurile pentru scurgere
şi etanşeitate la gaz.
E. Umpleţi sifonul cu apă de la robinet
şi montaţi dopul sifo
nului înapoi pe
cazan.
Dopul sifonului este furnizat separat
şi poate fi găsit în spatele carcasei.
Instalare
Accesorii cascadă
Conductele colectoare sunt disponibile
în 2 dimensiuni, respectiv DN65
şi DN100, şi sunt conectate unul
la celălalt prin cuplaje de flanşă şi
garnituri, şuruburi M12 sau M16x55,
şaibe elastice şi piuliţe. Colectorul cu
pierdere mică şi întreaga instalaţie pot
fi conectaţi după aceea la acestea.
Colector cu pierdere mică
Sunt disponibile 3 colectori cu pierdere
mică:
3905048
Colector cu pierdere mică pentru 1
sau 2 cazane L ECO de max. 200kW
prevăzute cu ventilaţie automată a
aerului şi compartiment pentru senzorul
de temperatură T10. Racordurile
cazanului sunt de 4x 1 ½”, racordurile
instalaţiei sunt de 2x 2”. Colectorul cu
pierdere mică TREBUIE conectat între
cazanele şi pompele sistemului.
Flanşe de ştanţare
Capetele conductelor colectoare
trebuie montate cu flanşe de ştanţare.
Flanşele de ştanţare sunt
furnizate în
mod standard complet configurate,
inclusiv şuruburi, şaibe elastice şi
garnituri.
3905026
Set flanşe de ştanţare DN65 curgere/
retur 2 articole
3905027
Set flanşe de ştanţare DN100 curgere/
retur 2 articole
3905033
Colectori cu pierdere mică DN65 până
la 452kW
3905034
Colectori cu pierdere mică DN100 până
la 960kW
Colectorii cu pierdere mică sunt
prevăzute în mod standard cu picioare
reglabile, ventilaţie automată a aerului,
supapă de evacuare, compartiment
pentru senzorul de temperatură T10,
şuruburi M12 sau M16x55, şaibe
elastice şi piuliţe. Colectorul cu
pierdere mică poate fi poziţionat ori pe
partea stângă, ori pe partea dreaptă a
conductelor colectoare.
3905045
Senzor de temperatură de curgere T10
Orice sistem cu 1 sau mai multe
cazane L ECO trebuie prevăzut cu un
senzor de temperatură de curgere T10,
şi trebuie conectat pe cazanul principal
(adresa 01) de terminalul 3 poziţia 5 şi
6. Senzorul de curgere trebuie plasat în
compartimentul colectorului cu pierdere
mică.
Set de coturi
Colectorul cu pierdere mică poate fi
poziţionat într-un unghi de 90°. Un set
de coturi poate fi utilizat în acest scop.
3905035
Set de coturi DN65 curgere/retur
3905036
Set de coturi DN100 curgere/retur
Flanşe sudate
La cerere sunt disponibile flanşe
sudate pentru a conecta conductele
CH la partea secundară a colectorului
cu pierdere mică şi pentru conectarea
la conducta de gaz.
3905037
Set flanşe sudate DN65 curgere/retur 2
articole + DN50 gaz 1 articol
3905038
Set flanşe sudate DN100 curgere/retur
2 articole + DN65 gaz 1 articol
Componente necesare car nu sunt
furnizate de ELCO:
- Pompa instalaţiei;
- Sistemul de evacuare a
condensului
- Filtrul de apă al instalaţiei;
- Separator de aer şi murdărie;
- Filtru de gaz;
- Alimentare cu apă caldă;
- Supapă de reglare<;
- Sistemul de tiraj;
- Vas(e) de expansiune.
19 RO
Instalare
Accesorii cascadă
Conectarea a 1 sau 2 cazane
1
x cazan L ECO, suspendat
pe perete
3/8”
2x cazane L ECO, suspendate
pe perete, max. 200kW
1/2”
56
2” (2x)
34
26
1 1/2” (4x)
2x cazane L ECO, independente.
max. 200kW
440
660
529
352
1x cazan L ECO, independent
48
1/2”
Suspendat pe perete
Numărul cazanelor THISION L ECO
1
2
Independent
1
2
2
2
Articole necesare
3905022
Cadru de formă L pentru alinierea spate-în-spate.
3905021
Cadru de formă L pentru alinierea în linie
3905025
Cadru cazan
3905048
Colector cu pierdere mică pentru 1 sau 2 (max. 200 kW)
1
3905049
Set de racorduri cazan pentru un singur cazan
1
3905043
Cablu de comunicare pe magistrală
3905045
Senzor de curgere comun 10kOhm T3/T10
Alimentarea ţevilor de conectare, garniturilor şi suporturilor de către o terţă parte.
20
1
1
2
1
1
1
2
1
2
1
1
1
1
1
1
Instalare
Accesorii cascadă
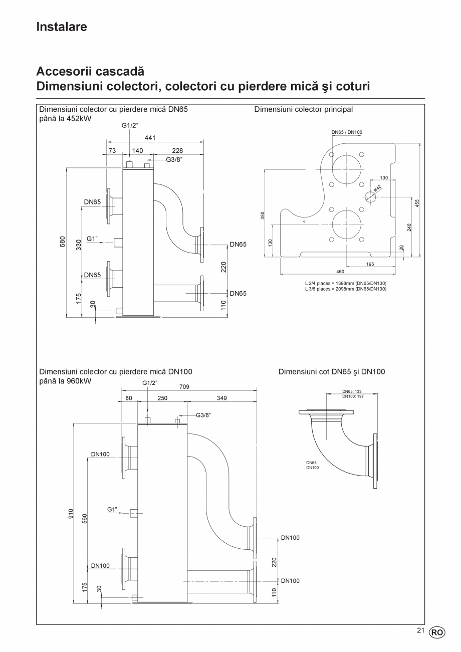
Dimensiuni colectori, colectori cu pierdere mică şi coturi
Dimensiuni colector cu pierdere mică DN65
până la 452kW
Dimensiuni colector principal
G1/2”
DN65 / DN100
441
73
140
228
G3/8”
100
42
ø
DN65
195
460
L 2/4 places = 1398mm (DN65/DN100)
L 3/6 places = 2098mm (DN65/DN100)
110
DN65
30
175
20
DN65
130
G1”
220
330
680
240
350
455
DN65
Dimensiuni colector cu pierdere mică DN100
până la 960kW
G1/2”
Dimensiuni cot DN65 şi DN100
709
80
250
DN65: 133
DN100: 197
349
G3/8”
DN100
560
G1”
DN100
220
DN100
110
DN100
30
175
910
DN65
DN100
21 RO
Instalare
Sistem de apă şi hidraulică
Calitate apă de încălzire
Umpleţi instalaţia cu apă de băut.
În cele mai multe cazuri o instalaţie de
încălzire centrală poate fi umplută cu
apă conform reglementărilor naţionale
în vigoare, şi tratarea apei nu este
necesară.
Pentru a evita problemele, calitatea
apei de umplere trebuie să corespundă
cerinţelor din tabelul 1.
Dacă apa de umplere nu corespunde
acestor cerinţe, atunci este
recomandată tratarea apei în mod
corespunzător (vezi V
DI2035).
Cererile de garanţie devin invalide dacă
sistemul nu a fost spălat pe parcursul
instalării, sau dacă calitatea apei de
umplere nu corespunde cerinţelor
ELCO (vezi tabelul 1).
În cazul în care nu înţelegeţi ceva
sau dacă există diferenţe, contactaţi
întotdeauna mai întâi ELCO. Garanţiile
expiră dacă se fac modificări fără
acordul prealabil al ELCO.
Instalare:
- Utilizarea pânzei freatice, a apei
demineralizate şi a apei distilate
nu este permisă (explicaţia acestor
termeni poate fi găsită pe pagina
următoare).
- Dacă calitatea apei de băut se
încadrează în limitele valorilor din
Tabelul 1, atunci se poate continua
cu instalarea sistemului şi spălarea
echipamentului.
- Reziduurile produselor de
coroziune (magnetit), materialelor
de asamblare, uleiului pentru
prelucrare şi altor produse nedorite
trebuie îndepărtate în timpul
operaţiunii de spălare.
- O altă posibilitate de îndepărtare a
murdăriei este utilizarea unui filtru.
Ti
pul filtrului trebuie să corespundă
cerinţelor specifice sistemului
şi tipului contaminării. ELCO
recomandă utilizarea unui filtru. În
acest caz trebuie să vă asiguraţi
că aţi luat în considerare întregul
sistem de conductă.
- Instalaţia de încălzire centrală
trebuie bine aerisită înainte de
a fi pusă în funcţiune. Vă rugăm
să consultaţi în această privinţă
capitolul „punere în funcţiune”.
- Dacă este nevoie de umplerea
regulată cu apă (> 5% pe an),
atunci există o problemă cu
sistemul care trebuie remediată de
un tehnician autorizat. Umplerea
regulată cu apă dulce şi oxigen
adaugă var în sistem, ceea ce duce
la depunerea de sedimente.
Parametri
Valoare
Tip apă
Apă dulce
Apă dedurizată
pH
6,0-8,5
Conductivitate (la 20 °C în µS/cm)
Max 2500
Fier (ppm)
Max 0,2
- Dacă se utilizează agenţi
anti-îngheţ sau alţi aditivi,
atunci trebuie verificat în mod
regulat dacă calitatea apei de
umplere corespunde cerinţelor
producătorului.
- Inhibitori pot fi utilizaţi doar după cu
consultarea ELCO.
- Pentru utilizarea unor asemenea
agenţi trebuie încheiat un protocol.
Încălzirea podelei
Dacă este conectat un sistem de
încălzire a podelei care foloseşte ţevi
din plastic, trebuie să vă asiguraţi
că acesta corespunde standardului
DIN 4726-4729. Dacă sistemul nu
îndeplineşte standardul, atunci trebuie
prevăzut cu un separator de sistem.
Dacă nu sunt respectate
reglementările cu privire la conducta
din plastic, atunci cerinţele de
garanţie pot deveni nule şi neavenite
(vezi condiţiile de garanţie).
Duritate (°dH / °fH)
Volum/performanţă de instalare 1-12
<20 l/kW
Volum/performanţă de instalare 1-7
>=20 l/kW
Oxigen
Difuzia oxigenului nu este permisă în timpul funcţionării
Anual poate fi umplut maxim 5% din volumul sistemului
Inhibitori de coroziune
Vezi capitolul „Aditivi apă de sistem (inhibitori)”
agenţi de creştere sau reducere a pH-ului
Vezi capitolul „
Aditivi apă de sistem”
Aditivi anti-îngheţ
Vezi capitolul „Aditivi apă de sistem”
Alţi aditivi chimici
Vezi capitolul „Aditivi apă de sistem”
Substanţe solide
Nu este permis
Reziduurile din apa de încălzire care nu sunt componenţii
apei dulci sunt
Nu este permis
22
Tabelul 1
Instalare
Sistem de apă şi hidraulică
Calitate DHW
Calitatea apei pentru instalaţiile
DHW.
- Dacă cantitatea de clor depăşeşte
specificaţiile obligatorii menţionate
mai sus în tabelul 2, în cazul
utilizării unui cazan combinat vor
invalida garanţia pieselor DHW ale
cazanului.
Definiţia tipurilor de apă
Apă dulce
- Apă de la robinet în conformitate cu
Directiva
Europeană privind Apa Dulce:
98/83/CE, din data de 3 noiembrie
1998
Apă dedurizată
- Apă din care au fost îndepărtate
parţial ionii de calciu şi magneziu.
Apă demineralizată
- Apă din care aproape întreaga sare
a fost îndepărtată (conductivitate
foarte mică).
Apă distilată
- Apă d
in care nu mai există sare.
Parametri
Valoare
Tip apă
Apă dulce
pH
7,0-9,5
Conductivitate (la 20 °C în µS/cm)
Max 2500
Clor (ppm)
Max 150
Fier (ppm)
Max 0,2
Duritate (°dH / °fH)
1-12
Numărul coloniilor de bacterii la 22 °C (număr//ml) conform
EN ISO 6222
Max 100
Tabelul 2
Vase de expansiune
Vase de expansiune
Instalaţia CH trebuie montată cu un vas
de expansiune. Vasul de expansiune
utilizat trebuie să corespundă
conţinutului de apă al instalaţiei.
Nu este necesar să instalaţi un vas de
expansiune pentru fiecare cazan. Este
suficient un singur vas de expansiune
instalat central. Dacă utilizaţi un singur
vas de expansiune, mânerile supapelor
de pe ţevile de curgere şi retur de sub
cazan trebuie să fie îndepărtate în timp
ce sunt deschise.
Circuit cilindric de expansiune DHW
Dacă aplicaţi un cilindru DHW conectat
direct la cazan (racord cilindru ELCO
prin folosirea unei supape cu
3 căi), circuitul dintre supapa cu trei
căi şi separato
rul cilindrului DHW
trebuie prevăzută cu un rezervor de
expansiune. Vezi şi pagina 26.
Vasul de expansiune a cazanului poate
fi conectat pe uniunea transversală din
interiorul ţevii de retur pe fiecare cazan,
dacă este necesar. Racordul este
montat cu un capac de ştanţare cu filet
extern de 3/4”.
23 RO
Instalare
Conductă de gaz
Conducta de gaz a instalaţiei trebuie
calculată conform capacităţii maxime
pentru a determina diametrul ţevii de
alimentare.
Conducta de gaz trebuie plasată pe
orificiile alocate ale plăcilor cu flanşă
ale conductelor colectoare curgere/
retur, şi fixată pe toate plăcile cu flanşă
prin şuruburile de precizie speciale
M6x8x16.
Pierderea de presiune pe o conductă
de gaz nou instalată poate fi max. 1,7
mbar. În cazul unui prelungitor aceasta
poate fi max. 2,5 mbar. Această
valoare trebuie măsurată între aparatul
de măsurare a gazului şi cazanele CH.
Pentru funcţionarea corectă a
cazanelor, este necesar ca presiunea
de admis
ie dinamică a gazului să fie
cel puţin 19 mbar.
În privinţa conductei de gaz,
asiguraţi-vă că conducta de gaz nu
conţine nicio poluare reziduală.
Dacă gazul natural trebuie convertită
din gaz natural în LPG, ELCO
furnizează kituri speciale în acest
scop. Împreună cu kitul sunt
furnizate şi instrucţiunile speciale.
După lucrările de întreţinere
verificaţi întotdeauna toate
componentele care transportă gaz în
privinţa scurgerilor, utilizând fluid de
detecţie a scurgerilor.
24
Instalare
Conexiune pentru condens
PERICOL:
Pericol de moarte din cauza
intoxicaţiei¤ Dacă sifonul nu
este umplut cu apă, sau dacă sunt
racorduri deschise, atunci scăpările
de gaze reziduale prezintă pericol de
moarte pentru oameni.
Pentru conducta de evacuare a
condensului pot fi folosite doar
materiale rezistente coroziunii şi
autorizate. Evacuarea trebuie realizat
într-un spaţiu fără gheaţă. Ţeava de
evacuare trebuie să fie prevăzută cu o
înclinare pentru a
evita curgerea înapoi
a condensului.
Conexiune pentru condens
Pentru fiecare m3 de gaz natural ars
se pot acumula cantităţi de apă între
0,7 şi 1,0 litri din cauza utilizării foarte
intense de energie. Condensul care se
acumulează în cazan, în ţeava gazelor
reziduale sau în coş, trebuie evacuate
în sistemul public de canalizare.
În această privinţă trebuie avute în
vedere reglementările specifice ţării
respective. Ar putea fi nevoie de
neutralizarea condensului. Trebuie să
existe posibilitatea evacuării în mod
vizibil a condensului într-un sifon-pâlnie
(2) la locul instalării. Nu este permisă
conectarea fixă la sistemul public de
canalizare.
Umplerea sifonului
Înainte de punerea în funcţiune a
cazanului, sifonul echipamentului (1)
trebuie umplut cu apă pentru a preveni
emisia gazelor de arse de la conexiune
ţevii de evacuare. Umplerea este
efectuată cel mai uşor prin turnarea
a 0,5 litri de apă în ţeava gazelor
reziduale (3); altfel deşuruba
i sifonul
pentru a-l umple.
Canalul de scurgere al condensului
trebuie curăţat pe parcursul lucrărilor
de întreţinere şi inspecţie, cel puţin
odată în fiecare an, în timp ce sifonul
şi racordurile gazelor reziduale trebuie,
de asemenea, verificate în privinţa
etanşeităţii, iar sifonul echipamentului
trebuie umplut cu apă.
3
1
2
Toate cazanele de condensare cu
funcţionare pe gaz ELCO suspendate
pe perete conţin un separator de
condens cu sifon pentru a colecta şi
elibera condensul.
Cantitatea de condens format este
determinată de tipul cazanelor şi de
temperatura apei produsă de cazan.
Conducta pentru condens.
Apăsaţi tubul de plastic cu bandă pe
canalul de scurgere a condensului din
partea de jos a cazanului. Conectaţi
tubul de principalul canal de scurgere a
condensului (diametrul minim = 40 mm)
cu ajutorul unei conexiuni deschise
pentru a evita ca gazele uzate să
pătrundă în cazan.
Montaţi o conductă colectoare pentru
canalul de scurgere al cond
ensului
din spatele sistemului hidraulic. În
acest scop plăcile cu flanşă au găuri
permiţând instalarea unui canal de
scurgere din PVC de max. 40 mm.
Folosiţi acest canal de scurgere
pentru conecta canalele de scurgere
individuale la fiecare cazan.
Sifonul sistemului gazelor de ardere
poate fi, de asemenea, conectat,
dacă este necesar, printr-o conexiune
deschisă.
25 RO
Instalare
Racorduri
Conducte de aer / gaze de ardere pentru cazanele individuale
Toate modelele de cazane dispun de
un racord paralel pentru coş de fum
de 100/150
Racorduri pentru gazele de ardere
Vă recomandăm utilizarea gamei
complete de componente pentru gaze
de ardere a ELCO.
Pentru mai multe informaţii consultaţi
instrucţiunile de instalare:
- terminale de perete ELCO
- terminale de acoperiş ELCO
- componente pentru ţeavă de fum
ELCO, atât ţevi individuale, cât şi
tuburi coaxiale.
Reglementările privind construcţia şi
instalarea sistemelor gazelor de ardere
diferă de la ţară la ţ
ară.
Trebuie asigurate respectarea tuturor
reglementărilor naţionale privind
sistemele de coş.
Nu este necesară instalarea unui canal
de scurgere al condensului separat
pentru sistemul gazelor de ardere,
deoarece condensul va fi spălat
prin cazan şi în sifon. Vă rugăm să
respectaţi următoarele recomandări:
- Folosiţi doar materiale rezistente la
coroziune
- Diametrul trebuie calculat şi selectat
conform reglementărilor naţionale.
- Lungimea sistemul gazelor de
ardere trebuie să fie cât mai mică
(şi nu trebuie să depăşească
lungimea maximă permisă, vezi
documentaţia pentru proiectanţi)
- Tuburile orizontale de gaze de
ardere trebuie să aibă o înclinaţie
de cel puţin 3° faţă de cazan.
Racordul alimentării cu aer
Dacă este necesar poate fi conectat
un tub separat cu circuit etanş pentru
alimentarea cu aer, prin includerea
unui racord cu garnitură opţională
pentru alimentarea cu aer. Diametrul
trebuie calculat în conformitate cu
reglementă
rile naţionale, şi combinat
cu sistemul gazelor de ardere.
Rezistenţa totală a tuburilor alimentării
cu aer şi ale gazelor de ardere
niciodată nu poate depăşi maximul
presiunii de alimentare a ventilatorului.
(mai vezi şi capitolul „Date tehnice”)
Dimensionare (valoare de referinţă)
Lungimea maximă în metri a ţevilor cu D110 Ø (instalaţi deschise sau cu circuit
etanş de tuburi paralele)
D 110 mm
0
2
3
4
70
63
59
57
55
100
35
31
29
27
120
12
8
6
4
Schimbările de direcţie
Lungimea maximă în metri pentru instalaţii cu circuit etanş coaxiale D 110/150
D 110/150 mm
0
2
3
4
70
25
22
20
18
100
15
12
10
8
120
8
5
3
1
Schimbările de direcţie
Secţiune transversală minimă cerută arbore (armătură fum)
Diametru canal de fum
110 mm
26
Arbori pătratici
Arbori rotunzi
140 x 140 mm
160 mm
Note
Tabelele de mai jos conţin indicaţii
privind lungimea maximă a tuburilor
de aer şi gaze de ardere ce pot fi
racordate. Dacă
o instalaţie cu circuit
etanş este construită prin utilizarea
de tuburi separate de aer şi gaze de
ardere, lungimea ambelor tuburi trebuie
însumate şi nu trebuie să depăşească
valoarea relevantă dată în tabele.
În toate cazurile racordul coaxial fum/
aer din partea de sus a cazanului este
de 80/125. Dacă utilizaţi componente
pentru fum de 110/150, în lungimile
coşurilor indicate în tabele a fost
inclusă o toleranţă pentru adaptorul cu
garnitură necesar cu dimensiunile între
80/125 ţi 110/150. Lungimea maximă
a oricărei secţiuni exterioare a ţevii de
fum nu trebuie să depăşească 5 m.
Raza oricărui cot utilizat în sistemul
gazelor de ardere nu trebuie să
depăşească 87,5°.
Instalare
Racorduri
Conducte de aer / gaze de ardere pentru cazanele individuale
2
Alimentarea cu aer (3) al piesei
coaxiale este închisă cu un capac cu
diametrul de 150 mm.
1430
660
1
3
Racord coaxial pentru cazan
Executaţi următoarele sarcini pentru a
transforma caz
anul într-unul cu racord
coaxial.
2
1430
660
Orificiul racordului de evacuare a
gazelor de ardere (2) are un diametru
de 100 mm.
- Scoateţi capacul cu diametrul
de150 (3) de pe racordul alimentării
cu aer al componentului coaxial de
racordare (2).
- Montaţi capacul cu diametrul de
100 mm (1) şi fixaţi-l cu şurubul
(toate piesele sunt livrate separat în
ambalajul din spumă de sub cazan)
Orificiul alimentării cu aer are un
diametru de 150 mm.
Orificiul racordului de evacuare a
gazelor de ardere are un diametru de
100 mm.
Orificiul de evacuare a gazelor de
ardere / sistemul de alimentare cu
aer este conectat după aceea la
componentul coaxial de racordare.
Sistem deschis
Aerul de combustie necesar este
luat din mediul înconjurător (camera
cazanului). În acest scop respectaţi
reglementările privind ventilarea
camerei cazanului respectiv.
Dacă utilizaţi un cazan de categoria
B23 şi B33 ca un „Cazan deschis”,
gradul de protecţie a cazanului va fi de
IPX0D
n loc de IPX4D.
Trebuie montat un filtru de aer pe
orificiul de admisia aerului al cazanului
(disponibil ca accesoriu cu nr. de art.
3905046).
460
Sistem închis
Aerul de combustie este aspirat din
exterior printr-un canal.
Acesta îmbunătăţeşte posibilităţile de
instalare într-o clădire. În general aerul
exterior este mai curat decât aerul din
camera cazanului.
Dacă cazanul este funcţional,
acesta produce dâre albe de
condens. Aceste dâre de condens
sunt inofensive, dar pot cauza
unele neplăceri, mai ales în cazul
terminalului de perete. Ca urmare
sunt preferate terminalele de
acoperiş.
1070
3
Cazanele THISION L ECO pot fi
utilizate atât într-un sistem „deschis”,
cât şi unul „închis”.
460
Într-o instalaţie închisă terminalele
de acoperiş trebuie să fie la aceeaşi
înălţime pentru a preveni ca gazele
de ardere să fie aspirate de celălalt
cazan (recirculare). Găurile de
evacuare din adâncituri şi lângă
pereţi drepte pot cauza de as
emenea
recircularea gazelor de ardere.
Recirculaţia trebuie prevenită
permanent.
1070
1
Racord paralel pentru cazan
Cazanul este prevăzut în mod standard
cu un racord paralel pentru orificiul
de evacuare a gazelor de ardere şi
sistemul de alimentare cu aer.
Orificiul alimentării cu aer (1) are un
diametru de 100 mm.
Canalul de alimentare cu aer poate fi
conectat la acesta sau, dacă acesta
posedă un „dispozitiv deschis”
(categoria de evacuare B), trebuie
montat un filtru de aer.
27 RO
Instalare
Racorduri
Conducte de aer / gaze de ardere - variante de instalare pentru
cazanele individuale
Aer de ardere ambiant, ø80 PP
B23
Canal gaze de ardere în coş, aspirarea aerului din împrejurimi. Secţiunea
de capăt a canalului gazelor reziduale deasupra acoperişului.
B33
Canal gaze de ardere în coş, aspirarea aerului din împrejurimi. Secţiunea
de capăt a canalului gazelor reziduale deasupra acoperişului.
Aer de combustie luată din împrejurimi, ø 80/125 PP/tablă
de oţel alb
C13
C13x
Canal gaze de ardere şi aspiraţia aerului peste peretele exterior, în
aceeaşi gamă de presiune.
C33
C33x
Canalele de gaz rezidual şi aer de aspiraţie prin coş trebuie să
funcţioneze în aceeaşi gamă de presiune. Secţiunea de capăt verticală a
canalului gazului rezidual.
C43
C43x
Canalul aerului de aspiraţie şi a gazului rezidual prin sistemul de coş, care
este integrat în clădire.
C53
C53x
Secţionează ţeava de evacuare a aerului şi a gazului rezidual spre
exterior, în zone cu diferite presiuni.
Secţiunea de capăt verticală a canalului gazului rezidual.
C63*
C63x
Echipament dezvoltat special, pentru racordarea la sistemele de aer / gaz
rezidual certificate care funcţionează separat unul de celălalt.
* Nu este permis în Belgia
C83
C83x
Aspiraţia aerului pe exteriorul clădirii, canal de gaz rezidual prin coş.
C93
C93x
Conducta de aer şi gaz rezidual spre coşul de gaz, prin instalaţia din
acoperiş şi într-un coş
de gaz rezidual rezistent la umiditate.
Spaţiul rotund minim pentru conducta de gaz rezidual:
Ø80 = 45mm
Ø100 = 50mm
Ø110 = 40mm
28
Instalare
Racorduri
Conducte de aer / gaze de ardere - variante de instalare pentru
cazanele multiple
Opţiunea pentru un orificiu colectiv
de evacuare a gazelor de ardere de
ardere este determinată de:
- Poziţia cazanelor faţă de zona lor
de evacuare
- Spaţiu suficient deasupra cazanelor
- Numărul mare de cazane
Puteţi opta pentru:
- Orificiu colectiv de evacuare a
gazelor de ardere cu subpresiune
- Orificiu colectiv de evacuare a
gazelor de ardere cu suprapresiune
În multe situaţii gazele de ardere nu
pot fi ventilate individual, deoarece
instalaţia este în interior. Pentru
asemenea situaţii vă recomandăm
ventilarea colectivă cu ajutorul
subpresiunii sau a suprapresiunii,
utilizând un sistem de orificiu de
evacuare a gazelor de ardere.
Alimentarea cu aer poate fi furnizat,
de asemenea, colectiv, dar dacă
camera cazanului e
ste potrivită pentru
acest scop, acesta poate fi obţinut şi
din această zonă (dispozitiv deschis
„cazan de categoria B”).
In cazul ventilării colective a
gazelor de ardere, orificiul de
ventilare a gazelor de fum trebuie să
sfârşească în zona deschisă (zonă
de evacuare 1).
ELCO poate furniza un sistem de
evacuare a gazelor de ardere pentru
ELCO THISION L ECO. Consultaţi
următoarele capitole în privinţa
diferitelor posibilităţi şi a lungimilor
maxime ale ţevilor ce pot fi folosite.
Categorie cazan B
Zona de evacuare 1
(zonă de evacuare liberă)
Categorie cazan C
0,2 x 2xB
Permis doar atunci, când
aspiraţia aerului şi evacuarea
gazelor de ardere sunt în
aceeaşi zonă de presiune
29 RO
Instalare
Racorduri
Orificiu de evacuare colectiv al gazelor de ardere sub presiune
Diametrul şi lungimile de ventilare ale
orificiului de evacuare a gazelor de
ardere/de alimentare cu aer
- Sistem deschis cu subpresiune
(calculat cu planul termal)
în condi
ii atmosferice.
Dimensiunile coşului de fum în cascadă THISION L ECO
Sistem deschis, suprapresiune, paralel
Putere (P) kW la 80/60 °C
Tip L ECO
70
100
152
1
1
180
1
212
NOTĂ!
1. IPX0D la categoria B23 şi B33 de fum
1
240
272
300
1
1
332
1
d
1
452
512
544
1
572
632
660
692
1
812
932
130
150
130
150
150
1
2
150
150
150
180
180
180
180
180
180
180
180
200
180
200
200
220
1
3
200
220
220
220
4
200
220
220
220
3
3
200
220
220
230
220
230
220
230
1
2
4
230
230
250
250
5
230
230
250
250
1
4
5
230
250
230
250
250
250
250
250
1
5
260
260
260
260
6
280
280
280
280
5
5
280
280
280
280
280
280
280
280
1
2
1
6
280
280
280
280
7
280
280
280
280
6
7
280
280
280
280
280
280
280
300
7
300
300
300
300
8
300
300
300
300
Tip L ECO
70
100
152
1
1
180
1
1
1
392
424
h=5-9
h = 9 - 13
h = 13 - 17
240
220
220
220
1
240
220
220
220
1
1
240
220
220
220
2
240
220
2
20
220
1
1
2
330
330
300
300
290
290
270
270
452
270
2
330
300
290
330
300
290
270
1
2
2
2
390
390
370
370
350
350
330
330
1
3
390
370
350
330
4
390
370
350
330
3
3
460
460
410
410
390
390
380
380
480
512
544
1
572
d
632
660
1
2
4
460
410
390
380
5
460
410
390
380
1
4
5
500
500
460
460
440
440
420
420
1
5
500
460
440
420
6
500
460
440
420
5
5
550
550
500
500
470
470
460
460
1
d
692
1
1
720
752
784
1
812
1
2
1
840
872
900
932
960
1
1
120
3
1
1
d = diametrul minim în mm
h=2-5
600
30
130
120
Sistem închis, subpresiune, paralel
Putere (P) kW la 80/60 °C
332
d
120
2
180
200
360
h
1
2
2
240
=d
130
Dimensiunile coşului în cascadă THISION L ECO
272
300
=d
130
1
2
1
212
d
120
180
960
Diametrul şi lungimile de ventilare ale
orificiului de evacuare a gazelor de
ardere/de alimentare cu aer
- Sistem închis cu subpresiune
(calculat cu planul termal)
în condiţii atmo
sferice.
120
180
1
1
1
110
1
180
840
872
900
h = 16 - 20
180
720
752
784
110
180
1
1
1
h = 11 - 15
100
180
600
d
h = 6 - 10
100
2
480
h
h=2-5
3
1
360
392
424
d = diametrul minim în mm
120
1
1
6
550
500
470
460
7
550
500
470
460
6
7
600
600
540
540
510
510
490
490
7
600
540
510
490
8
600
540
510
490
Instalare
Racorduri
Orificiu de evacuare colectiv al gazelor
de ardere cu suprapresiune
O instalaţie cu un orificiu de
evacuare colectiv a gazelor de
ardere combinată cu cazane
comandate individual (de ex.
control 0-10 V control), la care nu
este racordată cablul de magistrală
3905043, NU este permis.
Dimensiunile coşului în cascadă THISION L ECO
Sistem deschis, subpresiune
Putere (P) kW la 80/60 °C
Tip L ECO
70
100
152
1
1
180
1
212
h=2-5
h=5-9
h = 9 - 13
h = 13 - 17
210
200
190
190
1
210
200
190
190
1
1
210
200
190
190
2
210
200
190
190
1
1
2
300
300
270
270
260
260
250
250
250
240
Di
ametrul şi lungimile de ventilare ale
orificiului de evacuare a gazelor de
ardere/de alimentare cu aer
- Sistem deschis cu suprapresiune
272
300
1
1
332
2
300
270
260
3
300
270
260
250
1
2
2
2
360
360
330
330
310
310
300
300
1
3
360
330
310
300
4
360
330
310
300
3
3
440
440
380
380
360
360
340
340
1
360
NOTĂ!
1. IPX0D la categoria B23 şi B33 de fum
2. Doar cu cablu de magistrală 3905043
racordat!
3. Ajustaţi parametrul 102 la 2
392
424
1
452
480
512
544
1
572
1
2
4
440
380
360
340
5
440
380
360
340
1
4
5
470
470
420
420
400
400
380
380
1
5
470
420
400
380
6
470
420
400
380
5
5
550
550
470
470
430
430
410
410
1
600
632
660
d
1
1
692
720
h
752
784
1
812
1
2
1
840
872
900
d
932
960
1
1
d = diametrul minim în mm
120
1
1
6
550
470
430
410
7
550
470
430
410
6
7
600
600
510
510
470
470
440
440
7
600
510
470
440
8
600
510
470
440
Diametrul şi lungimile de ventilar
e ale
orificiului de evacuare a gazelor de
ardere/de alimentare cu aer
- Sistem închis cu suprapresiune
Contactaţi ELCO.
d
=d
=d
h
d
d
d
31 RO
Instalare
Conexiune electrică
Conexiune electrică
Conexiunile electrice trebuie
realizate de un tehnician autorizat,
şi în conformitate cu standardele şi
reglementările naţionale şi locale
valide.
Pentru alimentarea cu energie electrică
trebuie folosită un întrerupător de reţea
cu orificii de contact de cel puţin 3
mm. Acesta trebuie montat în interiorul
camerei cazanului. Întrerupătorul
de reţea este folosit pentru oprirea
alimentării cu energie electrică în
timpul lucrărilor de întreţinere.
Toate cablurile sunt trecute prin
garnitura de etanşare a cablului din
partea de jos a cazanului, şi sunt
legate de panoul electronic din partea
frontală a cazanului.
Schema electrică trebuie respectată pe
parcursul tuturor lucrărilor de conectare
electrică (vezi următoarele pagini).
Este necesară o reţea de al
imentare
electrică de 230V -50Hz, cu siguranţă
exterioară de 5A.
O deviaţie pe grilaj de 230V (+10%
sau -15%) şi 50Hz
De asemenea, sunt valabile şi
reglementările suplimentare de mai jos:
- Nu este permisă schimbarea
racordării la reţea a cazanului;
- Toate racordurile trebuie realizate la
placa cu borne.
Instalarea senzorului exterior
Dacă la cazan este racordat un senzor
exterior, atunci senzorul trebuie
poziţionat conform desenului alăturat.
Dacă NU este racordat un senzor
exterior, atunci parametrul T-day este
temperatura maximă de curgere. Salt
la Timeprog. options/timeprog. CH/Tday (vezi pagina 49).
32
Instalare
Conexiune electrică
Cazanul are 4 suporturi de prize pentru
toate conexiunile electrice.
1. Alimentare cu tensiune ridicată
(230V)
2. Întrerupătoare fără tensiune (releuri
de 230V)
3. Senzori de joasă tensiune
4. Magistrală de comunicare pentru
cazanele în cascadă THISION L
ECO
On/Off
1
230V
out
L
230V~ AC
2
3
4
N
N
L
230V ou
t
5
6
L
230V Pump P3
7
8
9
Error
signal
N
N
L
T4
Out
LPG
Heat
demand
signal
L
230V Pump / 3-WV.
10
11
12
13
On/Off
230V DHW pump
14
15
16
1
2
3
4
T3
DHW
5
6
1
2
T10
3
4
General
purpose
OpenTherm
5
6
0-10Volt
7
8
9
10
LWCO
11
12
13
14
Bus
1
2
3
4
8X.44.08.00 / 05.11
230V~
AC
L
230V
out
N
8X.44.09.00 / 05.11
230V~
AC
N
Vedere laterală
8X.44.08.00 / 05.11
Vedere din faţă
On/Off
230V~
AC
N
230V~
AC
L
1
230V~ AC
2
3
230V
out
N
230V
out
L
4
230V out
5
6
N
L
N
L
230V Pump P3
7
8
9
N
N
L
230V Pump / 3-WV.
10
11
12
13
Error
signal
On/Off
T4
Out
LPG
Heat
demand
signal
L
230V DHW pump
14
15
16
1
2
3
4
T3
DHW
5
6
1
2
T10
3
4
General
purpose
OpenTherm
5
6
0-10Volt
7
8
9
10
LWCO
11
12
13
14
Presetupele PG pentru canalele de
cablu sunt deja montate în fabrică.
Pentru câteva racorduri, unele
presetupe PG sunt furnizate separat.
Diametrul maxim al cablului pentru
borne este de 2,5 mm2.
Co
nectaţi cablul apăsând în jos
controlul de pe regleta de borne cu o
şurubelniţă plată.
33 RO
Instalare
Conexiune electrică
N
230V
out
L
230V~ AC
1
2
3
N
L
230V out
4
5
6
N
N
L
L
230V Pump P3
7
8
9
Error
signal
230V Pump / 3-WV.
10
11
12
13
On/Off
1,demand
2, 3
Heat
L
Activ
1
2
3
4
4, 5, 6
5
6
Pământ
pentru cazan. Cablul de
T10
0-10VoltPutere
LWCO
alimentare nu este furnizat
DHW
1
2
3
4
5
6
L
L
230V Pump P3
7
8
9
Heat
demand
signal
L
230V Pump / 3-WV.
10
11
12
13
230V DHW pump
14
15
16
1
2
3
4
5
6
1
On/Off
On/Off
T4
Out
LPG
Heat
demand
signal
3
4
T3
DHW
5
6
1
2
T10
3
4
General
purpose
OpenTherm
5
6
0-10Volt
7
8
9
10
LWCO
11
12
13
14
2
4
11
Activ
Supapă cu trei căi (deschisă) sau
pompă DHW P2
Pământ
Neutru
Activ
6
7
8
9
8X.44.08.00 / 05.11
General
purpose
10
Conexiune
1
12
13
230V
13,5
13,5
Bus
13,5
230V
4A
Supapă cu trei căi sau pompă
DHW P2
14
13,5
Pompă de încărca
re DHW P4
6 conexiuni
Aplicare
LWCO
11
13,5
Sistem pompe P3
Pompă de încărcare DHW P4
Pământ
1, 2
Max.
V/A
Pompă de încărcare DHW P4
Neutru
0-10Volt
PG
Putere de ieşire
Supapă cu trei căi sau pompă
DHW P2
Pământ
OpenTherm
5
14
Supapă cu trei căi CH (închis)
T10
3
13
Activ
Poziţie
T3
DHW
8X.44.08.00 / 05.11
L
12
2. Întrerupătoare cu tensiune ridicată:
T4
Out
LPG
11
10
On/Off
On/Off
Pământ
10
Neutru
16
Error
signal
9
Neutru
15
N
8
Activ
14
N
7
Activ
13
N
6
7, 8, 9
12
N
General
purpose
OpenTherm
Neutru
T3
signal
230V DHW pump
14
15
16
On/Off
T4
Out
LPG
2
Semnal de eroare releu de ieşire
3, 4
3
4
Cerere de căldură releu de ieşire
5, 6
5
6
Sursă de căldură exterioară / a 2-a supapă de
propan
3. Senzori de joasă tensiune:
Bus
PG
Max.
V/A
13,5
230V
5A
13,5
230V
5A
13,5
230V
5A
14 conexiuni
Poziţie
Conexiune
Aplicare
Tuluri
1, 2
1
2
Senzor de apă caldă T3
IP67
3, 4
3
4
Senzor exterior T4 (sfat)
IP67
5, 6
5
6
Senzor de curgere comun T10** (trebuie
racordat)
IP67
7, 8
7
8
Contact pornire-oprire** / contact Open Therm
(detectare automată)
IP67
Bus
9, 10
9
10
intrare 0 -10 Volt (temperatură sau sarcină)
IP67
11, 12
11
12
Contact de blocare (montaj în punte)
IP67
13, 14
13
14
Oprire presiune mică de apă contact NU
(funcţie inactivă)
IP67
** Dacă NU este racordat un senzor exterior, atunci T-day este temperatura maximă
de curgere. Salt la Timeprog. options/timeprog. CH/T-day (vezi pagina 49)
4.
Poziţie
Comunicare pe magistrală:
Conexiune
Conector cu 2 poli
Aplicare
Cablu de comunicare bară colectoare
Tuluri
IP67
Cablul de comunicare pe magistrală 3905043 conectează reciproc cazanele în
cascadă pe partea laterală a bornelor de conectare (2 cazane: 1 cablu, 3 cazane:
2 cabluri etc.) şi este montat cu tuluri 2 IP67. Prin acest cablu pot fi conectate
maximum 8 cazane.
34
8X.44.09.00 / 05.11
23
0V~
AC
L
230V
out
N
16 conexiuni
Aplicare
8X.44.09.00 / 05.11
230V~
AC
N
Conexiune
8X.44.09.00 / 05.11
Poziţie
8X.44.08.00 / 05.11
1. Alimentare cu tensiune ridicată:
Instalare
Conexiune electrică
Pornire/oprire controale externe - OpenTherm
NOTĂ:
- trebuie conectat un senzor de
curgere comun (furnizat) T10
- se recomandă conectarea unui
senzor exterior T4 (opţional).
Cazanul ELCO THISION L ECO
furnizează multe posibilităţi pentru
exploatarea cazanelor de la controale
externe.
Poate fi conectat doar 1 tip de control.
Conexiunile controlului exterior trebuie
realizate în cazanul principal (adresa
01) de pe terminalul 3 şi cu racordurile
potrivite.
Mai jos veţi găsi descrierea
posibilităţilor şi a ajustărilor de
parametrilor pe care trebuie să luaţi în
On/Off
considerare.
General
Openpurpose1. Contactul de pornire-oprire
Therm
Contactul de pornire-oprire este un
întrerupător fără tensiune pentru a crea
o cerere
0-10Volt
LWCOde căldură cu contact
închis.
T4
Out
T3
DHW
2
T10
3
4
5
6
7
8
9
10
11
On/Off
T10
4
OpenTherm mesaje de eroare
Codarea mesajelor de eroare
transmise pe un controler
OpenTherm este afişată după cum
urmează:
(E) EB (E = cod de eroare = B aşi
numărul cazanului)
exemplu: Codul de eroare Ex02SC02
pe cazanul 6 va apare ca (0) 26
Controlul de pornire-oprire trebuie
conectat la terminalul 3, în poziţia 7 şi
12 8. Acesta
13
14 este totodată şi conexiunea
pentru controlul OpenTherm, dar
funcţionează prin autodetectare. Nu
sunt necesare reglări speciale. Pentru
reglarea temperaturii de curgere vezi
pagina 45.
OpenTherm
T3
DHW
3
Dacă este folosit un controler
OpenTherm de altă marcă decât
ELCO, trebuie asigurat ca pentru
anumite mesaje de eroare să nu fie
omisă cererea de căldură. Acesta
poate cauza pierderea completă a
căldurii produse.
2. Controlul OpenTherm
GeneralControlul OpenTherm este un controler
purpose
digital care comunică cu cazanul
conform protocolului OpenTher
m.
Controlerul calculează în mod continuu
0-10Volt
LWCO dorită a apei în curgere şi
temperatura
trimite această valoare la cazan(e).
T4
Out
2
Pentru opţiunea de control 1 şi 2
contează faptul că cazanul controlează
propria sa putere (modulare) pentru
a atinge temperatura dorită. Când
aceasta este atinsă, cazanul execută
o modulare inversă pentru a menţine
temperatura dorită şi a preveni
depăşirea limitei maxime.
5
6
7
8
9
10
11
12
Controlul OpenTherm trebuie conectat
13
14
la terminalul 3, în poziţia 7 şi 8.
Acesta este totodată şi conexiunea
pentru contactul pornire-oprire, dar
funcţionează prin autodetectare. .
După conectarea unui control
OpenTherm, P230 va fi vizibil (Setting
level, capitolul Param., Cascade
Param) unde valoarea de referinţă CH
poate fi reglată.
35 RO
Instalare
Conexiune electrică
Controale externe de 0-10 volt
3. Controlul 0-10 Volt
La cererea de căldură a controlerului
On/Off
de 0-10 Volt, este trimis un semnal ş
i
variază între 0-10 volt. Semnalul este
General
Opentranspus de ELCO THISION L ECO
purpose
Therm
într-o valoare de referinţă (temperatura
sau sarcina dorită a apei de curgere)
0-10Volt
LWCOcare este trimisă prin magistrala de
date ELCO la cazan(e). În funcţie de
tensiune, valoarea de referinţă devine
mai mare sau mai mică.
T4
Out
T10
4
5
6
7
8
9
10
11
12
13
14
Controlerul de 0-10 Volt trebuie
conectat la terminalul 3, în poziţia 9 şi
10.
Alegerea controlului de temperatură
sau sarcină trebuie făcută prin setarea
unui parametru.
- Salt la Setting level şi capitolul
Param.,
- Salt la Cascade Param.
- Selectare P101.
1: Dacă P101 este reglat la 1, este
setată controlul sarcinii. În acel
moment sunt eliberate P205 până
la P210 din capitolul Cascade
Param. şi pot fi reglate conform
cerinţelor specifice.
2: Dacă P101 este reglat la 2, este
setată controlul temperaturii. În
acel moment sunt eliberate P215
până la P220 din capitolul Cascade
Pa
i
variază între 0-10 volt. Semnalul este
General
Opentranspus de ELCO THISION L ECO
purpose
Therm
într-o valoare de referinţă (temperatura
sau sarcina dorită a apei de curgere)
0-10Volt
LWCOcare este trimisă prin magistrala de
date ELCO la cazan(e). În funcţie de
tensiune, valoarea de referinţă devine
mai mare sau mai mică.
T4
Out
T10
4
5
6
7
8
9
10
11
12
13
14
Controlerul de 0-10 Volt trebuie
conectat la terminalul 3, în poziţia 9 şi
10.
Alegerea controlului de temperatură
sau sarcină trebuie făcută prin setarea
unui parametru.
- Salt la Setting level şi capitolul
Param.,
- Salt la Cascade Param.
- Selectare P101.
1: Dacă P101 este reglat la 1, este
setată controlul sarcinii. În acel
moment sunt eliberate P205 până
la P210 din capitolul Cascade
Param. şi pot fi reglate conform
cerinţelor specifice.
2: Dacă P101 este reglat la 2, este
setată controlul temperaturii. În
acel moment sunt eliberate P215
până la P220 din capitolul Cascade
Pa
... ascunde
Alte documentatii ale aceleasi game Vezi toate
Fisa tehnica
8 p | RO
THISION® L ECO
Fisa tehnica
10 p | RO
THISION® L PLUS