Manual de Instalare - Cazan pe gaz in condensare ELCO TRIGON® XL
Tip documentatie: Instructiuni montaj, utilizare
Salvează pdf
Full screen
TRIGON XL
по установке и
RU Руководство
эксплуатации
только для квалифицированных
специалистов
SL Priročnik za delo in postavitev,
Samo za pooblaščene
HU Használati és üzembe helyezési utasítás
Kizárólag illetékes szakemberek számára
PL Podręcznik działania I instalacji
SWyłącznie dla autoryzowanych
techników
RO Manual de utilizare şi instalare
Destinat exclusiv tehnicienilor autorizaţi
11/2016
420010782600
Руководство по установке и эксплуатации
только для квалифицированных специалистов
TRIGON XL
11/2016
420010782600
Содержание
Общие положения......................... 6
Применение.................................. 6
Нормы и положения.................... 6
Информация для монтажной и
обслуживающей организации...
. 7
Заводской табличке...................... 8
Принцип работы........................... 8
Конструкция.................................... 9
Комплектация котла..................... 9
Технические данные...................... 1 0
Габаритные размеры.................... 1 3
Условия доставки........................... 1 4
Стандартный котел....................... 1 4
Вспомогательное оборудование.1 4
Установка........................................ 1 5
Транспортировка котла................ 1 5
Disassemble the casing.................. 1 6
Перед установкой котла............... 1 8
Подключение котла...................... 1 9
Система
воздухозабора/
дымоотвода.................................. 2 0
Расчёт дымохода.......................... 2 2
Электрические соединения......... 2 3
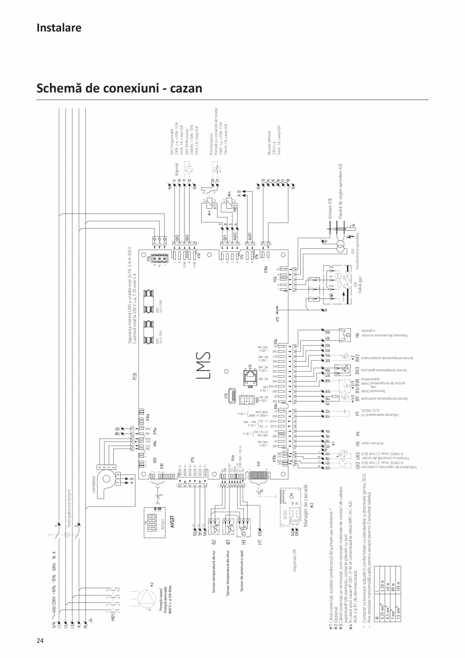
Схема переключений - Котёл...... 2 4
Управление котлом........................ 3 5
Настройка контроллера............... 3 5
Описание основных функций...... 3 7
Техническое обслуживание.......... 3 9
Поверочный лист.......................... 3 9
Замена электродов....................... 3 9
Очистка сборника конденсата..... 4 0
Очистка и повторное заполнение
сифона........................................... 4 0
Чистка грязеуловителя................. 4 1
Контроль камеры сгорания......... 4 1
Проверка
физико-химических
свойств воды................................. 4 2
Качество газа и воды.................... 4 2
Защитные устройств
s................. 4 2
Протокол
технического
обслуживания............................... 4 3
Неполадки...................................... 4 4
Значения датчиков........................ 4 6
Декларация соответствия............. 4 7
Note................................................. 4 8
Ввод в эксплуатацию..................... 2 6
Гидравлическая система и система
водоснабжения............................. 2 6
Системы нейтрализации.............. 2 7
Газоснабжение.............................. 2 8
Соединение для конденсата....... 2 8
Соединения для воздухозаборника
и дымохода................................... 2 8
Подготовка котла для первого
запуска.......................................... 2 9
Анализ продукто
в сгорания......... 3 0
Check Gas valve.............................. 3 1
Проверка потока воды................. 3 1
Проверка пригодности к работе
приборов безопасности............... 3 2
Проверка газонепроницаемости.3 3
Выключение котла........................ 3 3
Протокол ввода в эксплуатацию. 3 4
5
RU
Общие положения
Общие положения
Применение
Нормы и положения
В данной документации содержится
важная информация, которая является основой надежной и безопасной установки, ввода в эксплуатацию
и работы котла TRIGON XL. Любые
виды работ, описанные в данном документе, могут производиться лишь
уполномоч
нными компаниями.
Изменения данного документа могут
производиться без предварительного уведомления. Мы не принимаем
обязательств по внедрению данных
изменений по отношению к ранее
доставленному оборудованию.
Для замены компонентов котла
могут использоваться только оригинальные запасные части; в противном случае гарантийное обслуживание прекращается.
Котел TRIGON XL одобрен СЕ и соответствует следующим европейским
стандартам:
Применение
Котел TRIGON XL может использоваться только в целях отопления
и нагревания. Котел должен подключаться
закрытым системам с
максимальной температурой 100
ºC (предельная температура), максимально установленная температура 90 ºC.
•
Нормы и положения
При установке и эксплуатации котла
необходимо соблюдать все применяемые нормы (европейские
и местные):
• Местные положения об установке в зданиях систем с воздухом для горения и дымовым газом;
• Положения о подключении
котла к электрическим приборам;
• Положения о подключении
котла к местному газопроводу;
• Нормы и положения, относящиеся к оборудованию, обеспечивающему безопасность
работы си
тем отопления;
• Любые
дополнительные
местные законы/положения
об установке и эксплуатации
систем отопления.
•
6
•
•
•
•
•
•
•
•
•
•
1992 / 42 / EEC Требования к эффективности котлов.
2009 / 142 / EEC Директива по газовому оборудованию.
2009 / 125 / EC Директива Европейского Парламента и Совета
от 21 октября 2009 г., устанавливающая основу для определения требований к экодизайну
энергосвязанных изделий
811-813-814/2013 Регламент ЕС
2014 / 30 / ЕС Директива по
электромагнитной совместимости (EMC)
2014 / 35 / ЕС Директива по низковольтному оборудованию
EN 13203-2: 2015 (Вод
онагревающие бытовые приборы газовые. Часть 2. Оценка потребления энергии)
EN 15036-1: 2006 Котлы обогревательные. Правила испытания
для распространения наружного шума из теплогенераторов.
Часть 1. Распространение шума
потока газа от теплогенераторов
EN-ISO 3743-1: 2010 Акустика.
Определение уровней звуковой
мощности и уровней звуковой
энергии источников шума с использованием звукового давления. Технические методы для
небольших подвижных источников в реверберационных полях.
Часть 1. Сравнительный метод
для твердостенных испытательных камер.
EN 15502-1: 2012
+A1:2015 (Газовые котлы центрального отопления. Часть 1. Общие требования
и испытания)
EN 15502-2-1: 2012 (Газовые
котлы центрального отопления.
Часть 2-1. Специальный стандарт для приборов типа C и приборов типа B2, B3 и B5 с номинальной подачей тепла не выше
1000 кВт)
EN 60335-1 Безопасность бытовых и аналогичных электрических приборов. Часть 1. Общие
требования
•
•
•
•
•
EN 60335-2-102: 2016 Безопасность бытовых и аналогичных
электрических приборов. Часть
2-102. Частные требования к
приборам для сжигания газа,
жидкого и твердого топлива,
имеющим электрические соедин
ния.
EN 55014-1: 2006 Электромагнитная совместимость. Требования для бытовых приборов,
электрических инструментов и
аналогичных устройств. Часть 1.
Выбросы A1:2009, A2:2011
EN 55014-2: 2015 Электромагнитная совместимость. Требования для бытовых приборов,
электрических инструментов и
аналогичных устройств. Часть 2.
Устойчивость к электромагнитным помехам. Стандарт на группу однородной продукции.
EN 61000-3-2: 2014 Электромагнитная совместимость (EMC).
Часть 3-2. Пределы. Пределы
выбросов для синусоидального
тока (оборудование с входным
током меньше или равным 16 А
на фаз
).
EN 61000-3-3: 2013 Электромагнитная совместимость (EMC).
Часть 3-3. Пределы. Ограничение изменений напряжения,
флуктуации и мерцания напряжения в распределительных
низковольтных системах питания для оборудования с номинальным током не более 16 А на
фазу и не подлежащему условному соединению.
Дополнительные национальные
стандарты ФРГ:
• RAL - UZ 61 / DIN 4702-8
Швейцария:
• SVGW
Австрия:
• 15a V-BG
Общие положения
Информация для монтажной и обслуживающей организации
Категорически
запрещается использование котла для
целей, не указанных в руководстве. Изготов
итель не несёт
никакой ответственности за любой ущерб, вызванный ненадлежащим, неправильным и неразумным использованием котла или
несоблюдением указаний, приведенных в настоящем руководстве.
Монтаж, техническое обслуживание и другие работы на
котле должны проводиться в
строгом соответствии с положениями действующих норм и указаниями изготовителя. Неверная
установка котла может привести
к причинению ущерба людям,
животным и имуществу. Изготовитель котла не несёт никакой ответственности за такой ущерб.
Котёл поставляется в защитной уп
аковке. После распаковки убедитесь в отсутствии
повреждений и комплектности
котла. При обнаружении дефектов или некомплекта немедленно
свяжитесь с поставщиком.
Храните упаковочные материалы (зажимы, пластиковые
пакеты, пенопласт и т.п.) в месте
недоступном для детей. Для них
эти материалы могут представлять опасность.
Перед проведением технического обслуживания или
других работ отключите котёл
от электрической сети, установив
главный выключатель в положение «OFF». Для ремонта котла используйте только оригинальные
запасные части.
Все рем
онтные работы, должны выполняться только с использованием
оригинальных запасных частей.
Информация для пользователя
Проинформируйте пользователя о
режимах работы котла.
Передайте пользователю руководство по эксплуатации и предупредите, что храниться оно должно рядом с котлом.
Также покажите пользователю следующее и расскажите о его обязанностях:
• Периодически проверять подачу воду. Проинструктируйте
пользователя, как устранять
утечки.
• Как настраивать температуру
и регуляторы для правильной
и экономичной работы системы.
• Техн
ическое обслуживание
котла должно проводиться в
соответствии с требованиями
действующих норм.
• Ни в коем случае не изменять
настройки подачи воздуха и
газа на горение.
• Обратите внимание на предупреждения, содержащиеся в
настоящем руководстве
К эксплуатации котла допускаются дети старше 8 лет
и люди с ограниченными физическими, сенсорными
или умственными возможностями, а также без опыта
и знаний, если они находятся под присмотром или
получили указания по безопасному использованию
котла и осознают возможные опасности. Детям
запреща
тся играть с котлом. Запрещается
выполнение очистки и технического обслуживания
детьми без присмотра.
= Опасность для здоровья
= Опасность для оборудования
7
RU
General regulations
Общие положения
Заводской табличке
Data plate
Принцип работы
Symbols used on the data plate
Символы, используемые на заводской табличке
2
1
S/N
Legend :
00
26-05-2015
4
3
0000000KE000000000000
10
7
8
9
gas
mbar
gas
mbar
gas
mbar
11
Q(Hi)
12
13
η =
100%
P60/80C
14
15
MIN
2
Country of origi
3
Boiler model - S
4
Commercial ref
5
Certification nu
6
Destination cou
7
Gas setting
P30/50C
8
Installation type
9
Electrical data
10
Factory settings
11
Maximum wate
12
Boiler type
13
NOx class / Effi
η =
min.
17
16
18
1
Марка
10
Заводские
настройки
14
Input rating nom
2
Страна происхождения
11
Максимальное давление воды
15
Power output h
3
Модель котла - Серийный номер
12
Тип котла
16
Gases which m
4
Артикул
13
Класс NOx / Эффективность
17
Ambient operat
5
Номер сертификата
14
6
Страна назначения - Категория газа 15
Входная номинальная тепловая мощность
18
Max. central he
Выходная тепловая мощность
7
Настройка газа
16
Допустимые газы
8
Тип монтажа
17
Рабочая окружающая температура
9
Электрические характеристики
18
Макс. температура отопления
0000000KE000000000000
Принцип работы
теплообменник и покидают котел
Котел
TRIGON XL является полноснизу, выходя через соединение
стью регулируемым. Блок управдымохода.
ления котла автоматически адапОборотная вода из системы попатирует коэффициент модуляции
дает в нижний отсек котла, в копод тепловую нагрузку, требутором наблюдается самая низкая
0000000KE000000000000
емую системой. Это осущесттемпература дымовых газов.
вляется регулировкой скорости
Вода подается вверх, через тепловращения вентилятора. В резульобменник, и выходит к подключетате преобразовательная система
нию подающей линии.
Whirlwind адаптирует отношеРабочий
принцип поперечного
ние количества газа к заданной
потока (вода – вверх, дымовой
скорости вентилятора. Дымовые
газ – вниз) обеспечивает наибольгазы, возникающие в результате
шую эффективность при процессе
сгорания, поступают вниз через
горения.
8
Brand
26-5-2015 13:07:34
6
MAX
1
5
6
5
4
3
Блок управления LMS14 может регулировать работу котла на основе:
• Работа с постоянной темпера2
турой (работа в автономном
PCT
режиме);
• Работа в погодозависимом
1
Режиме (с установкой дополнительного наружного датчика);
• с внешним воздействием
в 0–10 В (температуры или
ощности) от системы управления здания.
Конструкция
Конструкция
Комплектация котла
Комплектация котла
Котел TRIGON XL состоит из следующих основных компонентов:
1
2
3
4
5
6
7
8
9
10
11
Корпус
Передняя панель
Регулируемые опоры
Колесико
Панель управления (под крышкой)
Соединение для
воздухозаборника (под крышкой)
Соединение для выброса
дымовых газов
Соединение для подачи газа
Соединение для подачи воды
Соединение для оборотной воды
Соединения для электрического
входа (HV/LV)
12
13
14
15
16
17
18
19
20
21
22
VСмотровое окно
Горелка/1-й блок тепл
обменника
2-й/3-й блок теплообменника
Сифон
Электроды розжига и ионизации
Клапан заполнения/слива
Лоток для конденсата
Вентилятор
Система газового завихрения/
топливовоздушной смеси
Газовый клапан/Реле давления газа
Арматура для подключения ко
2-му водопроводу (горячей)
обратной воды(для раздельных
систем, дополнительный
компонент)
5
6
8
2
1
9
22
10
11
4
3
3 4
7
3 4
19
20
21
12
13
16
14
17
18
15
17
9
RU
Технические данные
Технические данные
150
kW
Ном. мощность при 40/30ºC макс/мин
kW
Номинальная теплоотдача макс./мин. Hi
kW
Коэффициент полезного действия при 80/60 ºC
%
Коэффициент полезного действия при 40/30 ºC
%
Годовой кпд (при 40/30 ºC)
%
Макс. поток конденсата
l/h
Расход природного G20 макс/мин (10,9 кВтч/м3)
m3/h
Расход природного G25 макс/мин (8,34 кВтч/м3)
m3/h
Расход сжиженного G31 макс/мин (12,8 кВт/кг)
kg/h
Давление природного G20
mbar
Давление природного G25
mbar
Давление сжиженном G31
mbar
Максимальное давление газа
mbar
Макc. температура дымовых газов
°C
Температура дымового газа при 80/60 ºC макс./ мин.
°C
Температура дымового газа при 40/30 ºC макс./мин.
°C
Макс./мин. объем дымового газа, высококалорийный
m3/h
Содержание CO2 в природном G20/G25
%
Содерж
ание CO2 в сжиженном G31 макс./мин.
%
Содержание Nox 80/60°C макс./мин
mg/kWh
Содержание CO 80/60°C макс./мин.
mg/kWh
Макс. допустимое дымовое сопротивление макс./мин.
Pa
Объём воды
l
Давление воды макс./мин.
bar
Максимальная температура воды (высшее значение термостата)
°C
Максимальное установленное значение температуры
°C
Номинальный поток воды при dT=20K
m3/h
Гидравлическое сопротивление при номинальном потоке воды
kPa
Электрическое соединение
V
Частота
Hz
Предохранитель силовой цепи
A
Ном. мощность при 80/60ºC макс/мин
Класс IP
Расход энергии котлом макс./мин. (искл. насос)
W
Потребляемая мощность. Насосы с регулируемым числом
оборотов
W
TRIGON XL
200
190,4/42,0
237,6/47,0
202,3/47,4
252,3/53,4
194,0/43,1
242,0/48,4
98,2
98,2
104,3
104,2
110,4
110,4
12,4
15,4
17,8/4,0
22,2/4,4
23,3/5,2
29,0/5,8
15,2/3,4
18,9/3,8
20
25
30/50
50
90
75/58
75/58
75/58
54/30
54/30
55/30
188/43
251/57
313/64
10,2/9,4 ±0,2 (Ограничение типа 570 дельта макс./мин. ≥0,8%)
11,9/10,0 ±0,2
38/19
38/19
36/18
14/3
14/3
14/5
200/10
200/10
200/10
26
31
33
8/1
100
90
6,1
8,1
10,1
11,2
26,8
31,2
230/400
50
16
IP20
176/48
267/48
286/53
190/9
190/9
310/12
290
70,3
366
70,3
R2”
R1.1/2”
200
130
Kg
dB
μA
mm
R2”
R1.1/2”
150
332
70,3
10,0/4,5
3,2
CE - 0063CQ3970
R2”
R1.1/2”
150
Соединение для воздухозаборника (для комнатного
герметичного использования) (DN)
mm
130
130
Соединение для конденсата (
DN)
mm
Вес (без гидравл. принадлежностей)
Уровень звуковой мощности (LWA)
Текущая средняя ионизации
Водородный показатель конденсата
Сертификационный код CE
Соединения для подачи воды
Соединение для подачи газа
Соединение для дымовых газов (DN)
10
250
142,3/31,3
151,2/35,4
145,0/32,2
98,2
104,3
110,4
9,2
13,3/3,0
17,4/3,9
11,3/2,5
32
Технические данные
TRIGON XL
kW
Ном. мощность при 40/30ºC макс/мин
kW
Номинальная теплоотдача макс./мин. Hi
kW
Коэффициент полезного действия при 80/60 ºC
%
Коэффициент полезного действия при 40/30 ºC
%
Годовой кпд (при 40/30 ºC)
%
Макс. поток конденсата
l/h
Расход природного G20
макс/мин (10,9 кВтч/м3)
m3/h
Расход природного G25 макс/мин (8,34 кВтч/м3)
m3/h
Расход сжиженного G31 макс/мин (12,8 кВт/кг)
kg/h
Давление природного G20
mbar
Давление природного G25
mbar
Давление сжиженном G31
mbar
Максимальное давление газа
mbar
Макc. температура дымовых газов
°C
Температура дымового газа при 80/60 ºC макс./ мин.
°C
Температура дымового газа при 40/30 ºC макс./мин.
°C
Макс./мин. объем дымового газа, высококалорийный
m3/h
Содержание CO2 в природном G20/G25
%
Содержание CO2 в сжиженном G31 макс./мин.
%
Содержание Nox 80/60°C макс./мин
mg/kWh
Содержание CO 80/60°C макс./мин.
mg/kWh
Макс. допустимо
дымовое сопротивление макс./мин.
Pa
Объём воды
l
Давление воды макс./мин.
bar
Максимальная температура воды (высшее значение термостата)
°C
Максимальное установленное значение температуры
°C
Номинальный поток воды при dT=20K
m3/h
Гидравлическое сопротивление при номинальном потоке воды
kPa
Электрическое соединение
V
Частота
Hz
Предохранитель силовой цепи
A
Ном. мощность при 80/60ºC макс/мин
Класс IP
Расход энергии котлом макс./мин. (искл. насос)
W
Потребляемая мощность. Насосы с регулируемым числом
оборотов
W
300
400
500
570
285,7/56,5
303,3/64,2
291,0/58,2
98,2
104,2
110,4
18,5
26,7/5,
3
34,9/7,0
22,7/4,5
381,3/75,2
404,3/85,6
388,0/77,6
98,3
104,2
110,4
24,7
35,6/7,1
46,5/9,3
30,3/6,1
476,7/94,6
505,2/106,9
485,0/97,0
98,3
104,2
110,4
30,7
44,5/8,9
58,2/11,6
37,9/7,6
540,2/120,0
572,8/135,1
550,0/122,2
98,2
104,2
110,3
34,8
50,5/11,2
65,9/14,7
43,0/9,5
20
25
30/50
50
90
75/58
75/59
75/59
76/58
55/30
56/30
56/30
56/30
377/77
502/102
628/128
712/161
10,2/9,4 ±0,2 (Ограничение типа 570 дельта макс./мин. ≥0,8%)
11,9/10,0 ± 0,2
36/18
34/17
37/18
40/19
14/5
14/8
16/5
18/1
160/10
400/10
300/10
400/10
60
63
71
77
8/1
100
90
12,2
16,3
20,3
23,1
11,9
32,3
34,3
57,1
230/400
50
16
IP20
230/50
504/54
620/64
676/61
310/12
470/25
434
70,3
496
77,3
Kg
dB
μA
mm
R1.1/2”
200
Соединение для воздухозаборника (для комнатного
герметичного использования) (DN)
mm
130
Соединение для конденсата (DN)
mm
Вес (без гидравл. принадлежно
стей)
Уровень звуковой мощности (LWA)
Текущая средняя ионизации
Водородный показатель конденсата
Сертификационный код CE
Соединения для подачи воды
Соединение для подачи газа
Соединение для дымовых газов (DN)
590/25
540
77,3
10,0/4,5
3,2
CE - 0063CQ3970
DN65PN16
R1.1/2”
R2"
250
250
130
150
800/38
595
77,3
R2"
250
150
32
11
RU
Технические данные
TRIGON XL (только для итальянского рынка)
Ном. мощность при 80/60ºC макс/мин
Ном. мощность при 40/30ºC макс/мин
Номинальная теплоотдача макс./мин. Hi
Коэффициент полезного действия при 80/60 ºC
Коэффициент полезного действия при 40/30 ºC
Годовой кпд (при 40/30 ºC)
Макс.
оток конденсата
Расход природного G20 макс/мин (10,9 кВтч/м3)
Расход природного G25 макс/мин (8,34 кВтч/м3)
Расход сжиженного G31 макс/мин (12,8 кВт/кг)
Давление природного G20
Давление природного G25
Давление сжиженном G31
Максимальное давление газа
Макc. температура дымовых газов
Температура дымового газа при 80/60 ºC макс./ мин.
Температура дымового газа при 40/30 ºC макс./мин.
Макс./мин. объем дымового газа, высококалорийный
Содержание CO2 в природном G20/G25
Содержание CO2 в сжиженном G31 макс./мин.
Содержание Nox 80/60°C макс./мин
Содержание CO 80/60°C макс./мин.
Макс. допустимое
дымовое сопротивление макс./мин.
Объём воды
Давление воды макс./мин.
Максимальная температура воды (высшее значение термостата)
Максимальное установленное значение температуры
Номинальный поток воды при dT=20K
Гидравлическое сопротивление при номинальном потоке воды
Электрическое соединение
Частота
Предохранитель силовой цепи
kW
kW
kW
%
%
%
l/h
m3/h
m3/h
kg/h
mbar
mbar
mbar
mbar
°C
°C
°C
m3/h
%
%
mg/kWh
mg/kWh
Pa
l
bar
°C
°C
m3/h
kPa
V
Hz
A
Класс IP
Расход энергии котлом макс./мин. (искл. насос)
W
Потребляемая мощность. Насосы с регулируемым числом
оборотов
W
115
350
113,7/31,3
120,8/35,4
115,8/32,2
98,2
104
,3
110,4
7,4
10,6/3,0
13,9/3,9
9,0/2,5
343,0/75,2
363,6/85,6
349,0/77,6
98,3
104,2
110,4
22,2
32,0/7,1
41,8/9,3
27,3/6,1
20
25
30/50
50
90
75/58
75/59
54/30
56/30
150/43
452/102
10,2/9,4 ±0,2 (Ограничение типа 570 дельта макс./мин. ≥0,8%)
11,9/10,0 ± 0,2
38/19
34/17
14/3
14/8
200/10
400/10
26
63
8/1
100
90
4,8
14,6
7,0
26,0
230/400
50
16
IP20
176/48
504/54
190/9
470/25
290
70,3
496
77,3
Kg
dB
μA
mm
R2”
R1.1/2”
150
DN65PN16
R1.1/2”
250
Соединение для воздухозаборника (для комнатного
герметичного использования) (DN)
mm
130
130
Соединение для конденсата (DN)
mm
Вес (без гидравл. принадлежностей)
Уровень звуковой мощности (LWA)
Текущая средняя ионизации
Водородный показатель конденсата
Сертификационный код CE
Соединен
я для подачи воды
Соединение для подачи газа
Соединение для дымовых газов (DN)
*) только для итальянского рынка
12
10,0/4,5
3,2
CE - 0063CQ3970
32
Технические данные
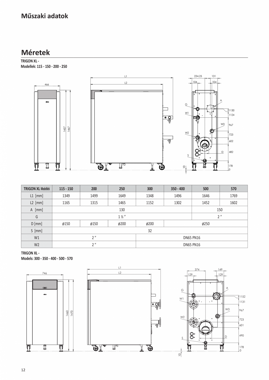
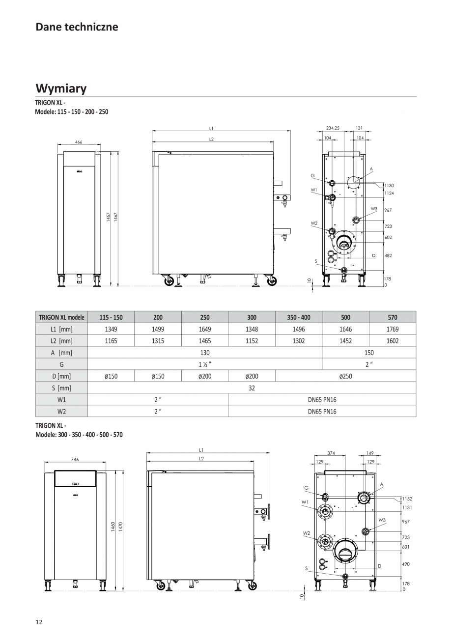
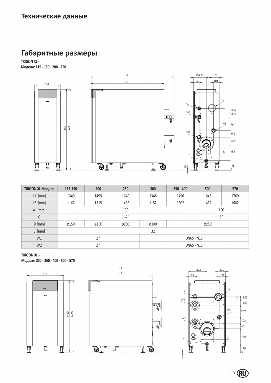
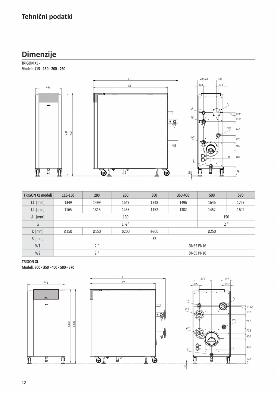
Габаритные размеры
TRIGON XL Модели: 115 - 150 - 200 - 250
234,25
L1
104
L2
466
131
104
A
G
1130
W1
1124
1467
1457
W3
967
W2
723
602
482
D
S
178
0
TRIGON XL Модели
115-150
200
250
300
350 - 400
500
570
L1 [mm]
1349
1499
1649
1348
1496
1646
1769
L2 [mm]
1165
1315
1465
1152
1302
1452
1602
A [mm]
130
G
150
1½”
D [mm]
�150
�150
�200
S [mm]
2“
�200
�250
32
W1
2“
DN65 PN16
W2
2“
DN65 PN16
TRIGON XL Модели: 300 - 350 - 400 - 500 - 570
L1
374
L2
746
129
G
149
129
A
1152
1470
1460
W1
1131
W3
W2
967
723
601
S
490
D
178
0
13
RU
Условия доставки
Условия доставк
Стандартный котел
Вспомогательное оборудование
Стандартный котел
В поставляемый комплект котла
входят следующие компоненты:
Компонент
Шт.
Упаковка
Котел в полной сборке и прошедший испытания
1
Крепится к поддону и запечатывается в
полиэтиленовую пленку
Сифон для соединения конденсата
1
Внутри упаковки котла
Руководство по установке и эксплуатации
1
Схема крепится к задней панели котла
Комплект для переоборудования I3P и I3B/P,
включающий инструкции
1
Внутри упаковки котла
Принадлежности
В дополнение к котлу можно заказать следу
щие принадлежности:
•
•
•
•
•
•
•
•
•
•
•
14
Насос с контролируемой скоростью.
Предохранительный клапан,
манометр и деаэратор (3 и 6
бар).
2 переключателя макс. давления воды и 1 внешнее термореле верхнего предела.
Газовый фильтр с комплектом
для подключения.
Переключатель макс. давления газа.
Внешнее термореле верхнего
предела.
Прибор для обнаружения утечек в газовом клапане.
Арматура для подключения
2-го обратного контура для
раздельных систем.
Байпас (включая насос)
Пластинчатый теплообменник (dT=10/15 K или dT=20 K)
Низкоскоростной колл
ктор,
подходящий для dT=10/15 K и
dT=20 K
•
Двойной коллектор для подключения 2 котлов каскадом.
Модуль расширения AVS75 для
управления зоной обогрева или
внешним газовым клапаном и/
или комнатным вентилятором. В
каждый котел можно встроить до
3 модулей AVS75 (2 для зоны обогрева, 1 для внешнего газового
клапана / комнатного вентилятора).
•
Дополнительный контроллер
для зоны обогрева RVS63 в
случае необходимости контроля более чем двух зон.
Вышеуказанные принадлежности
специально разработаны для котла TRIGON XL и поэтому просты в
установке (технология «по
ключи
и работай»).
Путем выбора комбинации вышеупомянутых наборов вы сможете
создать собственную полноценную систему.
Для получения более подробной
информации обратитесь к своему
поставщику.
Установка
Установка
Транспортировка котла
Транспортировка котла
3
Котел TRIGON XL поставляется
как комплектующий узел в полной сборке и прошедший предварительные испытания. Максимальная ширина составляет 466
мм для моделей 150–250 и 746
мм для моделей 300–570, что позволяет перемещать все модели
через обычные двери в сборке.
Котел можно транспортировать н
поддоне, как на передней, так и
на боковой части.
При необходимости котел можно
разобрать на меньшие части для
облегчения транспортировки в
здание. В таблице, приведенной
ниже, указан вес и размеры основных разобранных частей.
1
2
3
Если котел будет транспортироваться подъемным краном, необходимо снять корпус, прежде чем
подцепить котел к крану. Всегда
проводите строповку котла, крепя
ремни к его раме.
3
Компонент
1
Подъемные тросы
2
Деревянные фиксирующие балки
3
Места крепления подъемных
тросов
115-150
200
250
300
350-400
500
570
Горелка/1-й блок
т
плообменника
Вес [кг]
Длина [мм]
Ширина [мм]
Высота [мм]
90
735
400
321
110
885
400
321
120
1035
400
321
140
735
680
321
160
885
680
321
190
1035
680
321
200
1185
680
321
2-й/3-й блок теплообменника
Вес [кг]
Длина [мм]
Ширина [мм]
Высота [мм]
100
735
400
244
110
885
400
244
120
1035
400
244
160
735
680
244
170
885
680
244
200
1035
680
244
220
1185
680
244
Лоток для конденсата
Длина [мм]
Ширина [мм]
Высота [мм]
589
385
225
739
385
225
889
385
225
589
665
225
739
665
225
889
665
225
1039
665
225
Рама
Длина [мм]
Ширина [мм]
Высота [мм]
990
624
335
1140
624
335
1350
624
335
1100
724
335
1320
724
335
1470
724
335
1620
724
335
15
RU
Установка
Разборка корпуса
Разборка корпуса
Перед транспортировкой котла
разберите корпус
. Разборка корпуса выполняется в нижеописанной последовательности.
2
1
Сборка корпуса проводится в той
же последовательности, но в обратном порядке.
Начните с верха корпуса. Убедитесь, что кабель заземления и
винты установлены на места,
поскольку они обеспечивают безопасность функционирования!
4
3
5
16
6
Установка
Разборка корпуса
7
9
8
17
RU
Установка
Перед установкой котла
Монтаж, первое зажигание, техническое обслуживание и ремонт котла должен выполняться
квалифицированным персоналом в соответствии с национальными нормами по монтаж
у и
требованиями местных органов власти и здравоохранения.
Подготовка к монтажу котла
Перед подключением котла необходимо
выполнить следующие операции:
• Тщательно промыть трубы системы,
чтобы удалить остатки на винтовой
резьбе или после сварки, а также
грязь, которые могут помешать правильной работе котла.
• Удостовериться, что котел настроен
на эксплуатацию с соответствующим
типом газа (прочтите информацию
на этикетке упаковки и табличке данных котла).
• Убедитесь в отсутствии внутри дымохода препятствий и отходов из других
прибор
в за исключением случаев,
когда дымоход предназначен для
использования более чем одним котлом (в соответствии с требованиями
действующего законодательства);
800
450
250
450
18
•
Там, где уже есть подключение к
существующим дымоходам, проверить, чтобы эти дымоходы были абсолютно чистыми и без каких-либо
остатков, поскольку любое отсоединение может затруднить проход газов и создать потенциально опасные
ситуации.
В случаях особенно жесткой воды
на компонентах внутри котла может
образовываться известковый налет,
понижающий общую эффективност
ь
котла.
В случае монтажа котла около стен,
чувствительных к теплу (например,
деревянных), удостовериться в их
защите с помощью подходящей изоляции.
ПРЕДУПРЕЖДЕНИЕ!
Запрещается оставлять возле котла легковоспламеняющиеся предметы. Необходимо удостовериться, что место
монтажа и все системы, к которым присоединяется котел, полностью соответствуют действующему законодательству.
Монтаж котла выполняется с соблюдением минимального расстояния от легковоспламеняющихся материалов. Если в
помещении, где будет установлен котел,
присутствуют п
ль и/или агрессивные
испарения, необходимо обеспечить работу котла, не зависящую от воздуха внутри помещения.
Установка котла
Котел должен быть установлен в
морозостойкой котельной. Если
котельная находится на крыше, то
сам котел ни в коем случае не должен быть наивысшей точкой всей
установки. При установке котла
обратите, пожалуйста, внимание
на минимальные рекомендуемые
промежутки, изображенные на
рисунке ниже. Если при установке котла будет оставлено меньше
свободного места, техническое
обслуживание будет затруднено.
Чтобы оптимизи
овать положение котла в помещении, можно
переставить электроды с правой
стороны котла на левую.
Это также означает, что необходимое пространство, показанное на
рисунке, будет отражено зеркально.
Норма: слева 250 мм / справа
450 мм
Модификация:
слева 450 мм / справа 250 мм
Когда котел окажется в нужном
положении, отрегулируйте ножки
(2) (с поглотителями вибраций) до
правильной высоты так, чтобы котел находился в горизонтальном
положении. Убедитесь, что колеса
не контактируют с полом!
Соединения для подачи воды и
газа следует производить после
з
крепления опор, так как непосредственно они влияют на высоту всех соединений.
•
•
2
Установка
Подключение котла
7
1
4
3
5
6
2
8
Подключение котла
В данной главе будет объясняться,
как сделать все соединения котла
относительно:
• Гидравлического соединения
• Соединения для удаления
конденсата
• Соединения для подачи газа
• Соединения для дымовых газов
• Соединения для воздухозаборника (для герметичного
комнатного использования)
(под крышкой)
• Электрического соединения
Котел следует соединить таким
образом, чтобы система отвеча
ла
всем соответствующим стандартам и положениям (европейским,
национальным и местным). Монтажник несет ответственность за
обеспечение всех стандартов и
положений.
Гидравлическое соединение
Котел следует соединить таким
образом, чтобы обеспечить постоянный проток воды через котел.
Подключите напорные (4) и возвратные (5) соединения котла к
системе без механических напряжений.
Комплектующие со вторым соединением для оборотной воды
делают возможным использование гидравлической системы
с 2 обратными магистралями.
«Нормальное» соединение
ля
оборотной воды предусмотрено
помимо этого для пониженной
температуры воды в обратной магистрали, (дополнительное ) соединение для оборотной воды (6)
предусмотрено для повышенной
температуры воды обратной магистрали. Комплект вспомогательных приборов (дополнительный)
с предохранительным клапаном,
манометром и деаэратором должен быть установлен на соединение для подачи воды (4) котла до
подключения к системе.
Комплект насоса (дополнительный) должен устанавливаться
непосредственно на оборотное
соединение котла (5) до подключения к сист
ме.
Соединение для конденсата
Сифон (входит в комплект
поставки) должен быть установлен в соединение на дне сборника конденсата. Подведите шланг
под раму в задней части котла и
подключите его к дренажной системе котла. Соединение дренажной системы должно выполняться
незамкнутым способом во избежание затопления
котла в случае засорения дренажной канавы.
Соединение для подачи газа
Соединение для подачи газа
должно производиться уполномоченным монтажником в соответствии с применяемыми
национальными стандартами и
положениями. Подключит
е газопровод от системы
к соединению для подачи газа (1)
котла. Газовый кран необходимо
установить непосредственно за
котлом. Газовый фильтр можно
установить непосредственно на
соединении для подачи газа котла.
19
RU
Установка
Система воздухозабора/дымоотвода
Нормативные требования
Нормативные требования к дымоходам в различных странах
сильно различаются. Устройство
дымоходов и дымовой трубы
должно производиться в строгом
соответствии с требованиями действующего законодательства.
Обратите внимание на следующие рекомендации при про
ктировании дымохода.
Должны использоваться только
сертифицированные материалы.
Для надлежащей работы системы удаления дымовых газов она
должна быть правильно спроектирована.
Компоненты системы дымоудаления должны быть съёмными для
проведения обслуживания.
Необходимо учитывать следующие требования к материалам
для систем дымоудаления.
Материалы
Должны использоваться только
термо- и коррозионностойкие,
сертифицированные материалы.
В частности, для системы удаления дымовых газов смотрите таблицу на следующей странице.
Пластмасса
(
олипропилен)*
Нержавеющая
сталь
Температурный класс:
T120
T250
Класс давления
P1
P1
Класс коррозионной
стойкости
W1
W1
* Используйте материалы с классом
пожарной опасности не хуже «E».
Параметры дымовых газов
Тип котла
Номинальная тепловая мощность на
выходе
Номинальная тепловая мощность на
входе
Соединения
дымового
газа
kW
kW
mm
TRIGON
XL
max
min
max
min
115-150
142.3
31.3
145.0
32.2
200
190.4
42.0
194.0
43.1
250
237.6
47.0
242.0
48.4
200
300
285.7
56.5
291.0
58.2
200
350-400
381.3
79.6
388.0
80.5
250
500
476.7
94.6
485.0
97.0
570
540.2 120.0 550.0 122.2
20
Уровень CO
Температура дымовых
газов
Количество
дымовых
газов
Максимально допустимая огнестойкость
%
°C
g/s
Pa
max
max
min
max
min
150
53.7
12.8
200
10
150
71.9
17.1
200
10
89.6
19.2
200
10
107.8
23.0
160
10
143.7
30.7
400
10
250
179.7
38.4
300
10
250
203.7
48.4
484
10
10.2
± 0.2
min
9.4
± 0.2
max
75
±2
min
60
±2
Установка
Подключение воздухозаборника
Соединение для воздухозаборника
можно подключать в случае герметичной установки котла. Крышку (3)
необходимо снять для подключения
трубы забора воздуха внутри котла.
Диаметр следует вычислять, исходя из национальных положений,
наряду с системой для дымовых
газов. Полное сопротивление обеих систем не должно превыша
ть
максимально допустимое сопротивление для вентилятора внутри
котла (также см. главу: Технические
данные).
обратите внимание на следующие
пункты:
• Диаметр системы для дымовых газов следует вычислять,
исходя из национальных положений.
• Устанавливайте настолько короткие системы для дымовых
газов, насколько это возможно (максимальная длина – см.
CTP 22).
• Устанавливайте горизонтальный дымоход с минимальным углом в 3º.
Соединение для дымовых газов
Подключите систему для дымовых
газов к соединению для дымовых
газов (4) котла, используйте
с
истемы для дымовых газов только
с бесшовным соединением.
Необязательно
устанавливать
отдельный конденсатный дренаж
системы для дымовых газов, так
как конденсат будет сливаться
через сифон котла. Пожалуйста,
Подсоединение дымохода
Дымоход не должен контактировать или прокладываться вблизи горючих материалов. Проход
дымохода через стены или перегородки из горючих материалов
должен выполняться в соответствии с требованиями действующих норм.
Котёл оснащён ограничительным
термореле для контроля температуры дымовых газов. Если температ
ура дымовых газов превышает
90°С, горелка гаснет. Благодаря
данной функции дополнительное
(внешнее) устройство защиты не
требуется.
При замене старого котла, как правило, должны заменяться и дымоход и воздуховод.
Дымоход собирается на раструбных соединениях с уплотнениями.
Направление раструба делается
против направления течения конденсата.
3
3
1
4
2
1
Legend:
1.
2.
3.
4.
подключение газа
подключение котла
подключение питания
выпускное отверстие
2
4
TRIGON XL Модели: 115 - 150 - 200 - 250
TRIGON XL Модели: 300 - 350 - 400 - 500 - 570
21
RU
Flue gas system
Установка
Расчёт дымохода
CБази
с для расчёта
Общая длина соединения в помещении
котельной ≤1,5 м, 2 колена 87°
Максимально допустимая эффективная высота
дымовой трубы (h), м
Максимальное
уменьшение длины
Воздух для сжигания газа забирается из помещения
Комбинированный забор воздуха
на горение
22
Ø130
Ø150
Ø200
115-150
50
50
50
200
40
50
50
250
46
50
50
300
22
50
50
350-400
50
50
50
500
50
50
50
570
50
50
50
• колено 90°/87°: - 2,5 метра
• колено 45°/43°: - 1,5 метра
B23
C63
тип котла
Ø250
Ø300
Размеры
При проектировании дымохода
необходимо выполнить проверку расчётов для удостоверения в
том, что выбранная система
рименима.
В следующей таблице показаны
два примера исполнения дымохода, включая максимально возможную длину системы.
Данные примеры дают ориентировочные значения длины дымохода, однако они не могут использоваться вместо официального
проектного расчёта. Дымоходы
должны рассчитываться проектной организацией.
Максимальное разрежение в дымоходе, не оказывающее влияние
на диапазон регулирования (коэффициент модуляции) горелки
— 30 Па.
Большие разрежения приведут к
уменьшению диапазона регулирования.
Максимальная длина горизонтального д
ымохода — не более
20 м. При использовании горизонтальных дымоходов большей
длины беспроблемный розжиг
горелки не гарантируется.
Выброс дымовых газов наружу Воздух, забираемый из
помещения
Подсоединение к отдельно проложенным и испытанным
воздуховоду и дымоходу.
Напольная установка.
Подача воздуха и удаление дымовых газов через наружную
стену Удаление дымовых газов через заизолированный
дымоход или коррозионно-стойкую трубу.
Дымоход (отдельная шахта) в наружной стене
Выход дымохода и воздухозабор воздуховода не должны
располагаться
на противоположных стенах здания.
Установка
Электрические соединения
Электрическое соединение
Электрическое соединение должно производиться уполномоченным монтажником в соответствии
с применяемыми национальными и местными стандартами и
положениями. Для электроснабжения в котельной необходимо
использовать
разъединитель
цепи с контактным окном не менее 3 мм. Данный разъединитель
можно использовать для отключения электроснабжения в целях
технического обслуживания.
Все кабели необходимо проложить через кабельный ввод от
задней ст
ороны котла (1) до электрической панели (2).
Для доступа к электрической панели снимите переднюю панель
корпуса, как показано на странице 16.
Подсоедините все провода к клеммам в соответствии с монтажной
схемой котла (прилагается к таблице, прикрепленной к задней панели котла).
1
Котёл в обязательном порядке должен быть заземлён.
2
1
23
RU
Установка
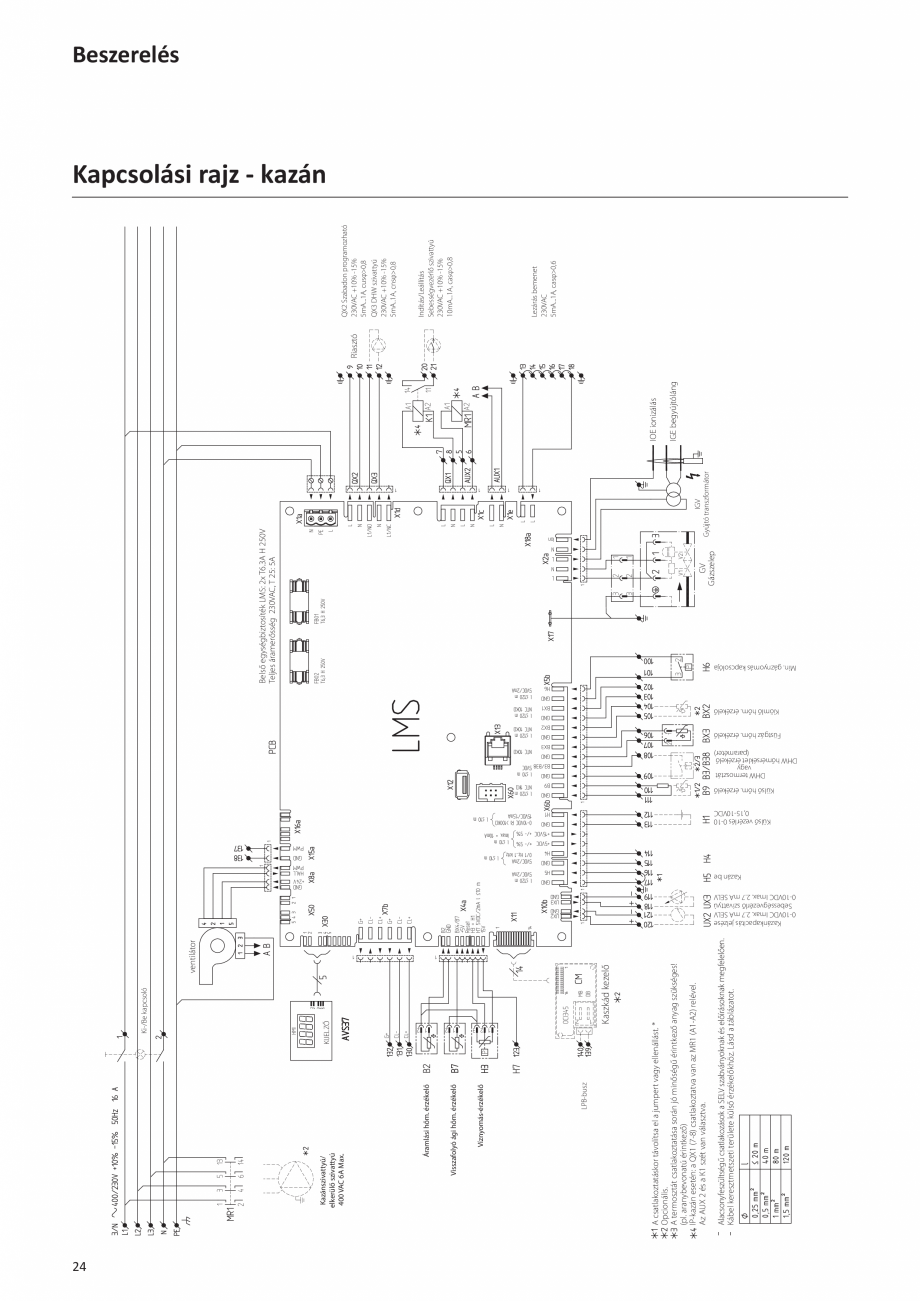
Схема переключений - Котёл
Электрические соединения
соединения
L1 / L2 / L3 /
N / PE
9
10 (Н)
11
12 (Н)
13/14/15/
16/17/18
20
21
102
103 (земля)
104
105 (земля)
108
109 (земля)
110
111 (земля)
112
113 (земля)
114
115 (земля)
116
117 (земля)
118
119 (земля)
120
121
(земля)
130 (CL+)
131 (CL-)
132 (G+)
137
138 (земля)
139 (DB)
140 (MB)
MR1 (реле)
2 T1
4 T2
6 T3
14 N0
X50 (LMS)
24
Описание
Электропитание котла
230 В перем. тока +10% -15%
50 Гц 16 А
QX2 Сигнализация, свободно
программируемая
230 В перем. тока +10% -15%
5 мА...1 A, cos φ>0,8
l ≤ 120 м φ=1,5 мм²
QX3 Насос DHW
230 В перем. тока +10% -15%
5 мА...1 A, cos φ>0,8
l ≤ 120 м φ=1,5 мм²
Вход неполадки
230 В AC
5 мА...1 A, cos φ>0,6
Пуск/стоп
Насос с контролируемой скоростью
230 В перем. тока +10% -15%
10 мА...1 A, cos φ>0,8
BX1, свободно программируемый
l ≤ 120 м NTC 10 KΩ
BX2 Температура коллектора Датчик
l ≤ 120 м NTC 10 KΩ
B3/B38 Термостат DHW / датчик
температуры
(Параметр) l ≤
10 м 5 В пост. тока
В9 Датчик наружной температуры
l ≤ 120 м NTC 1 KΩ
Н1 Внешнее влияние
0,15—10 В пост. тока l ≤ 10 м Ri >100 KΩ
Н4, свободно программируемый
Н5 Котел ВКЛ
l ≤ 120 м 5 В пост. тока / 2 мА
Насос с контролируемой скоростью
0—10 В пост. тока Imax. 2,7 мА SELV
Обозначение мощности котла
0—10 В пост. тока Imax. 2,7 мА SELV
QAA75
Внутрикомнатный модуль
ШИМ насоса
Шина LPB
Насос котла/байпаса
400 В. перем. тока, макс. 6 А
BSB-EM
Блок управления каскада
ДИСПЛЕЙ
Низковольтные контакты в соответствии с требованиями стандартов и
директив по сверхнизковольтному оборудованию (SE
LV).
Поперечное сечение кабелей для наружных датчиков. См. таблицу
При подключении удалите перемычку или резистор. *
Факультативно.
Для подключения термостата требуются высококачественные материалы!
(например, позолоченные контакты)
В случае котла IP: QX1 (7-8) соединен с реле MR1 (A1-A2).
AUX 2 и K1 отсоединены.
Шина LPB
Датчик давления воды
Температура обратной воды, датчик
Температура потока, датчик
Насос котла/
байпаса 400 В.
перем. тока, макс. 6 А
вентилятор
Преобразователь зажигания
GV
Газовый клапан
IGV
Внутренний предохранитель LMS — 2 шт. T6,3A H 250 В
Сумм
рный потребляемый ток при 230 В AC, T 25 — 5 А
Переключатель мин. давления газа
Выключатель
IGE Запальное пламя зажигания
IOE Ионизация
Сигнализация
Вход неполадки
230 В перем. тока
5mA...1A, casφ>0,6
Пуск/стоп
Насос с контролируемой скоростью
230 В перем. тока +10% -15%
10mA...1A, casφ>0,8
QX2 Свободно программируемый
230 В перем. тока +10% -15%
5mA...1A, cusφ>0,8
QX3 DHW pump
230VAC +10% -15%
5mA..1A, cnsφ>0,8
Установка
Схема переключений - Котёл
25
RU
Датчик температуры коллектора
Датчик температуры дымовых газов
Термостат
или
датчик температуры DHW
(параметр)
Датчик наружной температуры
Внешнее вл
яние 0-10
0,15-10VDC
Обозначение мощности котла
0-10VDC Imax. 2.7 mA SELV
Насос с контролируемой скоростью
0-10VDC Imax. 2.7 mA SELV
Котёл ВКЛ
Ввод в эксплуатацию
Ввод в эксплуатацию
Гидравлическая система и система водоснабжения
Ввод в эксплуатацию котла должен производиться только уполномоченным персоналом. Поломка из-за этого условия делает
гарантийные обязательства
недействительными. Необходимо
обязательно заполнить протокол
ввода в эксплуатацию (см. конец
данной главы в качестве примера
заполнения протокола). В этой
главе объясняется ввод в эксплуатацию
отла со стандартным блоком управления. При установке
Качество воды
Система должна наполняться водой со значением PH от 7,0 до 9,5.
Содержание хлора не должно
превышать 50 мг/л.
Следует полностью предотвратить
попадание кислорода при диффузии.
Повреждения теплообменника,
вызванные кислородной диффузией, не подлежат гарантийному
обслуживанию.
В установках с большим объемом
воды необходимо соблюдать следующие требования: максимальный объем заполнения, дополнительные объем и жесткость воды в
контуре должны соответствовать
указанным в стандар
те VDI 2035.
В таблице, представленной, дается показатель отношения качества
воды и максимального объема заполняемой воды в течение срока
службы котла.
Давление воды
Откройте клапаны системы. Проверьте давление воды в системе.
Если давление воды слишком
низкое (см. таблицу ниже), то поднимите давление до минимально
требуемого значения в таблице.
Заполнение может производиться
через наполнительный и спускной
клапан (2) оборотного соединения котла (1).
дополнительного системного контроллера, пожалуйста, посмотрите данное руководство по пуску
э
ого контроллера
Производительность
котла
Макс. сумма щёлочноземельных
металлов
[kW]
[mol/m³]
[°dH]
[°f]
50 - 200
2.0
11.2
20
200 - 600
1.5
8.4
15
Концентрат
Ca(HCO3)2
Ёмкость устройства Q (kW)
115
150
200
250
300
350
400
500
570
mol/
m³
°dH
°f
Макс. (дополнительное) наливаемое
количество воды Vmax [m³]
≤0.5
≤2.8
≤5
-
-
-
-
-
-
-
1.0
5.6
10
-
-
-
-
-
-
-
1.5
8.4
15
3
4
5
6
8
10
12
2.0
11.2
20
3
4
5
6
6.3
7.8
9.4
2.5
14.0
25
1.9
2.5
3.1
3.8
5.0
6.3
7.5
≥3.0
≥16.8
≥30
1.6
2.1
2.6
3.1
4.2
5.2
6.3
Минимальное
рабочее давление
[бар]
Температур
а потока
[ºC]
> 1.0
90
1
2
26
Макс. общая
твёрдость
Гидравлическая система
Проверьте, присоединен
ли котёл
гидравлически к системе таким
образом, что при работе горелки
пропускная способность по воде
защищена в любое время.
Пропускная способность по воде
контролируется dT- измерением
между подачей и обратной магистралью. Слишком низкая пропускная способность приводит
сначала к сокращению мощности,
и, наконец, к повреждению котла.
Ввод в эксплуатацию
Системы нейтрализации
Основные положения
Конденсат, образующийся в котле,
должен удаляться в канализацию.
pH конденсата обычно находится
в пределах 3,0-3,5. Необходимо
проверить, требуется
ли нейтрализации конденсата, сливаемого
в канализационную систему положениями действующих норм.
Максимальное количество конденсата для различных типов котлов можно найти в
главе «Технические характеристики».
Системы нейтрализации
Системы нейтрализации могут
устанавливаться в нижней части
котла.
В объём поставки котла входят
следующие компоненты:
• Гранулированную
ионообменную смолу для первого
заполнения;
• Подсоединительные шланги
для входа и выхода;
• Адаптер для подсоединения
к котлу
Существует два типа систем нейтрализации
:
Стандартная система нейтрализации (DN)
Стандартная система нейтрализации используется там, где подсоединение к канализации находится ниже уровня
подсоединения сифона котла.
DN2
DN3
Подходит для
kW
450
1500
Длина
mm
420
640
Ширина
mm
300
400
Высота
mm
240
240
Тип
Система нейтрализации с насосом (HN)
Система нейтрализации с насосом (HN) используется, если уровень канализации выше уровня подсоединения сифона
котла и для слива конденсат нужно поднимать выше. Встроенный насос системы нейтрализации обеспечит откачку
конденсата.
Тип
HN1.5
HN 2.5
Подходит для
kW
280
540
Длина
mm
410
640
Ширина
mm
300
400
Высота
mm
290
240
Потребляемая
мощность
насоса
W
40
150
Напор насоса
m
6
3
27
RU
Ввод в эксплуатацию
Газоснабжение
Соединение для конденсата
Соединения для воздухозаборника и дымохода
1
Газоснабжение
Проверьте соединения газоснабжения к котлу на герметичность.
При обнаружении утечки ликвидируйте прорыв перед пуском
котла! Удалите воздух между газовым вентилем и газопроводом.
Это можно сделать в контрольной
точке (1) переключателем давления газа. Не забудьте закрыть
контрольную точку после этого!
Проверь
те в местной газовой
компании тип и содержание газа,
чтобы узнать на каком типе газа
будет работать котел. Прочтите
инструкцию к комплекту для переоборудования, если котел будет использовать природный или
сжиженный газ.
Соединение для конденсата
Заполните сифон водой, как показано на рисунках.
Во избежание выхода дымовых
газов через лоток для конденсата и сифон, перед запуском котла
проверьте соединения и убедитесь, что сифон заполнен, а крышка лотка для конденсата закрыта!
N
28
Соединения для воздухозаборника и дымохода
Проверьте, устан
влены ли соединения для воздухозаборника и
дымохода в соответствии с национальными и местными положениями. Установки, которые не соответствуют положениям, к запуску
не допускаются.
Убедитесь, что все соединения не
заблокированы.
Размеры соединений для воздухозаборника и дымохода нельзя
уменьшить.
Ввод в эксплуатацию
Подготовка котла для первого запуска
Описание:
A
B
C
D
E
F
G
H
I
L
M
Вкл/выключение
Возврат (ESC)
Регулировка температуры в
помещении
Подтвердить (OK)
Ручное управление
Режим «трубочист»
Информационный режим
Кнопка сброса
Режим рег
лирования
отопительных контуров
Дисплей
Режим приготовления ГВС
(«летний режим»)
b
c
M
L
0
4
ESC
6
-
12
16 20
+
Заполнение водяного контура
Порядок заполнения контура:
• Откройте кран подачи холодной воды.
• Медленно откройте кран под
котлом.
• Начиная с самой нижней точки системы отопления открывайте воздуховыпускные клапаны на батареях системы и
закрывайте их после того, как
пойдёт чистая, без пузырьков
воздуха, вода.
• Закройте кран под котлом после того, как давление к контуре достигнет минимум 1,5
бара.
G
24
A
OK
H
B
C
Порядок подготовки сис
емы.
Для обеспечения надлежащей и
безопасной работы котёл должен
быть подготовлен к работе квалифицированным специалистом,
обладающим необходимыми по
действующим нормам знаниями
и навыками.
Электроснабжение
Убедитесь в том, что параметры
электрической сети соответствуют
указанным на паспортной табличке
котла.
• Убедитесь в том, что котёл
заземлён надлежащим образом.
I
D
E
F
Подготовка к первому запуску
котла
• Откройте газовый кран
• Подключите электропитание
• Включите котел нажатием
кнопки «Вкл/выкл» (A)
• Убедитесь, что котел н
ходится в режиме ожидания
• Убедитесь, что котловой насос
работает в нужном направлении
• Удалите воздух из рабочей части насоса.
Рекомендуется установить мощность котла на 50% при первом
пуске для того, чтобы проверить
(отрегулировать) горение. Данная
процедура выполняется следующим образом:
• Нажмите и удерживайте
кнопку I более 3 секунд, котел
выйдет в режим остановки
контроллера
• Нажмите кнопку G, на экране
появится информация об актуальной нагрузке (%) с которой котел работает на данный
момент
• Выберите «set up» («настройка») (выполня
ется нажатием
кнопки ОК), теперь котел может быть отрегулирован с помощью ротационной ручки
управления С, поверните ее
до показателя 50% и подтвердите свой выбор нажатием
кнопки ОК.
После проверки горения (см. описание в следующей главе), выйдите из режима остановки контроллера путем нажатия и удержания
более 3 секунд кнопки I.
b
A
Подача газа
Действуйте, как описано далее:
• Убедитесь в том тип газа соответствует данным на паспортной табличке котла.
• Откройте все окна и двери.
• Убедитесь в том, что в помещении отсутствуют источники
искр и о
ткрытого пламени.
• Убедитесь в отсутствии утечек
газа.
29
RU
Ввод в эксплуатацию
Анализ продуктов сгорания
Проверка горения при полной
нагрузке
Включите режим остановки контроллера и установите мощность
котла на 50%. Котел будет работать с 50% нагрузкой. Дайте котлу
поработать в течение 3 минут для
стабилизации горения. Затем начинайте повышать мощность ступенчато вплоть до 100%.
Во время увеличения нагрузки
проверьте давление газа на входном отверстии газового вентиля:
давление газа никогда не должно
быть меньше минимально требуемого зна
ения см. технические
данные. При подключении (дополнительного) переключателя
минимального давления газа его
необходимо установить на 75%
требуемого давления газа.
Проверьте настройки камеры сгорания в контрольной точке соединения с вытяжной трубой (1).
При необходимости отрегулируйте настройки с помощью маленького регулировочного винта (2)
под колпачком (3) наверху газового клапана.
Настройки камеры сгорания
для природного газа G20 / G25
CO2 max.
G20 / G25
%
10,2 ± 0.2
Настройки камеры сгорания
для природного газа G20 / G25
CO2 min.
G20 / G25
%
9,4± 0.2
Настройки каме
ры сгорания
для G31 (I3P)*
CO2 max.
G31 (I3P)
%
11,9± 0.2
Настройки камеры сгорания
для G31 (I3P)*
CO2 min.
G31 (I3P)
%
10,0± 0.2
Настройки камеры сгорания
для G30 / G31 (I3B/P)*
CO2 max.
G30 (I3B/P)
%
12,7± 0.2
CO2 max.
G31 (I3B/P)
%
10,9± 0.2
Настройки камеры сгорания
для G30/G31 (I3B/P)*
CO2 min.
G30 (I3B/P)
%
11,9± 0.2
CO2 min.
G31 (I3B/P)
%
10,0± 0.2
* Используйте комплект для
переоборудования I3P и I3B/P
1
3
Проверка горения при минимальной нагрузке
Переключите котел в режим минимальной мощности (0%).
Проверьте настройки камеры сгорания таким же образом, как описано при полной нагрузке. При
необходимости
отрегулируйте
настройки с п
мощью большого
регулировочного винта наверху
газового клапана (4).
Проверка горения при 50 % нагрузке
Дополнительная
контрольная
проверка горения при 50 % нагрузке рекомендуется для того, чтобы
проверить установку газового
вентиля с нормальными параметрами. Содержание CO2 должно
варьироваться между полной и
минимальной нагрузкой.
Содержание CO должно быть равным при полной и минимальной
нагрузке. Убедитесь, что котел работает в автоматическом режиме
и режим остановки контроллера
отключен после настройки горения.
2
4
30
Ввод в эксплуатацию
П
роверка газового клапана
Проверка потока воды
Газовый клапан
В зависимости от длины системы
дымохода может возникнуть тяга
или резонанс. Эта тяга может отрицательно сказаться на воспламенении и устойчивости горения.
Для снижения влияния тяги или
устранения резонанса можно отрегулировать положение газового
клапана. Для этого предусмотрены 10 положений. Выполните ряд
испытаний с различными положениями газовых клапанов, чтобы
установить оптимальное положение для всей установки.
Проверка потока воды
Поток воды в котле можно проверить дв
мя разными способами.
Измерение ΔT
Проверьте разницу температур в
котле (ΔT поток – оборотная) при
работе со 100 % нагрузкой. Номинальное значение ΔT=20K, но оно
может колебаться в пределах 10K
и 30K для безопасной работы котла. Показатель действительного
уровня потока можно вычислить
следующим образом (см. таблицу
для номинальных данных, предложенную ниже):
qдействительное = (ΔTноминальное / ΔTзамеренная) * qноминальное [м3/ч]
Измерение Δp
Проверьте разницу давления в
котле (Δp поток – оборотная) при
работе насоса (включение горелки не требуется). Номин
льное Δp
для каждой модели можно найти в таблице ниже, действительное 1.0*Δpноминальное ≤ ΔP ≤
4.0*Δpноминальное. Показатель
действительного уровня потока
можно вычислить следующим
образом (см. таблицу для номинальных данных, предложенную
ниже):
qдействительное = √(Δpзамеренная / Δpноминальное) * qноминальное [м3/ч]
Данные по потоку воды
Номинальная скорость потока
TRIGON XL
[m /h]
3
ΔT при номинальной скорости потока
[°C]
Δp при номинальной скорости потока
[kPa]
115-150
200
250
300
350-400
500
570
6.1
8.1
10.1
12.2
16.3
20.4
23.1
32.3
34.3
57.1
20
11.2
26.8
31.2
11.9
31
RU
Ввод в эксплуатаци
ю
Проверка пригодности к работе приборов безопасности
Проверка пригодности к работе
приборов безопасности
Все приборы безопасности должны быть проверены на предмет
нормальной работы. К предохранительным приспособлениям на
стандартном котле относятся: датчик температуры подачи, сенсор
температуры выхлопных газов,
выключатель минимального давления газа и электрод ионизации.
Эти приборы могут быть проверены описанными ниже способами.
1
4
2
Датчик температуры воды (1)
Отсоедините штепсель от датчика,
когда котел включен. Это должно
прив
сти к блокировке № 20. Блокировка прекратится, как только
будет вставлен штепсель обратно;
котел снова начнет работу.
Датчик температуры обратной
линии (2)
Отсоедините штепсель от датчика,
когда котел включен. Это должно
привести к блокировке № 40.
Блокировка прекратится, как
только будет вставлен штепсель
обратно; котел снова начнет
работу.
Датчик температуры отходящих
газов (3)
Отсоедините провод от датчика
при включенном котле. Должен
появиться сигнал об аварии № 28.
Котел выйдет из аварии как только
контакт будет восстановлен и
перезапуст
тся.
Ионизирующий электрод (4)
Отсоедините электрическое соединение ионизирующего электрода во время работы котла, произойдет блокировка 128. Котел
попытается возобновить работу.
При отсутствии электрического
соединения возобновление работы приведет к блокировке 133.
Если восстановить соединение, то
возобновление работы пройдет
успешно.
32
2
1
3
4
Измерить ионизирующий поток
можно при подключении мультиметра (настроенного на μA)
между ионизирующим электродом и его электрическим соединением.
Ток ионизации при нормальных
условиях будет 4,4—
10,6 мкА.
Минимальный ток ионизации:
• 1.51 μA (Type 150/200/300)
• 2.5 μA (Type 250)
• 3.2 μA (Type 400/500/570)
Ввод в эксплуатацию
Проверка газонепроницаемости
Выключение котла
Проверка газонепроницаемости
Проверьте все герметичные соединения на газопроницаемость
при помощи мыльных и электронных анализаторов,
например:
• контрольные точки (6);
• болтовые соединения;
• прокладки смесительных систем и т. д.
Выключение котла
Если котел не будет использоваться
длительное время, выключите его,
выполнив следующие процедуры:
• Переключите
котел
в
резервный режим
;
• Выключите
котел
переключателем вкл/выкл (7)
• Остановите энергоснабжение
котла
отключением
разъединителя
цепи
в
котельной.
• Перекройте подачу газа к
котлу
6
b
7
33
RU
Ввод в эксплуатацию
Протокол ввода в эксплуатацию
Протокол ввода в эксплуатацию TRIGON XL
Проект
Модель котла
Проект
Серийный номер
Адрес
Год
Город
Номинальная нагрузка (макс.)
[кВт]
Дата
Номинальная мощность (макс.) [кВт]
Инженер
Система
Давление воды
[бар]
Показатель PH воды
[-]
Жёсткость воды
[dºГн]
Содержание хлора
[мг/л]
ΔT воды при полной нагрузке
[º
C]
Δpкотла воды
[кПа]
Поток воды
Настройка насоса
[м3/ч]
□
□
□
□
□
□
□
□
Крыша
Первый этаж
Установка:
Подвал
Другое: .........................
Коллектор низкой скорости
Металлопокрытый теплообменник
Гидравлика:
Обводной котел
[-]
Другое: .........................
Приборы безопасности
Предельные настройки
[ºC]
Проверенный датчик потока
Ограничительные настройки температуры
[ºC]
Проверенный газовый датчик
Мин. настройки переключателя давления газа
[мбар]
Время зажигания горелки
[сек]
□
□
Анализ продуктов сгорания
Нагрузка 100 %
Нагрузка 5
0 %
Мин. нагрузка
Расход газа
[м3/ч]
[м3/ч]
[м3/ч]
Давление газа
[мбар]
[мбар]
[мбар]
CO2
[%]
[%]
[%]
O2
[%]
[%]
[%]
CO
[долей млн]
[долей млн]
[долей млн]
NOx
[долей млн]
[долей млн]
[долей млн]
Tатмосферы
[ºC]
[ºC]
[ºC]
Тдыма
[ºC]
[ºC]
[ºC]
Tпотока воды
[ºC]
[ºC]
[ºC]
Tоборотной воды
[ºC]
[ºC]
[ºC]
Поток ионизации
[μA]
[μA]
[μA]
pвентилятора
[мбар]
[мбар]
[мбар]
pверхней панели
[мбар]
[мбар]
[мбар]
Pкамера сгорания
[мбар]
[мбар]
[мбар]
Для заметок
34
Управление котлом
Управление котлом
Настройка контроллера
индекс:
A
B
C
D
E
F
G
H
I
L
M
Вкл/выключение
Возврат (ESC)
Регулировка темпер
туры в
помещении
Подтвердить (OK)
Ручное управление
Режим «трубочист»
Информационный режим
Кнопка сброса
Режим регулирования
отопительных контуров
Дисплей
Режим приготовления ГВС
Режим приготовления ГВС (M)
(«летний режим»)(М)
Для переключения в «летний режим» (индикация на дисплее под
значком ГВС)
Режим регулирования отопительных контуров (I)
Возможна установка 4 отопительных программ:
• Автоматическая (часы): автоматическое управление по
временным интервалам
• Режим комфорт (солнце):
24/7 отопление в комфортном режиме
• Ночной режим (лу
а): 24/7
отопление в экономичном режиме
• Режим ожидания: отопление
выключено, включен режим
антизамерзания.
Дисплей (L)
Информационный режим (G)
Режим просмотра установленных
параметров без возможности их
изменения: температуры, режим
отопления/ГВС, коды ошибок.
Регулировка температуры в
помещении (С)
Для изменения комнатной температуры
Для изменения установок при
программировании
b
c
M
I
L
0
4
ESC
6
-
12
16 20
+
G
24
A
OK
H
B
C
D
E
F
Подтверждение (ОК) (D)
Возврат (ESC) (В)
Эти кнопки используются в
комбинации с ротационной ручкой управления (С). Нажатием
кн
опки ESC можно вернуться на
предыдущий уровень настройки,
изменения не будут записаны.
Нажатием кнопки ОК можно подняться на следующий уровень
или подтвердить измененные настройки.
Удаление воздуха (Е)
При нажатии и удержании кнопки
ручного управления в течение более 3 секунд начнется автоматическое удаление воздуха из котла.
По время работы этого режима
система находится в режиме ожидания. Насосы будут включаться и
выключаться несколько раз. После окончания режима удаления
воздуха котел вернется в исходный режим.
Ручной режим (Е)
Данный
ежим необходим для
перехода в ручное управление
котлов. В ручном режиме все насосы будут работать и смесительные клапана открыты, уставка на
горелке 60 С (горит символ «гаечный ключ»).
Режим «трубочист» (F)
Используется для анализа горения.
Повторное нажатие данной кнопки приведет к отключению этого
режима или он выключится сам
по истечении 15 минут.
Вкл/выключение (А)
Позиция 0:
Котел и присоединенное
оборудование обесточено.
Режим антизамерзания не активен.
Кнопка сброса (H)
Короткое нажатие кнопки приведет к сбросу аварии и перезапуску.
По
иция I:
Котел и присоединенное
оборудование под напряжением,
активирован режим ожидания.
35
RU
Управление котлом
Управление котлом
Дисплей/Программировние
Дисплей/Программировние
Выбор «летнего» режима
b
c
0
4
6
ESC
Выход из меню
-
12
16 20
+
24
OK
Quit Сброс
menu
Reset
Выбор
(поверните влево/вправо)
Select
(turn
left/right)
(Rotate
left/right)
DHW mode selection
Выбор режима отопления
(Включается режим остановки
контроллера при нажатии более
Heating
чемoperation
на 3 сек)mode selection
(Controller
Stopp mode when
Дисплей
pressing > 3 sec.)
Инфо кнопка
Display
Info button
Подтверждение
Ручной режим
Confirm
(Включается режим у
аления
Manual
mode при нажатии более
воздуха
(Deaeration
чем на mode
3 сек)when pressing
> 3 sec.)
Режим «трубочист»
Chimney sweeper mode
Отопление установлено в комфортный
режим
Heating to comfort setpoint
Отопление установлено в ночной режим
Info level activated
Отопление установлено в режим
Heating to reduced setpoint
антизамерзания
Programming activated
Выполняется программа – подождите,
Heating for
frost protection
работает
функция
ECO setpoint
Heating
Работает
горелка
для газовых и
temporarily
switched(только
off
жидкотопливных котлов)
Process running – please weit ECO
Сообщение
об ошибке
function active
Burner operating
Активирован
режим ИНФО
(only oil / gas boiler)
Котел на
ходится в режиме
программирования.
Отопление отключено.
Error messages
режим ECO
Info level activated
INFOАктивирован
Programmingрежим
activatedВыходные
PROGАктивирован
Heating temporarily switched off
Programming
по отопительным контурам
ECO function active
ECO Информация
Управление/сервисные
функции
Holiday function active
Default mode
(buttons)
Номер
параметра
Reference
to heating circuit
Maintenance / special operation
Parameter number
No.
Программирование
-
2636
Press OK (1x)
Режим по умлочанию
Enduser
(кнопки)
Press OK (1x)
Press INFO (4 sec.)
Commissioning
Нажать ОК (1х) Expert
Нажать
Нажать ОК (1х)- choose menu
- choose user ИНФО
level (4 сек)
- confirm with OK button
- confirm with OK button
- choose parameter
- специалис
choose menu
Пользователь
Сервисны
- confirm with OK button
- confirm with OK button
выбор меню
выбор уровня
- change value
+ -подтвердить
with wheel кнопкой ОК- choose parameter
подтвердить кнопкой
ОК
gewünschtes Menü
- button
gewünschte Benutzer-Ebene
auswählen
- confirm with- OK
- confirm
with OK button
выбор параметра auswählen
выбор
меню
mit Taste
OK bestätigen
подтвердить кнопкой
- - menu
подтвердить
кнопкой
ОК
- return to main
with
ESC
change
value
+ - with wheel
mitОК
Taste OK bestätigen
gewünschtes Menü auswählen
изменение уставки
+- сTaste
помощью
- - выбор
параметра
button
mit
ESC zurück
mit Taste
OK bestätigen- confirm with OK button
ротационной ручкиzur Grundanzeige
- - подтвердить
кнопкой
mit Taste ESC
zurückОК
zur
- Grunda
nzeige
return to main menu with ESC
подтвердить кнопкой ОК
изменение уставки +- с помощью
button
возврат в основное меню кнопкой ESC
ротационной ручки
-
подтвердить кнопкой ОК
возврат в основное меню кнопкой ESC
Управление котлом
= подтверждение
Описание основных функций
действие
кнопка
Auto
F
C
описание
= отмена, возврат к
основному меню
Дисплей/функция
Установить
температуру
в помещении
Зона 1 и Зона 2 Поверните
ручку влево/вправо
Установите требуемое
значение. Подтвердите
кнопкой ОК или
подождите 5 сек или
Отмените кнопкой
Мигает установленная температур
Мигает изменяемая температура. С шагом 0,5 градуса
можно
установить температуру в рамках от 10 до 30 градусов.
Установка сохранена
Установка отменена
– после 3 сек. Возврат в основное меню
Установить температуру
в помещении зоны 1 или
зоны 2
Зона 2 независима от
Зоны 1 Поверните ручку
влево/вправо Установите
требуемое значение
Подтвердите кнопкой
ОК или подождите 5 сек
или Отмените кнопкой
Выбор отопительной зоны
Зона выбрана
Мигает изменяемая температура. С шагом 0,5 градуса
можно
установить температуру в рамках от 10 до 30 градусов.
Установка
охранена
Установка отменена
– после 3 сек. Возврат в основное меню
Вкл/выкл «летнего
режима»
Нажмите кнопку
Вкл/выкл «летнего режима»
(см. Индикацию под символом ГВС)
ВКЛ: летний режим включен
ВЫКЛ: летний режим отключен.
Активированы защитные функции
Смена отопительных
режимов
Заводская установка
Автоматический режим: Отопление в соответствии с
временной программой – Температура установлена в
соответствии с программой – Защитные функции
активированы – Переключение зима/лето в автоматическом
режиме – Функция ECO активирована (см. и
дикацию)
Нажать кнопку 1x
Комфортный режим: - Отопление в соответствии с заданной
температурой без временной программы – защитные функции
активированы
Нажать кнопку 1x еще раз
Ночной режим: - Отопление с пониженной температурой без
временной программы Защитные функции активированы –
Переключение зима/лето в автоматическом режиме – Функция
ECO активирована
Нажать кнопку 1x еще раз
Безопасный режим: Отопление отключено – Активирована
функция антизамерзания – Защитные функции активированы
Режим остановки
контроллера
Нажать кнопку > 3 с
ек.
Нажать кнопку > 3 сек. снова
304: Режим остановки контроллера Введите значение
после 3 сек. Появится основное меню
Информационный
режим
Нажать кнопку 1x
Нажать кнопку 1x еще раз
Нажать кнопку 1x еще раз
...
INFO режим активирован - Состояние котла – Температура в
помещении – минимальная температура в помещении
– Состояние ГВС – максимальная температура в помещении
– Состояние зоны 1 – наружная температура
– состояние зоны 2 – минимальная наружная температура
– максимальная наружная температура – Вермя / Дата
– Температура ГВС 1 – Сообщения
об ошибках
– Температура котла – Сообщение о ремонте
– Температура подачи (в зависимости от конфигурации
дисплея) Возврат в основное меню; выход из INFO режима
i
Нажать кнопку 1x
37
RU
Управление котлом
Описание основных функций
Работа в ручном режиме
Изменить
установленную
температуру по
умлочани
Нажать кнопку 1x
Нажать кнопку
Нажать кнопку
Повернуть ручку -/+
Нажать кнопку
Нажать кнопку
Ручной режим активирован (значок «гаечный ключ») –
Отопление по выставленной температуре
(по умолчанию = 60 °C)
301: Ручной режим изменить температуру Значе
ие
температуры мигает задайте значение
Нажать кнопку
Состояние котла Ручной режим отключен (значок «гаечный
ключ» пропадает)
Режим удаления
воздуха
Нажать кнопку > 3 сек.
Нажать кнопку > 3 сек. снова
312: Удаление воздуха вкл
Удаление воздуха выкл
Режим трубочист
Нажать кнопку > 3 сек.
Нажать кнопку > 3 сек. снова
Режим трубочист вкл.
Режим трубочист выкл.
Переключение между
режимами
КОМФОРТНЫЙ/
НОЧНОЙ
Нажать кнопку
Нажать кнопку снова
Отопление с пониженной температурой
Отопление с комфортной температурой
Кнопка сброс
Нажать кнопку > 3 с
к.
Нажать кнопку > 3 сек. снова
Котел блокируется, без перезапуска
Котел перезапускается, Сигнал об аварии пропадает
j
C
= подтверждение
= отмена, возврат к
основному меню
38
Техническое обслуживание
Техническое обслуживание
Поверочный лист
Замена электродов
Техническое обслуживание котла должно производиться только
уполномоченным персоналом.
С целью обеспечения нормальной
и безопасной работы котла его
следует осматривать, по крайней мере, раз в год. Необходимо
обязательно заполнить протокол
технического обслуживания (см.
конец данно
главы в качестве
примера заполнения протокола).
Поверочный лист
Необходимо произвести следующие действия, смотрите данный
параграф для детального описания основной деятельности:
•
•
•
Замените электроды зажигания и ионизации;
Очистите сборник конденсата;
Очистите и повторно наполните сифон;
2
•
•
•
•
•
•
•
•
•
Осмотрите камеру сгорания,
очистите при необходимости
(только со сжатым воздухом
и/или пылевым вентилятором)
Проверьте давление воды в
системе;
Проверьте качество воды в
системе, наряду с поставляемой водой;
Проверьт
е скорость потока в
котле;
Проверьте/исправьте значения горения при полной и минимальной нагрузках с помощью анализатора топливных
газов;
Проверьте давление газа в
котле;
Проверьте все герметичные
соединения и контрольные
точки на газопроницаемость;
Проверьте пригодность к работе всех приборов безопасности;
Заполните протокол технического обслуживания.
1
Замена электродов
Электроды расположены на право
стороне котла. Замените электрод
розжига (1) и ионизационный
электрод (2) как показано на
картинке.
39
RU
Техническое обслуживание
Очи
тка сборника конденсата
Очистка и повторное заполнение сифона
Очистка сборника конденсата
• Снимите крышку на лотке для
конденсата (1).
• очистите лоток;
• Закройте
лоток
для
конденсата.
1
Чистка и заполнение сифона
• Снимите сифон (3) с соединения
для дренажа конденсата (2).
• Очистите и заполните чистой
водой.
• Установите сифон в исходное
положение.
2
3
40
Техническое обслуживание
Чистка грязеуловителя
Контроль камеры сгорания
Чистка грязеуловителя
• Снимите сифон с соединения
для дренажа конденсата.
• Снимите крышку (5) с
грязеул
вителя на нижней
стороне сифона (4);
• Промойте
достаточным
количеством чистой воды.
• Закройте
крышку
грязеуловителя.
• Присоедините
сифон
к
соединению для дренажа
конденсата.
4
5
Контроль камеры сгорания
Смотровое стекло (6) находится на
левой стороне котла.
• Перепроверьте камеру сгорания посредством контроля
через смотровое стекло.
6
41
RU
Техническое обслуживание
Проверка физико-химических свойств воды
Качество газа и воды
Защитные устройстваs
Проверка
физикохимических
свойств
воды
После
нескольких
недель
эксплуатации котла про
верьте
основные
физико-химические
свойства воды. параметры:
pH
Жёсткость:
Электропроводность
7 - 9.5
< 20 °fH
<150 µS/cm
Хлориды:
<50 mg/l
Сульфиды
<50 mg/l
Нитриды
<50 mg/l
Железо
<0.5 mg/l
Если фактические параметры
воды выше указанных, необходимо установить систему очистки
или умягчения.
Давление и качество воды
Проверьте, соответствует ли требованиям давление и качество
воды. Просмотрите главу “Ввод в
эксплуатацию: Гидравлическая система и система водоснабжения”
для более подробной информации.
Скорость потока воды
Проверьте, соответствует ли скорость
потока в котле установленным ограничениям. Просмотрите
главу “Ввод в эксплуатацию: Проверка потока воды” для более
подробной информации.
42
Анализ продуктов сгорания
Проверьте камеру сгорания при
полной и минимальной нагрузке,
исправьте настройки при необходимости. Рекомендуется дополнительная контрольная проверка
при 50 % нагрузке. Просмотрите
главу “Ввод в эксплуатацию: Анализ продуктов сгорания” для более подробной информации.
Давление газа
Проверьте динамическое давление газоснабжения к котлу при
работе котла с полной нагрузко
.
В случае каскадного подключения
все котлы должны работать при
полной нагрузке. Смотрите технические данные для необходимых
значений.
Проверка газонепроницаемости
Проверьте все герметичные соединения на газопроницаемость
при помощи мыльных и электронных анализаторов, например:
Контрольные точки; Болтовые соединители; Прокладки преобразующих систем и т.д..
Приборы безопасности
Проверьте пригодность к работе всех подключенных приборов
безопасности. Просмотрите главу
“Ввод в эксплуатацию: Проверка
пригодности к работе приборов
безоп
асности” для более подробной информации.
Техническое обслуживание
Протокол технического обслуживания
Протокол технического обслуживания TRIGON XL
Проект
Модель котла
Проект
Серийный номер
Адрес
Год
Город
Номинальная нагрузка (макс.)
[кВт]
Дата
Номинальная мощность (макс.) [кВт]
Инженер
Система
Давление воды
[бар]
Показатель PH воды
[-]
Жёсткость воды
[dºГн]
Содержание хлора
[мг/л]
ΔT воды при полной нагрузке
[ºC]
Δpкотла воды
[кПа]
Поток воды
Настройка насоса
[м3/ч]
[-]
Приборы безопасности
Предельные настройки
[ºC]
Проверенный датчик потока
Ограничительные настройки температуры
[ºC]
Проверенный газовый датчик
Мин. настройки переключателя давления газа
[мбар]
Время зажигания горелки
[сек]
□
□
Анализ продуктов сгорания
Нагрузка 100 %
Нагрузка 50 %
Мин. нагрузка
Расход газа
[м3/ч]
[м3/ч]
[м3/ч]
Давление газа
[мбар]
[мбар]
[мбар]
CO2
[%]
[%]
[%]
O2
[%]
[%]
[%]
CO
[долей млн]
[долей млн]
[долей млн]
NOx
[долей млн]
[долей млн]
[долей млн]
Tатмосферы
[ºC]
[ºC]
[ºC]
Тдыма
[ºC]
[ºC]
[ºC]
Tпотока воды
[ºC]
[ºC]
[ºC]
Tоборотной воды
[ºC]
[ºC]
[ºC]
Поток ионизации
[μA]
[μA]
[μA]
pве
нтилятора
[мбар]
[мбар]
[мбар]
pверхней панели
[мбар]
[мбар]
[мбар]
Pкамера сгорания
[мбар]
[мбар]
[мбар]
Для заметок
43
RU
Неполадки
Неполадки
uts
При появлении неполадки на дисКОД
ОПИСАНИЕ НЕПОЛАДКИ
ПРИЧИНА
плее появится предупредительckout, a warning
a flashing error
ныйsymbol
знак ( ) and
и мигающий
код code appears on the display. The cause of a fault should first
наружной температуры
d and eliminated
before Перед
the boiler
is beingнеполадreset. The table below shows all possible lockouts withНеполадка
indicationдатчика
of
ошибки.
сбросом
Неполадка датчика наружной (B9) (комнатная модель, защита от размоe.
10
ки котла необходимо выявит
ь и
температуры
раживания системы, неверные показания
датчика)
устранить её причину. В таблице
ниже приведены возможные неКороткое замыкание датчика протока воды
(B2)
поладки
и их причины.
Error
Description
of error
Неполадка датчика 1 котла
20
code
0
10
20
26
28
30
32
38
40
46
47
50
52
54
57
60
65
70
71
72
73
74
82
83
84
85
91
98
99
100
102
103
105
109
110
111
119
121
122
125
126
127
128
129
130
131
132
133
No error
Outside temperature sensor error
26
Boiler temperature 1 sensor error
Common flow temperature sensor error
Flue gas temperature sensor error
28
Flow temperature 1 sensor error
Flow temperature 2 sensor error
Flow temperature primary controller sensor error
Return temperature 1 sensor error
40
Return temperature cascade sensor error
Common return temperature sensor error
DHW temperature 1 sensor erro
r
50
DHW temperature 2 sensor error
DHW primary controller sensor error
52
DHW circulation temperature sensor error
Room temperature 1 sensor error
78
Room temperature 2 sensor error
Buffer storage tank temperature 1 sensor error
Buffer storage tank temperature 2 sensor81
error
Buffer storage tank temperature 3 sensor error
82
Collector temperature 1 sensor error
Collector temperature 2 sensor error
83
LPB address collision
BSB wire short-circuit
84
BSB address collision
85
BSB RF communication error
EEPROM error lockout information
91
Extension module 1 error (collective error)
Extension module 2 error (collective error)100
2 clocktime masters (LPB)
Clocktime master without reserve (LPB)
105
Communication error
Maintenance message
Boiler temperature supervision
STB lockout
TW cutout
110
Safety thermostat on burner door interrupted
Flow temperature 1 (HC1) supervision
Flow temperature 2 (HC2) supervision
Pump supervision error
DHW charging supervision
Legionella temperature not reached
111
Loss of flame during operation
Fan error or LP error
119
Flue gas temperature limit exceeded
Burner fault
128
GP or LP error
No flame during safety time
130
44
Обрыв датчика протока воды в котле (B2)
датчика температуры воды (B10)
Неполадка датчика температу- Неполадка
(датчик
отсутствует,
неверно настроен, нары воды
строен ведомым и т.п.)
Обрыв датчика температуры дымовых газов
Неполадка датчика температуКороткое замыкание датчика дымовых гары дымовых газов
зов
Короткое замыкание датчика температуры
Неполадка датчика 1 темпера- обратной воды (B7)
туры обратной воды
Обрыв датчика температуры обратной воды
(B7)
Н
еполадка датчика температу- Неполадка датчика температуры/термостары/термостата 1 DHW
та 1 DHW (B3)
Неполадка датчика температу- Неполадка датчика температуры/термостары/термостата 2 DHW
та 2 DHW (B31)
Неполадка датчика давления Неполадка датчика давления воды (коротводы
кое замыкание или обрыв)
Обрыв LPB или отсутствие на- Обрыв LPB или отсутствие напряжения на
пряжения на шине
шине
Конфликт адресов LPB
Конфликт адресов LPB
Обрыв провода BSB или ошиб- Обрыв провода BSB или ошибка связи
ка связи
Конфликт адресов BSB
Конфликт адресов BSB
Ошибка беспроводной пер
- Ошибка беспроводной передачи данных
дачи данных BSB
BSB
Утрата данных в EEPROM
Утрата данных EEPROM
Двое часов настроены ведущи- Двое часов настроены ведущими (master)
ми (master)
Сообщение о техническом об- Сообщение о техническом обслуживании
служивании
Превышение температуры SLT
Блокировка из-за размыкания TL/SLT
Температура обратной воды выше/равна
(температура котла + Sd_RL_groesser_VL 2K)
Блокировка SLT
Дельта T очень высокая
Температура котла растёт быстрее, чем задано параметром «TempGradMax»
Аварийное отключение
щитным термореле
Сработало
воды
реле
за- Аварийн
ое отключение защитным термореле
давления Термостат на двери горелки
Срыв пламени в работе
Превышение счётчика повторов неполадки
Срыв пламени в работе
Превышение макс. предела Температура дымовых газов ≥ 90˚ C
температуры дымовых газов
27
Неполадки
КОД
ОПИСАНИЕ НЕПОЛАДКИ
ПРИЧИНА
132
Аварийное отключение по сиг- Блокировка, ввод прерван
налу реле давления газа
Реле давления газа разомкнуто
133
Превышение счётчика повторов неПревышение задержки розжи- поладки
га горелки
Превышение задержки розжига горелки
151
Внутренняя ошибка BMU
Не
верная полярность источника питания 230 В
152
Ошибка параметрирования
Перепрограммируйте плату
153
Узел заблокирован вручную
Кнопка сброса долго нажата
160
Не достигнуты обороты венти- Не достигнуты обороты вентилятолятора
ра
162
APS не замкнут
164
Неполадка датчика протока/
Отказ датчика давления воздуха
давления хол./гор. воды
166
Датчик давления воздуха не Датчик давления воздуха не разомразомкнут
кнут
183
Узел в режиме параметрирова- Узел в режиме параметрирования
ния
(зависание параметра)
322
Давление воды 3 очень высо- Давление воды на в
ходе H3 очень
кое
высокое
323
Давление воды 3 очень низкое
Давление воды на входе H3 очень
низкое
324
Вход датчика BX
Вход датчика BX
330
Вход датчика BX1 не работает
Вход датчика BX1 не работает
331
Вход датчика BX2 не работает
Вход датчика BX2 не работает
332
Вход датчика BX3 не работает
Датчик температуры дымовых газов
настроен неверно
353
Отсутствует датчик протока в Отсутствует датчик протока в каскакаскаде B10
де B10
384
Странное свечение
385
Низкое напряжение в электри- Низкое напряжение в электричеческой сети
ской сети
386
Допуск оборотов вентилято
а
Превышен допуск оборотов вентилятора
388
Датчик DHW не работает
ошибка конфигурации входа датчика B3/B38
426
Проверьте заслонку на дымо- Неисправность заслонки на дымоходе
ходе
427
Настройка заслонку на дымо- Параметрирование заслонки на дыходе
моходе
432
Отсутствует заземление
Датчик давления воздуха не замкнут
Короткое замыкание ионизационного электрода
Отсутствует заземление котла
45
RU
Значения датчиков
Значения датчиков
NTC 10кОм датчик температуры
(датчик подачи, обратки, температуры отходящих
газов, ГВС и общей подачи)
Диаграммы,
представленные
ниже, показывают значения для
всех датчиков котла и дополнительных датчиков, содержащихся
в комплектах дополнительного
оборудования.
Диаграммы содержат средние
значения, так как все датчики
имеют допустимые отклонения.
55000
50000
45000
Сопротивление
[Ом]
Resistance [Ohm]
При измерении сопротивления
котел должен быть выключен.
Измерения следует производить
вблизи датчика во избежание отклонений.
60000
40000
35000
30000
25000
20000
15000
10000
5000
0
-10
0
10
20
30
40
50
60
70
80
90 100 110
Температура
[ºC][ºC]
Tem perature
NТС 1кОм датчик температуры
(датчик внешней температур
ы)
7500
7000
6500
Сопротивление
[Ом]
Resistance [Ohm]
6000
5500
5000
4500
4000
3500
3000
2500
2000
1500
1000
500
-20
-10
0
10
20
Температура
[ºC][ºC]
Tem perature
46
30
40
Декларация соответствия
Декларация соответствия
Декларация соответствия
Elco BV, Hamstraat 76, 6465 AG Kerkrade (NL),
заявляет, что продукция
TRIGON XL
соответствует следующим стандартам:
EN 15502-1
EN 15502-2-1
EN 55014-1/-2
EN 61000-3-2/-3
EN 60 335-1/ -2
и согласуется с рекомендациями директив:
92 / 42 / EEC (Директива КПД котла)
2009 / 142 / EEC (газового оборудования)
2014 / 35 / EU (Директива низкого напряжения)
2014 / 30 / EU (директива по EMC)
2009 / 125 / CE связанных с энергетикой Продукты
811-813-814 / 2013 EU Р
егулирование
Данный продукт сертифицирован CE №:
CE - 0063CQ3970
Kerkrade, 21-11-2016
A.J.G. Schuiling
Plant Manager
47
RU
Note
Note
48
Note
49
RU
Service:
ELCO GmbH
DE - 72379 Hechingen
ELCO Austria GmbH
AT - 2544 Leobersdorf
ELCOTHERM AG
CH - 7324 Vilters
ELCO BV
NL - 6465 AG Kerkrade
ELCO Belgium SA
BE - 1070 Brussel
ELCO Italia S.p.A.
IT - 31023 Resana
ELCO United Kingdom
UK - Basildon, Essex, SS15 6SJ
ELCO France / Chaffoteaux SAS
FR - 93521 Saint-Denis Cedex
Gastech-Energi A/S
DK - 8240 Risskov
Ariston Thermo Rus LLC
RU – 127015 Moscow
Ariston Thermo Türkiye
TR – 34775 Istanbul
Ariston Thermo Polska Sp. z o.o.
PL – 31 408 Kraków
Ariston Thermo Hungária Kft.
HU - 1135 Budapest
Ariston Thermo România
RO - 010505 Bucharest
Ariston Thermo CZ
CZ – 198 00 Praha 9
www.elco.net
11/2016
420010782600
Priročnik za delo in postavitev,
Samo za pooblaščene
TRIGON XL
11/2016
420010686500
Vsebina
Splošni predpisi....
............................ 4
Uporaba......................................... 4
Norme in predpisi.......................... 4
Informacije
za
monterje
in
vzdrževalce..................................... 5
Tablica s podatki............................. 6
Princip delovanja............................ 6
Konstrukcija..................................... 7
Sestavni deli kotla........................... 7
Tehnični podatki.............................. 8
Informacije o izdelku, povezanem z
energijo.......................................... 1 1
Dimenzije....................................... 1 2
Obseg dobave.................................. 1 3
Standardni kotel............................. 1 3
Pribor............................................. 1 3
Postavitev......................................... 1 4
Transport bojlerja........................... 1 4
Razstavljanje ohišja........................ 1 5
Razstavljanje ohišja........................ 1 6
Opozorila pred namestitvijo...........
1 7
Postavitev kotla.............................. 1 7
Priključitev bojlerja........................ 1 8
Zrakovodni/dimovodni sistem........ 1 9
Zrakovodni/dimovodni sistem........ 2 0
Dimovodni sistem.......................... 2 1
Dimenzioniranje posameznega sistema.................................................. 2 1
Električna priključitev..................... 2 2
Vezalni načrt – Kotel....................... 2 3
Delovna navodila............................. 3 4
Upravljalni elementi....................... 3 4
Opis prikazovalnika........................ 3 5
Programiranje................................ 3 5
Kratek pregled glavnih funkcij........ 3 6
Vzdrževanje...................................... 3 8
Spisek preverjanj............................ 3 8
Zamenjava elektrod........................ 3 8
Čiščenje zbiralnika kondenzata...... 3 9
Čiščenje in polnjenje sifona............ 3 9
Čiščenje zbiralnika za nečistoče...... 4 0
Pregled zgorevalne komore............ 4 0
Fizikalno in kemično preverjanje
vode............................................... 4 1
Kakovost plina in vode.................... 4 1
Varnostne naprave......................... 4 1
Checklist o vzdrževanju.................. 4 2
Izpadi................................................ 4 3
Vrednosti senzorjev......................... 4 5
Izjava o ustreznosti.......................... 4 6
Note................................................. 4 7
Kontrolni pregled............................. 2 5
Vodni in hidravlični sistem............. 2 5
Sistemi za nevtralizacijo................. 2 6
Dovod plina.................................... 2 7
Priključitev kondenzata.................. 2 7
Priključitve dimnih plinov in dovoda
zraka............................................... 2 7
Priprava bojlerja za prvi zagon....... 2 8
Analiza izgorevanja......................... 2 9
Preverjanje plinskega ventila.......... 3 0
Preverjanje pretoka vode............... 3 0
Preverjanje delovanja varnostnih
naprav................................................ 3 1
Stikalo minimalnega pritiska plina. 3 2
Izključitev bojlerja.......................... 3 2
Protokol kontrolnega pregleda....... 3 3
3
SL
Splošni predpisi
Splošni predpisi
Uporaba
Norme in predpisi
Ta dokumentacija vsebuje pomembne informacije, ki so osnova varne in
zanesljive postavitve, komisijskega
pregleda in delovanja kotla TRIGON
XL. Vse aktivnosti, opisane v tem
dokumentu, lahko izvajajo samo
pooblaščena podjetja.
Bojler je odobren s strani CE in ustreza naslednjim evropskim standardom:
Spremembe tega dokumenta se
lahko izvedejo brez predhodnega
obvestila. Za vgradnjo sprememb z
namenom prilagoditve predhodno
dobavljenih izdelkov ne sprejemamo
nikakršne odgovornosti.
•
Pri zamenjavi sestavnih delov na
kotlu se lahko uporabijo samo originalni rezervni deli, sicer garancija ne
velja.
Uporaba
Kotel TRIGON XL se lahko uporablja samo za gretje vode in pripravo
vroče vode.
Priključen mora biti na zaprte sist
eme z največjo temperaturo 100°C
(zgornja meja temperature), najvišja
točka nastavitve temperature je
90°C.
Norme in predpisi
Pri postavitvi in delovanju kotla morajo biti izpolnjene vse veljavne norme (evropske in lokalne):
• lokalni predpisi za instaliranje zgorevalnih plinskih sistemov na zrak
in kurilni plin;
• predpis za priključitev kotla na
električno napravo;
• predpisi za priključitev kotla na lokalno plinsko omrežje;
• norme in predpisi, ki se tičejo varnostne opreme grelnih sistemov;
• vsi dodatni lokalni zakoni/predpisi
glede postavitve in delovanja grelnih sistemov.
4
•
•
•
•
•
•
•
•
•
•
•
•
1992 / 42 / EEC Direktiva o
učinkovitosti bojlerja
2009 / 142 / EEC Direktiva za plinske naprave
Direktiva 2009/125/EC o izdelkih,
povezanih z energijo
Uredba Komisije (EU) št. 811-813814/2013
Direktiva o elektromagnetni združljivosti (EMC) 2014/30/EU.
Direktiva o nizki napetosti
2014/35/EU.
EN 13203-2: 2015 (Plinsk
e gospodinjske naprave za ogrevanje vode
- 2. del: ocena porabe energije).
EN 15036-1: 2006 - Kotli za ogrevanje - predpisi za preverjanje širjenja hrupa po zraku iz generatorjev
toplote - 1. del: širjenje hrupa po
zraku iz generatorjev toplote.
EN-ISO 3743-1: 2010 Akustika Določanje ravni zvočne moči in
ravni energije zvoka virov hrupa s
pomočjo zvočnega tlaka - Tehnično-tehnološke metode za majhne
gibljive vire v odmevajočih poljih
- 1. del: metoda primerjave za zidano preizkusno sobo.
EN 15502-1: 2012 +A1:2015 (Plinski kotli za ogrevanje - 1. del: splošne zahteve in preizkusi).
EN 15502-2-1: 2012 (Plinski kotli
za ogrevanje - del 2-1: specifični
standard za gospodinjske aparate tipa C ter gospodinjske aparate
tipa B2, B3 in B5 z nominalnim dovodom toplote pod 1000 kW).
EN 60335-1 Gospodinjski in podobni električni aparati - Varnost
- 1. del: splošne zahteve.
EN 60335-2-102: 2016 Gospodinjski in podobni električni aparati - Varnost - del 2-102: posebne
zahteve za napra
ve na plin, kurilno
olje ali trda goriva z električnimi
priključki.
•
•
•
•
EN 55014-1: 2006 Elektromagnetna združljivost - zahteve za gospodinjske aparate, električna orodja
in podobne naprave, 1. del: emisije
A1:2009, A2:2011.
EN 55014-2: 2015 Elektromagnetna združljivost - zahteve za
gospodinjske aparate, električna
orodja in podobne naprave, 2. del:
odpornost - standardna za družino
izdelkov.
EN 61000-3-2: 2014 Elektromagnetna združljivost (EMC), del 3-2:
omejitve — omejitev vhodnega
toka za naprave z emisijami harmoničnega toka <= 16 A na fazo.
EN 61000-3-3: 2013 Elektromagnetna združljivost (EMC), del 3-3:
omejitve — omejitve sprememb
napetosti, nihanja napetosti in
flikerja v nizkonapetostnih javnih
električnih omrežij za opremo z nazivnim tokom <= 16 A na fazo brez
potrebe po pogojnem priklopu.
Dodatni nacionalni standardi
Nemčija:
• RAL - UZ 61 / DIN 4702-8
Švica:
• SVGW
Avstrija:
• 15a V-BG
Splošni predpisi
Informacije za monte
rje in vzdrževalce
Uporaba naprave za namene,
ki niso navedeni tukaj, je strogo
prepovedana. Proizvajalec
ne odgovarja za morebitno škodo, ki
nastane zaradi neustrezne, nepravilne in nerazumne uporabe naprave ali
neupoštevanja navodil, navedenih v tem
priročniku.
Namestitev, vzdrževanje in vse
druge posege je treba v celoti
izvesti v skladu z veljavnimi
pravnimi predpisi in navodili proizvajalca. Zaradi nepravilne namestitve se
lahko poškodujejo ljudje, živali in stvari;
proizvajalec ne odgovarja za morebitno
škodo, ki nastane zaradi nepravilne namestitve.
Kotel je dobavljen z zaščitno
embalažo. Ko odstranite ves
embalažni material, preverite,
da je naprava brezhibna in nobeden od
njenih delov ne manjka. V nasprotnem
primeru stopite v stik z dobaviteljem.
Ves embalažni material (sponke,
plastične vrečke, polistirensko
peno itn.)
shranite zunaj dosega otrok, ker je potencialno nevaren.
Pred izvajanjem morebitnih
vzdrževalnih del ali popravil na
kotlu, se prepričajte, da
ste ga odklopili iz električnega omrežja
tako, da ste zunanje dvopolno stikalo
preklopili v položaj »OFF« (Izklopljeno).
Pri vseh popravilih uporabljajte le originalne nadomestne dele.
Informacije za uporabnika
Poučite uporabnika o načinu obratovanja sistema.
Uporabniku
zlasti
zagotovite
priročnik za uporabo in ga obvestite,
da ga mora shraniti v bližini naprave.
Uporabnika prav tako opomnite, da:
preverja sistem tlaka
vode, in ga poučite, kako ga znova vključi v sistem in odzrači;
• kako naj nastavi temperaturo in regulatorje za pravilno in
gospodarnejše upravljanje sistema;
• redno izvaja vzdrževanje sistema v skladu z zakonodajo;
• v nobenem primeru ne sme spreminjati nastavitev za dovod zraka
za zgorevanje in zgorevanje plina;
• mora upoštevati opozorila, navedena v priročniku za uporabo
• redno
To napravo lahko uporabljajo otroci od 8 let naprej kot
tudi osebe z zmanjšanimi fizičnimi, senzoričnimi ali mentalnimi sposobnostmi oziroma pomanjkanj
em izkušenj
ali znanja, če jih nadzorujete ali poučite o varni rabi naprave in razumejo nevarnosti ravnanja z napravo. Otroci
se ne smejo igrati z napravo. Otroci ne smejo čistiti ali
vzdrževati naprave brez ustreznega nadzora.
V nobenem primeru ne spreminjajte položaj zraka za zgorevanje in izpuha dimnih plinov.
Bodite pozorni na opozorila na navodilih
za uporabo.
Index:
Nevarnost poškodb za kotel
Nevarnost poškodb
5
SL
General regulations
Splošni predpisi
Tablica s podatki
Data plate
Princip delovanja
Symbols used on the data plate
Podatkovna ploščica
2
1
S/N
Legend :
00
26-05-2015
4
3
0000000KE000000000000
10
5
26-5-2015 13:07:34
6
7
8
9
gas
mbar
gas
mbar
gas
mbar
MAX
11
Q(Hi)
12
13
η =
100%
P60/80C
14
15
MIN
P30/50C
η =
min.
17
16
18
Brand
2
Country of origi
3
Boiler model - S
4
Commercial ref
5
Certification nu
6
Destination cou
7
Gas setting
8
Installation type
9
Electrical data
10
Factory settings
11
Maximum wate
1
2
Boiler type
13
NOx class / Effi
1
Znamka
10
Tovarniške nastavitve
14
Input rating nom
2
Država porekla
11
Maksimalni tlak vode
15
Power output h
3
Model kotla – serijska številka
12
Tip kotla
16
Gases which m
4
Komercialni sklic
13
Razred NOx/učinkovitost
17
Ambient operat
5
Številka certifikata
14
Max. central he
6
Ciljna država – kategorija plina
15
Nazivna vhodna toplotna moč 18
Izhodna toplotna moč
7
Nastavitev plina
16
Plini, ki jih je mogoče uporabiti
8
Vrsta inštalacije
17
Obratovalna temp. okolice
9
Električni podatki
18
Maks. temp. centralnega
ogrevanja
0000000KE000000000000
The Princip delovanja
izmenjevalnik in zapustijo kotel na
Bojler TRIGON XL je polno modulacidnu priključka za dimnik.
jski bojler. Nadzorna enota bojlerja
Povratna voda iz sistema vstopa
avtomatsko prireja modulacijsko
v bojler v spodnjem delu, kjer je
razmerje toplotnim potrebam,0000000KE000000000000
ki
najnižja temperatura dimnih plinov
j
ih zahteva sistem. To se doseže z
v bojlerju.
nadzorom hitrosti ventilatorja. Kot
Voda se prenaša navzgor skozi bojler,
posledica tega vrtinčasti mešalni sistako da zapusti bojler na vrhu (pri gotem priredi plinsko razmerje izbrani
rilniku). Delovni princip navkrižnega
hitrosti ventilatorja, da bi vzdrževal
pretoka (voda navzgor, dimni plini
najboljše možne razmere izgorevannavzdol) omogoča najboljše rezulja in s tem najboljši izkoristek. Dimni
tate izkoriščanja izgorevanja.
plini, ki nastanejo med zgorevanjem,
se prenesejo navzdol skozi toplotni
6
1
6
5
4
3
Kontrolna enota LMS14 lahko uprav2
lja delovanje bojlerja na osnovi:
• krmilnika bojlerja (samo operaPCT
cija stanja);
1
• vremensko vodenega krmilnika (z dodatnim zunanjim senzorjem);
• z zunanjim vplivom 0 -10V (temperaturni ali kapacitetni), iz sistema upravljanja zgradbe.
Konstrukcija
Konstrukcija
Sestavni deli kotla
Zgradba kotla
Kotel TRIGON XL je sestavljen iz naslednjih glavnih komponent:
1
2
3
4
5
6
7
8
9
10
11
12
13
Ohišje
Prednja plošča
Nastavljive noge
Koleščki
Kontrolna plošča (pod pokrovom)
Priključek dovoda zraka (pod oblogo)
Priključek dimnih plinov
Plinski priključek
Priključek tekoče vode
Priključek povratne vode
Električni vhodni priključki (HV/LV)
Pregledno steklo
Gorilnik/sestav prvega izmenjeval-
nika toplote
14
15
16
17
18
19
20
21
22
Drugi/tretji sestav izmenjevalnika
toplote
Sifon
Elektrode za vžig in ionizacijo
Ventil polnjenja/praznjenja
Pladenj za kondenzat
Ventilator
Vrtinčasti mešalni sistem plin/zrak
Plinski ventil / Naprava za nadzor
plinskega tlaka
Drugi priključek za odvod (vroče)
vode (za uporabo v ločenih siste
mih, dodatek)
5
6
8
2
1
9
22
10
11
4
3
3 4
7
3 4
19
20
21
12
13
16
14
17
18
15
17
7
SL
Tehnični podatki
Tehnični podatki
150
Nazivna toplota 80/60°C maks/min
Nazivna toplota 40/30°C maks/min
Kurilna toplota Hi maks/min
Izkoristek pri 80/60°C maks/min
Izk
oristek pri 40/30°C maks/min
Letni izkoristek (NNG 40/30°C)
Maks.pretok kondenzata
Poraba plina G20 maks./min. (10,9 kWh/m3)
Poraba plina G25 maks./min. (8,34 kWh/m3)
Poraba plina G31 maks./min. (12,8 kWh/m3)
Pritisk plina naravni G20
Pritisk plina naravni G25
Pritisk plina tekoči G31
Maksimaklni pritisk plina
Max. Temperatura dimnih plinov (zgornja meja)
Temperatura dimnih plinov pri 80/60° Cmaks/min
Temperatura dimnih plinov pri 40/30°Cmaks/min
Pretok izpušnih plinov maks./min. H-gas
Nivo CO2 naravni G20/G25 maks/min
Vrednost CO2 tekočega plina G31 maks./min.
Nivo NOx
Nivo CO maks/min
Maks. dovoljeni upor dimnika maks/min
Volumen vode
Pritisk vode maks/min
Maks. temperatura vode (višja meja termostata)
Maks. temperatura nastavitve
Nazivni pretok vode pri dT=20K
Hidravlični upor pri nazivnem pretoku vode
Električni priključek
Frekvenca
Varovalka priključka napajanja
kW
kW
kW
%
%
%
l/h
m3/h
m3/h
kg/h
mbar
mbar
mbar
mbar
°C
°C
°C
m3/h
%
%
mg/kWh
mg/kWh
Pa
l
bar
°C
°C
m
3/h
kPa
V
Hz
A
IP razred
Poraba moči bojlerja maks/min (brez črpalke)
Poraba el. toka črpalk - krmiljenje na osnovi števila vrtljajev
Teža (brez hidr. pribora)
Raven zvočne moči (LWA)
Ionizacijski tok povprečno
PH vrednost kodenzata
Certifikacijska koda CE
Vodni priključki
Plinski priključek
Priključek dimnih plinov (DN)
Priključek dovoda zraka (za uporabo tesnjene sobe) (DN)
Priključek kondenzata (DN)
8
W
W
Kg
dB
μA
mm
mm
mm
142,3/31,3
151,2/35,4
145,0/32,2
98,2
104,3
110,4
9,2
13,3/3,0
17,4/3,9
11,3/2,5
TRIGON XL
200
250
190,4/42,0
237,6/47,0
202,3/47,4
252,3/53,4
194,0/43,1
242,0/48,4
98,2
98,2
104,3
104,2
110,4
110,4
12,4
15,4
17,8/4,0
22,2/4,4
23,3/5,2
29,0/5,8
15,2/3,4
18,9/3,8
20
25
30/50
50
90
75/58
75/58
75/58
54/30
54/30
55/30
188/43
251/57
313/64
10,2/9,4 ±0,2 (Vrsta omejitve 570, delta maks./min. ≥0,8%)
11,9/10,0 ±0,2
38/19
38/19
36/18
14/3
14/3
14/5
200/10
200/10
200/10
26
31
33
8/1
100
90
6,1
8,1
10,1
11,2
26,8
31,2
230/400
50
16
IP20
176/48
267/4
8
286/53
190/9
190/9
310/12
290
332
366
70,3
70,3
70,3
10,0/4,5
3,2
CE - 0063CQ3970
R2”
R2”
R2”
R1.1/2”
R1.1/2”
R1.1/2”
150
150
200
130
130
130
32
Tehnični podatki
TRIGON XL
Nazivna toplota 80/60°C maks/min
Nazivna toplota 40/30°C maks/min
Kurilna toplota Hi maks/min
Izkoristek pri 80/60°C maks/min
Izkoristek pri 40/30°C maks/min
Letni izkoristek (NNG 40/30°C)
Maks.pretok kondenzata
Poraba plina G20 maks./min. (10,9 kWh/m3)
Poraba plina G25 maks./min. (8,34 kWh/m3)
Poraba plina G31 maks./min. (12,8 kWh/m3)
Pritisk plina naravni G20
Pritisk plina naravni G25
Pritisk plina tekoči G31
Maksimaklni pritisk plina
Max. Temperatura dimnih plinov (zgornja meja)
Temperatura dimnih plinov pri 80/60° Cmaks/min
Temperatura dimnih plinov pri 40/30°Cmaks/min
Pretok izpušnih plinov maks./min. H-gas
Nivo CO2 naravni G20/G25 maks/min
Vrednost CO2 tekočega plina G31 maks./min.
Nivo NOx
Nivo CO maks/min
Maks. dovoljeni upor dimnika maks/min
Volumen vode
Pritisk vode maks/min
Maks
. temperatura vode (višja meja termostata)
Maks. temperatura nastavitve
Nazivni pretok vode pri dT=20K
Hidravlični upor pri nazivnem pretoku vode
Električni priključek
Frekvenca
Varovalka priključka napajanja
kW
kW
kW
%
%
%
l/h
m3/h
m3/h
kg/h
mbar
mbar
mbar
mbar
°C
°C
°C
m3/h
%
%
mg/kWh
mg/kWh
Pa
l
bar
°C
°C
m3/h
kPa
V
Hz
A
IP razred
Poraba moči bojlerja maks/min (brez črpalke)
Poraba el. toka črpalk - krmiljenje na osnovi števila vrtljajev
Teža (brez hidr. pribora)
Raven zvočne moči (LWA)
Ionizacijski tok povprečno
PH vrednost kodenzata
Certifikacijska koda CE
Vodni priključki
Plinski priključek
Priključek dimnih plinov (DN)
Priključek dovoda zraka (za uporabo tesnjene sobe) (DN)
Priključek kondenzata (DN)
W
W
Kg
dB
μA
mm
mm
mm
300
400
500
570
285,7/56,5
303,3/64,2
291,0/58,2
98,2
104,2
110,4
18,5
26,7/5,3
34,9/7,0
22,7/4,5
381,3/75,2
404,3/85,6
388,0/77,6
98,3
104,2
110,4
24,7
35,6/7,1
46,5/9,3
30,3/6,1
476,7/94,6
505,2/106,9
485,0/97,0
98,3
104,2
11
0,4
30,7
44,5/8,9
58,2/11,6
37,9/7,6
540,2/120,0
572,8/135,1
550,0/122,2
98,2
104,2
110,3
34,8
50,5/11,2
65,9/14,7
43,0/9,5
20
25
30/50
50
90
75/58
75/59
75/59
76/58
55/30
56/30
56/30
56/30
377/77
502/102
628/128
712/161
10,2/9,4 ±0,2 (Vrsta omejitve 570, delta maks./min. ≥0,8%)
11,9/10,0 ± 0,2
36/18
34/17
37/18
40/19
14/5
14/8
16/5
18/1
160/10
400/10
300/10
400/10
60
63
71
77
8/1
100
90
12,2
16,3
20,3
23,1
11,9
32,3
34,3
57,1
230/400
50
16
IP20
230/50
504/54
620/64
676/61
310/12
470/25
590/25
800/38
434
496
540
595
70,3
77,3
77,3
77,3
10,0/4,5
3,2
CE - 0063CQ3970
DN65PN16
R1.1/2”
R1.1/2”
R2"
R2"
200
250
250
250
130
130
150
150
32
9
SL
Tehnični podatki
TRIGON XL (samo za italijanski trg)
Nazivna toplota 80/60°C maks/min
Nazivna toplota 40/30°C maks/min
Kurilna toplota Hi maks/min
Izkoristek pri 80/60°C maks/min
Izkoristek pri 40/30°C maks/min
Letni izkoristek (NNG 40/30°C)
Maks.pretok kondenzata
Poraba plina G20 maks./min. (10,9 kWh/m3)
Poraba plina G25 maks./min.
(8,34 kWh/m3)
Poraba plina G31 maks./min. (12,8 kWh/m3)
Pritisk plina naravni G20
Pritisk plina naravni G25
Pritisk plina tekoči G31
Maksimaklni pritisk plina
Max. Temperatura dimnih plinov (zgornja meja)
Temperatura dimnih plinov pri 80/60° Cmaks/min
Temperatura dimnih plinov pri 40/30°Cmaks/min
Pretok izpušnih plinov maks./min. H-gas
Nivo CO2 naravni G20/G25 maks/min
Vrednost CO2 tekočega plina G31 maks./min.
Nivo NOx
Nivo CO maks/min
Maks. dovoljeni upor dimnika maks/min
Volumen vode
Pritisk vode maks/min
Maks. temperatura vode (višja meja termostata)
Maks. temperatura nastavitve
Nazivni pretok vode pri dT=20K
Hidravlični upor pri nazivnem pretoku vode
Električni priključek
Frekvenca
Varovalka priključka napajanja
kW
kW
kW
%
%
%
l/h
m3/h
m3/h
kg/h
mbar
mbar
mbar
mbar
°C
°C
°C
m3/h
%
%
mg/kWh
mg/kWh
Pa
l
bar
°C
°C
m3/h
kPa
V
Hz
A
IP razred
Poraba moči bojlerja maks/min (brez črpalke)
Poraba el. toka črpalk - krmiljenje na osnovi števila vrtljajev
Teža (brez hidr
. pribora)
Raven zvočne moči (LWA)
Ionizacijski tok povprečno
PH vrednost kodenzata
Certifikacijska koda CE
Vodni priključki
Plinski priključek
Priključek dimnih plinov (DN)
Priključek dovoda zraka (za uporabo tesnjene sobe) (DN)
Priključek kondenzata (DN)
10
W
W
Kg
dB
μA
mm
mm
mm
115
350
113,7/31,3
120,8/35,4
115,8/32,2
98,2
104,3
110,4
7,4
10,6/3,0
13,9/3,9
9,0/2,5
343,0/75,2
363,6/85,6
349,0/77,6
98,3
104,2
110,4
22,2
32,0/7,1
41,8/9,3
27,3/6,1
20
25
30/50
50
90
75/58
75/59
54/30
56/30
150/43
452/102
10,2/9,4 ±0,2 (Vrsta omejitve 570, delta maks./min. ≥0,8%)
11,9/10,0 ± 0,2
38/19
34/17
14/3
14/8
200/10
400/10
26
63
8/1
100
90
4,8
14,6
7,0
26,0
230/400
50
16
IP20
176/48
504/54
190/9
470/25
290
496
70,3
77,3
10,0/4,5
3,2
CE - 0063CQ3970
R2”
DN65PN16
R1.1/2”
R1.1/2”
150
250
130
130
32
Tehnični podatki
Informacije o izdelku, povezanem z energijo
Informacije o izdelku v skladu z Direktivo 2009/125/ES in Uredbo Komisije (EU) št. 813/2013
TRIGON XL
Ikona
E
nota
115*
150
200
250
300
350*
400
Kondenzacijski kotel
-
-
Da
Da
Da
Da
Da
Da
Da
Nizkotemperaturni kotel
-
-
Ne
Ne
Ne
Ne
Ne
Ne
Ne
Kotel B1
-
-
Ne
Ne
Ne
Ne
Ne
Ne
Ne
Grelnik prostorov s soproizvodnjo
-
-
Ne
Ne
Ne
Ne
Ne
Ne
Ne
Kombinirani grelnik
-
-
Ne
Ne
Ne
Ne
Ne
Ne
Ne
Prated
kW
140
140
190
237
286
381
381
Pri nazivni izhodni toplotni moči in
visokotemperaturnem režimu
P4
kW
142,3
142,3
190,4
237,6
285,7
381,3
381,3
Pri 30-odstotni nazivni izhodni toplotni
moči in nizkotemperaturnem režimu 1)
P1
kW
47,5
47,5
63,5
79,3
95,3
127,1
127,1
Sezonska energijska učinkovitost ogrevanja prostorov
hs
%
93,4
93,4
93,5
93,6
93,6
93,6
93,6
Pri nazivni izhodni toplotni moči in
visokotemperaturnem režimu 2)
h4
%
88,4
88,4
88,4
88,4
88,4
88,5
88,5
Pri 30-odstotni nazivni izhodni toplotni
moči in nizkotemperaturnem režimu 1)
h1
%
98,3
98,3
98,3
98,3
98,3
98,4
98,3
Pri največji obr
emenitvi
elmax
kW
176
176
267
286
230
504
504
pri 30% obremenitvi
elmin
kW
53
53
53
53
70
70
70
PSB
kW
8
8
8
8
8
8
8
Izguba toplote v stanju pripravljenosti
kW
286,4
286,4
286,4
286,4
309,6
309,6
309,6
Poraba energije vžigalnega gorilnika
kW
0
0
0
0
0
0
0
mg/kWh
38
38
38
36
36
34
34
Ogrevanje z izdelki, povezanimi z energijo
Kotel z nazivno izhodno toplotno močjo
Poraba dodatne električne energije
v stanju pripravljenosti
Dodatni grelnik
Emisije dušikovih oksidov
*) samo za italijanski trg
1) pri povratni temperaturi 30 °C
2) pri temperaturi pretoka in povratni temperaturi (80-60°C)
11
SL
Tehnični podatki
Dimenzije
TRIGON XL Modeli: 115 - 150 - 200 - 250
234,25
L1
L2
466
131
104
104
A
G
1130
W1
1124
1467
1457
W3
967
W2
723
602
482
D
S
178
0
TRIGON XL modeli
115-150
200
250
300
350-400
500
570
L1 [mm]
1349
1499
1649
1348
1496
1646
1769
L2 [mm]
1165
1315
1465
1152
1302
1452
1
602
A [mm]
130
150
G
1½”
2“
D [mm]
�150
�150
�200
S [mm]
�200
�250
32
W1
2“
DN65 PN16
W2
2“
DN65 PN16
TRIGON XL Modeli: 300 - 350 - 400 - 500 - 570
L1
374
L2
746
129
G
149
129
A
1152
1470
1460
W1
1131
W3
W2
967
723
601
S
D
490
178
0
12
Obseg dobave
Obseg dobave
Standardni kotel
Pribor
Standardni kotel
Pakirana dobava kotla vsebuje naslednje sestavne dele:
Sestavni del
kos
Embalaža
Polno sestavljen in testiran kotel
1
Postavljen na paleto in ovit s PE folijo
Sifon za priključek kondenzata
1
Znotraj embalaže grelca
Priročnik za delovanje in postavitev
1
Diagram na zadnji plošči kotla
Komplet za priključitev I3P in I3B/P
vključno z navodili
1
Znotraj embalaže kotla
Dodatna oprema
Poleg grelca lahko naročite naslednje dodatke:
• Hitrostno krmiljena črpalka.
• Varnostni ventil, manometer in
razplinjevalnik (3 in 6 barov).
• 2x stikalo maksimalnega vodnega
•
•
•
•
•
•
•
•
•
tlaka in 1 zunanji termostat z visoko omejitvijo.
Plinski filter vključno s kompletom
za priključitev.
Stikalo maksimalnega plinskega
tlaka.
Zunanji termostat z visoko
omejitvijo.
Preizkuševalnik uhajanja iz plinskega ventila.
Drugi povratni priključek za uporabo v ločenih sistemih.
Obvod (vključno s črpalko)
Lamelni toplotni izmenjevalec
(dT=10K/15K ali dT=20K)
Nizkohitrostni zbiralnik, primeren
za dT=10K/15K in dT=20K
Dvojni zbiralnik za kaskadno
priključitev 2 grelcev.
tilatorja. V vsak posamezni grelec je
mogoče vgraditi največ 3 module
AVS75 (2x ogrevalno območje, 1x
zun. plinski ventil/sobni ventilator).
•
Dodatni krmilnik ogrevalnega
območja RVS63 za krmiljenje
več kot 2 območij.
Zgornji dodatki so zasnovani posebej za grelec TRIGON XL, zato jih
je enostavno namestiti (priključi in
uporabljaj).
Z izbiro zgoraj omenjene kombinacije kompletov lahko ustvarite svojo
celostno sistemsko rešitev.
Če želite več podrobnosti, se pozanimajte pri dobavitelju
.
Podaljšek AVS75 za krmiljenje ogrevalnega območja ali zunanji plinski
ventil in/ali krmiljenje sobnega ven-
13
SL
Postavitev
Postavitev
Transport bojlerja
Transport bojlerja
Bojler bo dobavljen kot popolna
enota, ki je dokončno sestavljena in
stestirana.
Maksimalna širina je 466 mm za
modele 150-250 in 746 mm za modele 300-570, kar omogoča prenos
vseh modelov skozi običajna vrata v
enem kosu. Bojler se lahko prevaža s
paletnim vozičkom, s pristopom od
spredaj ali zadaj.
Po potrebi se bojler lahko razgradi
v manjše dele za lažji transport znotraj
zgradbe. Spodnja tabela prikazuje
glavne razstavljene dele z njihovimi
težami in dimenzijami.
3
1
2
3
Če je potrebno prevažati bojler z
dvigalom, je potrebno odstraniti
ohišje preden priključite bojler na
dvigalo. Vedno priključite dvigalo na
okvir bojlerja z uporabo trakov.
3
1
Dvižni trak
2
Leseni pritrdilni opornik
3
Položaj dvižnega traku
Sestavni del
14
115-150
200
250
300
350-400
500
570
Gori
lnik/sestav prvega
toplotnega
izmenjevalnika
Teža [kg]
Dolžina [mm]
Širina [mm]
Višina [mm]
90
735
400
321
110
885
400
321
120
1035
400
321
140
735
680
321
160
885
680
321
190
1035
680
321
200
1185
680
321
Drugi/tretji sestav toplotnega
izmenjevalnika
Teža [kg]
Dolžina [mm]
Širina [mm]
Višina [mm]
100
735
400
244
110
885
400
244
120
1035
400
244
160
735
680
244
170
885
680
244
200
1035
680
244
220
1185
680
244
Pladenj za kondenzat
Dolžina [mm]
Širina [mm]
Višina [mm]
589
385
225
739
385
225
889
385
225
589
665
225
739
665
225
889
665
225
1039
665
225
Okvir
Dolžina [mm]
Širina [mm]
Višina [mm]
990
624
335
1140
624
335
1350
624
335
1100
724
335
1320
724
335
1470
724
335
1620
724
335
Postavitev
Razstavljanje ohišja
Razstavljanje ohišja
Pred prevozom kotla razstavite ohišje. Pri razstavljanju ohišja sledite naslednjim korakom.
Za ponovno sestavljanje ohišja
opravite enake korake v obratnem
vrstnem redu.
Začnite pri vrhu ohišja. Pre
pričajte
se, ste znova priključili ozemljitveni
kabel in vijake,
saj ti zagotavljajo varno delovanje!
2
1
4
3
5
6
15
SL
Postavitev
Razstavljanje ohišja
7
9
8
16
Postavitev
Opozorila pred namestitvijo
Postavitev kotla
Namestitev, prvi zagon, vzdrževanje in popravilo kotla morajo izvesti pooblaščene osebe v skladu
z nacionalnimi določbami glede namestitve ter morebitnimi zahtevami lokalnih organov in agencij
za javno zdravje.
Pred namestitvijo naprave
Pred priključitvijo kotla najprej izvedite naslednje postopke:
• Previdno operite cevni sistem, da
odstranite morebitne ostanke od navojev vijakov ali ostanke po varjenju ali kakršno koli umazanijo, ki bi
lahko preprečevala pravilno delovanje kotla.
• Prepričajte se, da je kotel nastavljen
za delovanje z vrsto plina, ki je na
voljo (preberite informacije na oznaki embalaže in tablici s podatki o
kotlu).
• Prepričajte se, da ni ovir v odvodu dimnega plina in da ne vsebuje ostankov iz
drugih naprav, raze
n če dimni plin upo-
•
•
•
rablja več kotlov (v skladu z veljavnimi
zakonskimi zahtevami).
Kadar že obstaja priključek do
obstoječih odvodov dimnega plina,
preverite, ali so ti odvodi temeljito očiščeni in brez ostankov, ker bi
lahko kakršna koli prekinitev ovirala
prehod dima in ustvarila morebitno
nevarne razmere.
Na območjih z izrazito trdo vodo se
lahko na komponentah v kotlu nabere vodni kamen in zmanjša njegovo
učinkovitost.
V primeru namestitve blizu stene,
občutljive na vročino (kot je npr. lesena stena), je treba steno zaščititi z
ustrezno izolacijo.
Postavitev bojlerja
800
450
250
450
Bojler morate postaviti v sobo, kjer
ni zmrzali. Če je prostor z bojlerjem
na strehi, sam bojler ne sme biti
najvišja točka postavitve.
Pri postavljanju bojlerja, upoštevajte
priporočeno minimalno zračnost
na sliki. Če je bojler postavljen na
mesto z manj prostega prostora, bo
vzdrževanje oteženo.
Za doseganje optimalnega položaja
kotla v sobi lahko e
lektrodi prestavite z desne na levo stran kotla.
To pomeni tudi, da bo zahtevan prostor, ki je prikazan na sliki, postavljen
zrcalno.
Običajno: Levo 250 mm / desno 450
mm
Spremenjeno:
Levo
450
mm
/
desno
250
mm
Ko je kotel v pravilnem
položaju, nastavljive nogice (2)
(z dušilniki vibracij) nastavite na pravo višino, tako da je kotel postavljen
vodoravno. Zagotovite, da kolesca
niso v stiku s tlemi.
OPOZORILO!
V bližini kotla ne puščajte vnetljivih
predmetov. Prepričajte se, da so kraj namestitve in sistemi, na katere mora biti naprava
priključena, popolnoma v skladu s trenutno veljavno zakonodajo. Pri namestitvi kotla
upoštevajte najmanjšo zahtevano razdaljo od
vnetljivih materialov.
Če so v sobi, v kateri bo kotel nameščen, prisotni
prah in/ali agresivni hlapi, mora naprava delovati neodvisno od zraka v sobi.
Priključke za vodo in plin je potrebno priključiti po montaži nog, ker ti
priključki določajo točno višino vseh
priključkov.
2
17
SL
Postavitev
Prikl
jučitev bojlerja
7
1
4
3
5
2
8
Priključitev kotla
To poglavje razlaga, kako izvršiti vse
priključitve k kotlu, upoštevajoč:
• hidravlične priključke
• priključitev izčrpavanja kondenzata
• priključitev plina
• priključitev dimnih plinov
• Priključek za dovajanje zraka
• električno priključitev
Kotel mora biti vedno priključen tako,
da sistem ustreza vsem relevantnim
standardom in predpisom (evropskim,
nacionalnim in lokalnim). Instalaterjeva dolžnost je, da zagotovi upoštevanje
vseh standardov in predpisov.
Hidravlični priključki
Bojler je treba vedno priključiti tako,
da je vedno omogočen pretok vode
skozi bojler.
Priključite pretočni (4) in povratni
(5) vod kotla v sistem brez mehanske
napetosti.
Dodatna oprema z drugim priključkom za povratni pretok omogoča uporabo hidravličnega sistema
z dvema povratnima pretokoma.
»Običajni« priključek za povratni
pretok je v tem primeru predviden
za nižjo temperaturo, dodatni priključek (6
) pa za višjo temperaturo
povratnega pretoka.
Opcijski pribor z varnostnim ventilom, manometrom in odzračevalnikom, je treba montirati na pretočni
priključek bojlerja (4), preden ga priključite na sistem.
Opcijski pribor črpalke je treba
montirati neposredno na povratni
priključek (5) bojlerja, preden ga priključite na sistem.
18
Priključek kondenzata
Sifon (vključen v dobavi) na priključek pri dnu zbiralnika kondenzata
(7).
Potegnite cev pod okvirom na zadnji
strani bojlerja in jo priključite (8) na
izčrpovalni sistem v prostoru z bojlerjem. Priključitev na izčrpovalni
sistem morate izvesti vedno ob odprtem priključku, da v primeru blokiranega odtoka preprečite poplavo
iz bojlerja.
Priključitev plina
Priključitev plina mora opraviti
pooblaščeni instalater v skladu z
veljavnimi nacionalnimi in lokalnimi
standardi ter predpisi.
Priključite plinsko napeljavo od sistema na priključek plina (1) bojlerja
brez mehanske napetosti.
Pipa za plin naj bo postavljena tik z
a
bojlerjem.
Plinski filter lahko montirate neposredno na plinski priključek
bojlerja.
Postavitev
Zrakovodni/dimovodni sistem
Zahteve in predpisi
Predpisi za gradnjo dimovodnih
sistemov se v posameznih državah
razlikujejo. Upoštevati je treba vse
državne predpise glede dimovodnih
sistemov.
Pri dimenzioniranju dimovodnega sistema upoštevajte naslednja
priporočila.
Uporabite lahko le materiale, odobrene za uporabo z dimnimi plini.
Dolžina dimovodnega sistema mora
biti ustrezno izračunana, da se zagotovi varno delovanje sistema.
Komponente dimovodnega sistema
morajo biti odstranljive za namene
vzdrževanja.
Upoštevati je treba naslednje
zahteve glede materialov:
Materiali
Uporabiti je dovoljeno izključno
materiale, ki so toplotno obstojni
ter zaščiteni pred dimnimi plini in
agresivnim kondenzatom ter materiale s certifikatom CE.
Za dimovodni sistem glejte zlasti tabelo na naslednji strani.
Plastični
PP*
Nerjavno
jeklo
Temperaturni
razred
T120
T250
Tlačni razred
P1
P1
Korozijski
razred
W1
W1
* Uporabiti je treba vsaj material z
razredom zaščite pred ognjem E.
Podatki o dimnih plinih
Tip kotla
Nazivna
Nazivna
izhodna
vhodna
toplotna moč toplotna moč
kW
kW
TRIGON
XL
max
min
max
min
115-150
142.3
31.3
145.0
32.2
200
190.4
42.0
194.0
250
237.6
47.0
300
285.7
56.5
350-400
381.3
500
476.7
570
Priključek
odvoda
dimnih
plinov
Raven CO2
Temperatura
dimnih
plinov
Količina
dimnih
plinov
Maks.
dovoljeni
upor dimnika
mm
%
°C
g/s
Pa
max
min
max
min
max
min
max
min
150
53.7
12.8
200
10
43.1
150
71.9
17.1
200
10
242.0
48.4
200
291.0
58.2
200
79.6
388.0
80.5
250
94.6
485.0
97.0
540.2 120.0 550.0 122.2
89.6
19.2
200
10
107.8
23.0
160
10
143.7
30.7
400
10
250
179.7
38.4
300
10
250
203.7
48.4
484
10
10.2
± 0.2
9.4
± 0.2
75
±2
60
±2
19
SL
Postavitev
Zrakovodni/dimovodni sistem
Priključitev dovoda zraka
Dovod zraka je mogoče priključiti
v primeru,
ko je obratovanje neodvisno od zraka v prostoru. Najprej
morate odstraniti zaslonsko ploščo
(3), nato pa lahko cev za vsesavanje
namestite na priključek za vsesavanje, ki je znotraj bojlerja. Premer
je treba izračunati skupaj z izpušnim
sistemom v skladu z nacionalnimi
predpisi.
Skupna upornost dovoda zraka in
izpušnega sistema v nobenem trenutku ne sme presegati največjega
dovodnega tlaka ventilatorja.
Priključek dimnih plinov
• Predpisi za konstruiranje sistemov dimnih plinov so za vsako
državo zelo
• različni. Treba je zagotoviti
upoštevanje vseh nacionalnih
predpisov, ki se tičejo plinskih
sistemov.
• Priključite sistem dimnih plinov na priključek dimnih plinov bojlerja (2), uporabljajte
samo sisteme dimnih plinov z
brezšivnimi priključki. Ni potrebno, da izdelate ločen iztok
kondenzata sistema dimnih plinov, kajti kondenzat se izloča
prek sifona
• bojlerja. Prosimo, da upoštevate
naslednja bistvena vprašanja:
• Premer sistema dimnih plinov mora
biti izbran računsko
z upoštevanjem nacionalnih
predpisov.
• Konstruirajte najkrajše možen
sistem dimnih plinov (glede
največje dolžine glejte dokume
tacijo projektantov stran 21.)
• Vodoravne poti konstruirajte pri
minimalnem kotu 3°.
Priključitev dimovoda
Odvodni dimovod ne sme biti v stiku z vnetljivimi snovmi ali v njihovi
bližini in ne sme prečkati stavb ali
sten iz vnetljivih snovi.
V kotlu je vgrajena funkcija termostata z omejitvijo največje temperature dimnih plinov. Če temperatura
dimnih plinov preseže 90 °C, se gorilnik izklopi. Zaradi te funkcije dodatna (zunanja) varnostna naprava
ni potrebna.
Kadar zamenjujete star kotel, je treba prezračevalni in odvodni dimovodni sistem vedno zamenjati.
Spoj odvodnega dimovodnega sistema je treba ustvariti z moško/
žensko spojko in zatesnitvijo. Spojke
je treba vedno namestiti v nasprotni
smeri odtekanja kondenzata
3
3
1
4
2
1
Index:
1.
2.
3.
4.
Plinski priključek
kotel Connect
Priključite dovod zraka
Pove
zava kamin
2
4
TRIGON XL Modeli: 115 - 150 - 200 - 250
20
TRIGON XL Modeli: 300 - 350 - 400 - 500 - 570
Flue gas system
Postavitev
Dimovodni sistem
Dimenzioniranje posameznega sistema
Osnova za izračun:
Skupna dolžina priključkov v kotlovnici (2 x koleno
87°) ≤ 1,5 m
Maksimalna dovoljena efektivna višina dimovoda
(h) v metrih
Maksimalno krajšanje
dolžine
Zajemanje zraka
za zgorevanje iz
prostora
Zajemanje zraka
za zgorevanje iz
kaskade
B23
C63
Tip kotla
Ø130
Ø150
Ø200
115-150
50
50
50
200
40
50
50
250
46
50
50
300
22
50
50
350-400
50
50
50
500
50
50
50
570
50
50
50
Ø250
Dimenzioniranje
Ø300
• Koleno 90°/87°: −2,5 metra
• Koleno 45°/43°: −1,5 metra
Pri dimenzioniranju dimovodnega
sistema je treba ustreznost izbranega dimovodnega sistema računsko
preveriti.
Naslednja tabela prikazuje dva
primera možnega dimovodnega sistema, vključno z maksimalno možno
dolžino sistema.
Ta primera podajata zgolj prikaz
možne
dolžine in ju ni mogoče uporabiti kot uraden izračun zgradbe
dimovodnega sistema. Zgradbo vsakega dimovodnega sistema mora
izračunati pooblaščeno podjetje.
Maksimalni negativni tlak dimnih plinov, ki ne vpliva na razmerje
modulacije gorilnika, je 30 Pa. Višji
negativni tlak omejuje modulacijsko
razmerje gorilnika.
Maksimalna dolžina vodoravnega
dimovoda je 20 m. Pri dimovodih,
daljših od 20 m, ni mogoče zagotoviti brezhibnega vžiga gorilnika v
hladnem stanju.
Zunanji odvod dimnih plinov Zajemanje zraka iz prostora
Priključek dovoda zraka in odvoda plinov na dobavljene ločene in
preizkušene cevi za dovod zraka/odvod plinov.
Kletna/talna inštalacija.
Izvedba zrakovoda in dimovoda skozi zunanjo steno.
Odvod dimnih plinov skozi toplotno izolirano odvodno ali vlagoodporno cev.
Odvod dimnih plinov (plast stoječega zraka) na zunanjo steno.
Končnih priključkov za dovod zraka za zgorevanje in odvod zgorevalnih plinov ni dovoljeno namestiti na nasprotne stene stavbe.
21
SL
Postavitev
Električna priključitev
Električna priključitev
Električno priključitev mora opraviti pooblaščeni instalater v skladu z
veljavnimi nacionalnimi in lokalnimi
standardi ter predpisi.
Pri napajanju je potrebno uporabiti
glavno izolacijsko stikalo, z odprtino
kontaktov najmanj 3 mm, v prostoru
z bojlerjem. To stikalo se lahko v primeru vzdrževalnih delih uporablja
za izklop napajanja.
Vsi kabli morajo biti napeljani skozi
kabelsko tesnilko na zadnji strani
grelca (1) v električno ploščo (2).
Za dostop do električne plošče
odstranite sprednjo ploščo ohišja,
kot je prikazano na strani 15.
Vse žice na priključke povežite v
skladu s stikalnim načrtom na bojlerju (priloženem v mapi, pripeti na
zadnjo ploščo bojlerja).
1
Kotel je treba obvezno priključiti na
ustrezen ozemljitveni priključek.
2
1
22
Postavitev
Vezalni načrt – Kotel
Električni priključki
povezave
L1 / L2 / L3 /
N / PE
9
10 (N)
11
12 (N)
13/14/15/
16/17/18
20
21
102
103 (GND)
1
04
105 (GND)
108
109 (GND)
110
111 (GND)
112
113 (GND)
114
115 (GND)
116
117 (GND)
118
119 (GND)
120
121 (GND)
130 (CL+)
131 (CL-)
132 (G+)
137
138 (GND)
139 (DB)
140 (MB)
MR1 (rele)
2 T1
4 T2
6 T3
14 N0
X50 (LMS)
Opis
Omrežno napajanje kotla
230 V AC + 10–15 %
50 Hz, 16A
Poljubno programirljiv alarm QX2
230 V AC + 10–15 %
5 mA...1 A, cos φ>0,8
l ≤ 120 m ϕ=1,5 mm²
Črpalka za STV QX3
230 V AC + 10–15 %
5 mA...1 A, cos φ>0,8
l ≤ 120 m ϕ=1,5 mm²
Vhod blokade
230 V AC
5 mA...1 A, cos φ>0,6
Zagon/zaustavitev
Hitrostno krmiljena črpalka
230 V AC + 10–15 %
10 mA...1 A, cos φ >0,8
Poljubno programirljiv BX1
l ≤ 120 m NTC 10 KΩ
Glavni temp. senzor BX2
l ≤ 120 m NTC 10 KΩ
Termostat/senzor temperature B3/B38
DHW
(Parameter) l ≤ 10 m 5 V DC
Senzor zunanje temp. B9
l ≤ 120 m NTC 1 KΩ
Zunanji vpliv H1
0,15-10 V DC l ≤ 10 m Ri >100 KΩ
Poljubno programirljiv H4
Omogočanje kotla H5
l ≤ 120 m 5 V DC/2 mA
Hitrostno krmiljena črpalka
0-10 V DC Imax. 2,7 mA SELV
Na
vedba zmogljivosti grelca
0-10 V DC Imax. 2,7 mA SELV
QAA75
Sobna enota
Črpalka za PWM
LPB-vodilo
Črpalka kotla/obvodna črpalka
400 V AC največ 6A
BSB-EM
23
SL
24
Upravljalnik kaskadne logike
PRIKAZOVALNIK
Nizkonapetostni kontakti v skladu s standardi in direktivami za
zaščito z varnostno malo napetostjo (SELV).
Premer kabla za zunanje senzorje. Glejte tabelo.
Med priključitvijo odstranite žični mostiček ali upor. *
Izbirno.
Pri priključitvi termostata so zahtevani visokokakovostni prevodniški materiali.
(npr. pozlačeni kontakti)
V primeru IP-grelca: QX1 (7-8) je priključen na rele MR1 (A1-A2).
AUX 2 in K1 sta odklopljena.
LPB-vodilo
Senzor za tlak vode
Povratna temp., senzor
Temp. pretoka, senzor
Črpalka grelca/
obvodna črpalka
400 V AC, največ 6 A.
ventilator
GV
Plinski ventil
IGV
Vžigalni transformator
Varovalka notranje enote LMS je 2x T6.3A H 250 V
Skupni tok pri 230 V AC, T 25 je 5 A
Stikalo min. tlaka plina
Stikalo za vklop/izklop
Predvžig
alni plamen IGE
Ionizacija IOE
Alarm
Vhod blokade
230 V AC
5mA...1A, casφ>0,6
Zagon/zaustavitev
hitrostno krmiljene črpalke
230 V AC +10% -15%
10mA...1A, casφ>0,8
Poljubno programirljiv QX2
230 V AC +10% -15%
5mA...1A, cusφ>0,8
Črpalka QX3
230 V AC +10% -15%
5mA..1A, cnsφ>0,8
Postavitev
Vezalni načrt
Glavni senzor temp.
Senzor temp. dimnih plinov
Termostat ali
senzor
temp. za STV
(parameter)
Senzor zunanje temp.
Zunanji vpliv 0-10
0,15-10VDC
Omogočanje kotla
Navedba zmogljivosti grelca
0-10VDC Imax. 2.7 mA SELV
Hitrostno krmiljena črpalka
0-10VDC Imax. 2.7 mA SELV
Kontrolni pregled
Kontrolni pregled
Vodni in hidravlični sistem
Kontrolni pregled bojlerja sme opraviti samo pooblaščeno osebje.
Neupoštevanje tega pogoja razveljavi garancijo. Izpolniti je potrebno
protokol o kontrolnem pregledu
(glejte primer protokola o kontrolnem pregledu na koncu tega poglavja).
To poglavje razlaga kontrolni pregled
bojlerja s standardnim krmilnikom.
Če je instaliran dodatni
sistem krmilnika, preglejte njegov priročnik gledekontrolnega pregleda krmilnika.
Kakovost vode
Sistem mora biti napolnjen z vodo s
pH vrednostjo med 7,0 in 9,5. Vrednost kloridov ne sme preseči 50
mg/l.
Vsakokrat je treba preprečiti vstop
kisika z difuzijo. Poškodba toplotnega izmenjevalnika zaradi difuzije kisika se ne šteje v garancijo.
Pri inštalacijah z večjimi pretoki
vode je treba upoštevati maksimalno polnjenje in dodatne prostornine
z ustreznimi vrednostmi trdote, kot
je navedeno v standardu VDI 2035.
Tabela na označuje zvezo med
kakovostjo vode in maksimalnim
volumnom polnjenja vode v teku
življenjske dobe bojlerja.
Pritisk vode
Odprite ventile do sistema. Preverite
pritisk vode v sistemu. Če je pritisk
vode prenizek (glejte tabelo spodaj),
povišajte pritisk do najmanj minimalno zahtevanega pritiska vode iz
tabele. Polnitev lahko izvajate prek
polnilnega ali odtočnega ventila (2)
na povratnem priključku (1) bojlerja.
Minimalni delovni
pritisk
[bar]
Temperatur
a
pretoka
[ºC]
> 1.0
90
Moč kotla
Najv. vsota zemeljskih
alkalnih kovin
[kW]
[mol/m³]
[°dH]
[°f]
50 - 200
2.0
11.2
20
200 - 600
1.5
8.4
15
Koncentrat
Ca(HCO3)2
Najv. skupna trdota
Zmogljivost naprave Q (kW
150
200
250
300
400
500
600
mol/
m³
°dH
°f
Najv. (dodatna) količina polnjenja z vodo
Vmax [m3]
≤0.5
≤2.8
≤5
-
-
-
-
-
-
-
1.0
5.6
10
-
-
-
-
-
-
-
1.5
8.4
15
3
4
5
6
8
10
12
2.0
11.2
20
3
4
5
6
6.3
7.8
9.4
2.5
14.0
25
1.9
2.5
3.1
3.8
5.0
6.3
7.5
≥3.0
≥16.8
≥30
1.6
2.1
2.6
3.1
4.2
5.2
6.3
1
2
Hidravlični sistem
Preverite če je kotel na sistem
hidravlično priključen tako, da je
vedno zagotovljen pretok vode pri
obratovanju gorilnika.
Merilnik pretoka nadzoruje pretok
vode med dotokom in povratnim
pretokom. Prenizek pretok najprej
povzroči manjšo zmogljivost, nato
pa motnje v kotlu.
25
SL
Kontrolni pregled
Sistemi za nevtralizacijo
Splošno
Sistemi za nevtralizacij
o
Kondenzat, ki ga ustvari kotel, je
treba odvesti v javno kanalizacijsko
omrežje. pH kondenzata je med 3,0
in 3,5. Preverite nacionalne in/ali
lokalne predpise, da ugotovite, ali je
treba kondenzat pred odvajanjem v
javno kanalizacijsko omrežje nevtralizirati.
Sisteme za nevtralizacijo je mogoče
namestiti v spodnji del kotla.
Dobavljeni sistem obsega naslednje
komponente:
• granulat za prvo polnjenje,
• priključne cevi za priključitev
dovoda in odvoda,
• adapter za priključitev na kotel.
Maksimalna količina kondenzata za
posamezni tip kotla je navedena v
poglavju Tehnični podatki.
Za nevtralizacijo sta na voljo dva
različna sistema:
Standardni sistem za nevtralizacijo (DN)
Standardni sistem za nevtralizacijo se uporablja, kadar je priključek javnega kanalizacijskega omrežja nižje od priključka sifona
kotla.
Tip
DN2
DN3
Primeren za
kW
450
1500
Dolžina
mm
420
640
Širina
mm
300
400
Višina
mm
240
240
Sistem za nevtralizacijo s črpalko (HN
)
Sistem za nevtralizacijo s črpalko se uporablja, kadar je priključek javnega kanalizacijskega omrežja višje od priključka sifona
kotla in je treba kondenzat za odvajanje transportirati na višjo raven. Za transport kondenzata poskrbi črpalka, vgrajena v sistem za nevtralizacijo.
Tip
26
HN1.5
HN 2.5
Primeren za
kW
280
540
Dolžina
mm
410
640
Širina
mm
300
400
Višina
mm
290
240
Poraba električne energije
črpalke
W
40
150
Dobavna
višina črpalke
m
6
3
Kontrolni pregled
Dovod plina
Priključitev kondenzata
Priključitve dimnih plinov in dovoda zraka
1
Dovod plina
Preverite tesnjenje priključka za dovod plina. Če se najde kakršnakoli
netesnost, ponovno zatesnite luknjo, preden poženete bojler!
Odstranite ves zrak med plinskim
ventilom in plinsko napeljavo. To
lahko izvedete v testni točki (1) pri
stikalu za pritisk plina. Potem ne pozabite zapreti testne točke!
Preverite tip plina in vrednosti z lokalnim podjetjem za plin, da veste,
za kate
ri tip plina bo bojler kontrolno pregledan.
Preverite navodila kompleta za priključitev, če boste grelec uporabljali
z naravnim plinom L ali utekočinjenim naftnim plinom (LPG).
Priključitve sistema dimnih plinov
in dovoda zraka
Preverite, da so sistemi dimnih plinov in dovoda zraka izdelani v skladu
z nacionalnimi in lokalnimi predpisi.
Instalacij, ki ne ustrezajo predpisom,
ne smete pregledovati.
Preverite, da so vsi priključki prosti.
Velikosti priključkov za dimne pline
in za dovod zraka ne smete zmanjšati.
Priključitev kondenzata
Sifon napolnite z vodo, kot je prikazano na slikah.
Preverite priključke in se prepričajte, da je sifon napolnjen ter da je
pokrov pladnja za kondenzat zaprt,
preden zaženete kotel, da preprečite izpust dimnih plinov skozi pladenj
za kondenzat in sifon.
N
27
SL
Kontrolni pregled
Priprava bojlerja za prvi zagon
Legend:
A
B
C
D
E
F
G
H
I
L
M
Stikalo za vklop/izklop
Ubežna tipka (ESC)
Gumb za uravnavanje temperature
prostora
Tipka za pot
rditev (OK)Funkcijska tipka za
ročno upravljanje
Funkcijska tipka za (de)aktiviranje dimnikarja
Informacijska tipka
Tipka za ponastavitev
Tipka za način delovanja ogrevalni krog(i)
Prikazovalnik
Tipka za način delovanja – pitna voda
Začetni postopki
Zaradi zagotavljanja varnosti in pravilnega obratovanja naprave mora
kotel za obratovanje pripraviti pooblaščeni serviser, ki je v skladu z
zakonodajo usposobljen za tovrstno
delo.
Električno napajanje
• Preverite, ali napetost in
frekvenca električnega napajanja ustrezata podatkom, navedenim na tablici s podatki o
kotlu.
• Zagotovite, da ozemljitveni
priključek deluje učinkovito.
Polnjenje hidravličnega krogotoka
Izvedite naslednje postopke:
• Odprite ventil za dovod hladne
vode.
• Postopoma odpirajte ventil pod
kotlom.
• Odprite ventil za izpust zraka
do najnižje točke in ga zaprite šele, ko v vodi ni več vidnih
mehurčkov.
• Zaprite ventil pod kotlom, ko
tlak na merilniku tlaka doseže
vsaj 1,5 bara.
28
b
c
M
I
L
0
4
ESC
6
-
12
16 20
+
G
24
A
OK
H
B
C
Oskrba s plinom
Izvedite naslednje postopke:
• Zagotovite, da glavni plinski
ventil uporablja enak tip plina,
kot je navedeno na tablici s podatki o kotlu.
• Odprite vsa vrata in okna.
• Zagotovite, da v prostoru ni
isker ali odprtega ognja.
• Zagotovite, da iz sistema ne
uhaja gorivo.
A
D
E
F
Priprava za prvi zagon
• Odprite plinski priključek;
• Vklopite glavno stikalo za oskrbo bojlerja z električno energijo;
• Bojler vklopite s stikalom za
vklop/ izklop (A);
• Poskrbite, da bo bojler ostal v
stanju pripravljenosti ;
• Preverite delovanje črpalke:
zagotovite, da bo smer vrtenja
pravilna;
• Iz črpalke izpustite ves zrak,
tako da z ohišja motorja črpalke
odstranite zapiralni pokrov.
b
Priporočljivo je, da bojler po prvem
zagonu deluje pod 50% obremenitvijo, saj je pod takšnimi pogoji mogoče najlažje sprožiti analizo izgorevanja.
To lahko zagotovite na naslednji način:
• Pritisnite in držite tipko I več kot
3 sekunde, da se bojler preklopi
na delovanje z zaustavljenim regulatorjem;
• Pritisnite informacijsko tipko (G), da se prikaže aktualna
obremenitev bojlerja (%);
• Zdaj lahko preko nastavitev (potrdite s tipko OK) določite obremenitev kotla, tako da zavrtite
vrtilno stikalo in s tipko OK potrdite vrednost 50 %.
• Po preverjanju vrednosti zgorevanja (glej naslednjo stran), lahko način nadzornika Stop ustavi
s pritiskom na gumb za način
nadzor (I)> 3 sec
Kontrolni pregled
Analiza izgorevanja
Analiza izgorevanja pri polni obremenitvi
Bojler zaženite v načinu delovanja
z zaustavljenim regulatorjem pod
50-odstotno delno obremenitvijo.
Ko je 50% obremenitev dosežena,
počakajte tri minute, da lahko bojler
stabilizira izgorevanje.
Nato obremenitev postopno povečujte na 100 %. Ko zvišujete obremenitev bojlerja, preverjajte pritisk
plina na vhodu plinskega ventila:
pritisk plina ne sme nikoli pasti pod
minimalno zahtevano vrednos
tjo, ki
jo navajajo tehnični podatki. Ko je
nameščeno (izbirno) stikalo za najmanjši tlak plina, mora biti nastavljeno na 75% zahtevanega plinskega tlaka.
Preverite nastavitve izgorevanja s
pomočjo testne točke v priključku
dimnih plinov (1).
Nastavitve po potrebi popravite z
majhnim nastavitvenim vijakom (2)
pod pokrovom (3) na vrhu plinskega
ventila.
Nastavitve izgorevanja
za naravni plin G20 / G25
CO2 max.
G20 / G25
%
10,2 ± 0.2
Nastavitve izgorevanja
za naravni plin G20 / G25
CO2 min.
G20 / G25
%
9,4± 0.2
Nastavitve izgorevanja
za G31 (I3P)*
CO2 max.
G31 (I3P)
%
11,9± 0.2
Nastavitve izgorevanja
za G31 (I3P)*
CO2 min.
G31 (I3P)
%
10,0± 0.2
Nastavitve izgorevanja
za G30 / G31 (I3B/P)*
CO2 max.
G30 (I3B/P)
%
12,7± 0.2
CO2 max.
G31 (I3B/P)
%
10,9± 0.2
Nastavitve izgorevanja
za G30/G31 (I3B/P)*
CO2 min.
G30 (I3B/P)
%
11,9± 0.2
CO2 min.
G31 (I3B/P)
%
10,0± 0.2
*Uporabite komplet za priključitev I3P in I3B/P
1
Preverjanje izgorevanja pri
minimalni
obremenitvi
Bojler preklopite na minimalno
obremenitev (0 %). Preverite nastavitve izgorevanja na enak način, kot
je opisano za polno obremenitev
Nastavitve po potrebi popravite z
velikim nastavitvenim vijakom na
vrhu plinskega ventila (4).
Preverjanje izgorevanja pri 50%
obremenitvi
Priporoča se dodatno referenčno
preverjanje vrednosti izgorevanja
pri 50% obremenitvi, zato da bi preverili, če je nastavitev plinskega ventila taka, da je modulacijsko vedenje
običajno.
Vrednost CO2 mora biti med nastavitvami polne obremenitve in minimalne obremenitve. Vrednost CO
mora biti enaka pri polni obremenitvi, kot tudi pri minimalni obremenitvi.
Zagotovite, da bo bojler po določitvi
nastavitev preklopljen nazaj na samodejni način delovanja (izklopitev
načina delovanja z zaustavljenim
regulatorjem in vklop samodejnega
načina).
3
2
4
29
SL
Kontrolni pregled
Preverjanje plinskega ventila
Preverjanje pretoka vode
Plinski ventil
Zaradi dolžine sistema dimnika
lahko pride do
vleka ali resonance. Tovrsten vlek lahko negativno
vpliva na vžig in stabilnost zgorevanja. Za zmanjšanje vpliva vleka ali
odpravo resonance lahko nastavite
ventil dimnih plinov. Na voljo je 10
položajev tega ventila. Opravite več
preizkusov pri različnih položajih
ventila dimnih plinov, da najdete
optimalni položaj za dokončanje
inštalacije.
Preverjanje pretoka vode
Pretok vode skozi bojler lahko
preverjamo na dva različna načina,
ki sta prikazana spodaj.
Meritev ΔT
Preverite temperaturno razliko na
bojlerju (ΔT tok-povratek), ko bojler
deluje pri 100% obremenitvi. Nazivna ΔT je 20K in mora biti najmanj
med 10K in 30K za varno delovanje
bojlerja.
Označitev trenutnega pretoka se
dobi z naslednjim izračunom (glejte
tabelo spodaj za nazivne podatke):
qtrenutna = (ΔTnazivna / ΔTizmerjena ) * qnazivna [m3/h]
Mesure Δp
Preverite razliko pritiskov na bojlerju
^ (Δp tok-povratek), ko črpalka bojlerja deluje (ne zahteva se vključitev
gorilnika). Nazivno vrednost Δp
za
vsak tip bojlerja dobite lahko v
tabeli spodaj, trenutna Δp mora
biti v mejah 1.0*Δpnazivna ≤ Δp ≤
4.0*Δpnazivna.
Označitev trenutnega pretoka se
dobi z naslednjim izračunom (glejte
tabelo spodaj za nazivne podatke):
qtrenutna = √(Δppizmerjen / Δpnazivna ) * qnazivna [m3/h]
TRIGON XL
Podatki o pretoku vode
Nazivni pretok
ΔT pri nazivnem pretoku
Δp pri nazivnem pretoku
30
[m /h]
3
115-150
200
250
300
350-400
500
570
6.1
8.1
10.1
12.2
16.3
20.4
23.1
32.3
34.3
57.1
[°C]
[kPa]
20
11.2
26.8
31.2
11.9
Kontrolni pregled
Preverjanje delovanja varnostnih naprav
Preverjanje delovanja varnostnih
naprav
Vse varnostne naprave je treba
preverjati glede pravilnega delovanja.
K varnostnim napravam pri običajnih
kotlih spadajo tipalo za temperaturo dotoka, senzor za temperaturo
odpadnega plina, tlačno stikalo za
najmanjšo količino plina in ionizacijska elektroda. Te naprave lahko
preverjamo, kot je opisano spodaj.
1
4
2
Temperaturni senzor pretoka
vode (1)
Pri vključenem bojlerju izključite vtič
s senzorja. Izpad se odpravi takoj, ko
postavimo vtič nazaj na svoje mesto,
bojler se ponovno vklopi.
Temperaturni senzor povratnega
pretoka vode (2)
Pri vključenem bojlerju izključite vtič
s senzorja. Izpad se odpravi takoj, ko
postavimo vtič nazaj na svoje mesto,
bojler se ponovno vklopi.
2
1
Temperaturni senzor dimnih
plinov (3)
Pri vključenem bojlerju izključite vtič
s senzorja. To povzroči izpad št. 28.
Izpad se odpravi takoj, ko postavimo
vtič nazaj na svoje mesto, bojler se
ponovno vklopi.
Ionizacijska elektroda. (4)
Pri vključenem bojlerju odstranite
priključek ionizacijske elektrode,
kar povzroči izpad št. 128. Bojler se
poskuša pobrati. Pri odstranjenem
električnem priključku, ponovni
zagon povzroči izpad št. 133. Če je
priključek že montiran, bo poskus
zagona uspešen.
Meritev ionizacijskega toka se lahko
izvede z montiranjem multimetra
(nastavljenega na μA) med ionozacijsko elektrodo in njenim ele
ktričnim
priključkom. Ionizacijski tok bo v
normalnih pogojih znašal med 4,4 in
10,6 μA
Minimalni ionizacijski tok znaša:
• 1.51 μA (Type 150/200/300)
• 2.5 μA (Type 250)
• 3.2 μA (Type 400/500/570)
3
4
31
SL
Kontrolni pregled
Stikalo minimalnega pritiska plina
Izključitev bojlerja
Preverjanje plinotesnosti
Preverite plinotesnost vseh zatesnjenih priključkov s preskušeno milnico ali elektronskim analizatorjem
plinov, na primer:
• Preizkusne točke (6);
• Vijačni priključki;
• Tesnila mešalnega sistema, ipd.
6
Izključitev bojlerja
Ko grelca dlje časa ne uporabljate, ga
zaustavite po naslednjem postopku:
• Grelec preklopite na delovanje v
stanju pripravljenosti
;
• Izključite bojler s stikalom on/off
(7).
• Onesposobite napajanje bojlerja
z dezaktiviranjem glavnega
izolacijskega stikala v prostoru,
kjer se nahaja bojler.
• Zaprite dovod plina k bojlerju.
b
7
32
Kontrolni pregled
Protokol kontrolnega pregleda
Protokol kontrolne
ga pregleda TRIGON XL
Projekt
Tip kotla
Serijska številka
Leto
Nazivna obremenitev (Hi) [kW]
Nazivni izhod (Hi)
[kW]
Projekt
Naslov
Mesto
Datum
Inženir
Sistem
Tlak vode
pH vode
pH vode
Kloridi vode
∆T vode polno breme
∆pkotla
Pretok vode
Nastavitev črpalke
Varnostne naprave
Nastavitev zgornje meje
Nastavitev temp, omejilnika
Nastavitev stikala za min.tlak
plina
Gorilnik s časovnim vžigom
[bar] Postavitev:
[-]
[°dH]
[mg/l]
[°C] Hidravlika:
[kPa]
[m3/h]
[-]
Tagtop
□
Pritličje
klet
Drugo
Zbiralnik nizke hitrosti
Pokovinjen topl.izmenj.
Stranski kotel
□
□
□
□
□
□
Drugo
□
[°C] Tipalo temp. pretoka
[°C] Tipalo temp. povratka
[mbar
☐
☐
[seK] Stikalo za zračni tlak
☐
☐
Tipalo temp. dimnih plinov
Analiza izgorevanja
100% moč
Poraba plina
Tlak plina
CO2
O2
CO
NOx
Tatmosfere
Tdimnih plinov
Tpredtočne vode
Tpovratne vode
Ionizacijski tok
pventilatorja
[m /h]
[mbar]
[%]
[%]
[ppm]
[ppm]
[°C]
[°C]
[°C]
[°C]
[µA]
[mbar]
3
50% moč
Min
. moč
[m /h]
[mbar]
[%]
[%]
[ppm]
[ppm]
[°C]
[°C]
[°C]
[°C]
[µA]
[mbar]
3
[m3/h]
[mbar]
[%]
[%]
[ppm]
[ppm]
[°C]
[°C]
[°C]
[°C]
[µA]
[mbar]
Opombe
33
SL
Delovna navodila
Delovna navodila
Upravljalni elementi
A
B
C
D
E
F
G
H
I
L
M
Stikalo za vklop/izklop
Ubežna tipka (ESC)
Gumb za uravnavanje temperature
prostora
Tipka za potrditev (OK)
Funkcijska tipka za ročno upravljanje
Funkcijska tipka za (de)aktiviranje
dimnikarja
Informacijska tipka
Tipka za ponastavitev
Tipka za način delovanja –
ogrevalni krog(i)
Prikazovalnik
Tipka za način delovanja – pitna
voda
Tipka za način delovanja – pitna
voda (M)
Za vklop priprave pitne vode. (Stolpec pod vodno pipo na prikazovalniku.)
Tipka za način delovanja – ogrevalni
krog(i) (I)
Za nastavitev štirih različnih načinov
ogrevanja:
• Samodejna ura: samodejni
način delovanja v skladu s
časovnim programom
• Sonce 24 h: ogrevanje pri
udobni želeni temperaturi
• Luna 24 h: ogrevanje pri znižani
želeni te
mperaturi
• Zaščitni način delovanja: ogrevanje je izklopljeno, deluje
zaščita proti zmrzovanju
Prikazovalnik (L)
Informacijska tipka (G)
Priklic naslednjih informacij brez
vpliva na krmilnik: temperatura,
stanje načina delovanja za ogrevanje/pitno vodo, sporočila o napakah.
Gumb za uravnavanje temperature
prostora (C)
• Za spreminjanje udobne temperature prostora
• S tem vrtljivim gumbom lahko pri
programiranju izbirate in spreminjate nastavitve
34
b
c
M
I
L
0
4
ESC
6
-
12
16 20
+
G
24
A
OK
H
B
C
Tipka za potrditev – OK (D)
Ubežna tipka – ESC (B)
Ti dve tipki se skupaj z velikim vrtljivim gumbom -+ uporabljata za programiranje in nastavljanje krmilnika.
Nastavitve, ki jih ni mogoče izvesti
z upravljalnimi elementi, se izvršijo
s programiranjem. S pritiskom tipke
ESC se premaknete en korak nazaj,
nastavljene vrednosti pri tem niso
prevzete.
Če želite iti na naslednjo raven
upravljanja ali shraniti spremenjene
vrednosti, pritisnite tipko OK.
Fun
kcijska tipka za ročno
upravljanje (E)
V ročnem načinu vse črpalke delujejo in mešalni ventili niso več krmiljeni,
nastavitvena točka gorilnika pa je
prilagodljiva (tovarniška nastavitev
je 60 °C) (Označitev s simbolom
ključa).
Stikalo za vklop/izklop (A)
• Položaj 0
Cela naprava in nanjo priključeni
električni sestavni deli so brez
električnega toka. Zaščita proti zmrzovanju ni zagotovljena.
• Položaj I
Naprava in nanjo priključeni
električni sestavni deli so pripravljeni za obratovanje.
D
E
F
Odzračevalna funkcija (E)
Če tipko za ročno upravljanje pritisnete in držite dlje kot 3 sekunde,
se izvede samodejno odstranjevanje zraka iz vode, npr. po prvem
polnjenju naprave. Pri tem se naprava preklopi na zaščitni način delovanja
. Večkrat se izvrši vklop in
izklop črpalk. S tem se tripotni ventil, če obstaja, preklopi na položaj
za toplo vodo in črpalke se zopet
večkrat vklopijo in izklopijo. Ob koncu te funkcije se kotel zopet preklopi
nazaj na
normalni način delovanja.
b
Funkcijska tipka za (de)aktiviranje
dimnikarja (F)
S kratkim pritiskom te tipke se kotel
preklopi v način za merjenje emisij,
ob ponovnem pritiskom tipke oz.
po 15 minutah se ta funkcija samodejno deaktivira (označitev s simbolom ključa).
Tipka za ponastavitev (H)
S kratkim pritiskom tipke se zapora
gorilnika izklopi.
Delovna navodila
Opis prikazovalnika
Programiranje
Izbira načina za pitno vodo
Izbira načina za ogrevanje
(Delovanje z zaustavljenim regulatorjem,
če tipko držite dlje kot 3 sekunde)
b
c
Prikazovalnik
0
Izhod iz menija
4
6
ESC
-
12
16 20
+
Informacijska tipka t
Potrditev
Ročno upravljanje
(Odzračevalna funkcija, če tipko
držite dlje kot 3 sekunde)
24
OK
Ponastavi
Izbiranje
(Vrtenje v desno/levo)
Način za dimnikarja
Ogrevanje pri udobni želeni
temperaturi
Ogrevanje pri znižani želeni temperaturi
Ogrevanje pri temperaturi, ki omogoča
zaščito proti zmrzovanju
Postopek v teku – počakajte
Gorilnik deluje (
samo pri oljnem/plinskem kotlu)
Sporočila o napakah
INFO
PROG
ECO
Informacijska raven aktivirana
Programiranje aktivirano
Gretje začasno izklopljeno;
aktivna je funkcija ECO
Počitniška funkcija aktivna
Parametriranje
Sklic na ogrevalni krog
No.
Osnovni prikaz
(raven tipk)
Ročno upravljanje/način za
dimnikarja
Številka upravljalne vrstice
(številka parametra)
Pritisnite tipko OK (1x)
-
-
-
-
-
-
-
Uporabnik
izberite želeno nastavitev
potrdite s tipko OK
izberite želeni parameter
potrdite s tipko OK
z vrtenjem gumba + - spremenite
nastavitev
potrdite s tipko OK
s tipko ESC se vrnete nazaj na
osnovni prikaz
Pritisnite tipko OK (1x)
Pritisnite tipko INFO (4 s)
-
-
-
-
-
-
-
-
-
Zagon
Strokovnjak
izberite želeno uporabniško raven
potrdite s tipko OK
izberite želeno nastavitev
potrdite s tipko OK
izberite želeni parameter
potrdite s tipko OK
z vrtenjem gumba + - spremenite
nastavitev
potrdite s tipko OK
s tipko ESC se vrnete nazaj na
osnovni p
rikaz
35
SL
Delovna navodila
OK
= informacije
ESC =preklicati, vrniti v meni
Kratek pregled glavnih funkcij
Dejanje
Tipka
Auto
F
C
Postopanje
Prikaz/funkcija
Nastavitev želene
temperature prostora
Ogrevalni krog 2 skupaj
z ogrevalnim krogom 1
Vrtljivi gumb zavrtite v
levo/desno
Vrtljivi gumb zopet
zavrtite
Shranite s tipko OK ali
počakajte
5 s ali s pritiskom na tipko
Navedba udobne želene temperature v utripajoči obliki
Utripajoči prikaz temperature po korakih (0,5 °C) od 10,0—30
°C
Udobna želena temperatura prevzeta
Udobna želena temperatura ni prevzeta
- po 3 sekundah se prikaže osnovni prikaz
Nastavitev želene
temperature prostora za
ogrevalni krog 1 ali 2
2. ogrevalni krog neodvisen
od ogrevalnega kroga 1
Vrtljivi gumb zavrtite v levo/
desno
Tipka OK
Vrtljivi gumb zavrtite v levo/
desno
Shranite s tipko OK ali
počakajte
5 s ali s pritiskom na tipko
Izbira ogrevalnega kroga
Ogrevalni krog je prevzet
Utripajoči prikaz temperature po korakih (0,5 °C)
od 10,0—30
°C
VKLOP ali IZKLOP načina
za pitno vodo
Pritisk na tipko
Način za pitno vodo je vklopljen/izklopljen
(Viden/neviden segmentni stolpec pod simbolom za pitno
vodo)
- Vklopljen: priprava pitne vode v skladu z nastavljenim
programom
- Izklopljen: brez priprave pitne vode
- Zaščitne funkcije so aktivne
Menjava načina delovanja
Tovarniška nastavitev
Samodejni način delovanja je vklopljen:
- Ogrevanje v skladu s časovnim programom
- Želene temperaturne vrednosti v skladu s programom ogrevanja
- Zaščitne funkcije so aktivne
- Samodejno prestavljanje med poletjem in zimo je aktivno
- Funkcije ECO so aktivne
(Segmentni stolpec pod ustreznim simbolom je viden)
Kratek pritisk na tipko (1x)
Trajno UDOBNO ogrevanje je vklopljeno:
- Ogrevanje brez časovnega programa pri udobni želeni
temperaturi
- Zaščitne funkcije so aktivne
Ponovni kratek pritisk na tipko
Trajno ZNIŽANO ogrevanje je vklopljeno:
- Ogrevanje brez časovnega programa pri znižani želeni
tempe
raturi
- Zaščitne funkcije so aktivne
- Samodejno prestavljanje med poletjem in zimo je aktivno
- Funkcije ECO so aktivne
Ponovni kratek pritisk na tipko
Zaščitni način delovanja je vklopljen:
- Ogrevanje je izklopljeno
- Temperatura v skladu z zaščito proti zmrzovanju
- Zaščitne funkcije so aktivne
Pritisk na tipko (1x) > 3 s
Ponovni pritisk na tipko > 3 s
304: Zaustavitev regulatorja Nastavitev želene vrednosti
po 3 sekundah se prikaže osnovni prikaz
i
Način delovanja z
36
Udobna želena temperatura prevzeta
Udobna želena temperatura ni prevzeta
- po 3 sekundah se prikaže osnovni prikaz
Delovna navodila
Kratek pregled glavnih funkcij
Prikaz različnih informacij
Pritisk na tipko (1x)
Ponovni pritisk na tipko
Pritisk na tipko
Način delovanja v skladu
z želenimi vrednostmi, ki
so nastavljene ročno
Spreminjanje tovarniško
nastavljene temperature
kotla
Kratek pritisk na tipko
Kratek pritisk na tipko
Vrtenje vrtljivega gumba -/+
Kratek pritisk na tipko
Krat
ek pritisk na tipko
Prikažejo se informacije
- stanje kotla
- temperatura prostora
- najnižja temperatura prostora
- stanje pitne vode
- najvišja temperatura prostora
- stanje ogrevalnega kroga 1
- zunanja temperatura
- stanje ogrevalnega kroga 2
- najnižja zunanja temperatura
- najvišja zunanja temperatura
- ura/datum
- temperatura pitne vode 1
- sporočilo o napaki
- temperatura kotla
-.sporočilo o vzdrževanju
- temperatura predtoka vode
(prikaz informacijskih vrstic je odvisen od nastavitve)
nazaj na osnovni prikaz; informacije izginejo
Ročno upravljanje je vklopljeno (prikazan je simbol ključa)
- ogrevanje na prednastavljeni temperaturi kotla
(tovarniška nastavitev = 60 °C)
301: Ročno obratovanje
Utripajoč prikaz temperature
Nastavitev želene vrednosti
Stanje kotla
Ročno upravljanje je izklopljeno (simbol ključa izgine)
Kratek pritisk na tipko
Odzračevalna funkcija
Pritisk na tipko (1x) > 3 s
Ponovni pritisk na tipko > 3 s
312: Odzračevalna funkcija VKLOPLJENA
Odzračevalna funkcija IZKLOPLJENA
Aktiviranje funkcije
dimnikarja
Pritisk na tipko (< 3 s)
Ponovni pritisk na tipko (< 3 s)
Funkcija dimnikarja vklopljena
Funkcija dimnikarja izklopljena
Kratkotrajno znižanje
temperature prostora
na QAA75
Pritisk na tipko
Ponovni pritisk na tipko
Ogrevanje pri znižani želeni temperaturi
Ogrevanje pri udobni želeni temperaturi
Tipka za ponastavitev
Pritisk na tipko (< 3 s)
Ponovni pritisk na tipko > 3 s
Naprava je ročno zaklenjena, blokirana
Naprava je odklenjena, zvonček alarma izgine
j
C
OK
= informacije
ESC =preklicati, vrniti v meni
37
SL
Vzdrževanje
Vzdrževanje
Spisek preverjanj
Zamenjava elektrod
Vzdrževanje bojlerja izvaja lahko
samo pooblaščeno osebje.
Da bi bojler stalno dobro in varno
deloval, je potrebno, da se pregleda
najmanj enkrat letno. Izpolniti je
potrebno protokol o vzdrževanju
(glejte
primer
protokola
o
vzdrževanju na koncu tega poglavja).
Spisek preverjanj
Izvajati je potrebno naslednje aktivnosti,
poglejte naslednje paragrafe za obširen opis glavnih aktivnosti:
•
•
•
•
•
•
2
Zamenjava elektrod
Elektrode se nahajajo na desni strani
bojlerja. Zamenjajte vžigno elektrodo (1) in ionizacijsko elektrodo (2),
kot je prikazano na sliki.
38
Zamenjajte vžigne in ionizacijske elektrode;
Očistite zbiralnik kondenzata;
Očistite in napolnite sifon;
Preglejte zgorevalno komoro,
po potrebi očistite (le s stisnjenim zrakom in/ali sesalnikom);
Preverite pritisk vode sistema;
Preverite kakovost vode sistema, kakor tudi dovodne vode;
1
•
•
•
•
•
•
Preverite hitrost pretoka vode
skozi bojler;
Preverite/popravite vrednosti
izgorevanja pri polnem in minimalnem bremenu z analizatorjem izgorevanja;
Preverite pritisk plina do bojlerja;
Preverite tesnjenje vseh zatesnjenih priključkov in testnih točk;
Preverite delovno sposobnost
vseh varnostnih naprav;
Izpolnite protokol o vzdrževanju.
Vzdrževanje
Čiščenje zbiralnika kondenzata
Čiščenje in po
lnjenje sifona
Čiščenje zbiralnika kondenzata
• Odstranite pokrov s pladnja za
kondenzat (1);
• Očistite pladenj;
• Zaprite pladenj za kondenzat;
1
Čiščenje in ponovno polnjenje sifona
• Odstranite sifon (3) s priključka za
kondenzat (2);
• Očistite ga in ga napolnite s čisto
vodo;
• Sifon namestite nazaj v prvotni
položaj.
2
3
39
SL
Vzdrževanje
Čiščenje zbiralnika za nečistoče
Pregled zgorevalne komore
Čiščenje zbiralnika za nečistoče
• Odstranite sifon s priključka za
kondenzat;
• Odstranite pokrov (5) z zbiralnika za nečistoče na zadnji strani
sifona (4);
• Očistite z veliko čiste vode.
• Zaprite pokrov zbiralnika za
nečistoče
• Sifon znova priključite na
priključek za kondenzat
4
5
Pregled zgorevalne komore
Kontrolno okence (6) je na levi strani
kotla.
• Zgorevalno komoro preverite
prek kontrolnega okenca.
6
40
Vzdrževanje
Fizikalno in kemično preverjanje vode
Kakovost plina in vode
Varnostne naprav
e
Fizikalno in kemično preverjanje vode
Po nekajtedenskem obratovanju
preverite glavne fizikalne in kemične
parametre:
pH:
Trdota:
Električna
prevodnost
7 - 9.5
< 20 °fH
<150 µS/cm
Kloridi:
<50 mg/l
Sulfidi
<50 mg/l
Nitridi
<50 mg/l
Železo
<0.5 mg/l
Če so vrednosti višje od navedenih,
je treba uporabiti ustrezen sistem za
pripravo vode.
Pritisk in kakovost vode
Preverite, če pritisk vode in kakovost
ustrezata zahtevam. Za bolj podrobne informacije si poglejte
poglavje “kontrolni pregled: voda in
hidravlični sistem”.
Hitrost pretoka vode
Preverite, če je pretočna hitrost
vode skozi bojler v predpisanih mejah. Za bolj podrobne informacije si
poglejte poglavje “kontrolni pregled:
preverjanje pretoka vode”.
Analiza izgorevanja
Preverite izgorevanje pri polni obremenitvi in minimalni obremenitvi,
po potrebi popravite nastavitve.
Priporočljivo je dodatno preverjanje pri 50% obremenitvi. Za bolj
podrobne informacije si poglejte
poglavje “kontrolni pregled: an
aliza
izgorevanja”.
Pritisk plina
Preverite dinamični pritisk plinskega
dovoda do bojlerja, ko bojler deluje pri polnem bremenu. V primeru kaskade bojlerjev morajo vsi bojlerji delovati pri polni obremenitvi.
Glede zahtevanih vrednosti poglejte
tehnične podatke.
Preverjanje plinotesnosti
Preverite tesnjenje vseh zatesnjenih
priključkov s preskušenim milom
ali elektronskim analizatorjem, na
primer:
• testne točke;
• vijačne priključke;
• tesnila mešalnega sistema itd.
Varnostne naprave
Preverite delovno sposobnost in
nastavitve vseh priključenih varnostnih naprav. Za bolj podrobne informacije si poglejte poglavje “kontrolni pregled: preverjanje delovnih
sposobnosti varnostnih naprav”.
41
SL
Vzdrževanje
Checklist o vzdrževanju
Checklist kontrolnega pregleda TRIGON XL
Projekt
Tip kotla
Serijska številka
Leto
Nazivna obremenitev (Hi) [kW]
Nazivni izhod (Hi)
[kW]
Projekt
Naslov
Mesto
Datum
Inženir
Sistem
Tlak vode
pH vode
pH vode
Kloridi vode
∆T vode p
olno breme
∆pkotla
Pretok vode
Nastavitev črpalke
Varnostne naprave
Nastavitev zgornje meje
Nastavitev temp, omejilnika
Nastavitev stikala za min.tlak
plina
Gorilnik s časovnim vžigom
[bar]
[-]
[°dH]
[mg/l]
[°C]
[kPa]
[m3/h]
[-]
[°C] Tipalo temp. pretoka
[°C] Tipalo temp. povratka
[mbar
☐
☐
[seK] Stikalo za zračni tlak
☐
☐
Tipalo temp. dimnih plinov
Analiza izgorevanja
100% moč
Poraba plina
Tlak plina
CO2
O2
CO
NOx
Tatmosfere
Tdimnih plinov
Tpredtočne vode
Tpovratne vode
Ionizacijski tok
pventilatorja
Opombe
42
[m /h]
[mbar]
[%]
[%]
[ppm]
[ppm]
[°C]
[°C]
[°C]
[°C]
[µA]
[mbar]
3
50% moč
Min. moč
[m /h]
[mbar]
[%]
[%]
[ppm]
[ppm]
[°C]
[°C]
[°C]
[°C]
[µA]
[mbar]
3
[m3/h]
[mbar]
[%]
[%]
[ppm]
[ppm]
[°C]
[°C]
[°C]
[°C]
[µA]
[mbar]
Izpadi
Izpadi
Lockouts
V primeru izpada se na prikazoval-
KODA
In caseniku
of a lockout,
symbol
on the display. The cause of
a fault should first
prikažetaa warning
opozorilni
znak ( ) and a flashing
NA- err
or code
OPISappears
NAPAKE
VZROK
be determined
and eliminated
before
thepoboiler is being reset. The table below shows all possible lockouts with indication of
in utripajoča
koda napake.
Pred
PAKE
possiblenastavitvijo
cause.
kotla R40 je treba vzrok
Napaka zunanjega senzorja (B9) (model
motnje odpraviti. Na priloženem
10
Napaka zunanjega senzorja prostora, zaščita naprave pred zmrzaljo,
seznamu so našteti možni izpadi z
vrednost senzorja ni veljavna)
referencami na vzroke
motenj.
Error
Description of error
Kratki stik senzorja predtoka kotla (B2)
Napaka senzorja temperacode
20
Odprt tokokrog senzorja predtoka kotla
ture kotla 1
No error
0
(B2)
10
Outside temperature sensor error
Napaka senzorja temperature skupnega
20
Boiler temperature 1 sensor error
Napaka senzorja tempera- predtoka (B10) (manjkajoč senzor, dvojno
26
26
Common flow temperature
sensor
error
ture skupnega
predtoka
konfiguriran, konfiguriran v podrejeni na28
Flue gas temperature sensor error
pravi ...)
30
Flow te
mperature 1 sensor error
Napaka senzorja tempera- Odprt tokokrog senzorja dimnih plinov
32
Flow temperature 28
2 sensor error
ture dimnih plinov
Kratki stik senzorja dimnih plinov
38
Flow temperature primary controller sensor error
Kratki stik senzorja povratka kotla (B7)
40
Return temperature 1 sensor Napaka
error
senzorja tempera40
Odprt tokokrog senzorja povratka kotla
46
Return temperature cascade ture
sensor
error 1
povratka
(B7)
47
Common return temperature sensor error
Napaka
senzorja
temperaNapaka senzorja temperature/termostata
50
DHW temperature50
1 sensor error
ture/termostata STV 1
STV 1 (B3)
52
DHW temperature 2 sensor error
Napaka
senzorja
temperaNapaka senzorja temperature/termostata
54
DHW primary controller
52 sensor error
ture/termostata
STV
2
STV 2 (B31)
57
DHW circulation temperature sensor error
Napaka
senzorja
za
tlak
Napaka senzorja za tlak vode (kratki stik ali
60
Room temperature781 sensor error
vode
odprt tokokrog)
65
Room temperature 2 sensor error
Kratki
sti
k error
vodila LPB ali Kratki stik vodila LPB ali brez napajanja
70
Buffer storage tank
temperature
1
sensor
81
brez
napajanja
vodila
71
Buffer storage tank temperature
2 sensor
errorvodila
82temperature
Spor
naslovov
Spor naslovov LPB
72
Buffer storage tank
3 sensor
errorLPB
73
Collector temperature 1 sensor
error stik vodila BSB ali
Kratki
83 2 sensor error
Kratki stik vodila BSB ali brez komunikacije
74
Collector temperature
brez komunikacije
82
LPB address collision
84
Spor naslovov vodila BSB
Spor naslovov vodila BSB
83
BSB wire short-circuit
Napaka pri brezžični komu- Napaka pri brezžični komunikaciji vodila
85
84
BSB address collision
nikaciji vodila BSB
BSB
85
BSB RF communication error
Izguba podatkov v pomnil91
EEPROM error lockout
91 information
Izguba podatkov v pomnilniku EEPROM
niku EEPROM
98
Extension module 1 error (collective error)
Dve nadrejeni napravi za
99
Extension module100
2 error (collective error)
Dve nadrejeni napravi za urni čas
urni čas
100 2 clocktim
e masters (LPB)
Sporočilo
Sporočilo o vzdrževanju
102 Clocktime master 105
without reserve
(LPB) o vzdrževanju
Prekoračena temperatura SLT-ja
103 Communication error
105 Maintenance message
Blokado povzroča odprt TL/SLT
109 Boiler temperature supervision
Temperatura povratka kotla je višja ali
110 STB lockout
enaka (temperaturi kotla + Sd_RL_groes110
Blokada SLT-ja
111 TW cutout
ser_VL − 2 K)
119 Safety thermostat on burner door interrupted
Temperatura Delta-T je previsoka
121 Flow temperature 1 (HC1) supervision
Temperatura kotla narašča hitreje, kot je
122 Flow temperature 2 (HC2) supervision
dovoljeno v parametru TempGradMaks
125 Pump supervision error
Varnostna zaustavitev ome- Varnostna zaustavitev omejevalnika tem111
126 DHW charging supervision
jevalnika temperature
perature
127 Legionella temperature not reached
Stikalo za tlak vode se je iz119operation
Vrata gorilnika (termostat)
128 Loss of flame during
klopilo
129 Fan error or LP error
Izguba plamena med obra- Pre
koračen števec ponavljanja napak
128 limit exceeded
130 Flue gas temperature
tovanjem
Izguba plamena med obratovanjem
131
132
133
Burner fault
GP or LP error
No flame during safety time
27
43
SL
Izpadi
KODA
NAPAKE
VZROK
322
Prekoračena maks. omejitev za
Temperatura dimnih plinov ≥ 90 °C
temperaturo dimnih plinov
Varnostna zaustavitev stikala za Vmesna blokada, vhod prekinjen
tlak plina
Stikalo za tlak plina je vklopljeno
Prekoračen števec ponavljanja napak
Prekoračen varnostni čas za
Prekoračen varnostni čas za vzpostavzpostavitev plamena
vitev plamena
Napačna polarnost omrežnega napaNotranja napaka BMU-ja
janja 230 V
Napaka pri nastavitvi paramePonovno programiranje PCB
trov
Gumb za ponastavitev ste pritisnili in
Enota ročno zaklenjena
držali predolgo
Mejna hitrost ventilatorja ni Mejna hitrost ventilatorja ni bila dobila dosežena
sežena
Stikalo za tlak zraka (APS) se ne
Stikalo APS se ne izklopi
izklopi
Napaka stikala predtoka/tlaka
Okvara stikala za zračn
i tlak
HC
Stikalo APS se ne vklopi
Stikalo APS se ne vklopi
Enota v načinu nastavitve para- Enota v načinu nastavitve parametrov
metrov
(ključ parametrov)
Tlak vode 3 previsok
Tlak vode na vhodu H3 je previsok
323
Tlak vode 3 prenizek
Tlak vode na vhodu H3 je prenizek
324
Enak vhod senzorja BX
Vhod senzorja BX1 brez funkcije
Vhod senzorja BX2 brez funkcije
Vhod senzorja BX3 brez funkcije
Manjkajoč senzor kaskadnega
predtoka B10
Zunanja svetloba
Podnapetost omrežnega napajanja
Enak vhod senzorja BX
130
132
133
151
152
153
160
162
164
166
183
330
331
332
353
384
385
386
388
426
427
432
44
OPIS NAPAKE
Vhod senzorja BX1 brez funkcije
Vhod senzorja BX2 brez funkcije
Senzor dimnih plinov ni pravilno programiran
Manjkajoč senzor kaskadnega predtoka B10
Kratki stik ionizacijske elektrode
Podnapetost omrežnega napajanja
Toleranca hitrosti ventilatorja je bila
presežena
Napaka pri konfiguraciji vhoda senSenzor STV brez funkcije
zorja B3/B38
Preverite loputo za dimne pline Okv
ara lopute za dimne pline
Konfigurirajte loputo za dimne Nastavitev parametrov lopute za dipline
mne pline
Manjkajoča funkcija ozemljitve Manjkajoč ozemljitveni priključek
Toleranca hitrosti ventilatorja
Vrednosti senzorjev
Vrednosti senzorjev
Diagrami prikazujejo vrednosti vseh
senzorjev kotla in opcijskih senzorjev, ki so na voljo v priboru.
Diagrami vsebujejo povprečne vrednosti, ko so vsi senzorji znotraj toleranc.
60000
55000
50000
Resistance [Ohm]
Upornost [Ohm]
45000
40000
35000
30000
25000
20000
15000
10000
5000
0
-10
0
10
20
30
40
50
60
70
80
90 100 110
Tem
perature [ºC]
Temperatura
[°C]
NTC 1kΩ temperature sensor
(Zunanje tipalo)
7500
7000
6500
6000
Upornost [Ohm]
5500
Resistance [Ohm]
Pri merjenju uporovnih vrednosti
mora biti kotel vedno izključen. Merite tik ob senzorju, da se izognete
deviacijam vrednosti.
NTC 10kΩ Temperaturni senzor
(predtok, povratek, dimni plini, STV, tipalo kotla)
5000
4500
4000
3500
3000
2500
2000
1500
1000
500
-20
-10
0
10
20
30
40
Temperatura
[°C]
Tem
perature [ºC]
45
SL
Izjava o ustreznosti
Izjava o ustreznosti
Izjava o ustreznosti
Elco BV, Hamstraat 76, 6465 AG Kerkrade (NL),
Izjavlja, da je izdelek
TRIGON XL
V skladu z naslednjimi standardi:
EN 15502-1
EN 15502-2-1
EN 55014-1 / -2
EN 61000-3-2 /-3
EN 60 335-1/ -2
In v skladu z navodili direktiv:
92/42/EGS (direktiva o učinkovitosti kotlov)
2009/142/EGS (direktiva o napravah na plinsko gorivo)
2014/35/EGS (direktiva o nizkonapetostni opremi)
2014/30/EGS (direktiva o elektromagnetni združljivosti)
2009/125/EGS, direktiva o izdelkih, povezanih z energijo
Uredba Komisije (EU) št. 811–813-814/2013
ta izdelek je označen s CE številko:
CE - 0063CQ3970
Kerkrade, 21-11-2016
A.J.G. Schuiling
Plant Manager
46
Note
Note
47
SL
Service:
ELCO GmbH
DE - 72379 Hechingen
ELCO Austria GmbH
AT - 2544 Leobersdorf
ELCOTHERM AG
CH - 7324 Vilters
ELCO BV
NL - 6465 AG Kerkrade
ELCO Belgium SA
BE - 1070 Brussel
ELCO Italia S.p.A.
IT - 3
1023 Resana
ELCO United Kingdom
UK - Basildon, Essex, SS15 6SJ
ELCO France / Chaffoteaux SAS
FR - 93521 Saint-Denis Cedex
Gastech-Energi A/S
DK - 8240 Risskov
Ariston Thermo Rus LLC
RU – 127015 Moscow
Ariston Thermo Türkiye
TR – 34775 Istanbul
Ariston Thermo Polska Sp. z o.o.
PL – 31 408 Kraków
Ariston Thermo Hungária Kft.
HU - 1135 Budapest
Ariston Thermo România
RO - 010505 Bucharest
Ariston Thermo CZ
CZ – 198 00 Praha 9
www.elco.net
11/2016
420010782600
Használati és üzembe helyezési utasítás
Kizárólag illetékes szakemberek számára
TRIGON XL
11/2016
420010686500
Tartalom
Általános szabályozások.................. 4
Alkalmazás...................................... 4
Működési elv.................................. 4
Információk a beépítőnek és a karbantartásról.................................... 5
Adattábla........................................ 6
Működési elv.................................. 6
Felépítés.........................
.................. 7
A bojler elrendezése....................... 7
Műszaki adatok................................ 8
ErP termékinformáció.................... 1 1
Méretek.......................................... 1 2
Szállítás............................................ 1 3
Szabványos bojler........................... 1 3
Tartozékok...................................... 1 3
Beszerelés........................................ 1 4
A bojler szállítása............................ 1 4
A burkolat leszerelése.................... 1 5
A burkolat leszerelése.................... 1 6
A készülék beszerelése előtt........... 1 7
Beszerelése.................................... 1 7
Csatlakoztatása............................... 1 8
Levegő/füstgáz rendszer................ 1 9
Levegő/füstgáz rendszer................ 2 1
Elektromos csatlakoztatás.............. 2 2
Kapcsolási rajz - kazán.................... 2 3
Kezelés............................................. 3 4
Kezel
őszervek................................. 3 4
Beschreibung Display..................... 3 5
Programmierung............................ 3 5
A legfontosabb funkciók rövid áttekintése............................................ 3 6
Karbantartás.................................... 3 8
Ellenőrző lista................................. 3 8
Az elektródák cseréje..................... 3 8
A
kondenzvíz
gyűjtőedény
tisztítása......................................... 3 9
A szifon tisztítása és újratöltése..... 3 9
A szennyeződésgyűjtő tisztítása..... 4 0
Az égéskamra ellenőrzése.............. 4 0
Ellenőrizze fizikai és kémiai víz....... 4 1
Gáz- és vízminőség......................... 4 1
Biztonsági eszközök........................ 4 1
Karbantartási jegyzőkönyv............. 4 2
Lezárások.......................................... 4 3
Szenzor értékek................................ 4 5
Megfelelőségi nyilatkozat................ 4 6
Note.............
.................................... 4 7
Üzembe helyezés............................. 2 5
Víz és hidraulikus rendszer............. 2 5
Semlegesítő rendszerek................. 2 6
Gázellátás....................................... 2 7
Kondenzvíz csatlakoztatás.............. 2 7
Égéstermék és légbevitel csatlakoztatás.......................................... 2 7
Készítse elő a bojlert az első
indításra......................................... 2 8
Égés elemzés.................................. 2 9
A gázszelep ellenőrzése.................. 3 0
Ellenőrizze a vízáramlást................ 3 0
Ellenőrizze a biztonsági berendezések
működését..................................... 3 1
Gáztömörség vizsgálat.................... 3 2
A bojler leállítása............................ 3 2
Üzembe helyezési jegyzőkönyv...... 3 3
3
HU
Általános szabályozások
Általános szabályozások
Alkalmazás
Működési elv
A jelen dokumentáció fontos infor
mációkat tartalmaz, amelyek az
bojler biztonságos és megbízható
beszerelésének és üzembe helyezésének az alapját képezik. A
dokumentumban leírt tevékenységeket csak az arra jogosult cégek
hajthatják végre.
Ebben a dokumentumban előzetes
értesítés nélküli változtatásokat lehet végrehajtani. A már leszállított
termékeknél nem vállalunk kötelességet a termékeknek a módosításokhoz való igazítására.
A bojler alkatrészeinek cserélésekor
kizárólag eredeti alkatrészeket lehet alkalmazni, különben a garancia
érvényét veszti.
Alkalmazás
Az bojlert kizárólag melegítésre és
forró víz előállítására lehet használni.
A bojlert zárt rendszerekre kell kötni
100 °C -os maximális hőmérséklettel
(hőmérséklet felső határa), a maximális célhőmérséklet pedig 90 °C.
Normák és szabályok
A bojler beszerelése és üzemeltetése során az összes (európai és helyi) normát be kell tartani:
• Az égési levegő és ég
éstermék
rendszerek szerelésére vonatkozó
helyi építési szabályokat,
• A bojlernek a villamos berendezésekkel való összekapcsolására
vonatkozó szabályokat,
• A bojlernek a helyi gázhálózattal
való összekapcsolására vonatkozó
szabályokat,
• A melegítő rendszerek biztonsági
berendezéseire vonatkozó normákat és szabályokat,
• A melegítő rendszerek beszerelésére és üzemeltetésére vonatkozó
valamennyi további helyi törvényt
és jogszabályt.
Az bojler CE jóváhagyással
rendelkezik és megfelel a következő
európai szabványoknak:
•
•
•
•
•
•
•
•
•
•
•
•
4
1992 / 42 / EGK A kazánok
hatásfok-követelményeivel kapcsolatos irányelv.
2009 / 142 / EGK A gázkészülékekkel
kapcsolatos irányelv.
Az Európai Parlament és a Tanács
2009/125/EK irányelve ( 2009.
október 21. ) az energiával kapcsolatos termékek környezetbarát
tervezésére vonatkozó követelmények megállapítási
kereteinek létrehozásáról
811-813-814/2013 EU rendelet
2014 / 30 / EU Az az elektromágneses összeférhetőségre (EMC) vonatkozó irányelv
2014 / 35 / EU a meghatározott
feszültséghatáron belüli használatra tervezett elektromos berendezésekkel kapcsolatos irányelv
EN 13203-2: 2015 (Gáztüzelésű,
háztartási meleg vizet előállító
készülékek. 2. rész: Az energiafelhasználás értékelése)
EN 15036-1: 2006 Fűtőkazánok. A
hőfejlesztők légzajkibocsátásának
vizsgálati előírásai. 1. rész:
Hőfejlesztők légzajkibocsátása
EN-ISO 3743-1: 2010 Akusztika.
Zajforrások, hangteljesítmény- és
hangenergiaszintjének meghatározása. Műszaki módszerek kisméretű mozgatható zajforrásokhoz
zengő térben. 1. rész: Összehasonlító módszer kemény falú vizsgálóhelyiségekben.
EN 15502-1: 2012 +A1:2015
(Gáztüzelésű kazánok. 1. rész: Általános követelmények és vizsgálatok)
EN 15502-2-1: 2012 (Gáztüzelésű
központi fűtési kazánok
. 2-1. rész:
A C típusú és a legfeljebb 1000 kW
névleges bemenő hőterhelésű B2,
B3 és B5 típusú kazánok egyedi
előírásai )
EN 60335-1 Háztartási és hasonló jellegű villamos készülékek.
Biztonság. 1. rész: Általános követelmények
•
•
•
•
•
EN 60335-2-102: 2016 Háztartási
és hasonló jellegű villamos
készülékek. Biztonság. 2-102. rész:
Gáz-, olaj- és szilárdanyag-tüzelésű
készülékek villamos csatlakozással.
EN 55014-1: 2006 Elektromágneses összeférhetőség. Háztartási
készülékek, villamos szerszámok és
hasonló eszközök követelményei.
1. rész: Zavarkibocsátás A1:2009,
A2:2011
EN 55014-2: 2015 Elektromágneses összeférhetőség. Háztartási
készülékek, villamos szerszámok
és hasonló eszközök követelményei. 2. rész: Zavartűrés.
Termékcsaládszabvány.
EN 61000-3-2: 2014 Elektromágneses összeférhetőség (EMC). 3-2.
rész: Határértékek. A felharmonikus áramok kibocsátási határ
rtékei (fázisonként legfeljebb 16 A
bemenőáramú berendezésekre)
EN 61000-3-3: 2013 Elektromágneses összeférhetőség (EMC). 3-3.
rész: Határértékek. A feszültségváltozások, a feszültségingadozások
és a villogás (flicker) határértékei a
közcélú, kisfeszültségű táphálózatokon, a fázisonként legfeljebb
16 A névleges áramerősségű és
különleges feltételek nélkül csatlakozó berendezések esetén.
További nemzeti szabványok
Németország:
• RAL - UZ 61 / DIN 4702-8
Svájc:
• SVGW
Ausztria:
• 15a V-BG
Általános szabályozások
Információk a beépítőnek és a karbantartásról
A készüléket a meghatározottaktól eltérő célra használni
szigorúan tilos. A gyártó nem
tehető felelőssé a készülék, helytelen, alkalmatlan, vagy ésszerűtlen
használatáért, illetve a az útmutatóban foglalt utasítások be nem
tartása esetén.
A beépítést karbantartásokat
és más műveleteket a vonatkozó kormányzati elő
rásokkal
és a agyártó utasításaival teljes
összhangban kell elvégezni. A helytelen beépítés személyi sérülést,
állatok sérülését vagy anyagi kárt
okozhat, az ennek következtésben
előforduló sérülésekért a gyártó
nem vállal felelősséget.
A kazánt védőcsomagolásban
szállítjuk. A csomagolás eltávolítását követően, győződjön
meg arról, hogy a készülék sértetlen,
és nincsenek hiányzó alkatrészek. Ha
problémát észlel, vegye fel a kapcsolatot a forgalmazóval.
Tartson távol minden csomagolóanyagot
(patentok,
műanyag zacskók, polisztirén
hab, stb.) gyermekektől, mivel ezek
veszélyesek lehetnek.
Mielőtt bármilyen karbantartási munkát végezne a kazánon,
győződjön meg arról, hogy leválasztotta-e az elektromos hálózatról, és a külső kétpólusú kapcsolót
„OFF” állásba kapcsolta. Minden
javítást eredeti cserealkatrészek
használatával kell elvégezni.
Információk a felhasználó számára
Tájékoz
tassa az ügyfelet a rendszer
kezelésének módjáról.
Mindenképp adja át az ügyfélnek
a Használati Útmutatót, hívja fel figyelmét, hogy a készülékkel együtt
tárolja.
Hívja fel a felhasználó figyelmét a
következőkre:
•
•
•
•
•
Rendszeresen ellenőrizni kell a
rendszer víznyomását, tanítsa
meg arra, hogyan szerelheti
össze és légtelenítheti a rendszert.
Hogyan
állíthatja
be
a
hőmérsékletet és a
kezelőegységeket
a
rendszer
gazdaságosabb
működtetéséhez.
A
törvényi
előírásoknak
megfelelő rendszeres karbantartás elvégzéséről.
Semmilyen
esetben
se
módosítsa
az
égés
és
gázégő
levegőbeállításának
módosítását.
Ezt a készüléket 8 éves korukat betöltött gyermekek,
csökkent fizikai, érzékszervi vagy mentális képességű,
illetve tapasztalattal és tudással nem rendelkező
személyek is használhatják felügyelet mellett, vagy ha
a készülék biztonságos használatáról tájékoztatást kaptak,
és ismerik a veszélyeket. Gyerek nem játszhat a
készülékkel. A tisztítást és karbantartást nem végezheti
gyermek felügyelet nélkül.
Minden javítást, csak akkor
kellene alkalmazni eredeti alkatrészek felhasználásával.
= Veszély az egészségre
= Veszély berendezések
5
HU
General regulations
Általános szabályozások
Adattábla Data plate
Működési elv
Symbols used on the data plate
•
Az adattáblán használt szimbólumok
2
1
S/N
Figyeljen oda az útmutatóban
található figyelmeztetésekre.
Legend :
00
26-05-2015
4
3
0000000KE000000000000
10
5
26-5-2015 13:07:34
6
7
8
9
gas
mbar
gas
mbar
gas
mbar
MAX
11
Q(Hi)
12
13
η =
100%
P60/80C
14
15
MIN
P30/50C
η =
min.
17
16
18
Brand
2
Country of origi
3
Boiler model - S
4
Commercial ref
5
Certification nu
6
Destination cou
7
Gas setting
8
Installation type
9
Electrical data
10
Factory settings
11
Maximum wate
12
Boiler type
13
NOx class / Effi
1
Márka
10
Gyári beállítások
14
Input rating nom
2
Származási ország
11
Maximális víznyomás
15
Power output h
3
Kazán típus - Sorozatszám
12
Kazán típusa
16
Gases which m
4
Kereskedelmi megnevezés
13
NOx osztály/ Hatékonyság
17
Ambient operat
5
Tanúsítvány száma
14
Bemenet névleges fűtőteljesítmény
18
Max. central he
6
Célország - Gáz kategória
15
Kimeneti fűtés teljesítmény
7
Gázbeállítás
16
Használható gáztípusok
8
Beépítés típusa
17
Környezeti üzemi hőmérséklet
9
elektromos adatok
18
Központ fűtés maximális hőmérséklete
0000000KE000000000000
Működési elv
Az TRIGON XL –as egy teljesen mogázok lefelé szállnak a hőcserélőn
dulált bojler. A bojler vezérlőegysége
keresztül, és a kazánt alul elhagyva
a modulációs arányt a rendszer által
belépnek a kéménycsatlakozásba. A
megkívánt hőigénynek megfelelően
rendszerből kijövő visszatérő víz az
állítja be. Ezt a
ventilátor sebesalsó részben jut be a bojlerbe, ahol
0000000KE000000000000
ségének szabályozásával éri el.
a bojleren belül a legalacsonyabb a
Ennek segítségével a „Whirlwind”
füstgáz hőmérséklete.
keverő rendszer a választott venA víz felfelé halad a bojleren ketilátor sebességnek megfelelően
resztül, majd elhagyja a bojlert
állítja be a gáz arányt annak éra felső részen (égő). Az kedekében, hogy a lehető legjobb
resztáramlásos működési elv (víz
égési eredményeket, és ezáltal a lefel, gáz le) a lehető legjobb égetési
gnagyobb hatékonyságot lehessen
eredményeket biztosítja.
elérni. Az égés során keletkező füst6
1
6
5
4
3
A LMS14 vezérlőegység szabályozza
a bojler működését az alábbiak sze2
rint:
PCT
• bojlerszabályozás (önálló működés)
1
• időjárás-kiegyenlítő szabályozás; (külső pótérzékelővel);
• 0-10 V -os külső befolyással (hőmérséklet vagy kapacitás) épület felügye
leti rendszerből
Felépítés
Felépítés
A bojler elrendezése
A bojler elrendezése
Az TRIGON XL –as bojler a következő
főbb részegységekből áll:
1
Oldalsó panel
2
Elülső lap
3
Állítható lábak
4 Kerék
5
Vezérlőpult (fedlap alatt)
6
Légbeszívó csatlakozó(burkolat alatt)
7
Égéstermék csatlakozó
8
Gáz csatlakozó
9
Folyóvíz csatlakozó
10
Visszatérő víz csatlakozó
11
Villanyáram bemeneti csatlakozók
(HV/LV)
12
Kémlelőüveg
13
Égő / Első hőcserélő szerelvény
14
Második, harmadik hőcserélő
szerelvények
15 Szifon
16
Gyújtó- és ionizációs elektródák
17
Töltő/leeresztő szelep
18
Kondenztálca
19
Ventilátor
20 Gázszelep
21
Gáznyomásőr
22
2. (meleg) visszatérő vízcsatlakozás
(osztott rendszerű használathoz,
tartozék)
5
6
8
2
1
9
22
10
11
4
3
3 4
7
3 4
19
20
21
12
13
16
14
17
18
15
17
7
HU
Műszaki adatok
Műszaki adatok
150
TRIGON XL
200
kW
kW
kW
%
%
%
l/h
m3/h
m3/h
142,3/31,3
151,2/35,4
145,0/32,2
98,2
104,3
110,4
9,2
13,3/3,0
17,4/3,9
190,4/42,0
202,3/47,4
194,0/43,1
98,2
104,3
110,4
12,4
17,8/4,0
23,3/5,2
237,6/47,0
252,3/53,4
242,0/48,4
98,2
104,2
110,4
15,4
22,2/4,4
29,0/5,8
kg/h
11,3/2,5
15,2/3,4
18,9/3,8
mértékegység
Névleges hőkibocsátás 80-60 °C –on max/min
Névleges hőkibocsátás 40/30 °C –on max/min
Névleges hőbevitel Hi (felső) max/min**
Hatékonyság 80/60 °C –on
Hatékonyság 40/30 °C –on
Éves hatékonyság (NNG 40/30 °C)
Max. kondenzvíz áramlás
Gázfogyasztás G20 gáz max/min (10,9 kWh/m3)
Gázfogyasztás G25 gáz max/min (8,34 kWh/m3)
"Gázfogyasztás Prop. G31 gáz max/min(12,8 kWh/
kg)"
Gáznyomás földgáz G20
Gáznyomás földgáz G25
Gáznyomás folyékony gáz G31
Maximális gáznyomás
Max. hőmérséklet kipufogógázok
Égéstermék hőmérséklet 80/60 °C –on max/min
Égéstermék hőmérséklet 40/30 °C –on max/min
Égéstermék mennyiség max/min. H-gas
CO2 szint földg
áz G20/G25 max/min.
CO2 szint folyékony gáz G31 max/min.
NOx szint 80/60 °C max/min
CO szint 80/60 °C max/min
Max. megengedett tűzcső ellenállás max/min.
Vízmennyiség
Víznyomás max/min
Max. vízhőmérséklet (felső határ termosztát)
Max. hőmérséklet cél
Névleges vízáramlás dT=20K –nál
Hidraulikus ellenállás névleges vízáramlásnál
Elektromos csatlakozás
Frekvencia
Elektromos hálózati biztosíték
mbar
mbar
mbar
mbar
°C
°C
°C
m3/h
%
%
mg/kWh
mg/kWh
Pa
l
bar
°C
°C
m3/h
kPa
V
Hz
A
IP osztály
Energia fogyasztás: bojler max/min (pumpa
kivételével)
250
20
25
30/50
50
90
75/58
75/58
75/58
54/30
54/30
55/30
188/43
251/57
313/64
10,2/9,4 ±0,2 (Fojtás az 570-es típusnál, max./min. különbség ≥0,8%)
11,9/10,0 ±0,2
38/19
38/19
36/18
14/3
14/3
14/5
200/10
200/10
200/10
26
31
33
8/1
100
90
6,1
8,1
10,1
11,2
26,8
31,2
230/400
50
16
IP20
W
176/48
267/48
286/53
W
Kg
dB
μA
mm
190/9
290
70,3
310/12
366
70,3
R2”
R1.1/2”
150
190/9
332
70,3
10,0/4,5
3,2
CE - 0063CQ3970
R2”
R1.1/2”
150
R2”
R1.1/2”
200
Levegő bemeneti csatlakozó (sgetelt helyiséges
használatra)
mm
130
130
130
Kondenzvíz csatlakozás
mm
Energia fogyasztás: sebességvezérelt pumpa (opc)
Súly (üresen)
Hangteljesítmény szint LWA
Ionizáló áram minimum
PH érték kondenzvíz
CE tanúsítvány kód
Víz csatlakozások
Gáz csatlakozás
Égéstermék csatlakozás
8
32
Műszaki adatok
mértékegység
Névleges hőkibocsátás 80-60 °C –on max/min
Névleges hőkibocsátás 40/30 °C –on max/min
Névleges hőbevitel Hi (felső) max/min**
Hatékonyság 80/60 °C –on
Hatékonyság 40/30 °C –on
Éves hatékonyság (NNG 40/30 °C)
Max. kondenzvíz áramlás
Gázfogyasztás G20 gáz max/min (10,9 kWh/m3)
Gázfogyasztás G25 gáz max/min (8,34 kWh/m3)
"Gázfogyasztás Prop. G31 gáz max/min(12,8 kWh/
kg)"
Gáznyomás földgáz G20
Gáznyomás földgáz G25
Gáznyomás folyékony gáz G31
Maximális gáznyomás
Max. hőmér
séklet kipufogógázok
Égéstermék hőmérséklet 80/60 °C –on max/min
Égéstermék hőmérséklet 40/30 °C –on max/min
Égéstermék mennyiség max/min. H-gas
CO2 szint földgáz G20/G25 max/min.
CO2 szint folyékony gáz G31 max/min.
NOx szint 80/60 °C max/min
CO szint 80/60 °C max/min
Max. megengedett tűzcső ellenállás max/min.
Vízmennyiség
Víznyomás max/min
Max. vízhőmérséklet (felső határ termosztát)
Max. hőmérséklet cél
Névleges vízáramlás dT=20K –nál
Hidraulikus ellenállás névleges vízáramlásnál
Elektromos csatlakozás
Frekvencia
Elektromos hálózati biztosíték
300
400
500
570
kW
kW
kW
%
%
%
l/h
m3/h
m3/h
285,7/56,5
303,3/64,2
291,0/58,2
98,2
104,2
110,4
18,5
26,7/5,3
34,9/7,0
381,3/75,2
404,3/85,6
388,0/77,6
98,3
104,2
110,4
24,7
35,6/7,1
46,5/9,3
476,7/94,6
505,2/106,9
485,0/97,0
98,3
104,2
110,4
30,7
44,5/8,9
58,2/11,6
540,2/120,0
572,8/135,1
550,0/122,2
98,2
104,2
110,3
34,8
50,5/11,2
65,9/14,7
kg/h
22,7/4,5
30,3/6,
1
37,9/7,6
43,0/9,5
mbar
mbar
mbar
mbar
°C
°C
°C
m3/h
%
%
mg/kWh
mg/kWh
Pa
l
bar
°C
°C
m3/h
kPa
V
Hz
A
IP osztály
Energia fogyasztás: bojler max/min (pumpa
kivételével)
TRIGON XL
20
25
30/50
50
90
75/58
75/59
75/59
76/58
55/30
56/30
56/30
56/30
377/77
502/102
628/128
712/161
10,2/9,4 ±0,2 (Fojtás az 570-es típusnál, max./min. különbség ≥0,8%)
11,9/10,0 ± 0,2
36/18
34/17
37/18
40/19
14/5
14/8
16/5
18/1
160/10
400/10
300/10
400/10
60
63
71
77
8/1
100
90
12,2
16,3
20,3
23,1
11,9
32,3
34,3
57,1
230/400
50
16
IP20
W
230/50
504/54
W
Kg
dB
μA
mm
310/12
434
70,3
470/25
496
77,3
R1.1/2”
200
Levegő bemeneti csatlakozó (sgetelt helyiséges
használatra)
mm
130
Kondenzvíz csatlakozás
mm
Energia fogyasztás: sebességvezérelt pumpa (opc)
Súly (üresen)
Hangteljesítmény szint LWA
Ionizáló áram minimum
PH érték kondenzvíz
CE tanúsítvány kód
Víz csatlakozások
Gáz csatlakozás
Égéstermék csatlakozás
620/64
676/61
590/25
540
77,3
10,0/
4,5
3,2
CE - 0063CQ3970
DN65PN16
R1.1/2”
R2"
250
250
800/38
595
77,3
130
150
R2"
250
150
32
9
HU
Műszaki adatok
mértékegység
Névleges hőkibocsátás 80-60 °C –on max/min
Névleges hőkibocsátás 40/30 °C –on max/min
Névleges hőbevitel Hi (felső) max/min**
Hatékonyság 80/60 °C –on
Hatékonyság 40/30 °C –on
Éves hatékonyság (NNG 40/30 °C)
Max. kondenzvíz áramlás
Gázfogyasztás G20 gáz max/min (10,9 kWh/m3)
Gázfogyasztás G25 gáz max/min (8,34 kWh/
m3)
"Gázfogyasztás Prop. G31 gáz max/min(12,8
kWh/kg)"
Gáznyomás földgáz G20
Gáznyomás földgáz G25
Gáznyomás folyékony gáz G31
Maximális gáznyomás
Max. hőmérséklet kipufogógázok
Égéstermék hőmérséklet 80/60 °C –on max/min
Égéstermék hőmérséklet 40/30 °C –on max/min
Égéstermék mennyiség max/min. H-gas
CO2 szint földgáz G20/G25 max/min.
CO2 szint folyékony gáz G31 max/min.
NOx szint 80/60 °C max/min
CO szint 80/60 °C max/min
Max. megengedett tűzcs
ő ellenállás max/min.
Vízmennyiség
Víznyomás max/min
Max. vízhőmérséklet (felső határ termosztát)
Max. hőmérséklet cél
Névleges vízáramlás dT=20K –nál
Hidraulikus ellenállás névleges vízáramlásnál
Elektromos csatlakozás
Frekvencia
Elektromos hálózati biztosíték
115
350
kW
kW
kW
%
%
%
l/h
m3/h
113,7/31,3
120,8/35,4
115,8/32,2
98,2
104,3
110,4
7,4
10,6/3,0
343,0/75,2
363,6/85,6
349,0/77,6
98,3
104,2
110,4
m3/h
13,9/3,9
41,8/9,3
kg/h
9,0/2,5
27,3/6,1
mbar
mbar
mbar
mbar
°C
°C
°C
m3/h
%
%
mg/kWh
mg/kWh
Pa
l
bar
°C
°C
m3/h
kPa
V
Hz
A
IP osztály
Energia fogyasztás: bojler max/min (pumpa
kivételével)
Energia fogyasztás: sebességvezérelt pumpa
(opc)
Súly (üresen)
Hangteljesítmény szint LWA
Ionizáló áram minimum
PH érték kondenzvíz
CE tanúsítvány kód
Víz csatlakozások
Gáz csatlakozás
Égéstermék csatlakozás
Levegő bemeneti csatlakozó (sgetelt helyiséges
használatra)
Kondenzvíz csatlakozás
10
TRIGON XL (C
sak az olasz piac részére)
22,2
32,0/7,1
20
25
30/50
50
90
75/58
75/59
54/30
56/30
150/43
452/102
10,2/9,4 ±0,2 (Fojtás az 570-es típusnál, max./min. különbség ≥0,8%)
11,9/10,0 ± 0,2
38/19
34/17
14/3
14/8
200/10
400/10
26
63
8/1
100
90
4,8
14,6
7,0
26,0
230/400
50
16
IP20
W
176/48
504/54
W
190/9
470/25
290
70,3
496
77,3
Kg
dB
μA
mm
R2”
R1.1/2”
150
DN65PN16
R1.1/2”
250
mm
130
130
mm
10,0/4,5
3,2
CE - 0063CQ3970
32
Műszaki adatok
ErP termékinformáció
Termékinformációk a 2009/125/EK direktíva és 813/2013 (EU) szabályozásnak megfelelően
TRIGON XL
Ikon
Egység
115*
150
200
250
300
350*
400
Kondenzációs kazán
-
-
Igen
Igen
Igen
Igen
Igen
Igen
Igen
Alacsony hőmérsékletű kazán
-
-
Nem
Nem
Nem
Nem
Nem
Nem
Nem
B1 kazán
-
-
Nem
Nem
Nem
Nem
Nem
Nem
Nem
Kogenerációs térfűtő
-
-
Nem
Nem
Nem
Nem
Nem
Nem
Nem
Kombinált fűtő
-
-
Nem
Nem
Nem
Nem
Nem
Nem
Nem
Prated
kW
140
14
0
190
237
286
381
381
Névleges hőteljesítménynél, magas
hőmérséklet-tartományban
P4
kW
142,3
142,3
190,4
237,6
285,7
381,3
381,3
A névleges hőteljesítmény 30%-ánál
alacsony hőmérséklettartományban
1)
P1
kW
47,5
47,5
63,5
79,3
95,3
127,1
127,1
Szezonális térfűtés energiahatékonyság
hs
%
93,4
93,4
93,5
93,6
93,6
93,6
93,6
Névleges hőteljesítménynél, magas
hőmérséklet-tartományban 2)
h4
%
88,4
88,4
88,4
88,4
88,4
88,5
88,5
A névleges hőteljesítmény 30%-ánál
alacsony hőmérséklettartományban
1)
h1
%
98,3
98,3
98,3
98,3
98,3
98,4
98,3
Teljes terhelésen
elmax
kW
176
176
267
286
230
504
504
Részleges terhelésen
elmin
kW
53
53
53
53
70
70
70
PSB
kW
8
8
8
8
8
8
8
Készenléti hőveszteség
Pstby
kW
286,4
286,4
286,4
286,4
309,6
309,6
309,6
Gyújtóégő áramfogyasztás
Pign
kW
0
0
0
0
0
0
0
Nitrogén-oxidok kibocsátása
NO
mg/kWh
38
38
38
36
36
34
34
ErP Fűtés
Névleges hő kazán
Kiegészítő áramfogyasztás
Készenlét módban
Kiegészítő fűtőegység
X
*) Csak az olasz piac részére
1) visszafolyó ág 30°C
2) áramlási hőmérséklet és visszafolyó ág hőmérséklet (80 °C és 60 °C)
11
HU
Műszaki adatok
Méretek
TRIGON XL Modellek: 115 - 150 - 200 - 250
234,25
L1
L2
466
131
104
104
A
G
1130
W1
1124
1467
1457
W3
967
W2
723
602
482
D
S
178
0
TRIGON XL Modellek
115 - 150
200
250
300
350 - 400
500
570
L1 [mm]
1349
1499
1649
1348
1496
1646
1769
L2 [mm]
1165
1315
1465
1152
1302
1452
1602
A [mm]
130
150
G
1½”
2“
D [mm]
�150
�150
�200
S [mm]
�200
�250
32
W1
2“
DN65 PN16
W2
2“
DN65 PN16
TRIGON XL Models: 300 - 350 - 400 - 500 - 570
L1
374
L2
746
129
G
149
129
A
1152
1470
1460
W1
1131
W3
W2
967
723
601
S
D
490
178
0
12
Szállítás
Szállítás
Szabványos bojler
Tartozékok
Szabványos bojle
r
A bojler szállítási csomag a következő
alkatrészeket tartalmazza:
Alkatrész
Db.
Csomag
Bojler, teljesen összeszerelve és tesztelve
1
Raklapra rögzítve és PE fóliával lezárva
Szifon a kondenzvíz összegyűjtésére
1
Belső kazáncsomagolás
Használati és beszerelési utasítás
1
Térkép a kazán hátlapján
Átalakító készlet I3P és I3B/P típushoz
utasításokkal együtt
1
A kazán csomagolásán belül
Kiegészítők
A kazánhoz a következő kiegészítőket
lehet megrendelni:
•
•
•
•
•
•
•
•
•
•
•
•
Sebességvezérelt szivattyú.
Biztonsági szelep, manométer
és gáztalanító (3 és 6 bar).
2x max. víznyomás kapcsoló
és 1 külső felső határoló termosztát.
Gázszűrő csatlakozókészlettel.
Max. gáznyomás-kapcsoló.
Külső felső határoló termosztát.
Gázszelepszivárgás-tesztelő.
2. visszatérő csatlakozó osztott
rendszerű felhasználáshoz.
Elkerülő (szivattyúval)
Lemezes
hőc
serélő
(dT=10K/15K vagy dT=20K)
Alacsony sebességű kazándob a
következőkhöz: dT=10K/15K és
dT=20K
Dupla kazándob 2 kazán sorba
kötéséhez.
•
Kiegészítő RVS63 fűtésizónavezérlő, 2-nél több zóna
vezérlése esetén.
A fenti kiegészítők kifejezetten a
TRIGON XL kazánhoz készültek, és
ezáltal könnyen beszerelhetők.
A fent említett készletek kombinálásával teljes körű rendszermegoldást
hozhat létre.
További információt a szállítótól kaphat.
Az AVS75 bővítőmodul a fűtési
zóna szabályozásához vagy a külső
gázszelep és/vagy szobai ventillátorvezérlés. Minden egyes kazánnál
legfeljebb 3 AVS75 modult (2x fűtési
zóna, 1x külső gázszelep / szobai
ventillátor) lehet integrálni.
13
HU
Beszerelés
Beszerelés
A bojler szállítása
A bojler szállítása
Az TRIGON XL –as bojlert kész egységként szállítják, teljesen összeszerelve
és előzetesen tesztelve. Az 150-250
modellek max. szélessége 466 mm, az
30
0-570 modelleké pedig 746 mm. Ez
bármelyik modell számára lehetővé
teszi, hogy egy szokványos ajtón
keresztülvigyék egy darabban. A bojlert egy kis emelésű szállítókocsival
lehet szállítani elölről vagy oldalról
megközelítve. Szükség esetén a bojlert kisebb darabokra is szét lehet szerelni, hogy könnyebb legyen hordozni az épületen át. Az alábbi táblázat a
szétszerelés utáni főbb alkatrészeket
tartalmazza súllyal és mérettel.
3
1
2
3
Amikor a bojlert daruval kell szállítani,
a daruhoz való csatlakoztatás előtt el
kell távolítani a házat.
Mindig használjanak gurtnit a bojler
keretének a daruhoz való rögzítéséhez.
3
Alkatrész
1
Emelőszíj
2
Fa távtartó
3
Emelőszíj helyzete
115-150
200
250
300
350-400
500
570
Égő / 1. hőcserélő készülék
Súly [kg]
Hossz [mm]
Szél [mm]
Magasság [mm]
90
735
400
321
110
885
400
321
120
1035
400
321
140
735
680
321
160
885
680
321
190
1035
680
321
200
1185
680
321
2., 3. hőcserélő készülék
Súly [kg]
Hossz [mm]
Szél [mm]
Magasság [mm]
100
735
400
244
110
885
400
244
120
1035
400
244
160
735
680
244
170
885
680
244
200
1035
680
244
220
1185
680
244
Kondenztálca
Hossz [mm]
Szél [mm]
Magasság [mm]
589
385
225
739
385
225
889
385
225
589
665
225
739
665
225
889
665
225
1039
665
225
Első U-keret elektronikus
pulttal
Hossz [mm]
Szél [mm]
Magasság [mm]
990
624
335
1140
624
335
1350
624
335
1100
724
335
1320
724
335
1470
724
335
1620
724
335
14
Beszerelés
A burkolat leszerelése
A burkolat leszerelése
A kazán szállítása előtt szerelje le a
burkolatot. A burkolat leszerelését
az alábbi lépések szerint végezze.
A burkolat visszaszereléséhez fordított sorrendben hajtsa végre ugyanezeket a lépéseket.
Kezdje a felső burkolattal. Ellenőrizze, hogy visszaszerelte-e a
földelőkábelt és a csavarokat,
mert azokra szükség van a biztonságos üzemi körülmények megteremtéséhez!
2
1
4
3
5
6
15
HU
Beszerelés
A burkolat leszerelése
7
9
8
16
Beszerelés
A készülék beszerelése előtt
Beszerelése
A kazán beszerelését és üzembe helyezését MTS szakember végezheti, a jelenlegi hazai beszerelési
szabályozásnak megfelelően, illetve a helyi szervezetek és egészségügyi szervek által támasztott követelményekkel összhangban.
A készülék beszerelése előtt
A kazáncsatlakoztatás előtt először is az alábbi teendőket szükséges végrehajtani:
• Gondosan mossa át a csőrendszert
a beszorult csavarok vagy a hegesztés maradványai, illetve bármilyen,
a kazán megfelelő működését gátló
szennyeződés eltávolításához,
• Győződjön meg, hogy a kazán az
elérhető gáztípussal lett működésbe
helyezve (információ a csomagolás címkéjén, és a kazán adattábláján),
• Győződjön meg arról, hogy
nincsenek akadályok a kivezető füstcsőben, és hogy az nem
tartalmazza más készülékek kibocsátásá
t, hacsak nem a kürtő
egynél több kazánhoz tartozik
(a hatályos jogi előírások szerint);
800
450
250
450
•
Ahol már létezik kéményösszeköttetés,
ellenőrizze, hogy a kémény teljesen
tiszta, szennyeződés maradványoktól
mentes; ugyanis a nem helyes összeköttetés akadályozhatja a füst útját, és
veszélyes helyzeteket idézhet elő,
Különösen kemény vizű területeken
vízkő rakódhat le a kazán belsejében
lévő alkatrészekre, mely csökkentheti a
kazán teljes hatékonyságát,
ne szerelje a készüléket olyan helyre,
ahol az égéshez szükséges levegő
nagy arányban tartalmaz klórtartalmú
gázokat (uszodai környezet), és/vagy
egyéb káros hatású anyagokat, mint
például ammónia (fodrászat), lúgos
kémhatású anyagok (mosoda) stb,
FIGYELMEZTETÉS
Tilos a kazán közelében gyúlékony anyagot
hagyni.
Bizonyosodjon meg róla, hogy a beszerelési
terület és a készülékhez csatlakoztatandó
rendszerek teljes mértékben ele
t, hacsak nem a kürtő
egynél több kazánhoz tartozik
(a hatályos jogi előírások szerint);
800
450
250
450
•
Ahol már létezik kéményösszeköttetés,
ellenőrizze, hogy a kémény teljesen
tiszta, szennyeződés maradványoktól
mentes; ugyanis a nem helyes összeköttetés akadályozhatja a füst útját, és
veszélyes helyzeteket idézhet elő,
Különösen kemény vizű területeken
vízkő rakódhat le a kazán belsejében
lévő alkatrészekre, mely csökkentheti a
kazán teljes hatékonyságát,
ne szerelje a készüléket olyan helyre,
ahol az égéshez szükséges levegő
nagy arányban tartalmaz klórtartalmú
gázokat (uszodai környezet), és/vagy
egyéb káros hatású anyagokat, mint
például ammónia (fodrászat), lúgos
kémhatású anyagok (mosoda) stb,
FIGYELMEZTETÉS
Tilos a kazán közelében gyúlékony anyagot
hagyni.
Bizonyosodjon meg róla, hogy a beszerelési
terület és a készülékhez csatlakoztatandó
rendszerek teljes mértékben ele
... ascunde
Alte documentatii ale aceleasi game Vezi toate
Fisa tehnica
8 p | RO
THISION® L ECO
Instructiuni montaj, utilizare
72 p | RO
THISION® L ECO